У
Улуйчшайзер
Если у вас есть остатки старого музыкального центра, то из них можно сделать не плохой УНЧ.
В первую очередь нужно убедиться что в остатках, например, разбившегося при падении с высоты музыкального центра есть блок питания (трансформатор) и плата усилителя низкой частоты.
В большинстве музыкальных центров 90-2000 -х годов в качестве блока питания использовался трансформатор, а диоды или диодная сборка с конденсаторами находятся на отдельной плате УНЧ или на общей (как бы материнской платы).
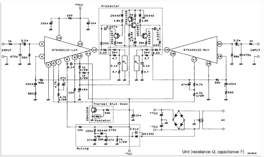
Собственно сам УНЧ чаще всего выполнен на микросхемах STK или TDA.
В данной статье уделим внимание микросхемам STK. Это очень не плохие микросхемы для постройки бюджетного УНЧ класса Hi-Fi.
В отличие от традиционным микросхем, например, TDA, микросхемы STK не являются в чистом виде микросхемами, собранными на одной подложке - кристалле, а представляют как бы микро сборку, собранную на специальной подложке типа печатной платы, грубо говоря, из бескорпусных радиодеталей и представляют собой примерно 90% УНЧ класса АВ.
Внутри таких микросхем обычно собраны два канала (два однотипных УНЧ), а на выходе установлены комплементарные транзисторы мощностью порядка 50-150 Вт, так, что максимальная, паспортная мощность может достигать порядка 40-150 Вт.
Преимуществом микросхем этого типа по сравнению с микросхемами на общем кристалле, например, TDA является, более высокая перегрузочная способность по мощности и более высокое напряжение питания.
Напряжение питания микросхем STK составляют порядка +- 40-55 В. И, если возникнет кратковременная (импульсная) перегрузка микросхемы, то она не горит, даже при мощности примерно в 1,5 раза превышающей мощность, указанную в даташит.
Например, я случайно в этом убедился при проверке параметров микросхемы STK4211 из остатков муз. центра SONY RX-90. Эта микросхема выжила при подаче свип-сигнала с мощностью порядка 110 Вт (24 В на нагрузке 5 Ом) при паспортной мощности в 70 Вт. А порог срабатывания защиты этой микросхемы для 4 и 8 Ом нагрузке по напряжению я выставил на мощность порядка 100 Вт.
Другим важным преимуществом этого типа микросхем является их высокая экономичность ( малое потребление тока в режиме покоя и очень крутой спад уровня гармонических искажений с ростом частоты. радиатор существенно меньше греется, чем у микросхем TDA.
У этих микросхем нелинейные искажения до мощности 1-3 Вт порядка 0,01%, а с ростом мощности возрастают примерно до 0,3-0,7% по даташиту. Но есть возможность снижения этих искажений за счет увеличения глубины ООС до 0,1-0,3% при мощности указанной в даташит. При перегрузках по мощности в 1,5 раза микросхема не только не сгорает, но и нелинейные и интермодуляционные искажения у этой микросхемы остаются на вполне сносном уровне - порядка 0,5-1,5%.
Это очень важный момент в плане психофизического восприятия качества работы этих микросхем. На слух все эти особенности работы УНЧ на микросхемах STK (по сравнению, например с микросхемами TDA) воспринимаются примерно как сравнение качества звука транзисторных и ламповых УНЧ. Создается иллюзия, что микросхема STK работает как бы в два раза громче, чем микросхема TDA.
Итак, если вы обнаружили в остатках муз. центра плату и трансформатор, то нужно их извлечь из остатков разбитого корпуса очень осторожно. В бытовой аппаратуре платы делают из самого дешевого гетинакса и они могут сломаться даже при небольших нагрузках.
После извлечения указанных узлов их нужно осмотреть визуально предмет механических повреждений, устранить их перейти к проверке работоспособности микросхем. Для этого нужно определить тип микросхемы и скачать из интернета даташит на микросхему и если известна марка муз. центра его описание, схему и печатные платы.
На отдельную плату УНЧ обычно подаются сигналы ( земля, два входа, два выхода, + питания, сигнал для защиты и задержки включения УНЧ).
Важно в даташит уточнить диапазон напряжений, управляющих включением и выключением микросхемы. Если просто на плату подать напряжение с трансформатора, то УНЧ будет в соcстоянии выкл. Например, на микросхеме STK4211 в этом режиме на 8 ножку микросхемы будет поступать отрицательное напряжение порядка - 1,1-1,5 В. для того чтобы запустить микросхему работу, напряжение на 8 ножке должно увеличиться примерно до -0,7-05 В. для этого можно на цепь формирования управляющего напряжения подать напряжение, например +1-2 В через развязывающий резистор порядка 2,7-5,1 к. Тогда при включении УНЧ первые 1,5-2 сек на 8 ножку будет поступать отрицательное напряжение -1,1 В и по мере зарядки конденсатора, который как правило уже есть на плате УНЧ произойдет переход УНЧ в режим работы и в АС не будет хлопков, связанных с переходными процессами.
После того как вы удились в том, что микросхема исправна, можно будет подобрать подходящий по размерам корпус, например от старого видеомагнитофона или проигрывателя видеокассет и разместить внутрь трансформатор, плату УНЧ с радиатором и другие узлы, например, умный вентилятор охлаждения радиатора, платы защиты микросхемы, регуляторы громкости, переключатель входных каналов, фонокорректор, микрофонный усилитель и так далее.
В результате, практически из мусора, может получиться не плохой УНЧ класса Hi-Fi с номинальной (пиковой) мощностью порядка 40-150/70-200 Вт, аналоги которого могут стоить порядка 1-2 К.
В первую очередь нужно убедиться что в остатках, например, разбившегося при падении с высоты музыкального центра есть блок питания (трансформатор) и плата усилителя низкой частоты.
В большинстве музыкальных центров 90-2000 -х годов в качестве блока питания использовался трансформатор, а диоды или диодная сборка с конденсаторами находятся на отдельной плате УНЧ или на общей (как бы материнской платы).
Собственно сам УНЧ чаще всего выполнен на микросхемах STK или TDA.
В данной статье уделим внимание микросхемам STK. Это очень не плохие микросхемы для постройки бюджетного УНЧ класса Hi-Fi.
В отличие от традиционным микросхем, например, TDA, микросхемы STK не являются в чистом виде микросхемами, собранными на одной подложке - кристалле, а представляют как бы микро сборку, собранную на специальной подложке типа печатной платы, грубо говоря, из бескорпусных радиодеталей и представляют собой примерно 90% УНЧ класса АВ.
Внутри таких микросхем обычно собраны два канала (два однотипных УНЧ), а на выходе установлены комплементарные транзисторы мощностью порядка 50-150 Вт, так, что максимальная, паспортная мощность может достигать порядка 40-150 Вт.
Преимуществом микросхем этого типа по сравнению с микросхемами на общем кристалле, например, TDA является, более высокая перегрузочная способность по мощности и более высокое напряжение питания.
Напряжение питания микросхем STK составляют порядка +- 40-55 В. И, если возникнет кратковременная (импульсная) перегрузка микросхемы, то она не горит, даже при мощности примерно в 1,5 раза превышающей мощность, указанную в даташит.
Например, я случайно в этом убедился при проверке параметров микросхемы STK4211 из остатков муз. центра SONY RX-90. Эта микросхема выжила при подаче свип-сигнала с мощностью порядка 110 Вт (24 В на нагрузке 5 Ом) при паспортной мощности в 70 Вт. А порог срабатывания защиты этой микросхемы для 4 и 8 Ом нагрузке по напряжению я выставил на мощность порядка 100 Вт.
Другим важным преимуществом этого типа микросхем является их высокая экономичность ( малое потребление тока в режиме покоя и очень крутой спад уровня гармонических искажений с ростом частоты. радиатор существенно меньше греется, чем у микросхем TDA.
У этих микросхем нелинейные искажения до мощности 1-3 Вт порядка 0,01%, а с ростом мощности возрастают примерно до 0,3-0,7% по даташиту. Но есть возможность снижения этих искажений за счет увеличения глубины ООС до 0,1-0,3% при мощности указанной в даташит. При перегрузках по мощности в 1,5 раза микросхема не только не сгорает, но и нелинейные и интермодуляционные искажения у этой микросхемы остаются на вполне сносном уровне - порядка 0,5-1,5%.
Это очень важный момент в плане психофизического восприятия качества работы этих микросхем. На слух все эти особенности работы УНЧ на микросхемах STK (по сравнению, например с микросхемами TDA) воспринимаются примерно как сравнение качества звука транзисторных и ламповых УНЧ. Создается иллюзия, что микросхема STK работает как бы в два раза громче, чем микросхема TDA.
Итак, если вы обнаружили в остатках муз. центра плату и трансформатор, то нужно их извлечь из остатков разбитого корпуса очень осторожно. В бытовой аппаратуре платы делают из самого дешевого гетинакса и они могут сломаться даже при небольших нагрузках.
После извлечения указанных узлов их нужно осмотреть визуально предмет механических повреждений, устранить их перейти к проверке работоспособности микросхем. Для этого нужно определить тип микросхемы и скачать из интернета даташит на микросхему и если известна марка муз. центра его описание, схему и печатные платы.
На отдельную плату УНЧ обычно подаются сигналы ( земля, два входа, два выхода, + питания, сигнал для защиты и задержки включения УНЧ).
Важно в даташит уточнить диапазон напряжений, управляющих включением и выключением микросхемы. Если просто на плату подать напряжение с трансформатора, то УНЧ будет в соcстоянии выкл. Например, на микросхеме STK4211 в этом режиме на 8 ножку микросхемы будет поступать отрицательное напряжение порядка - 1,1-1,5 В. для того чтобы запустить микросхему работу, напряжение на 8 ножке должно увеличиться примерно до -0,7-05 В. для этого можно на цепь формирования управляющего напряжения подать напряжение, например +1-2 В через развязывающий резистор порядка 2,7-5,1 к. Тогда при включении УНЧ первые 1,5-2 сек на 8 ножку будет поступать отрицательное напряжение -1,1 В и по мере зарядки конденсатора, который как правило уже есть на плате УНЧ произойдет переход УНЧ в режим работы и в АС не будет хлопков, связанных с переходными процессами.
После того как вы удились в том, что микросхема исправна, можно будет подобрать подходящий по размерам корпус, например от старого видеомагнитофона или проигрывателя видеокассет и разместить внутрь трансформатор, плату УНЧ с радиатором и другие узлы, например, умный вентилятор охлаждения радиатора, платы защиты микросхемы, регуляторы громкости, переключатель входных каналов, фонокорректор, микрофонный усилитель и так далее.
В результате, практически из мусора, может получиться не плохой УНЧ класса Hi-Fi с номинальной (пиковой) мощностью порядка 40-150/70-200 Вт, аналоги которого могут стоить порядка 1-2 К.
Вложения
-
IMG_20200228_094841.jpg530.6 KB · Просмотры: 833 -
IMG_20200228_094917.jpg561 KB · Просмотры: 868 -
IMG_20200224_211255.jpg496.7 KB · Просмотры: 670 -
IMG_20200224_211324.jpg463 KB · Просмотры: 721 -
RX-90 cjyb 2.jpg130.9 KB · Просмотры: 705 -
RX-90 cjyb 1.jpg132.6 KB · Просмотры: 768 -
STK.jpg83.8 KB · Просмотры: 830 -
STK даташит 2.jpg73.3 KB · Просмотры: 848 -
STK4211 с разным ООС 47-0.47 18-0.47.jpg223.4 KB · Просмотры: 669 -
STK4211 на холостом ходу +-42 В.jpg248.7 KB · Просмотры: 735


