М.Васильев
1 ранг
- Регистрация
- 25 Янв 2022
- Сообщения
- 2,278
- Реакции
- 703
- Баллы
- 58
- Возраст
- 68
- Страна
- Россия
- Город
- Пестово
- Имя
- Максим
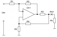
Доли ома. При таком гиганском общем петлевом усилении.Уже спрашивал, никто не ответил, какое выходное у этой схемы.
Смотрите видео ниже, чтобы узнать, как установить наш сайт в качестве веб-приложения на домашнем экране.
Примечание: Эта возможность может быть недоступна в некоторых браузерах.
Доли ома. При таком гиганском общем петлевом усилении.Уже спрашивал, никто не ответил, какое выходное у этой схемы.
Тогда смысл в повышении выходного с последующим его разоблачением. Выдать новый звонкий термин , токовая помпа? И кого она накачивает? И чем она мудрее тупого резюка в цепи динамика?Доли ома. При таком гиганском общем петлевом усилении.
Не измерял, но низкое.Уже спрашивал, никто не ответил, какое выходное у этой схемы.
Ойдалана. Не стращайте, а то спужаюсь .Динамика.Чтобы убить динамику на низких частотах.
При таких условиях нахрен нужен композит?Ойдалана. Не стращайте, а то спужаюсь .Динамика.
Колонка, заточенная под лампач с реальным выходным 1-2 Ома просит резистора на выход усилителя .Иначе звук уедет непременно.
Мне так точно нахрен. Я разобраться хочу в работе схемы.При таких условиях нахрен нужен композит?
Наголошують, що "итун типовой".Хлпці. ви що. ітуна ніколи не бачили?![]()


Бесполезно доказывать людям, которые хотят только чесатьНаголошують, що "итун типовой".
Так-то воно так, але пан Хоуленд трохи доповнив "итун типовой" стрУмовим насосом.
Так штаааа...
Через R 11 проходит ток динамика - это резистор в ООС ,слева заземлён на ноль источника питанияНикакой это не итун. А обычный композит с извращениями.
Вроде защита от перегрузки гашением ПОС при КЗ
Еще раз для непонятливых. Это композит. Этот резистор сидит внутри петли общей оос. Что в мауро,что в схеме из первого поста.Через R 11 проходит ток динамика - это резистор в ООС ,слева заземлён на ноль источника питания
Очень интересно. Я прикинул схему в LTSpice, и она, в общем-то, так же стабильна без делителя R39-R43, как и с ним.Что скажете?