Виниловый проигрыватель. Как родился новый проект.

IMG_20241206_090640_edit_519676124064569.jpg
В рабочие будни мы часто с коллегами обсуждаем разные темы технической наклонности. Вспомнили про винил. Оказалось у Гены пылиться старушка. "Тебе надо?" - спросил он. Привози, говорю ему. Привез.
Книжка, схема, штамп ОТК, запах тех лет. Пару дохлых тараканов... Даренному коню в зубы не смотрят.
А Андрей Борисович говорит.
- Брось ты эту дешмань! Купи себе такой, - и присылает ссылку...
IMG_20241206_100702_edit_519695987413468.jpg
После долгой беседы про точенный и балансированный диск на заводе знакомым токарем. Про вставку рубинов в тонарм. Про то что надо выкинуть все внутренности из этой "старушки", соглашается, что тонарм можно оставить ))
В обед я прошел по статейкам в инете, почитал комментарии...
А почему бы не сделать проект... И понеслось...
Внимание упало на вал. Втулки сухие, а износ в сторону двигателя не оставил им шансов. Заказал развертки, втулки. Снял опорную пластину
IMG_20241206_120814.jpg
Остатки масла, разбитое место посадки.
IMG_20241206_133739_edit_519736945691473.jpgIMG_20241206_165436.jpgIMG_20241217_113143.jpg
Мотор надо осмотреть. Пассик менять. Головка смотрит налево... Полный набор болячек повидавшего виды аппарата. Потому пора принять водные процедуры. Крышка немного посветлела. Отмыл шасси, привод, Обслужил двигатель.
IMG_20241211_111850.jpgIMG_20241211_145721.jpgIMG_20250123_121727.jpg
Опору вала решено модернизировать. А пока снимаю копию. Из Al пластины старого радиатора. На опору клею пробку, а сверху пластину из твердосплава (кусок дорогого лезвия от концелярского ножа). Отбалансировал субдиск.
IMG_20241212_105954.jpg
Конденсаторы в блоке питания никто не трогал, зато навесным монтажом напаяли стабилизаторы на входах платы управления... Снимаю колхоз.
IMG_20250130_084446.jpg
Меняю армянские на китайские, включаю.
Не включается... Выключатель родной отсутствует. Вместо него
IMG_20250123_170339.jpg
Родной есть на озоне, но пластик говорят не тот.
Поэтому привожу в порядок П2К. Включаю.
Слушаю стетоскопом шум. Только двигатель слышно, металлическое шасси же... Задумался.
"Блин плывет минимально", - подсказывает А. Б.
А я недоволен. Проверяю отклонение в плоскости обычным маркером закрепленным на штативе.
IMG_20250130_084258.jpg
В качестве временного шунта малярный скотч. Ставлю блин... Красота...
Обороты немного качает. Меняю лампочку на светодиод.
IMG_20250130_084336_edit_1592229983132765.jpgIMG_20250130_084414.jpg
Если напаять на каждую ножку по 1.5к то корпус держателя можно не трогать. Подточил немного сам светодиод. Встал на место как родной.
Обороты продолжают плавать.
Меняю конденсаторы, проверяю. Метки стоят. На 33 скорости жестко, на 45 немного плывут. Не хватает точности подстройки. Заказываю многооборотный резистор на 2.2к
Основная проблема это металлическое шасси. Опорный подшипник и двигатель закреплены на листе стали. Возникла мысль перенести тонарм на более подходящее место. Один из подписчиков на ютубе показал свою работу и я загорелся... вот какой стол подойдет. Нет резонанса, композит...
Screenshot_20250126_124706_edit_1429894578182608.jpg
Нашел даже походящий слипмат 🤗
На одной из старших моделей нашел крепление для двигателя с амортизаторами. Но не найти. В наличии нет. Идем к товарищу с 3D принтером.
IMG_20250124_152036_edit_1371697783985329.jpg
Звукосниматель на время эксперимента взял простенький
IMG_20250130_094642.jpgIMG_20250130_095206_edit_1573752417423251.jpg
Китайский AT3600L. На игле видны радиальные следы заточки.
Появилось время разобрать тонарм.
IMG_20250131_115856.jpgIMG_20250131_112024.jpg
Раковины на поверхности опорного подшипника тонарма убираются микрошлифовалкой.
Все шарики сухие в рассыпную, ближний горизонтальный не работал вовсе, заклинен.
IMG_20250131_154709.jpg
Вес головки компенсирую винтами с нержавейки.




-- продолжение следует
 
Последнее редактирование:
Благодарю. Если фото есть, глянуть.

Про движки от вытяжек... В чипдипе под заказ papst от 3600 за штуку. Думал, возможно санкции обошли, на самом деле это же лежит на али в три раза дешевле. Спрашивал у нашего АХОшника. Говорит, дохнут быстро, подгуживают, нет балансировки. Так что, на ролсройс не тянут. Я уже писал ранее, мотор хороший, в чистом виде - нулевый, необходимый для качества, оправдывающее вложения - ценой от 15000 руб. Я не готов на такие пожертвования. Лучше купить что нибудь нужнее из инструмента, чем вкидывать в старое г... Но выжать максимум из того что есть могу. Пусть хоть последователи сменят вектор.



Коллекторники не прохо ведут себя на ультразвуке, вот только гадят много по цепям. Слабое звено компаратор в датчике. Усиливает иголки и меандр становится колючим... Заказал датчик на логике. Проверим...
Китайский PAPST ну ни разу не немецкий!+ там ещё обмотка за частую люминий. Я вам уже даже модели показал, какой PAPST подходит. Их видов завод выпускает и выпускал множество,но подходят под нашу задачу,только от 6 -20 Ватт,синхронный и чтобы ротор был наружным, и размером с кулак и обороты у двигателя должны быть 1000 об.,но не 3000!
А про тот двигатель,что вы упоминаете у меня в холодильнике в Либхере стоит в системе "Ноу фрост"работает абсолютно бесшумно уже 22года и умирать не собирается,т.к сделан ещё в Германии. Для наших задач он очень слабый и система у него другая ,ротор внутри обмотки.
К стати ,эти двигатели предназначены для работы в режиме 24/7 ,т.е. круглосуточно.

Взято от сюда: https://ldsound.info/mayak-001-stereo/
Так дорогой движок или нет?Если человек махфон ради него покупал.
 
Китайский PAPST ну ни разу не немецкий!+ там ещё обмотка за частую люминий. Я вам уже даже модели показал, какой PAPST подходит. Их видов завод выпускает и выпускал множество,но подходят под нашу задачу,только от 6 -20 Ватт,синхронный и чтобы ротор был наружным, и размером с кулак и обороты у двигателя должны быть 1000 об.,но не 3000!
А про тот двигатель,что вы упоминаете у меня в холодильнике в Либхере стоит в системе "Ноу фрост"работает абсолютно бесшумно уже 22года и умирать не собирается,т.к сделан ещё в Германии. Для наших задач он очень слабый и система у него другая ,ротор внутри обмотки.
К стати ,эти двигатели предназначены для работы в режиме 24/7 ,т.е. круглосуточно.
3000 при 12 вольт в моем варианте это максимум которого никогда не будет подано на двигатель. Тк регулировка Duty + нагрузка.
 
Благодарю. Если фото есть, глянуть.

Про движки от вытяжек... В чипдипе под заказ papst от 3600 за штуку. Думал, возможно санкции обошли, на самом деле это же лежит на али в три раза дешевле. Спрашивал у нашего АХОшника. Говорит, дохнут быстро, подгуживают, нет балансировки. Так что, на ролсройс не тянут. Я уже писал ранее, мотор хороший, в чистом виде - нулевый, необходимый для качества, оправдывающее вложения - ценой от 15000 руб. Я не готов на такие пожертвования. Лучше купить что нибудь нужнее из инструмента, чем вкидывать в старое г... Но выжать максимум из того что есть могу. Пусть хоть последователи сменят вектор.

Есть еще последний вариант попробовать в моем варианте мотор от привода лифта видика. Оказывается его характеристики лучше чем от мотора шпинделя cd. Хоть и не ролсройс, но чем не повод просто прокатится.
Пассик напечатаю и попробую.

Коллекторники не прохо ведут себя на ультразвуке, вот только гадят много по цепям. Слабое звено компаратор в датчике. Усиливает иголки и меандр становится колючим... Заказал датчик на логике. Проверим...
А пока вариант более злой регулировки, но теперь я слышу резину пассика )
Посмотреть вложение 177066
Диву даюсь, какая нынче волшебная техника, видны на экране все огрехи приводов, фантастика.

Взято от сюда: https://ldsound.info/mayak-001-stereo/
Так дорогой движок или нет?Если человек махфон ради него покупал.
Знаю одного конструктора, он скупает Маяки ради мотора, одного. этого самого. Там идеальная дележка оборотов в 2 раза коммутацией обмоток статора.

Благодарю. Если фото есть, глянуть.

Про движки от вытяжек... В чипдипе под заказ papst от 3600 за штуку. Думал, возможно санкции обошли, на самом деле это же лежит на али в три раза дешевле. Спрашивал у нашего АХОшника. Говорит, дохнут быстро, подгуживают, нет балансировки. Так что, на ролсройс не тянут. Я уже писал ранее, мотор хороший, в чистом виде - нулевый, необходимый для качества, оправдывающее вложения - ценой от 15000 руб. Я не готов на такие пожертвования. Лучше купить что нибудь нужнее из инструмента, чем вкидывать в старое г... Но выжать максимум из того что есть могу. Пусть хоть последователи сменят вектор.

Есть еще последний вариант попробовать в моем варианте мотор от привода лифта видика. Оказывается его характеристики лучше чем от мотора шпинделя cd. Хоть и не ролсройс, но чем не повод просто прокатится.
Пассик напечатаю и попробую.

Коллекторники не прохо ведут себя на ультразвуке, вот только гадят много по цепям. Слабое звено компаратор в датчике. Усиливает иголки и меандр становится колючим... Заказал датчик на логике. Проверим...
А пока вариант более злой регулировки, но теперь я слышу резину пассика )
Посмотреть вложение 177066
Полезу в чемодан за движками, сфоткаю.
 
Диву даюсь, какая нынче волшебная техника, видны на экране все огрехи приводов, фантастика.
Screenshot_20260321_162046_edit_3098326215779119.jpg
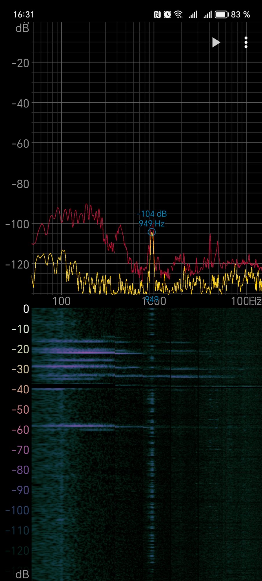
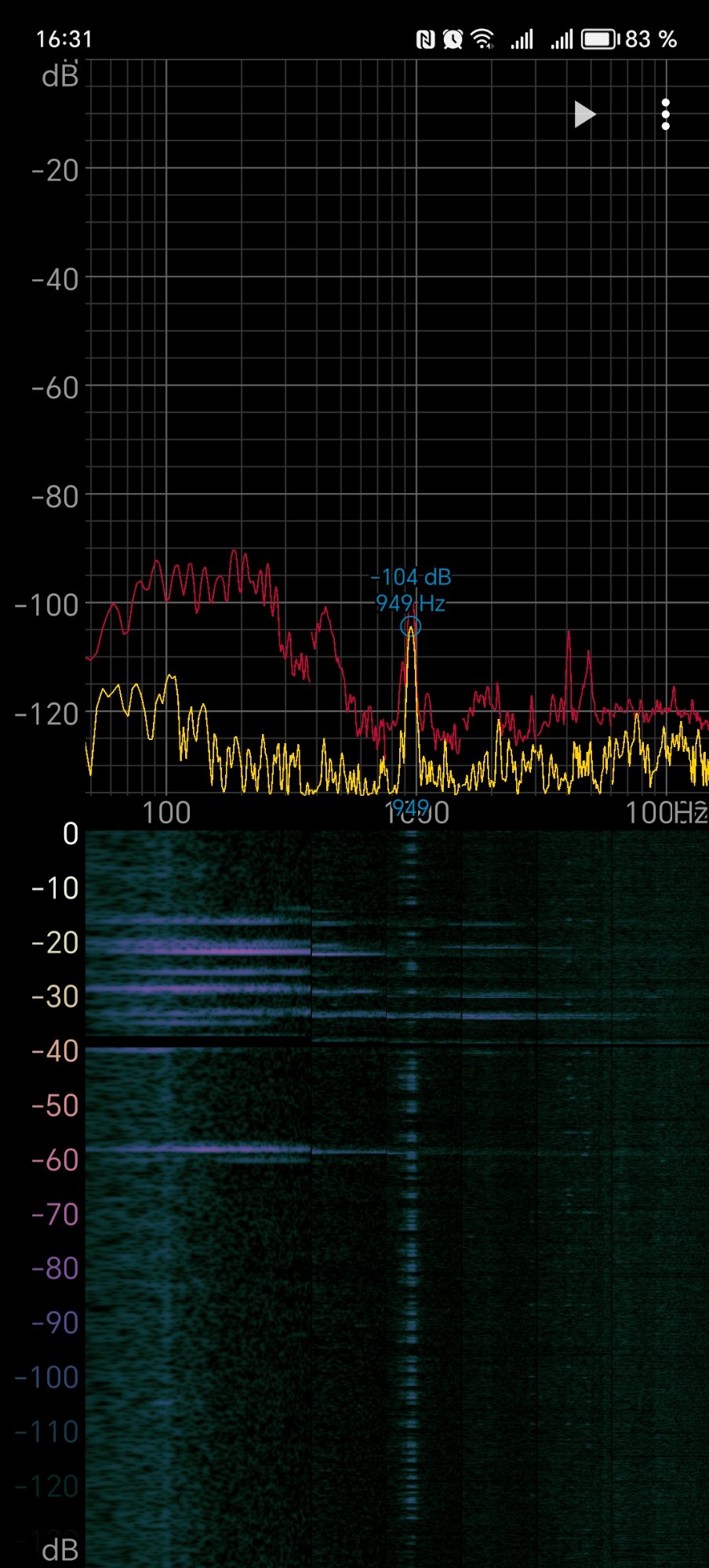
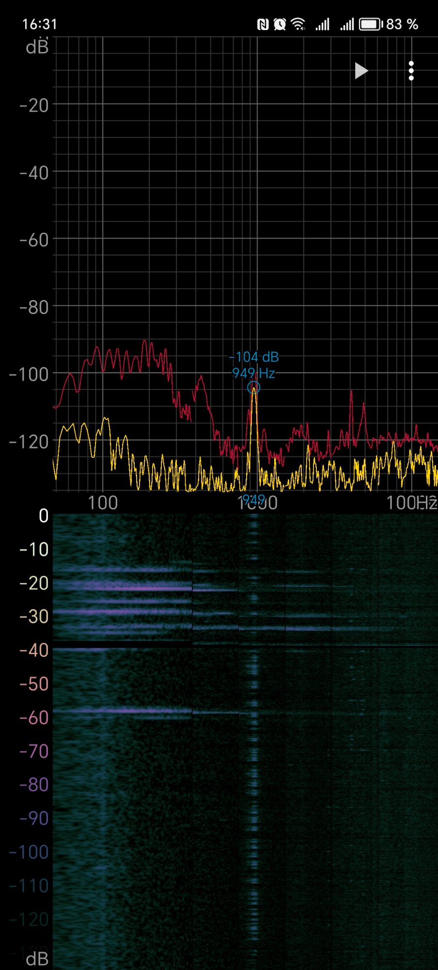
спектр с шасси прямой контакт микрофон смартфона.
Screenshot_20260321_161653.jpg
Шум с того же микрофона, шасси в центре графика красный всплеск
- выключатель типа клавиша с бп пк. Первая часть шум - работа, вторая off.
Screenshot_20260321_163114.jpg
Снизу дети соседские, кило это шум сар. Самый жесткий режим на родном 110 диске. В начала поста шум тойже сар на 3кг диске.
Наличие гармоник шим на первом фото вч, говорит что двигатель слишком оборотистый. Интересно сколько веса точно нужно... Легкий диск тянет, но опять же... киллогерц...
Screenshot_20260321_164137.jpg
Грязь... Не дает мне возможности перейти на точность...
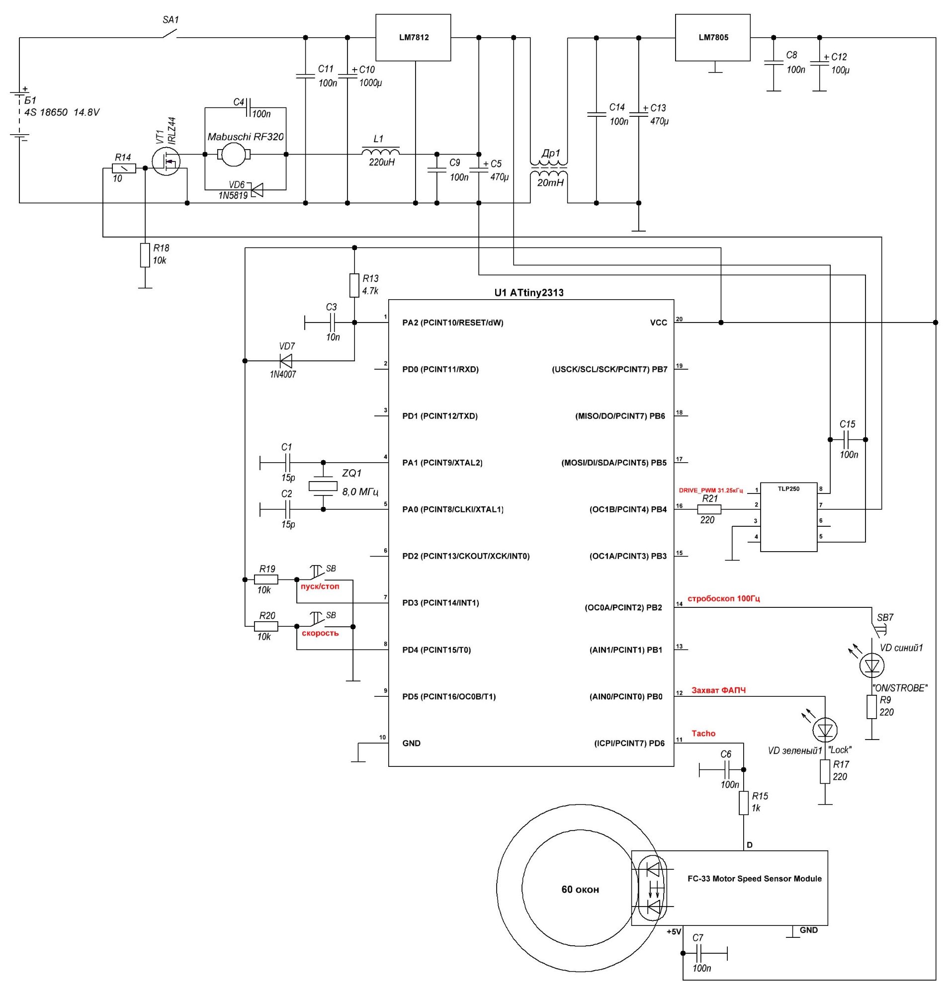
Схема на данный момент выглядит так
AVR.JPG
 

Вложения

  • Screenshot_20260321_163114.jpg
    Screenshot_20260321_163114.jpg
    242.4 KB · Просмотры: 59
Последнее редактирование:
3000 при 12 вольт в моем варианте это максимум которого никогда не будет подано на двигатель. Тк регулировка Duty + нагрузка.
Вот в этом ваша и основная ошибка .Диск должен вращаться с огромным моментом,и чем он больше ,тем фундаментальнее звук. маленький высокооборотистый недопитанный движок- это как раз то,что делать нельзя.Неужели вы глядя на Микросейку (постом выше) за 5000000р и весом 300кг вы этого не увидели. Вообще почитайте про стол EMT 927.И гляньте сколько это "старьё" стоит сейчас и почему. До вас уже все грабли обломали и велосипед давно построили,не нужно новое изобретать.Вернее нужно,но до этого нужно весь путь развития LP в кратце изучить. Я вот вам пример приведу молодых амбициозных (фирма Кузьма) .Они сделали тангенциальный тонарм на воздушной подушке.На первый взляд ВАУ! ,но вау в нём только цена. Как вы думаете ,какие 2 "заповеди" старой инженерной школы LP они нарушили изобретая свой велосипед ? И почему от него многие отказались? К стати вопрос для всего зала.
 
Вот в этом ваша и основная ошибка .Диск должен вращаться с огромным моментом,и чем он больше ,тем фундаментальнее звук. маленький высокооборотистый недопитанный движок- это как раз то,что делать нельзя.Неужели вы глядя на Микросейку (постом выше) за 5000000р и весом 300кг вы этого не увидели. Вообще почитайте про стол EMT 927.И гляньте сколько это "старьё" стоит сейчас и почему. До вас уже все грабли обломали и велосипед давно построили,не нужно новое изобретать.Вернее нужно,но до этого нужно весь путь развития LP в кратце изучить. Я вот вам пример приведу молодых амбициозных (фирма Кузьма) .Они сделали тангенциальный тонарм на воздушной подушке.На первый взляд ВАУ! ,но вау в нём только цена. Как вы думаете ,какие 2 "заповеди" старой инженерной школы LP они нарушили изобретая свой велосипед ? И почему от него многие отказались? К стати вопрос для всего зала.
InShot_20260321_165424295.gif
Вы уж извините, но износ центратьной втулки на моем экземляре приходится компенсировать графитовый смазкой. Тяжелый диск
вызывает качание. С легким же чуть полегче. Втулки я поменяю, уже развернул браш под 7.1мм
 
Последнее редактирование:
Я вот только в личку ответил одному форумчанину,на вопрос про 5 Ватт ный проигрыватель,что япы идиоты? и стробоскоп:

"Они не идиоты,они просто в 70гг не допонимали,что крутящий момент так сильно влияет.Качества инженерной школы по сравнению с немецкой у них небыло.Скорость по стробоскопу ведь держит !Значит всё в порядке. А оно всё не в порядке,а когда поняли - в другую крайность впали и начали столы по 300кг клепать. Тогда в 70-хх они всё копировали и импровезировали."
 
Я вот только в личку ответил одному форумчанину,на вопрос про 5 Ватт ный проигрыватель,что япы идиоты? и стробоскоп:

"Они не идиоты,они просто в 70гг не допонимали,что крутящий момент так сильно влияет.Качества инженерной школы по сравнению с немецкой у них небыло.Скорость по стробоскопу ведь держит !Значит всё в порядке. А оно всё не в порядке,а когда поняли - в другую крайность впали и начали столы по 300кг клепать. Тогда в 70-хх они всё копировали и импровезировали."
Видел ямаху опцией шел 18кг диск... такие веса уводят в сторону гидравлических цилиндров )
 
Блин,Павел,у вас такое оснащение,руки растут от куда нужно,задор и желание но идёте не туда! Книги Черкунова , Дигрела .про изготовление LP проигрывателя прочтите же наконец!

Я тоже долго не допонимал сам смысл LP мех. записи и воспроизведения.Я думал,что все вокруг тупые и недопонимают, что чтобы полностью уйти от рокота и других вибраций ,нужно всего лиж крепление тонарма через фетр и резину закрепить на столе и всё!(привет тонарму на воздушном подвесе Кузьме") У них получилось ещё "лучше".
Я 20лет назад купил Эстонию 010, как тогда я считал одним из лучших проигрывателей,да ещё и DD!!!-какая радость .И решил довести до состояния идеала.Потратил 3 месяца! Полностью его разобрал,и залил корпус дробью со стекловолокном ,причём так, что на каждую ногу приходился одинаковый вес. Всю перебрал,настроил, встроил красиво джойстик управления тонармом и ИК управление пультом. И когда уже всё было готово,я поставил головку и начал настройку тонарма и настройку датчика авто поиска.И тут!!! Меня постигло разочарование,я понял, что тонарм сделан неправильно, его не сбалансировать,а правильно его при той конструкции (с бортами в корпусе) не переделать! DD слабый, а автопоиск не может точно устанавливать иглу на немую дорожку в виду геометрических ошибок. Те. Если я настрою на начало пластинки ,то первые песни он правильно определяет где пауза,но последние- опускается на конец предыдущей ,либо наоборот.А ведь никто не подсказал,что из мёртворожденного стола толку нема. Веге 108 большой привет! Только G600 с потенциалом,но там работы очень много и тонарм на выброс.
 
Похоже. путь к совершенству у всех один, все силы и знания кинуть на устранение недостатков, по пути черпая новые знания. И когда все сделано, интерес пропадает, зато подворачивается нормальная вертушка , в которой все проблемы уже решены.
 
закрываю тему, достаю свой набор унч с ушами и слушаю через цап содранный с оригинала образ... скукота...
 
Павел
Не ждем продолжение,и хотим увидеть лучший стол.
 
Павел, вы хотя бы один диск послушали с вашим регулятором? Неужели все так плохо и скорость гуляет так, что слушать невозможно? По предыдущим постам, если я правильно понял, можно сделать быстрый выход на режим грубой регулировкой САР, а поддержание оборотов уже точной.
 
Павел, вы хотя бы один диск послушали с вашим регулятором? Неужели все так плохо и скорость гуляет так, что слушать невозможно? По предыдущим постам, если я правильно понял, можно сделать быстрый выход на режим грубой регулировкой САР, а поддержание оборотов уже точной.
Это называется обморок потерять от избыточной информации , выданной стрелкой осциллографа. И жизнь почернела.
 
Последнее редактирование:
Есть другие проблемы. Ну. подарили сундук непиленного винила с классикой. А я эту музыку как раз в упор не понимаю , кроме нескольких уважаемых композиторов . И куда с этим?Выкинуть -жалко. Передарить-некому. Слушать - непонятно зачем.
Ну я тоже не особо её любил.
Но года 3 назад,к ДР,съездил и купил дисков 30 (СД) По телефону меня консультировала жена,что брать,так как у самого поверхностные познания и иа слуху только классическая попса,Моцарт,Шуберт, и т.д. Ну и своих было и подаренных немного.
И вот недавно взяли и послушали запоем дисков 20+ за 3-4 дня.
И есть шикарные вещи там.
А на той неделе сходили на отчётный концерт музыкальной школы нашей,на первое отделение получилось,тоже классика.
И тоже очень неплохо.
 
Павел, вы хотя бы один диск послушали с вашим регулятором? Неужели все так плохо и скорость гуляет так, что слушать невозможно? По предыдущим постам, если я правильно понял, можно сделать быстрый выход на режим грубой регулировкой САР, а поддержание оборотов уже точной.
Помню звуки разных проигрывателей с самого детства... У бабушки слушал Утесова, пока пружина завода не лопнула от старости. Потом всякие тумбочки большие такие... В школе, у друзей. А теперь после стольких лет. Да даже интереса не возникнет пласт слушать, если поделка не дает паспортные данные веги 110.
Это называется обморок потерять от избыточной информации , выданной стрелкой осциллографа. И жизнь почернела.
Анализ данных интереснейшее занятие...
 
Трио Жака Лусье, Дмитрий Илугдин трио, трио Кетила Бьорнстада, Норвегия, Трио Исао Сузуки, трио Тсуоси Ямамото.... До пенсии хватит расслушать.
Так это не классика вообще.Даже рядом.
Илгудин вообще сплошные импровизации.
В теме про джаз были ссылки,скачал,послушал,стёр.
Не имеет смысла музыкального.
 
Схема на данный момент выглядит так
1774119752748.png

Для начала - диод несколько не в том направлении подключён.
Я бы увеличил частоту PWM, а L1 c конденсатором на землю (фильтр второго порядка) поставил между транзистором и мотором.
Ну и DC/DC вместо 7812, чтобы воздух не греть, да и C5 и С10 при этом можно было бы поменьше поставить, но допускаю, что при 15В на входе можно и с 7812 можно обойтись без радиатора.
 
Последнее редактирование:
Посмотреть вложение 177135
спектр с шасси прямой контакт микрофон смартфона.
Посмотреть вложение 177136
Шум с того же микрофона, шасси в центре графика красный всплеск
- выключатель типа клавиша с бп пк. Первая часть шум - работа, вторая off.
Посмотреть вложение 177143
Снизу дети соседские, кило это шум сар. Самый жесткий режим на родном 110 диске. В начала поста шум тойже сар на 3кг диске.
Наличие гармоник шим на первом фото вч, говорит что двигатель слишком оборотистый. Интересно сколько веса точно нужно... Легкий диск тянет, но опять же... киллогерц...
Посмотреть вложение 177150
Грязь... Не дает мне возможности перейти на точность...
Схема на данный момент выглядит так
Посмотреть вложение 177164
Может, в таходатчике для более четких импульсов ввести легкий гистерезис?
Конечно, судя по схеме, лучше бы китайцы поменяли местами входы компаратора, но гистерезис получится и при соединении выхода компаратора с коллектором фототранзистора резистором большого номинала, который все-таки придется подобрать.
 
Может, в таходатчике для более четких импульсов ввести легкий гистерезис?
Конечно, судя по схеме, лучше бы китайцы поменяли местами входы компаратора, но гистерезис получится и при соединении выхода компаратора с коллектором фототранзистора резистором большого номинала, который все-таки придется подобрать.
ПОС установлена по факту 10к, работает до 47к.

Посмотреть вложение 177281
Для начала - диод несколько не в том направлении подключён.
Я бы увеличил частоту PWM, а L1 c конденсатором на землю (фильтр второго порядка) поставил между транзистором и мотором.
Ну и DC/DC вместо 7812, чтобы воздух не греть, да и C5 и С10 при этом можно было бы поменьше поставить, но допускаю, что при 15В на входе можно и с 7812 можно обойтись без радиатора.
Диод опечатка. 7812 почти не греется.
 

Вложения

  • IMG_20260322_134405.jpg
    IMG_20260322_134405.jpg
    846.3 KB · Просмотры: 59
  • IMG_20260322_134400.jpg
    IMG_20260322_134400.jpg
    556.5 KB · Просмотры: 53
  • IMG_20260322_134430.jpg
    IMG_20260322_134430.jpg
    658.3 KB · Просмотры: 42
  • IMG_20260322_134412.jpg
    IMG_20260322_134412.jpg
    331.4 KB · Просмотры: 52
Плоские спокойно работают в Б1-01, круглые видимо сгодятся в Унитру
Большые с шагом 200шагов на оборот не совсем то что надо... шаговые.
Мне подойдет колекторник со шкивом под клин. И пара друзей с муфтами если можно.
  • Происхождение: Сделано в Швейцарии (Swiss made), что указывает на премиальный сегмент и использование в точном приборостроении, медицине или авиации.
  • Тип: Коллекторные двигатели постоянного тока (DC) с полой чашкой (coreless). Такая конструкция обеспечивает отсутствие коггинга (магнитных «ступенек» при вращении) и очень быстрый отклик.
  • Маркировка:
    • escap 26...: Двигатели диаметром около 26 мм.
    • escap 28LT...: Двигатели диаметром 28 мм. Например, модель 28LT12 часто имеет номинальное напряжение 12-18 В и высокую выходную мощность до 19 Вт.
  • Конструкция вала: На валах установлены специфические механизмы — вероятно, подпружиненные фиксаторы или элементы привода для передачи крутявого момента в узлах точной механики.
    MPS | Monolithic Power Systems
    MPS | Monolithic Power Systems +5
 
Последнее редактирование:
Большые с шагом 200шагов на оборот не совсем то что надо... шаговые.
Мне подойдет колекторник со шкивом под клин. И пара друзей с муфтами если можно.
  • Происхождение: Сделано в Швейцарии (Swiss made), что указывает на премиальный сегмент и использование в точном приборостроении, медицине или авиации.
  • Тип: Коллекторные двигатели постоянного тока (DC) с полой чашкой (coreless). Такая конструкция обеспечивает отсутствие коггинга (магнитных «ступенек» при вращении) и очень быстрый отклик.
  • Маркировка:
    • escap 26...: Двигатели диаметром около 26 мм.
    • escap 28LT...: Двигатели диаметром 28 мм. Например, модель 28LT12 часто имеет номинальное напряжение 12-18 В и высокую выходную мощность до 19 Вт.
  • Конструкция вала: На валах установлены специфические механизмы — вероятно, подпружиненные фиксаторы или элементы привода для передачи крутявого момента в узлах точной механики.
    Посмотреть вложение 177484MPS | Monolithic Power Systems +5
То есть, сижу на мешке с алмазами? _hm_
Мне будет в радость передать сокровища умелому и понимающему, ваш уровень мастерства заслуживает уважения.

Большые с шагом 200шагов на оборот не совсем то что надо... шаговые.
Мне подойдет колекторник со шкивом под клин. И пара друзей с муфтами если можно.
  • Происхождение: Сделано в Швейцарии (Swiss made), что указывает на премиальный сегмент и использование в точном приборостроении, медицине или авиации.
  • Тип: Коллекторные двигатели постоянного тока (DC) с полой чашкой (coreless). Такая конструкция обеспечивает отсутствие коггинга (магнитных «ступенек» при вращении) и очень быстрый отклик.
  • Маркировка:
    • escap 26...: Двигатели диаметром около 26 мм.
    • escap 28LT...: Двигатели диаметром 28 мм. Например, модель 28LT12 часто имеет номинальное напряжение 12-18 В и высокую выходную мощность до 19 Вт.
  • Конструкция вала: На валах установлены специфические механизмы — вероятно, подпружиненные фиксаторы или элементы привода для передачи крутявого момента в узлах точной механики.
    Посмотреть вложение 177484MPS | Monolithic Power Systems +5
Моторы работали в накопителе на компакт-кассете для вычислительного устройства, сделано в Польше, механика точная, уникальная. Моторы-все, что осталось. И кучка миниатюрных винтиков.
 
Последнее редактирование:

Статистика форума

Темы
3,347
Сообщения
269,646
Пользователи
2,576
Новый пользователь
grushar
Назад
Сверху Снизу