Выбор транзисторов для усилителя

  • Автор темы Автор темы slami
  • Дата начала Дата начала
Измерилка врет. Нет у 908 такого позора.Там 60 типовое значение.
Сочините нормальную приблуду к блоку питания, транзистор к радиатору и урежьте ток . Правда вылезет.
Если хватит сил преодолеть лень и оторвать мадам Сижу от дивана, гляну цифры на корпусах у 908 ОС, что ещё шеф рисовал , замеряя на Л2-41 по ТУ. И там ну точно не 5 и не 17.
 
Этой измерилкой нельзя мерить мощные транзисторы, результат - до наоборот.
И Л2-54 отличается от китайца немного ток 5мА вместо 1.
Л2-54 кажет бетту процентов на 10 больше.
Л2-54 измеритель МАЛОМОЩНЫХ транзисторов и стабилитронов.
Л2-41 измеряет на импульсе, чтобы не жарить транзистор дурным током и не связываться с радиаторами. Можно вдувать хоть 10Ампер. Транзистор чуть теплый. Шикарная вещь .
 
Транзистор-тестер китайский прибор хороший, но преднозначен для измерения усиления МАЛОМОЩНЫХ биполярных транзисторов, так как рабочий ток измерения 1-5 мА в соизмерим с нормальными токами утечки переходов мощных транзисторов. Когда большой ток коллектор-база, управляющий ток базы (через резистор 680к) почти не открывает транзистор и он показывает малое усиление. Когда же большой ток утечки коллектор-эмиттер, а ток утечки база-коллектор маленький, прибор показывает офигенное усиление (200-500) у транзистора с небольшим усилением, так как управляющий ток базы остался тот же, а через коллектор-эмиттер течет приличный ток утечки и прибор просто математически считает отношение тока коллектора к току базы - в итоге большое усиление.
 
1Т806А он только один (паяный) опознал как транзистор, остальной десяток не паянных - "неизвестный девайс"
 
Транзистор-тестер китайский прибор хороший, но преднозначен для измерения усиления МАЛОМОЩНЫХ биполярных транзисторов, так как рабочий ток измерения 1-5 мА в соизмерим с нормальными токами утечки переходов мощных транзисторов. Когда большой ток коллектор-база, управляющий ток базы (через резистор 680к) почти не открывает транзистор и он показывает малое усиление. Когда же большой ток утечки коллектор-эмиттер, а ток утечки база-коллектор маленький, прибор показывает офигенное усиление (200-500) у транзистора с небольшим усилением, так как управляющий ток базы остался тот же, а через коллектор-эмиттер течет приличный ток утечки и прибор просто математически считает отношение тока коллектора к току базы - в итоге большое усиление.
На заводе чинил и поверял микроомметр , имя не помню, но принцип интересный.
Понижающий трансформатор кидает на клеммы измерителя импульсы тока от сети, 50 или 100 Гц, там десятки и сотни А, в зависимости от предела измерения. На клеммах снимается падение напряжения и измеряется синхронным вольтметром, работающим тоже на 50 или на 100 гц. И сама схема- три с половиной детали. Гений сочинял.
 
Украинский Ф4104-М1? Есть такой, 12 диапазонов, три калибровки перед каждым измерением.


Ясно. Наш Вилич так не запустил свой двухблочный импульсный.
Не. Ваш слишком сурьёзный. Наш коробчонка 6 на 9. И схема три детали. И измерение на ИМПУЛЬСНОМ токе 100 герц. Меряли им контактные пары в разъёмах , микроомы.
 
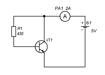
Самым простым и быстрым способом измерения усиления мощных транзисторов можно использовать вот эту схему:
Измерение усиления.GIF

Обосную почему. Ток выбран 1-2А, по нескольким причинам:
1) большинство усилителей работает при токе 1-2А (4 - 16 Вт при 4 Омах нагрузки, 2 - 8 Вт при 8 Омах), пиковые мощности я не беру, так как усилители на 50-100 Вт все равно большую часть времени работают при этих мощностях, также большинство стабилизаторов работает тоже при этих токах,
2) ток в 1-2А выдерживают большинство транзисторов мощных транзисторов (3-4А транзисторы тоже вроде как могут быть мощными).
3) удобно использовать цифровые мультиметры у которых есть пределы 2А или 10А которых достаточно в этой схеме.
4) источник питания 5В на ток 2-3А достаточно легко найти, не требуется лабораторные БП, можно использовать зарядку сотового телефона имеющую ток не менее 2А
5) при этих токах можно не учитывать паразитные токи утечки мощных транзисторов
6) не надо больших радиаторов, достаточно крокодилом или прищепкой прижать к небольшой пластине или даже без радиатора если включать на короткое время, просто заметив какой ток показывает прибор и выключить. Можно в разрыв цепи питания поставить кнопку.
Теперь, почему выбран резистор на 430 Ом (мощность может быть любая при 5В). Большая часть современных транзисторов имеет усиление примерно 100 (чаще 80-130) при токе 1А.
1А / 100 = 10 мА - ток базы
5В - 0,8В = 4,2В - среднее падение напряжение на резисторе
4,2В / 10мА = 420 Ом, берем ближайшее стандартное 430 Ом (можно из нескольких отобрать на 420 Ом), но это не критично, так как мы оцениваем усиление, а не точно замеряем.
В данной схеме при испытании большинства транзисторов амперметр будет показывать ток примерно 1А (0,8 - 1,3А), на старых транзисторах чаще около 0,5А, причем коэффициент усиления примерно равен 100 на ампер.
Желательно после источника питания поставить предохранитель на 2-2,5А защищающего его при пробитом транзисторе или при случайном КЗ щупов, проводов.
В данной схеме можно оценивать транзисторы с усилением до 200, но иногда бывают исключения, как например, недавно транзистор КТ819ГМ имел усиление 350 при токе 1А имея нормальные утечки, просто усиление такое хорошее. Также для проверки составных транзисторов резистор нужно заменить на 22 кОм, но усиление не будет кратно току
 
Последнее редактирование:
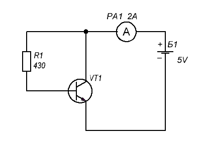
Самым простым и быстрым способом измерения усиления мощных транзисторов можно использовать вот эту схему:
Посмотреть вложение 25378
Обосную почему. Ток выбран 1-2А, по нескольким причинам:
1) большинство усилителей работает при токе 1-2А (4 - 16 Вт при 4 Омах нагрузки, 2 - 8 Вт при 8 Омах), пиковые мощности я не беру, так как усилители на 50-100 Вт все равно большую часть времени работают при этих мощностях, также большинство стабилизаторов работает тоже при этих токах,
2) ток в 1-2А выдерживают большинство транзисторов мощных транзисторов (3-4А транзисторы тоже вроде как могут быть мощными).
3) удобно использовать цифровые мультиметры у которых есть пределы 2А или 10А которых достаточно в этой схеме.
4) источник питания 5В на ток 2-3А достаточно легко найти, не требуется лабораторные БП, можно использовать зарядку сотового телефона имеющую ток не менее 2А
5) при этих токах можно не учитывать паразитные токи утечки мощных транзисторов
6) не надо больших радиаторов, достаточно крокодилом или прищепкой прижать к небольшой пластине или даже без радиатора если включать на короткое время, просто заметив какой ток показывает прибор и выключить. Можно в разрыв цепи питания поставить кнопку.
Теперь, почему выбран резистор на 430 Ом (мощность может быть любая при 5В). Большая часть современных транзисторов имеет усиление примерно 100 (чаще 80-130) при токе 1А.
1А / 100 = 10 мА - ток базы
5В - 0,8В = 4,2В - среднее падение напряжение на резисторе
4,2В / 10мА = 420 Ом, берем ближайшее стандартное 430 Ом (можно из нескольких отобрать на 420 Ом), но это не критично, так как мы оцениваем усиление, а не точно замеряем.
В данной схеме при испытании большинства транзисторов амперметр будет показывать ток примерно 1А (0,8 - 1,3А), на старых транзисторах чаще около 0,5А, причем коэффициент усиления примерно равен 100 на ампер.
Желательно после источника питания поставить предохранитель на 2-2,5А защищающего его при пробитом транзисторе или при случайном КЗ щупов, проводов.
В данной схеме можно оценивать транзисторы с усилением до 200, но иногда бывают исключения, как например, недавно транзистор КТ819ГМ имел усиление 350 при токе 1А имея нормальные утечки, просто усиление такое хорошее. Также для проверки составных транзисторов резистор нужно заменить на 22 кОм, но усиление не будет кратно току
В 70-е была схема Крылова из Пущино -на-Оке, в Радио. Там на выходе пара мощных, 903 -х кажись и ГТ806 -х транзисторов. И автор дал несложную методу подбора пары для своего усилителя. Мудрость и простоту его решения я понял через годы. Там то же самое. Блок питания или батарейка, резистор, амперметр и испытуемый транзистор. И мы берем в полет только тех , у кого ток попадает в ворота рамок, указанные автором. Тогда схема живет и побеждает.
 
Л2-41 измеряет на импульсе, чтобы не жарить транзистор дурным током и не связываться с радиаторами. Можно вдувать хоть 10Ампер. Транзистор чуть теплый. Шикарная вещь
6) не надо больших радиаторов, достаточно крокодилом или прищепкой прижать к небольшой пластине или даже без радиатора если включать на короткое время, просто заметив какой ток показывает прибор и выключить.
Бокарев прав. Добавлю,что радиатор ни чего не дает. Ток "плывет" мгновенно. Стрелка не успела остановится, а уже поплыла. А корпус холодный-холодный. Как следствие это мгновенные тепловые искажения. Представляете как плавает вета при реальном муз. сигнале? Как дурная. Появились тран-ры с встроенным диодом в кристалл, схемы на них есть.
Автоматический импульсник сделать не так сложно, с набором токов. Прикидывал уже схему + ЛабВьювер но.....лень матушка. Это кто на продажу делает ус-ли такое надо.
 
В итоге что скажут учёные мужи,какую пару брать на выход из наших транзисторов? Унч до 50ватт
 
Есть надежда, что их не подделывали, но в чипедипе цена негуманная
864.jpg

Почему-то 865 там же дешевле вчетверо.
На Авито за якобы подобранную пару - 400 р.
Нормально, но чтобы убедиться, надо купить и проверить.
Если есть возможность купить на толкучке пучок-пятачок, тогда хорошо.
Думаю, для УНЧ до 50 Вт можно в том же чипе купить импорт дешевле.
 
Есть надежда, что их не подделывали, но в чипедипе цена негуманная
Посмотреть вложение 28470
Почему-то 865 там же дешевле вчетверо.
На Авито за якобы подобранную пару - 400 р.
Нормально, но чтобы убедиться, надо купить и проверить.
Если есть возможность купить на толкучке пучок-пятачок, тогда хорошо.
Думаю, для УНЧ до 50 Вт можно в том же чипе купить импорт дешевле.
ну соответственно поставленной задаче в принципе два варианта:
864/865 или 8101/8102

а импорт в том же чипе - нарваться на подделку - как два пальца
 
Есть надежда, что их не подделывали, но в чипедипе цена негуманная
Китайцы подделывают отечественные?
На Авито за якобы подобранную пару - 400 р.
Нормально, но чтобы убедиться, надо купить и проверить.
Если есть возможность купить на толкучке пучок-пятачок, тогда хорошо.
Думаю, для УНЧ до 50 Вт можно в том же чипе купить импорт дешевле.
По измеренным параметрам зависимости тока коллектора от тока базы 864/865 не уступают "Тошибам".
8101/8102 по току крепче, по частотке и линейности похуже.
Есть ещё очень хорошие комплементарные пары - КТ855А и КТ805АМ. Но этих придётся ставить по два в плечо, прямо на радиатор, или на предрадиатор, со скобой-пружиной в прижим.
 
Китайцы подделывают отечественные?
Вроде бы не подделывают, а вот на отбраковку, особенно на рынке попасть легко.
Кстати читал, что большинство китайских подделок идут с лазерной маркировкой.
Оказывается с какого то времени в Китае резко вырос спрос на устройства для сошлифовки маркировки
и на недорогие лазерные аппараты для нанесения оной.
Догадайтесь почему....:)
 
а импорт в том же чипе - нарваться на подделку - как два пальца
На Али = 100%, а вот в Чипе - не соглашусь.
Вы не читали мой отчёт по мощным транзисторам, купленным кроме прочего, в Чипе?
Цена на многие добротные импортные транзисторы в Чипе немного выше 100 руб.
 
... но в чипедипе цена негуманная
есть такое...
Прикупил сегодня для усилей дешёвые мощные транзисторы Корейской фирмы ,
транзисторы средней мощности фирмы Toshiba , мощные неплохие полевики Китай и маломощные BSS92 _ BC639 _ BC640 _ BC559.
За всё заплатил 1015р.
20220830_163423.jpg
Смотрел в ЧИП и ДИП цены более чем в 4-7 раза выше за аналогичное от этих производителей....
 
У меня вот такие измерители и еще приставка к мультиметру,показывать не буду,страшная ,стыдно. До 20ватт можно на сигнале Кус проверять и подобрать пары. Фото старые полудохлой мыльницей.Не обессудьте.
Потроха прибора Л2-23
 

Вложения

  • Л2-23.jpg
    Л2-23.jpg
    377.1 KB · Просмотры: 267
  • ппт.jpg
    ппт.jpg
    92.5 KB · Просмотры: 316
  • Л2-23 1.jpg
    Л2-23 1.jpg
    123.5 KB · Просмотры: 245
  • Л2-23 2.jpg
    Л2-23 2.jpg
    377.4 KB · Просмотры: 275
Последнее редактирование:
Л2=23 - агрегат ! +like
Для людей делался, руками.
 
Я на нем пары для универсала своего подбирал.Ток эмиттера увеличил с 5 до 10ма ,чтобы более реально было и по 6 пар а1837/с4793 три комплекта с разбросом в 1-2% смог набрать.Покупал в чипе якобы парные по многу и из них уже можно подобрать. С мощными сей фокус не катит.Цена вопроса велика
 
Прикупил прозапас "новые" кт807б, цена за 20шт, с доставкой, ~3$. Такие транзисторы ставил Анатолий Лихницкий в Бриг 001 первой версии и еще такие стоят в Фениксе 005 и в других усилителях СССР. По замерам, что здесь выкладывали, частота у них не плохая, но вот брака много. У меня из 20 шт у 4х утечка есть. 16 штук исправных.
 

Вложения

  • PXL_20230206_180158852.jpg
    PXL_20230206_180158852.jpg
    445.2 KB · Просмотры: 154
И зачем? Парных им вообще нет. Если только для ауентичного ремонта и только.
 
И зачем? Парных им вообще нет. Если только для ауентичного ремонта и только.
Почему же? Если верить транзистер тестеру, пары есть. 2шт по 40, 3 по 27-30, 4 по 17-19, 5 по 7-10. Вот один есть с усилением 127 и один вообще 685,что вероятно, не нормально. По звуку мне Феникс 005 очень нравиться, пусть про запас будет.
 
Не пары КТ807 , а комплементарной пары н-п-н транзистора к ним нет.
 
Не пары КТ807 , а комплементарной пары н-п-н транзистора к ним нет.
Помню, лежали они в универмаге по 7р50коп. Очень дорого. Неудобные, ненадежные, вся радость- в раскачку к КТ808 всяким ставить .К которым тоже не было пары .
 
Отлетали часто от железки.
 
КТ961 есть же , и пара ему КТ626 , не сильно комплементарная ,но все же терпимо.
 
КТ961 есть же , и пара ему КТ626 , не сильно комплементарная ,но все же терпимо.
Да, в паре с кт 807 стоят кт626.Аутентичность нарушать не хочу, да и по звуку нравится Феникс 005, там как раз кт808а стоят 8шт, без комплементарной пары.
 

Статистика форума

Темы
3,301
Сообщения
262,922
Пользователи
2,544
Новый пользователь
vlad'mir
Назад
Сверху Снизу