Марков Николай
1 ранг
- Регистрация
- 23 Июл 2019
- Сообщения
- 6,807
- Реакции
- 5,475
- Баллы
- 203
- Страна
- Украина
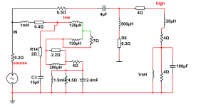
Схема с разделом на 2,5 кГц. Для симулятора подобрал максимально точную схему замещения НЧ дина в ЗЯ. Вот ЧХ сопротивления схемы замещения НЧ, схема и АЧХ полос отдельно и суммарная, с учётом отдачи ВЧ на 4 дБ больше НЧ. Остатки горба 5кГц от ВЧ прилизать режектором...



Сопротивление R14 учитывает внутреннее сопротивление С3. Указаны активные сопротивления элементов L и С. Итого по три детали на звено.
ЧХ сопротивления практически совпала. Более простой схемой замещения не получалось.



Сопротивление R14 учитывает внутреннее сопротивление С3. Указаны активные сопротивления элементов L и С. Итого по три детали на звено.
ЧХ сопротивления практически совпала. Более простой схемой замещения не получалось.














