2-х полосная АС (Eltax 3872 + Vifa XT25TG30-04)

  • Автор темы Автор темы LDS
  • Дата начала Дата начала
Меня не устраивали ваши прежние НЧ фильтры задранной вверх полкой и резким спадом, явное несоответствие по индуктивности и емкости фильтра. Но сейчас прилично всё, а схема приятно упрощается))))
Ок, ну так и работаю в правильном направлении, я надеюсь)
 
Второй заход на акустическую гасилку. Ваша неудача с шайбой показала непригодность материала. Я испытывал войлок от шумоизоляции авто толщиной 8 мм, без слоя самоклейки. Так подносишь его к уху и ощущаешь одностороннюю глухоту по ВЧ, сразу. Шайба из такого войлока перед 20ГДС-1 (при держании пинцетом, пальцы создают резонансные призвуки) на розовом шуме чётко даёт пропадание пика 4,5кГц, но также валит и 3 кГц, то есть, валит всё, что излучает куполок, с увеличением завала с ростом частоты. Направленность динамика при этом чётко уменьшилась. Видимо, у ватина крупные волокна, он на ПАС пойдёт. А фетр слишком тонкий. Может, попробуйте ишшо раз с материалом, действие которого будет чётко заметно на слух про размещении его перед куполом НЧ, если НЧ включить без фильтра. Ещё мысля. Измеряете по оси ВЧ, а из-под шайбы выглядывает в сторону микрофона край кумпола=>шайбу надо слегка большего, чем купол, диаметра.
 
Второй заход на акустическую гасилку. Ваша неудача с шайбой показала непригодность материала. Я испытывал войлок от шумоизоляции авто толщиной 8 мм, без слоя самоклейки. Так подносишь его к уху и ощущаешь одностороннюю глухоту по ВЧ, сразу. Шайба из такого войлока перед 20ГДС-1 (при держании пинцетом, пальцы создают резонансные призвуки) на розовом шуме чётко даёт пропадание пика 4,5кГц, но также валит и 3 кГц, то есть, валит всё, что излучает куполок, с увеличением завала с ростом частоты. Направленность динамика при этом чётко уменьшилась. Видимо, у ватина крупные волокна, он на ПАС пойдёт. А фетр слишком тонкий. Может, попробуйте ишшо раз с материалом, действие которого будет чётко заметно на слух про размещении его перед куполом НЧ, если НЧ включить без фильтра. Ещё мысля. Измеряете по оси ВЧ, а из-под шайбы выглядывает в сторону микрофона край кумпола=>шайбу надо слегка большего, чем купол, диаметра.
Ок.
Да, думал, что под углом будет шайбы не все закрывать.

7 вариант (расчетный)
Практические работы пока отложены. Но получилось освоить теорию. Смоделировал фильтр, вот что выходит (500 - 20000 Гц):
128658586.png
 
второй порядок на нч и третий на вч плохо дружат. Хотя, судя по наклонам ачх все в порядке.

третий ставят в музыкантские пищалы, чтоб не спалить. А второй порядок по Бесселю или Гауссу самый благозвучный , по ачх практически первый. Но это моё кривое мнение.
 
Хороший звук получается, полуторный порядок на нч, т.е. первый + Цобель, и третий порядок по Баттерворту на вч, с гасящим резистором ПОСЛЕ фильтра. Попробуйте такой вариант))), головки включены в фазе
 
Хороший звук получается, полуторный порядок на нч, т.е. первый + Цобель, и третий порядок по Баттерворту на вч, с гасящим резистором ПОСЛЕ фильтра. Попробуйте такой вариант))), головки включены в фазе
Попробую такое, спасибо.
А пока набросал 8 вариант с 2 порядком на ВЧ, но снова АЧХ уже и НЧ и ВЧ динамиков выше общей АЧХ, но какой ровный импеданс. Кстати импеданс не зависит от расположения динамиков, так что можно ему верить.
4898787.jpg
 
второй порядок на нч и третий на вч плохо дружат. Хотя, судя по наклонам ачх все в порядке.
Плохая дружба на рисунке видна. От 1 до 2 кГц ВЧ работает в противофазе к НЧ, снижая уровень, потому что заворот фазы у третьего порядка тут лишний. А для получения нормального уровня на том же участке пришлось уменьшить катушку в ФНЧ, и пик 5 кГц от НЧ опять виден. Суммарная АЧХ выше отдельных только от 2 до 4 кГц, хотя здесь всё красиво.
По-прежнему считаю лучшим вариант 2. Ему только доработать верхний край АЧХ НЧ звена, и в конце - коррекция ВЧ звена, если понадобится.
Вариант 8 есть ухудшенный вариант 7, движение не туда. НЧ надо валить плавнее, и издали...
 
Резистор на вхлде фильтра курочит его ачх до неузнаваемости. давно так не делаю. Резистор ставлю перед пищалой, тогда и чутьё лишнее убирается и фильтру проще и номиналы не конские

Плохая дружба на рисунке видна. От 1 до 2 кГц ВЧ работает в противофазе к НЧ, снижая уровень, потому что заворот фазы у третьего порядка тут лишний. А для получения нормального уровня на том же участке пришлось уменьшить катушку в ФНЧ, и пик 5 кГц от НЧ опять виден. Суммарная АЧХ выше отдельных только от 2 до 4 кГц, хотя здесь всё красиво.
По-прежнему считаю лучшим вариант 2. Ему только доработать верхний край АЧХ НЧ звена, и в конце - коррекция ВЧ звена, если понадобится.
Вариант 8 есть ухудшенный вариант 7, движение не туда. НЧ надо валить плавнее, и издали...
совершенно согласен. А лучше динамик с фильтром на шуме послушать и на музыке. И если от этого звука не стошнило-значит, можно думать о сшивке с пищалой.
 
Не сказал бы о плохом звуке, наоборот с 3 порядком пропали сибилянты, по этому его и оставил. Пробовал 2 порядок, но не получается приличного.
Сейчас Вам внушат, что слышите вы не так и неправильно. Ваши уши испорчены кислотой, приличное от неприличного отличить не можете и т. п.
Но это пока что)
Не верь глазам ушам своим.
 
Да, я понял Вас. Вот только что смоделировал. Правда конденсатор второй на ВЧ пришлось ставить почти такой же как и первый.
9 вариант:
9 вариант.jpg


По-прежнему считаю лучшим вариант 2. Ему только доработать верхний край АЧХ НЧ звена, и в конце - коррекция ВЧ звена, если понадобится.
Этот что ли: https://ldsound.club/index.php?thre...-3872-vifa-xt25tg30-04.104/page-4#post-13073?
 
Резистор на входе фильтра курочит его ачх до неузнаваемости. давно так не делаю. Резистор ставлю перед пищалой, тогда и чутьё лишнее убирается и фильтру проще и номиналы не конские
Резистор сильно меняет АЧХ фильтра, правда. Но - в сторону увеличения плавности АЧХ и ФЧХ. И этим можно пользоваться, имея такую или подобную прогу и микрофон. В частности, резистор перед фильтром красиво убирает горбик перед скатом и маскирует по звуку сам переход от пропускания к задержанию. Значительное сопротивление меняет фильтр полностью.

Да, я понял Вас. Вот только что смоделировал. Правда конденсатор второй на ВЧ пришлось ставить почти такой же как и первый.
9 вариант:
Посмотреть вложение 5820


Этот что ли: https://ldsound.club/index.php?thre...-3872-vifa-xt25tg30-04.104/page-4#post-13073?
Да, этот, за основу.
Вариант 9 интересен, но пилять шикарную пищалку столь круто... Вариант 9 равен варианту 7 (и 8), где проблемы несинфазности на 1...2 кГц решены увеличением крутизны ската ФВЧ.
 
Да, этот, за основу.
Там же АЧХ накладываются друг на друга. Насколько я понял с Ваших слов еще в самомо начале, то лучший пока 7 вариант, АЧХ динамиков далеок друг от друга, не мешают работать.
2 вариант расчетный и реальный:
487978.jpg


Идя по пути уменьшения деталей, набросал 10 вариант. АЧХ ровная, импеданс без выбросов:
10 вариант.jpg
 
Идя по пути уменьшения деталей, набросал 10 вариант. АЧХ ровная, импеданс без выбросов:
Посмотреть вложение 5830
Неплохо, но.
1. Частота раздела 3,5 кГц - высоко.
2. Пик 5 кГц срезан всего на 10дБ ниже общей АЧХ - следствие мелкой катушки ФНЧ.
Постепенно увеличивая катуху в НЧ, а за ней, следя за изменениями, - в ВЧ звене, можно попробовать выйти на раздел ниже, одновременно сгладив АЧХ отдельных звеньев, а из-за сглаживания ФЧХ зона дружбы может расшириться от 1 до 5 кГц, то есть, на всю зону совместной работы.
 
Неплохо, но.
1. Частота раздела 3,5 кГц - высоко.
2. Пик 5 кГц срезан всего на 10дБ ниже общей АЧХ - следствие мелкой катушки ФНЧ.
Постепенно увеличивая катуху в НЧ, а за ней, следя за изменениями, - в ВЧ звене, можно попробовать выйти на раздел ниже, одновременно сгладив АЧХ отдельных звеньев, а из-за сглаживания ФЧХ зона дружбы может расшириться от 1 до 5 кГц, то есть, на всю зону совместной работы.
Не получается ниже с 2 порядком на ВЧ.
ВЧ на нижнем крае имеет выброс.
 
Не получается ниже с 2 порядком на ВЧ.
ВЧ на нижнем крае имеет выброс.
Да, у ВЧ горб на 5 кГц. А у НЧ - резкий пик, и в противофазе. И если Вы дадите им обеим работать на 5 кГц, добившись ровной АЧХ, скажем, по оси ВЧ, то выше по углу, в сторону ВЧ, будет пик от ВЧ головы, а по оси НЧ будет провал от более сильного противофазного влияния НЧ, а по комнате - отражения от ВЧ пика в полной красе. В Вашем случае придется мириться с плавным горбом ВЧ в пользу слитного.и непрыгающего по фазе и амплитуде звучания, имхо. Хотя... Можно попробовать второй на ВЧ с горбом на 3 кГц, подтянув вверх левый скат горба АЧХ ВЧ динамика, просадив всю область ВЧ на пару дБ. Тогда раздел будет ниже 2 кГц, ВЧ должен потянуть. Соответственно, НЧ начать валить ещё раньше, катушка больше 1 мГн, от НЧ - никаких артефактов на ВЧ.
Дружная работа, по моим последним наблюдениям, равно важна с ровной АЧХ.
 
Последнее редактирование:
Да, у ВЧ горб на 5 кГц. А у НЧ - резкий пик, и в противофазе. И если Вы дадите им обеим работать на 5 кГц, добившись ровной АЧХ, скажем, по оси ВЧ, то выше по углу, в сторону ВЧ, будет пик от ВЧ головы, а по оси НЧ будет провал от более сильного противофазного влияния НЧ, а по комнате - отражения от ВЧ пика в полной красе. В Вашем случае придется мириться с плавным горбом ВЧ в пользу слитного.и непрыгающего по фазе и амплитуде звучания, имхо. Хотя... Можно попробовать второй на ВЧ с горбом на 3 кГц, подтянув вверх левый скат горба АЧХ ВЧ динамика, просадив всю область ВЧ на пару дБ. Тогда раздел будет ниже 2 кГц, ВЧ должен потянуть. Соответственно, НЧ начать валить ещё раньше, катушка больше 1 мГн, от НЧ - никаких артефактов на ВЧ.
Дружная работа, по моим последним наблюдениям, равно важна с ровной АЧХ.
Можете нарисовать схему фильтра по 2 варианту?
S-70.png
А я уже попробую поиграть с номиналами.
 
Можете нарисовать схему фильтра по 2 варианту?
Посмотреть вложение 5836
А я уже попробую поиграть с номиналами.
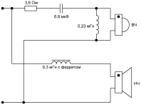
Резистор 3, 6 Ома на входе вч фильтра виртуально добавит вам емкости к 6, 8 мкф, и без того конской, а индуктивность 0,23мГн рухнет вдвое. АЧХ получится собачая.
Что такое НЧ фильтр для мида из катушки 0,3мГн - это меньше чем ничего. Динамик как выл и орал на средине, так и будео орать и выть, а вы будете забавляться картинками , вместо того. чтобы дать шум, музыку, послушать , усомниться в выданной вам схеме и на ходу добавить-убавить деталек и выправить нужное звучание.

12 мкф на вч фильтре....Всё. Цензурные слова закончились, а другие здесь не принято. Умолкаю.
 
Резистор 3, 6 Ома на входе вч фильтра виртуально добавит вам емкости к 6, 8 мкф, и без того конской, а индуктивность 0,23мГн рухнет вдвое. АЧХ получится собачая.
Что такое НЧ фильтр для мида из катушки 0,3мГн - это меньше чем ничего. Динамик как выл и орал на средине, так и будео орать и выть, а вы будете забавляться картинками , вместо того. чтобы дать шум, музыку, послушать , усомниться в выданной вам схеме и на ходу добавить-убавить деталек и выправить нужное звучание.

12 мкф на вч фильтре....Всё. Цензурные слова закончились, а другие здесь не принято. Умолкаю.
Пришлось свернуть пока практические работы из-за недостатка места. Какая разница, это же все теория, намного проще. Посмотрю разные варианты, потом соберу и померяю.

12 мкф на вч фильтре....Всё. Цензурные слова закончились, а другие здесь не принято. Умолкаю.
Учитывайте сопротивление динамика оно 4 Ома, а не 8 Ом как большинство. По чебышеву к примеру, 3000 Гц раздел, выдает 13 мкФ и 0,2 мГн.
 
Пришлось свернуть пока практические работы из-за недостатка места. Какая разница, это же все теория, намного проще. Посмотрю разные варианты, потом соберу и померяю.


Учитывайте сопротивление динамика оно 4 Ома, а не 8 Ом как большинство. По чебышеву к примеру, 3000 Гц раздел, выдает 13 мкФ и 0,2 мГн.
Не частота раздела, а частота среза, так и считать нужно не на 4 Ом, а на 4 + добавочное сопротивление 4-6Ом, а это уже не 12мкф, а гораздо меньше, срез по Чебышеву не круто ли?
 
Пришлось свернуть пока практические работы из-за недостатка места. Какая разница, это же все теория, намного проще. Посмотрю разные варианты, потом соберу и померяю.


Учитывайте сопротивление динамика оно 4 Ома, а не 8 Ом как большинство. По чебышеву к примеру, 3000 Гц раздел, выдает 13 мкФ и 0,2 мГн.
Чебышевский фильтр на вч- это ж какое вИдение звука должно быть :)
4-омная пищала и току отожрёт и импеданс просадит и крику не оберешься. Ей сам бог велит добавить гасилку, доведя импендац хотя бы до 6 Ом. Тогда срастется.
Либо трансик намотать , как у меня сделано. Катуха вч фильтра- она же понижающий автотрансик с 8 Ом на 4 Ома.
 
Вариант 10 смоделированный: https://ldsound.club/index.php?thre...x-3872-vifa-xt25tg30-04.104/page-9#post-14141
Реальный сглаживание 1/3 (не совпадение возможно из-за не очень точных номиналов в моделировании и в реальности):
10 вариант.png

Сначала послушал, звук не понравился, потом измерил.
Реальный сглаживание 1/6:
10 1-6.png


11 вариант.
11схема.png
В схеме изменил входной конденсатор в ВЧ фильтре с 5,4 мкФ на 4,5 мкФ и вот что вышло, бугор на 4,6 кГц пропал:
11.png

11-3.png
 
11 вариант.
Посмотреть вложение 6019
В схеме изменил входной конденсатор в ВЧ фильтре с 5,4 мкФ на 4,5 мкФ и вот что вышло, бугор на 4,6 кГц пропал:
Посмотреть вложение 6018
Посмотреть вложение 6020
С виду красивая АЧХ, но чувства противоречивые. По-прежнему НЧ играет на пике 5кГц и даже выше. По-прежнему скаты очень крутые, а частота раздела почти 4 кГц. Как и раньше, будет сильно изменяться АЧХ в зоне 4,5...6 кГц при изменении угла по вертикали. Может, ещё раз с пирамидкой из войлочных шайб...
 
С виду красивая АЧХ, но чувства противоречивые. По-прежнему НЧ играет на пике 5кГц и даже выше. По-прежнему скаты очень крутые, а частота раздела почти 4 кГц. Как и раньше, будет сильно изменяться АЧХ в зоне 4,5...6 кГц при изменении угла по вертикали. Может, ещё раз с пирамидкой из войлочных шайб...
Уже не помню какой вариант, но были, что звучали хорошо. Этот по звуку так же не плохой и если с импедансом все ровно, то оставлю его. Сил/желания уже нет возится, да и времени не хватает.
С пирамидкой попробую, но боюсь что с боку будут выбросы.
 
отдельно работающие НЧ и ВЧ динамики с фильтрами на розовом шуме не должны издавать неприятного окраса, режущего слух. Басовик, звучащий в виде ХШШШ точно огребает лишнего, нужен звуг ФФФШШШ, а пищалка должна звучать ССС или СЬСЬСЬ, но никак не ЧШШШ . Ясно? :) :) :)
 
Ясно, послушал вроде так и есть, ну или примерно так, могу записать.
Что из плохого, электрогитара звучит не очень, каши много. Т.е. было лучше с другими вариантами или уже приелось все.
Я подумал, может еще проблема в том что динамики разнесены на передней панели далеко друг от друга?

Может, ещё раз с пирамидкой из войлочных шайб...
Синий без пирамидки, красный с пирамидкой из фетра. 4 круга по 4 мм каждый:
красны с фетром.png
 
разнос динамиков на фронтпанели делает невозможным высокую частоту стыка, фаза их на стыке при этом ведет себя непредсказуемо, ачх какая угодно что на оси что вне её. Стык в районе 2-2, 5 кгц упрощает это дело. Эта проблема возникла в макете Кубиков, там пищалка в колонках 6АС224 оттянута от басовичка на приличное расстояние и сразу проблемы.
Понять, удачно ли получилось на стыке, можно, сняв ачх в разных направлениях от линии стыка динамиков, некой акустической оси, где сосредоточено излкчение обоих динамиков.
Удачный стык достаточно равнодушен к смещению микрофона по сторонам
 
Последнее редактирование:
отдельно работающие НЧ и ВЧ динамики с фильтрами на розовом шуме не должны издавать неприятного окраса, режущего слух. Басовик, звучащий в виде ХШШШ точно огребает лишнего, нужен звуг ФФФШШШ, а пищалка должна звучать ССС или СЬСЬСЬ, но никак не ЧШШШ . Ясно? :) :) :)
Розовый шум динамиков с 11 варианта:
 

Вложения

Статистика форума

Темы
3,295
Сообщения
262,110
Пользователи
2,545
Новый пользователь
vlad'mir
Назад
Сверху Снизу