2-х полосная АС (Eltax 3872 + Vifa XT25TG30-04)

  • Автор темы Автор темы LDS
  • Дата начала Дата начала
Фильтр:
125516.png

3,6 Ом:
красный - чистый
голубой - 5 мкФ
синий - 10 мкФ
зеленый - 15 мкФ
3,6.png


8 Ом:
красная - чистый
голубая - 5 мкФ
синяя - 10 мкФ
зеленая 15 мкФ
8.png
 
Что если сводить АС по оси НЧ?
Как будете слушать, так и сводите. С двух метров может быть все равно. Я свой конструктор свожу по оси СЧ, он сейчас выше ВЧ головки. Но характеристика под углом вверх, в сторону СЧ, у меня гораздо хуже, чем вниз, в сторону ВЧ. Подмывает перевернуть щиток ВЧ головкой вверх и поменять одну проблему на другую (хуже АЧХ щитка).
 
Последнее редактирование:
А мне кажется с ним и было все отлично.
Вот взял АЧХ кубиков от АБ:
кубик от АБ финал.JPG

НЧ с 2 кГц начинает падать а идет до 10 кГц по уровню -35 дБ.
Вот мой НЧ из варианта 4:
НЧ с фильтром и без.png

Начинает падать с тех же 2 кГц а идет до 8 кГц по уровню почти -40 дБ.
В чем разница? В более плавном спаде у кубиков? Хорошо.
Посмотрите куда идет их АЧХ НЧ у кубиков, а мне говорили, что у меня НЧ тянет высоко.
Так же обратите внимание на стык НЧ и ВЧ, они накладываются друг на друга, динамики мешают играть друг другу или здесь все хорошо?
Сегодня проведу измерения НЧ с катушкой и конденсатором, разной индуктивности и емкостей, думаю 2 порядок для НЧ самое то.
 
Последнее редактирование:
А мне кажется с ним и было все отлично.
Вот взял АЧХ кубиков от АБ:
Посмотреть вложение 5581
НЧ с 2 кГц начинает падать а идет до 10 кГц по уровню -35 дБ.
Вот мой НЧ из варианта 4:
Посмотреть вложение 5582
Начинает падать с тех же 2 кГц а идет до 8 кГц по уровню почти -40 дБ.
В чем разница? В более плавном спаде у кубиков? Хорошо.
Посмотрите куда идет их АЧХ НЧ у кубиков, а мне говорили, что у меня НЧ тянет высоко.
Так же обратите внимание на стык НЧ и ВЧ, они накладываются друг на друга, динамики мешают играть друг другу или здесь все хорошо?
Сегодня проведу измерения НЧ с катушкой и конденсатором, разной индуктивности и емкостей, думаю 2 порядок для НЧ самое то.
Пара разниц от кубиков.
1. У 25ГДН-3 нет такого мощного пика в конце рабочего диапазона, который и над фазой издевается, он удачный. Потому хватило единственной катушки для получения хороших уровня и фазы до самого конца звукового диапазона. У кубиков во всей зоне совместной работы суммарная АЧХ выше АЧХ отдельных динамиков => взаимопомощь, всё в порядке. В варианте 4 взаимопомощь в зоне 2,5...4 кГц, на самом разделе. Выше - можно мириться, но ниже 2 кГц - нехорошо, и нехорошо по причине фильтра НЧ звена, никак не ВЧ.
2. У кубиков нет подъёма СЧ за счёт фильтра НЧ звена, только спад. А ВЧ звено выравнивает уровень СЧ назад. В варианте 4 - наоборот. НЧ звено завышает уровень СЧ, а ВЧ, работая несогласованно, тянет уровень СЧ на место. Лебедь и рак, по-нашему.
 
У кубиков нет подъёма СЧ за счёт фильтра НЧ звена
Как же? до 2 кГц у меня и у кубиков. После 2 кГц падает.
В варианте 4 - наоборот. НЧ звено завышает уровень СЧ, а ВЧ, работая несогласованно, тянет уровень СЧ на место. Лебедь и рак, по-нашему.
Посмотрите как завален ВЧ в кубиках. Тем более с его неравномерностью...
Но общая АЧХ отличная. Там ничего на себя не тянет?

А сам стык в кубиках, там где АЧХ НЧ и ВЧ динамиков сходятся, как Вам? Для сравнения приложу свою, которая Вам не понравилась: https://ldsound.club/index.php?thre...x-3872-vifa-xt25tg30-04.104/page-4#post-13073
А такая АЧХ тоже плохая?:
динамики в фазе с резистором на ВЧ 5 Ом катушка на нч 2,13 мГн.png

У меня ВЧ хорошо срезан, спад ровный. В НЧ так же, да есть пик на 5 кГц, но в общем то картина хорошая.
Не подумайте, что грублю, ни в коем случае. Но уже запутался. Мне кажется, что мы даже говорим на разных языках и о разном. Просто хочется не только сделать АС, но и немного разобраться.

Измерения НЧ динамика с фильтрами 2 порядка.

По оси НЧ, 100 см от края звуковой катушки НЧ динамика. В сравнении с осью по ВЧ, пик на 5 кГц по оси ВЧ меньше. Окно 10 мс.
2пор.jpg
  1. 0,4 мГн (5, 10, 15, 22, 30, 40 и 60 мкФ)
  2. 0,7 мГн (5, 10, 15, 22, 30, 40 и 60 мкФ)
  3. 1 мГн (5, 10, 15, 22, 30, 40 и 60 мкФ)
  4. 2,12 мГн (5, 10, 15, 22, 30, 40 и 60 мкФ)
  5. 2,9 мГн (5, 10, 15, 22, 30, 40 и 60 мкФ)
0,4 мГн:
0,4.png

0,7 мГн:
0,7.png

1 мГн:
1.png

2,12 мГн:
2,12.png

2,9 мГн:
2,9.png
 
Сегодня проведу измерения НЧ с катушкой и конденсатором, разной индуктивности и емкостей, думаю 2 порядок для НЧ самое то.
Эх, ведь уже приводил эти картинки, думал все заинтересованные посмотрят и сделают выводы, но нет. Рискну еще раз.
Вообще, давать что-то,дело не благодарное - надо ждать пока попросят и не один раз. Но обычно вместо просьб бьются головой в стену вместо поиска двери рядом.
5 фильтр L 2-6 мГн.png

Это серия замеров ДЛЯ СЕБЯ, не для публикаций динамика 10ГД-30 (знаю, что он другой, но тенденция понятна). Верхняя линия - чистый динамик, далее "катуха" с увеличением индуктивности. Видно, что она только поворачивает АЧХ вокруг точки около 200 Гц. Причем изменение непропорциональное.
Аналогичную. но зеркальную картину приводил для конденсатора и 2ГД-36. Тот же поворот "вокруг оси", как у часовой стрелки.
Иная картина будет у LR фильтра, фильтра второго порядка - "чистого" и "цобельного".
5 фильтр L 2-6 мГн С 30 мкФ.png

Вот 2-ой порядок. Видно что полка до 1 кГц только в одном варианте.
Поскольку замеры делал только для себя,немало лет назад, и условий измерений не помню, прошу не задавать вопросы "как и почему".
Мне интересна была тенденция.
Сейчас сделал другой фильтр для 10ГД-30. Полка до 500 Гц, Вот так.
10МАС-НЧ.png

Прошлый опыт не пропал даром. Я не призываю делать второй порядок - каждый случай индивидуален, но расчитывать на одну "катуху", как идеальный вариант, тоже не советую.
 
Эх, ведь уже приводил эти картинки, думал все заинтересованные посмотрят и сделают выводы, но нет. Рискну еще раз.
Вообще, давать что-то,дело не благодарное - надо ждать пока попросят и не один раз. Но обычно вместо просьб бьются головой в стену вместо поиска двери рядом.
Я видел. Не пойму возмущений Ваших.
Измерения сделал для себя и для конкретного динамика. И фильтр у меня не просто одна катушка, а 2 порядка, катушка и конденсатор, схему даже приложил. Во всех измерениях менял катушки, добавляя емкость, одна картинка - одна индуктивность с разными емкостями.
По книге Батя LR цепочка включена параллельно и поставлена в разрыв плюса перед фильтром низких частот. У Вас цепочка последовательная, то как верно?
 
Я видел. Не пойму возмущений Ваших.
Не возмущение это. а горечь. Все продолжают верить в волшебную "катуху" для любых динамиков и на все случаи жизни, но это только частный случай.
Измерения сделал для себя и для конкретного динамика. И фильтр у меня не просто одна катушка, а 2 порядка, катушка и конденсатор, схему даже приложил.
Искренне (кроме шуток) рад этому. Не прошло и года. И в #223 хорошо видна картина по семействам комбинаций LC, вот только для большей ясности лучше бы сглаживание увеличить. Оптимальную комбинацию проще искать в LSP CAD или аналогах, а потом только проверить и чуть подправить микрофоном.
По книге Батя LR цепочка включена параллельно и поставлена в разрыв плюса перед фильтром низких частот. У Вас цепочка последовательная, то как верно?
Неверно, если я правильно понял.
LR цепочка всегда параллельная и ставится последовательно с динамиком, это позволяет сгладить "ступеньку" которая часто бывает у ШП динамиков.
Впервые я с ним столкнулся в колонках Tandberg 2510 50-летней давности, а приём применяют наверняка намного дольше, поэтому ныне живущие не имеют к нему отношения.
2510.png

Несмотря на отличный НЧ-ШП динамик, частота раздела 2 кГц.
Вроде бы примитивный фильтр и я захотел его улучшить, но тогда это у меня не получилось. Вместо простой LR цепочки надо было городить сложные узлы, а это нехорошо.
Tandberg делал тогда то что сегодня называют Hi-End только слова тогда такого не было. И у инженеров не было упрямства применять во всех случаях одно решение. Для каждой АС делали свои фильтры.
Вот пример фильтров следующей модели 2520 более высокого класса, акустика в родном тракте звучала потрясающе.
2520.png

Привожу как пример технического решения. Вроде бы всё просто. И неаудиофильские фильтры второго порядка, но звук на высочайшем уровне.
 
Лучше 1 раз нарисовать (как правильно?):
лр.png
 
Так по оси НЧ пик вообще жесть! А шайбой из фетра/войлока прибить его некрасиво будет? Если планируете сеточку, типа приклеенная изнутри к сетке. 99% легче с фильтром будет.
Да, сравнивать сей НЧ с 25ГДН-3 на верхнем крае нельзя, совсем разные.
Так напротив какого динамика слушать будете? Напротив ВЧ получше будет.
Приятные АЧХ 0,7мГн+22мкФ(просится 1...2 Ом последовательно с 22мкФ) и 1мгн+15мкФ. С ними попробовать корректировать ВЧ фильтр. Критерий - "чем больше разница по уровню фаза/противофаза (или наоборот) и чем шире зона этой хорошей разницы, тем слитнее работа двух динамиков в этой зоне". Возможно, частота среза съедет вниз, дальше от Эвереста 5кГц, и это нормально.
Резистор в параллель катушке в ФНЧ - красивое решение для спокойного динамика без взбрыка вверху диапазона, сглаживает АЧХ и ФЧХ фильтра. Тут не прокатит.
 
Так по оси НЧ пик вообще жесть! А шайбой из фетра/войлока прибить его некрасиво будет? Если планируете сеточку, типа приклеенная изнутри к сетке. 99% легче с фильтром будет.
Да, сравнивать сей НЧ с 25ГДН-3 на верхнем крае нельзя, совсем разные.
Так напротив какого динамика слушать будете? Напротив ВЧ получше будет.
Приятные АЧХ 0,7мГн+22мкФ(просится 1...2 Ом последовательно с 22мкФ) и 1мгн+15мкФ. С ними попробовать корректировать ВЧ фильтр. Критерий - "чем больше разница по уровню фаза/противофаза (или наоборот) и чем шире зона этой хорошей разницы, тем слитнее работа двух динамиков в этой зоне". Возможно, частота среза съедет вниз, дальше от Эвереста 5кГц, и это нормально.
Резистор в параллель катушке в ФНЧ - красивое решение для спокойного динамика без взбрыка вверху диапазона, сглаживает АЧХ и ФЧХ фильтра. Тут не прокатит.
Да пик еще больше по оси НЧ. С другой стороны направленность ВЧ падает и там получается вообще ровная линия.
Но пожалуй по ВЧ буду сводить, так и оставлю.
Шайбу можно приклеить конечно, ничего видно не будет. Какого диаметра? По толщине на практике подберу до пропадания пика.
 
Что если сводить АС по оси НЧ?
Направленность басовика нулевая, я его свожу, кинув микрофон рядом на диван, разницы нет, что он по оси басовика, что вообще замотан в защитный мешок и валяется в стороне.
АЧХ 10 ГД-30 я тут где-то видел, достаточно реальную и она никак не срастается с странного вида картинкой от KSV . Приедут 10МАС- выложу то, что есть. А пока рот на замок. Или как молдаване говорят- Мальчи твой рот.
 
Лучше 1 раз нарисовать (как правильно?):
Посмотреть вложение 5596
Второй. Первый убивает отдачу АС в целом.
Да пик еще больше по оси НЧ. С другой стороны направленность ВЧ падает и там получается вообще ровная линия.
Но пожалуй по ВЧ буду сводить, так и оставлю.
Шайбу можно приклеить конечно, ничего видно не будет. Какого диаметра? По толщине на практике подберу до пропадания пика.
Диаметр примерно с колпачок НЧ. Валить шайба будет плавно, с пару кГц, а динамику так и надо. Можно приколоться и набрать конус шайбами уменьшающегося диаметра 😊.
 
АЧХ вариант 5. Импеданс и фазу пока не мерял.
Как звучит? Не хуже предыдущих вариаций, нужно сравнивать переключением, так не определить.
Фильтр:
1572684.jpg
Графики:
5 вариант.png
 
Последнее редактирование:
Как рассеиватель сделать?)
В данном случае лучше гасить без отражений, чтобы не получить боковые лепестки диаграммы направленности от Эвереста)
Вариант 5 мне заходит! Поднимаем уровень ВЧ и всё, если попрёт... Или баланс на слух. Жаль, что зона согласованной работы сузилась до 2,3...4,5 кГц, но это третий порядок виноват. Может со вторым в ВЧ звене ямка 2...3 кГц меньше получится (после подъёма уровня), сейчас частота раздела съехала чуть выше 3 кГц, недоиспользуем ВЧ. Ещё капельку, и Троэлс на перекуре 😆.
Да, с вариантом 5 сильно стараться с фетром не надо, после вариаций с уровнем ВЧ пробуйте. Задача - чтобы синяя шла не выше чёрной...
 
Последнее редактирование:
Прикрепил фетр - ничего не изменилось, ну может на 0,5 дБ в некоторых местах. Затем прикрепил ватин пресованный, 4 мм. Вот что имею, вариант 5. Красная с кольцом из ватина, синяя - без:
ватин.png

вариант 5 с ватином, фаза и противофаза:
фаза и нефаза.png


НЧ динамик по своей оси, 1 м. С ватином (серая), без кольца ватина - синяя:
126543.png


Снял гриль - красная. С грилем - серая:
гриль.png


Черная - чисто
Синяя - фетр легкий
Красная - ватин пресованный 4 мм
546946894.png
 
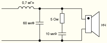
6 вариант
схема:
6666.jpg
АЧХ:
6 3ачх.png

импеданс:
6вар импеданс.png
 
Прикрепил фетр - ничего не изменилось, ну может на 0,5 дБ в некоторых местах. Затем прикрепил ватин пресованный, 4 мм. Вот что имею, вариант 5. Красная с кольцом из ватина, синяя - без:
Посмотреть вложение 5602
вариант 5 с ватином, фаза и противофаза:
Посмотреть вложение 5603

НЧ динамик по своей оси, 1 м. С ватином (серая), без кольца ватина - синяя:
Посмотреть вложение 5604

Снял гриль - красная. С грилем - серая:
Посмотреть вложение 5606

Черная - чисто
Синяя - фетр легкий
Красная - ватин пресованный 4 мм
Посмотреть вложение 5607
Всё понятно, шайба не работает. Вырезались 3 кГц, остались 5 кГц.
Импеданс без провала, потом можно будет поравнять.
Вариант 6 не лучше. Уровень ВЧ не подняли, он будет влиять на стык. Ещё попробуйте 5 или 6 с резистором 2 Ома последовательно с 15 мкФ, может лучше состыковаться с ВЧ, ближе к варианту 2.
 
Всё понятно, шайба не работает. Вырезались 3 кГц, остались 5 кГц.
Импеданс без провала, потом можно будет поравнять.
Вариант 6 не лучше. Уровень ВЧ не подняли, он будет влиять на стык. Ещё попробуйте 5 или 6 с резистором 2 Ома последовательно с 15 мкФ, может лучше состыковаться с ВЧ, ближе к варианту 2.
Николай, чем выше ставлю резистор, тем выше подымается АЧХ с пиком на 5 кГц, по этому поставил 0,24 Ом.

Закинул в симулятор НЧ.
Можно попробовать срезать его на 1 кГц, вот такую схему нужно будет собрать:
367786749.png
Вот что выйдет:
расчетные.jpg
 
Николай, чем выше ставлю резистор, тем выше подымается АЧХ с пиком на 5 кГц, по этому поставил 0,24 Ом.
Да, так должно быть. Сначала подымите уровень ВЧ, чтобы он перекрикивал пик, потом 2 Ома, пик подрастёт, но зона1...3 кГц у НЧ звена по фазе станет ближе к варианту 2, и зона хорошего стыка должна расшириться вниз. Если пик при этом будет слышен/виден, катушку до 1,3 мГн в НЧ и до 0,3 в ВЧ, т.е., режем ниже, но не круче. Сейчас и так уже круто...
 
Да, так должно быть. Сначала подымите уровень ВЧ, чтобы он перекрикивал пик, потом 2 Ома, пик подрастёт, но зона1...3 кГц у НЧ звена по фазе станет ближе к варианту 2, и зона хорошего стыка должна расшириться вниз. Если пик при этом будет слышен/виден, катушку до 1,3 мГн в НЧ и до 0,3 в ВЧ, т.е., режем ниже, но не круче. Сейчас и так уже круто...
Так Вы ранее писали, что и пик на 5 кГц.
 
Со временем уйдете от излишней крутизны скатов и выходов в пользу плавных изгибов.
Для этого иногда достаточно прислушаться к характеру шума динамика с разными вариантами фильтра, выбрав тот, который обеспечивает спокойное без яркости или шкварок звучание.
Пищалка, к примеру, должна звучать как СССЬЬ , а не ЧЧШШШ.
А все эти резкие изломы на ачх гадят звук динамика и колонки в целом. Но это лишь моё слабое и неправильное мнение.
 
Со временем уйдете от излишней крутизны скатов и выходов в пользу плавных изгибов.
Для этого иногда достаточно прислушаться к характеру шума динамика с разными вариантами фильтра, выбрав тот, который обеспечивает спокойное без яркости или шкварок звучание.
Пищалка, к примеру, должна звучать как СССЬЬ , а не ЧЧШШШ.
А все эти резкие изломы на ачх гадят звук динамика и колонки в целом. Но это лишь моё слабое и неправильное мнение.
Согласен. Так я к такому варианту пришел не по своим желаниям. В первых схемах были простейшие фильтры, в начале темы все есть. Те простейшие фильтры можно было довести до какого-то конца, но вы же все пишите что все не так. Вот и дошел до 3 порядка на ВЧ и 2 на НЧ. А по звуку Даный вариант не знаю чем лучше 1-3 вариантов..
 
Меня не устраивали ваши прежние НЧ фильтры задранной вверх полкой и резким спадом, явное несоответствие по индуктивности и емкости фильтра. Но сейчас прилично всё, а схема приятно упрощается))))
 

Статистика форума

Темы
3,295
Сообщения
262,110
Пользователи
2,545
Новый пользователь
vlad'mir
Назад
Сверху Снизу