30ГДШ-1-4

  • Автор темы Автор темы Дима
  • Дата начала Дата начала

Оценка по 5-ти балам

  • 1

  • 2

  • 3

  • 4

  • 5


Результаты будут видны только после голосования.
Я уже говорил, и проверял, даже тема есть, слова мягкий и гибкий не синонимы для подвесов и шайб, может быть на ощуп мягкий а по гибкости как покрышка зимняя для автомобиля. Для начала нужно найти донора для ПИ, пока по знакомым прозваниваю у кого есть рамы или полуживые 25ГДН(20ГДС), и купить на SkyLots корпуса от 10АС-232 (Кливер 50АС-201) они по концепции мне больше нравятся чем S20A(S30A)
 
Пошукайте ще неробочі 10ГДН-1 (6ГД-6), 20ГДН-2. Ще м'які у 15ГД-14.
І раму здобудете, і, можливо, м'який підвіс.
Робив на таких підвісах 5" НЧ головки з резонансом 45-48 Гц. Але на другий раз не зважився.
Бо подвижку динаміка такого розміру, навіть з таким, не надто низьким резонансом, сильно бовтає при роботі із сторони в сторону.
 
Гамід надійний продавець. На перший погляд це ширший підвіс, аніж штатні в 15ГД-14.
Але треба співставити вимірами.
 
Гамід надійний продавець. На перший погляд це ширший підвіс, аніж штатні в 15ГД-14.
Але треба співставити вимірами.
 
Собрал вторую головку 30ГДШ с родным диффузором и магнитной цепью от 10ГДШ По итогу АЧХ выглядит так:
1704814690059.png

0, 15, 30 измеряя 15, 30 градусов, видимо на пару см сдвинулся дальше.
 
Фиолетовый это 0?
 
АС на базе такой модернизированной головки не надо будет разворачивать на слушателя.
Отличный результат.
 
Собрал вторую головку 30ГДШ с родным диффузором и магнитной цепью от 10ГДШ По итогу АЧХ выглядит так:
1704814690059.png
Культура производства конечно хроматет до ужаса у изделий времен перестройки. Пришлось под магнитную систему и раму подложить немагнитную прокладочку 1мм, что бы намотка катушки стала по центра магнитного зазора, и электромеханическая связь поднялась с 2.6 до 3.35Тм(Н/А):
1704819891022.png

И сопротивление динамика пипец, 3.98Ом измеренно звуковой картой, и 3.9 мультиметром Uni-T UT61E

Вот так выглядело без пылезащитного колпачка вообще:
1704821173540.png

с 30-ю градусами маху дал, чуть больше довернул, но видно что без пыльника АЧХ дальше зудит
 
Последнее редактирование:
Культура производства конечно хроматет до ужаса у изделий времен перестройки. Пришлось под магнитную систему и раму подложить немагнитную прокладочку 1мм, что бы намотка катушки стала по центра магнитного зазора, и электромеханическая связь поднялась с 2.6 до 3.35Тм(Н/А):
Посмотреть вложение 82517
И сопротивление динамика пипец, 3.98Ом измеренно звуковой картой, и 3.9 мультиметром Uni-T UT61E

Вот так выглядело без пылезащитного колпачка вообще:
Посмотреть вложение 82522
с 30-ю градусами маху дал, чуть больше довернул, но видно что без пыльника АЧХ дальше зудит
Дыра на 3кГц это работа колодца над керном.
 
Опытным путем определил уже, просто были совети применить тканевый пыльник без пропитки, но дырку такую чет не сильно хотелось оставлять.
без пропитки такой же дефект у ширика 5ГДШ ....что-то там , новодельное.
Пыльник из редкой ткани, на ачх ямища в районе кило, весь презенс псу под хвост.
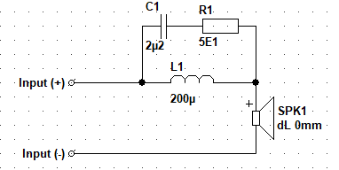
Давно тому назад исправил режектором похожий выброс на краю у забавного Филипса , дюалкона. Емкостишка, шунтированная последовательной LC цепочкой, подобрано по результату.
 
Уже думал, попробовать как то придушить всё что дальше 6кГц, но с другой стороны, вне оси 15 и тем более 30 градусов, сам валится тот бугор. А с другой стороны и мать его так, сидеть и таращится прямо по оси в колонки, так же врядли кто будет. Чисто из спортивного интереса цепочку RC(LC) попробовать можно, но это скорее только посомтреть как себя поведет фаза!
1704825258659.png
 
Уже думал, попробовать как то придушить всё что дальше 6кГц, но с другой стороны, вне оси 15 и тем более 30 градусов, сам валится тот бугор. А с другой стороны и мать его так, сидеть и таращится прямо по оси в колонки, так же врядли кто будет. Чисто из спортивного интереса цепочку RC(LC) попробовать можно, но это скорее только посомтреть как себя поведет фаза!
Посмотреть вложение 82527
У владельца этих Филипсов тоже все, как вы пишете. На месте выбрали разворот щитов на слушателя, примерно 10 град от оси, при этом АЧХ ровная, с легким завальчиком.
жаль, сгинули все замеры в убитом компе. Там и фильтр был .
И по памяти, лучший по результату вариант был в виде катухи, шунтированной RC цепью, такой фильтр обваливая бугор одновременно давит его посредине.
 
По скорбной памяти, если у нас пузырь торчит посредине полосы, мы его давим тройкой из RCL. Если нужно одновременно обвалить верхний край и ужать выброс. то ставится катуха. шунтированная RC последовательными . Ежели нужно прижать пузырь и протянуть спад подальше. ставим емкость , шунтированную LC послед-ными.
Имея микрофонную шумелку, все получается быстро, опыт набивается стремительно.
 
Все вийшло швидко. Але поставив би тумблер, який виключає цей вирівнюючий фільтр.
І поексплуатував би це добро десь так з місяць. Щоб вирішити, чи потрібна ця об'вязка взагалі.

А якщо поставити на рамку перед модернізованим 30ГДШ радіотканину?
 
Доживем, всё попробуем, всё испытаем.
 
Как это можно побороть без фильтров?
заполнить колодец над керном чем-то незвенящим типа пробки , наклеить на торец фетр, вровень с краем катушки. Такую фичу делает Фокал, но там насадка на керн металл, с красивой ямкой .
 
Как это можно побороть без фильтров?
Увесистые дырочки в каркасе катушки тоже в борьбу с этим. Как и отверстие в керне с противопылевой тряпочкой. Под тряпочку иногда вставляют узенький столбик синтепончика, на всю длину отверстия.
Не упоминаю против ночи войлок в полости МС, наклеенный на внутреннюю поверхность ферритового кольца.
 
Все вийшло швидко. Але поставив би тумблер, який виключає цей вирівнюючий фільтр.
І поексплуатував би це добро десь так з місяць. Щоб вирішити, чи потрібна ця об'вязка взагалі.

А якщо поставити на рамку перед модернізованим 30ГДШ радіотканину?
Да, гриль может сожрать ВЧ, это понятно, но есть ещё идея - а если "лишнюю" энергию на ВЧ пустить на пользу - рассеять и получить лучшую, чем есть, ДН? Для этого на керн наклеить деревянный или пластиковый гриб. У мну есть сделанные таким образом ширики Монакор, чем-то похожие на эти ГДШ, так там деревянный гриб на керне.
spx-32m.jpg
 
Попробовать можно. Но некоторым претят отражения и рассеиватели.
Динамик курочить, снимая колпачек, не обязательно. Даже нежелательно - изменится АЧХ, колпачек - дополнительный ВЧ излучатель. Рассеиватель можно прицепить извне динамика.
 
Последнее редактирование:
заполнить колодец над керном чем-то незвенящим типа пробки
пробка по моему опыту это ближе к СЧ

в любом сл. ни фильтром ни затычкой проблема не решится .

если "горло железное" и потерь там нету - на выходе звон =)

(а Станислав это подтвердил указав что с пыльником разница небольшая)

"грибами" да "лампочками" легко уничтожить звук .

а "ламели" (решетка) спереди дифузора принесет в звук еще большую "тухлятину" .
 

Статистика форума

Темы
3,317
Сообщения
265,058
Пользователи
2,554
Новый пользователь
luftmass
Назад
Сверху Снизу