Амфитон-У-002

Рейтинг усилителя по 5-ти балам

  • 1

  • 2

  • 3

  • 4

  • 5


Результаты будут видны только после голосования.
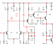
Удивляют японские схемы, совершенно повторяемые в любительских условиях.
А ЭТА схема удивила своей необычностью.
Не припомню таких.
Входной сигнал 0,15 В подаётся прямо на регулятор громкости, а после него сразу на вход УМЗЧ.
НЕТ ПРЕДУСИЛИТЕЛЯ!!! (фоно-корректор не в счёт).
Регуляторы тембра - единое целое с УМЗЧ, включены в дифкаскад. Думаю, неправильно обозначено вкл-выкл тонкомпенсации.
Некоторые технические решения странные.
Схема очень необычная, сомневаюсь, что
это прототип для какого-то советского усилителя.
Тем более, что на выходе - двойки, не было в СССР для этого достойных массовых транзисторов.
Для транзисторов даже datasheet толком не удалось найти, похоже, они много лет не выпускаются, но параметры у них высокие и на сегодня.
Интересно было бы послушать такой усилитель.
 
А ЭТА схема удивила своей необычностью.
Не припомню таких.
Входной сигнал 0,15 В подаётся прямо на регулятор громкости, а после него сразу на вход УМЗЧ.
НЕТ ПРЕДУСИЛИТЕЛЯ!!! (фоно-корректор не в счёт).
Регуляторы тембра - единое целое с УМЗЧ, включены в дифкаскад. Думаю, неправильно обозначено вкл-выкл тонкомпенсации.
Некоторые технические решения странные.
Схема очень необычная, сомневаюсь, что
это прототип для какого-то советского усилителя.
Тем более, что на выходе - двойки, не было в СССР для этого достойных массовых транзисторов.
Для транзисторов даже datasheet толком не удалось найти, похоже, они много лет не выпускаются, но параметры у них высокие и на сегодня.
Интересно было бы послушать такой усилитель.
Не такой уж и дорогой в сравнении с Амфитоном) Можно найти при желании.
Но лучше ещё 20 добавить и взять 8800II ,это уже чистое двойное моно.При тех же возможностях и умении фирмы в то время.
 

Вложения

  • Screenshot_422.jpg
    Screenshot_422.jpg
    239.1 KB · Просмотры: 199
Схема примитив однако. Но с токовым зеркалом
 
Последнее редактирование:
Не такой уж и дорогой в сравнении с Амфитоном) Можно найти при желании.
Мне интересна схемотехника, а покупать не буду - есть фабричный усилитель более высокого класса.
Паяю потихоньку трёхваттный усилитель.
ЕСЛИ бы покупал, то однозначно выбрал бы Пионер, а не Амфитон при близких ценах.
даже если бы схема была идентична, Пионер предпочтительнее за счёт элементной базы, не топорных крутилок, регуляторов, переключателей.
В данном Пионере-3000 явно надо добавить режим обхода регулятора тембра, который включен в общую обратную связь УМЗЧ, наверняка звук станет чище.
Не нравится то что сигнал на колонки идёт через пружины гнезда наушников _shok_ это допустимо в карманной и переносной технике, но не в стационарных аппаратах.
При переделке Радиотехники У-101 я сделал так, что на гнезде наушников сигнал есть всегда, , а от колонок отключается переключателем благодаря узлу защиты - это и то лучше.
Категорически не нравится, что в Пионере на входе регулятор баланса аж 500 кОм - отрыжка ламповой эпохи. 50 кОм максимум - было бы лучше, да и регулятор громкости 250 кОм не радует.
Кстати, он с хитрой неотключаемой тонкомпенсацией, это не вполне честно.
Ток покоя 13 мА, чувствую - маловато будет. как и ёмкости питания УМЗЧ - 4700 мкФ. Двойка на выходе. Ощущение максимальной экономии, интуитивно тройка - лучше двойки, особенно при колонках 4 ом.
Коррекция и обратная связь интересные.
Вместо ненужного корректора грампластинок лучше поставить корректор Линквица для полочников.
Если бы попался неисправный, с горелыми транзисторами, а не силовым трансформатором, можно было бы покопаться и восстановить из спортивного интереса. Но потом куда девать?
Это 40 лет назад пользовалось спросом, а сегодня никто из друзей в подарок не возьмёт. Колонки никто уже не берёт, даже полочники, даже маленькие,.
На дачу со скрипом некоторые забирают, а домой - нет.
Но лучше ещё 20 добавить и взять 8800II ,это уже чистое двойное моно.При тех же возможностях и умении фирмы в то время.
И чем двойное моно лучше? Разрекламированностью?
Меньшим перетеканием канала в канал?
А каково это перетекание для граммофона даже высшего класса - 26 дБ ? И ничего, слушают и похваливают.
При достаточной мощности одного блока питания, два маломощных не нужны. Повышенная мощность тоже не вдохновляет - не это главное.
 
Схема примитив однако. Но с токовым зеркалом
Толку от токового зеркала если весь его эффект благополучно убивается следующим каскадом с ОЭ, а в Амфитоне, к примеру, там повторитель есть, а зеркала нет. Зато есть место для его установки, очень удобно. Вот повторитель в Пионер врезать- наверное тот ещё квест.)
И выход двойка. Короче Амфитон попродвинутее будет в плане схемотехники, правда коррекцию ниасилили до конца. :unsure:
 
Короче Амфитон попродвинутее будет в плане схемотехники, правда коррекцию ниасилили до конца. :unsure:
В далекие 90-е мне не удалось от этого усилителя добиться нормального звука. Подвижки были, но не глобальные. Гадит и схема и конструктивное исполнение. Вроде насобирал Шушурин с миру по нитке, а не играет. Примитивность Пионера, в данном случае, скорее достоинство, чем недостаток.
 
Шушуринский номер 6-78г он был нормальным, а дальше замудернизировали кому не лень
 

Вложения

  • f.1978-06.048.jpg
    f.1978-06.048.jpg
    404.5 KB · Просмотры: 274
  • f.1978-06.049.jpg
    f.1978-06.049.jpg
    434.4 KB · Просмотры: 307
В далекие 90-е мне не удалось от этого усилителя добиться нормального звука. Подвижки были, но не глобальные. Гадит и схема и конструктивное исполнение. Вроде насобирал Шушурин с миру по нитке, а не играет. Примитивность Пионера, в данном случае, скорее достоинство, чем недостаток.
Вопрос каким образом добивались, будет ли уместным?)
 
Вроде насобирал Шушурин с миру по нитке, а не играет.
"Шушуринов" было два, - первый, - да, неудачный. А второй (с комплементарным выходным каскадом) вполне себе годный аппарат, если применить в нём все рекомендованные доработки.
 
Мне именно перый с квзикомплементарным, даже от кз вых. транзисторов не вылетал, если вместо предохранителей не стоит гвоздь
 
Вопрос каким образом добивались, будет ли уместным?)
Заменены все электролиты, где надо заменены на пленку. В темброблоке заменены и подобраны все транзисторы. Убрана функция "стерео-моно", из-за неудачной разводки и больших номиналов РГ, гадила на малой громкости. Заменены и подобраны транзисторы УМ. Изменена коррекция. Подробнее уже не помню, но как то так.
 
Из второго Шушурина только можно вещь сделать ,если второй транзистор в уне использовать для развязки уна с дифкаскадом .Ну и частотозависимая вложенная оос снизит искажения и изменит спектр кардинально
 
Заменены все электролиты, где надо заменены на пленку. В темброблоке заменены и подобраны все транзисторы. Убрана функция "стерео-моно", из-за неудачной разводки и больших номиналов РГ, гадила на малой громкости. Заменены и подобраны транзисторы УМ. Изменена коррекция. Подробнее уже не помню, но как то так.
Там главное коррекция которая наглухо убивала глубину ООС. Вроде около 45дБ было , кажется. Это очень мало, учитывая такую увесистую схему.
 
будьте добры если есть возможность


пририсуйте к схемке
А в теме уся Шушурина расписана переработка схемы. Не могу монтажную схему первого варианта 002 найти, а то можно было прикинуть ,как малой кровью обойтись
 
А мне и не надо этих прибамбасов, Шушурин 6-78 лучше.
 
В своё время я дорабатывал "Шушурин №2" так:
  1. двухтранзисторный источник тока (VT5, VT6 на рис.4) вместо V2
  2. трёхтранзисторный выходной каскад УН (рис.6) вместо V8
  3. отключение средних точек пар резисторов R29,R30 и R31,R32 от выхода, с некоторым уменьшением их суммарного сопротивления (как на рис.7)
  4. эмиттеры выходных транзисторов V2,V3 соединены с контактами №7 и №9 печатной платы с помощью густой "рубашки" от коаксиального кабеля (каждый эмиттер - своей), внутри этих же "рубашек" проложены провода базовых цепей выходных транзисторов. (позже применил эту же доработку и в "Корвете 200УМ-088С", в усилителе тока)
Если бы смог сделать аккуратный корпус, не стал бы менять получившийся усилитель ни на что другое.

Из неосуществлённого, но необходимого:
  1. установка на выходе запараллеленных транзисторов (сейчас бы применил там штуки по ~две КТ8101,КТ8102).
  2. не успел заменить и "плавную" защиту выходных транзисторов от перегрузки по току (V10,V11,V12 и V13 с соответствующими резисторами), вносящую искажения задолго до предельных уровней мощности, на триггерную/тиристорную, - как у Зуева (VT6,VT7,VT19).
При условии правильного соединения земляных цепей ("звездой" на перемычке конденсаторов блока питания), - доработанный "Шушурин №2" обеспечит очень хорошее звуковоспроизведение даже на четырёхомных АС (соответствующего уровня!).

На шкафу лежит "Амфитон-002", в корпусе которого я когда-нибудь всё это проделаю.
:)
 
Не ломая концепцию Шушурина ун можно так доработать. По максимуму использовать детали амфитона. Введя резистор в коллектор повторителя выходного кардинально решаем вопрос термостабильности данного узла . Ну на токовые зеркала можно и кт209 любые.Тут я рисунок не буду делать
 

Вложения

  • шушурин ака амфитон доработка ун.png
    шушурин ака амфитон доработка ун.png
    24.1 KB · Просмотры: 244
Сейчас в ремонте 202-й, на заднице 190 ватт потребляемой. У 002 105 ватт. Где правда, брат?
 
IMG_20221130_181502.jpg
чет не нашел потребляемой на своем.
 
Странно
 

Вложения

  • IMG_20221130_192447~2.jpg
    IMG_20221130_192447~2.jpg
    225.5 KB · Просмотры: 148
зато видно что госты отличаются.а что у него поломалось?
 
зато видно что госты отличаются.а что у него поломалось?
Ничего серьезного. Только все ёмкости под замену - еле шептали оба канала. А вот крупные не стал трогать, по моему к50-27, те где внутри четыре на 1000,0 Х 63, под картонкой не видно. 1990 г.в., много КМ, тантала/ниобия нет вовсе.
 
в моём амфитоне наоборот- питающие ёмкости приходилось менять регулярно, один раз вместе с выходниками. печаль беда прямо.
 
в моём амфитоне наоборот- питающие ёмкости приходилось менять регулярно, один раз вместе с выходниками. печаль беда прямо.
Да, с К50-6 так. Только почему регулярно? Один раз заменить на попутевее и забыть на годы.
Это ладно, однажды приносят в рем Лорту (Амфитон после 91г), а там при напряжении +/-32 воткнуты с завода К50-35 2200 Х 25в.
 
Первый раз менял когда особо кондёры было не достать, взял из отцовской коробки какие то ненаши четырёх-секционные, вроде , 1*1000мкФ*40вольт, лет через 8, наверное, высохли, они и тогда то не новые были. Сейчас вот пока на модернизации, никак не доберусь уж собрать, всё готово давно. Кондёры новые взял 6800*40.
 
Что в этом усилителе хорошего, так это небольшой, невысокий корпус с боковыми радиаторами наружу, и симметрия расположения оконечных усилителей и трансформатора питания.
Железо вполне годится для усилителя под 50 Вт. Крутилки бесподобные.

Плохо, что замена трансформатора на тор проблемная.
Начинка морально устаревшая лет пятьдесят назад.
 

Статистика форума

Темы
3,304
Сообщения
263,088
Пользователи
2,544
Новый пользователь
vlad'mir
Назад
Сверху Снизу