Германиевые УНЧ

Понял, спасибо. Как раз, идеально подойдет мне для наушников.
С учетом индивидуальных предпочтений по громкости. ;)
 
Последнее редактирование:
Александр! Дед Пентод часто повторял всем как заклинание: Что для каждой схемы и марки транзисторов нужен свой оптимальный ток покоя.А не чем больше тем лучше,и его нужно вычислять (помоему если память мне не изменяет) путем подстройки на номинальной мощности по минимуму искажений.

В классе В у Leak 30 ток покоя 20-30мА,думаю у Худа на германии должен быть около 300-400мА.Проверьте пожалуйста мои мысли на макете,как изменятся искажения?Динамика на музыке?
 
Александр! Дед Пентод часто повторял всем как заклинание: Что для каждой схемы и марки транзисторов нужен свой оптимальный ток покоя.А не чем больше тем лучше,и его нужно вычислять (помоему если память мне не изменяет) путем подстройки на номинальной мощности по минимуму искажений.
Заклинания они и есть заклинания. Когда начинают стонать про якобы слышные нюансы в звучании ламп, при этом схема с глубокой общей ООС, хочется как Станиславскому крикнуть Не верю! Потому как меняли лампы перетыком в таком УНЧе , контролируя спектр , там что звук что спектр- нет отличий, ставь что хошь и не парься. Зато в без-оосной схеме вылазят все отличия.
 
Подскажите
По Веге 101
Можно сделать на литиевом питании с нее 1 канал и выжать Макс мощность 10 Вт?
Там в схеме кондеры на 15 вольт, а возле выходных на 25 вольт
Сколько там надо для 1 канала?
Питание однополярное, постоянка?
0,5А-1А Германию хватит?
Это ж не лампа.
И вообще советские 6 Вт номинал как с нынешними мировыми соотносить
Например комбик гитарный vox.
Там Оконечник на
Тда 7 Вт, сам комбик 5 вт rms
Динамик 10 Вт rms.
Орет дай боже
 
Последнее редактирование:
Питание там однополярка, -34В. На выходе 6 Вт, при Кг = 2,5%. Не сотых долей процента, а именно полновесных процентов.
Это я к вопросу о завышенных ожиданиях в сторону качества звука - чтобы Вы таковых не имели.

Сравнивать УМЗЧ общего применения с гитарными усилителями, как мне представляется, несколько некорректно. Слишком разная у них область применения, и как следствие - требования к параметрам и звучанию.

Вольт 40, как мне представляется, без особого риска на нее подать можно - авось, искомые 10 Вт при этом она как-нибудь и выгребет. Если радиаторов ей хватит. Больше на нее подавать я бы не рискнул.
Снимок экрана в 2021-03-29 01-02-51.png
И да, начните с полной замены всех электролитов на новые импортные. Не глядя, тотально, сколько их там есть во всем аппарате. Проверять по одному не имеет смысла, а заметная часть из них, наверняка, уже давно не конденсаторы.
 
Последнее редактирование:
ginalex, мне СМЕШНО, но всё-таки, я с 80-х годов еще штук пять Худов сделал на 2т903, 2т803, 2т808, потом в 2003г на 2n3055, можно без комментариев, кто ничего не делал...
А второй усилитель лучше по этой схеме, режим АВ
 

Вложения

  • p12_fig2.gif
    p12_fig2.gif
    8.8 KB · Просмотры: 463
выходе 6 Вт, при Кг = 2,5%
Я за звук, мне на искажения все равно, на полной не слушал что там творится
Гитарный звук формирует предусилитель - процессор гитарный, он же и усиливает примерно как телефон, когда с выхода на наушники берёшь сигнал.
И через аукс процессора минусовка идёт ещё.
Как это всё будет звучать Я примерно представляю, включался правда в концертный 304.

выходе 6 Вт, при Кг = 2,5%
Я за звук, мне на искажения все равно, на полной не слушал что там творится
Гитарный звук формирует предусилитель - процессор гитарный, он же и усиливает примерно как телефон, когда с выхода на наушники берёшь сигнал.
И через аукс процессора минусовка идёт ещё.
Как это всё будет звучать Я примерно представляю, включался правда в концертный 304.



Вольт 40, как мне представляется, без особого риска на нее подать можно - авось, искомые 10 Вт при этом она как-нибудь и выгребет.
А 6 Вт номинала при какой напруге будет?
 
Я за звук, мне на искажения все равно, на полной не слушал что там творится
Гитарный звук формирует предусилитель - процессор гитарный, он же и усиливает примерно как телефон, когда с выхода на наушники берёшь сигнал.
И через аукс процессора минусовка идёт ещё.
Как это всё будет звучать Я примерно представляю, включался правда в концертный 304.




А 6 Вт номинала при какой напруге будет?
Обычно синус на нагрузке равен одной четверти от питания. 6 ватт на 8 Омах это 7 вольт примерно , значит, 28 вольт питания. Это если не лезть в дебри с десятыми долями вольта.
 

Вложения

  • фрагмент.jpg
    фрагмент.jpg
    33.4 KB · Просмотры: 309
Физику не обманешь, откуда вэял, туда и верьнёшь, НО с потерями...
 
Ну 3*18650 литиевое питание
12-12,5 вольт и через повышайку
поднять до 28 вольт,
и сколько-то ещё в тепло уйдет
Получится что то из этой идеи?
Обычные банки 0,5-1 ампер могут ток держать.
Что скажете?
питать УНЧ класса А от батареек....Напомнило вопрос из КВН 60-х годов: можно ли построить карманный синхрофазотрон? Ответ: можно. Все зависит от размеров кармана.
Куда проще найти кирпич на 19 вольт , питание ноутбука. Звук , так думаю, не пострадает.
 
Как-то никто не заметил результат труда SLAMI (пост163) для JLH-АБ -Ge.
Коэф. усиления у ГТ806 при токе от 1А и выше равен 150 (!)И с повышением тока НЕ МЕНЯЕТСЯ.А ведь одно из условий Худа ,вых транзисторы должны иметь усиление не менее 120.Поэтому и петь обязан.

У меня вопрос к гуру:Теоретически в схему JLH-АБ-Ge подходят ГТ806 с любой буквой,но какой лучше будет более высоковольтный или наоборот?ВАХи нигде не нашёл.
 
Граничное напряжение 1Т806 и ГТ806 примерно вдвое меньше чем напряжение запертого транзистора, если судить по 1Т806. Поэтому при 24В питания (однополярного) можно 1Т806А - В, ГТ806А - В,Д, то есть кроме ГТ806Г. При питании схемы от 40В - 1Т806Б,В и ГТ806Б,В,Д, то есть кроме 1Т806А и ГТ806А,Г. Причем максимальное напряжение задается в диапазоне температуры корпуса до +55 градусов или +85 градусов на переходе, что говорит о пользе больших радиаторов.
 
Спасибо,за ответы.Вопрос тогда поставлю иначе, высоковольтный транзистор имеет преимущество перед нисковольтным,если оба по напряжению подходят в схему и идентичны по названию?
 
Я бы на коэффициент усиления больше смотрел
 
Более высоковольтный того же типа лучше по напряжению и по надежности, так как у него меньше начальный ток при том же напряжении питания, что немного сказывается на термостабильности. Минус у более высоковольтных в меньшем усилении чем низковольтные, но не у всех и не критично.
 
По Веге 101
Можно сделать на литиевом питании с нее 1 канал и выжать Макс мощность 10 Вт?
0,5А-1А Германию хватит?
И вообще советские 6 Вт номинал как с нынешними мировыми соотносить
Цель - автономное питание, чтобы можно было таскать с батарейками?
Если да, то возможно.
1А или сколько там - это ток на максимальной громкости, а вокое он на порядок меньше.
Сразу вопросы про длительность работы.
Могут возникнуть решаемые проблемы с зарядкой такой батареи.
"Советская мощность" это синусоидальная мощность, при музыке потребление будет много ниже, а громкость очень сильно зависит от отдачи динамика.
10 Вт без проблем выжать с кремниевого усилителя, а для германиевого возможно, но сложнее - слишком нежные и капризные транзисторы или слишком тупые.
 
Если мне не изменил склероз, то в Веге-101 не пахнет даже АВ классом. Ток покоя 20 мА- сиротский. Питайте хоть от батарейки, хоть от лучины. Но и звук соотвествующий, пыльно- асфальтный.
 
Если мне не изменил склероз, то в Веге-101 не пахнет даже АВ классом. Ток покоя 20 мА- сиротский. Питайте хоть от батарейки, хоть от лучины. Но и звук соотвествующий, пыльно- асфальтный.
В далёкие времена делал переносной усилитель для походов с питанием хоть от 8-ми батареек, хоть от автомобильного аккумулятора - Акулиничевский из 84-го года. Там ток покоя был ещё меньше, но на звук сбегался весь пляж ;-)))
 
В далёкие времена делал переносной усилитель для походов с питанием хоть от 8-ми батареек, хоть от автомобильного аккумулятора - Акулиничевский из 84-го года. Там ток покоя был ещё меньше, но на звук сбегался весь пляж ;-)))
ай молодца!!! Вот кто фишку рюхает!
Как верно схвачена идея. И ток не жрет и играет чистейшим звуком. Что в те годы не смешивалось в одно, как вода с керосином.
Это примерно как у меня с Кубиком по Салтыкову, когда народ потянулся в лавку по динамикам - на звук.
 
ай молодца!!! Вот кто фишку рюхает!
Как верно схвачена идея. И ток не жрет и играет чистейшим звуком. Что в те годы не смешивалось в одно, как вода с керосином.
Это примерно как у меня с Кубиком по Салтыкову, когда народ потянулся в лавку по динамикам - на звук.
Вот она, схема-то:
Работал этот усил на выносную колонку на паре 15ГД-10, если мы ехали на машине. Или на одинокий 3ГД-42, если шли в поход пешком.
 
Кстати... 15 Ом. Практически 16. Тут недавно вспоминали про такое сопротивление для мистера Худа.

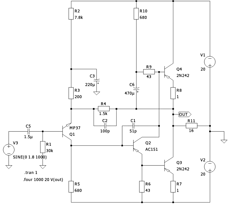
Итак, исполняю по заявкам радиослушателей: Uп = 40 В, Rн = 16 Ом (напоминаю: это всего лишь мат. модель, со всеми ее неизбежно сопутствующими издержками и вытекающими).

Номиналы:
Снимок экрана в 2021-03-30 01-43-17.png
Режимы по постоянному току:
Uвых = 6,2 мВ (устанавливается подбором R2*)
Q4 = Iк Q3 = 440 мА
Q4 = Pк Q3 ~ 9 Вт
Q2 = 23 мА
Q2 ~ 0,5 Вт

Переход из класса A в класс AB происходит при амплитуде выходного сигнала 13,5 В:
Снимок экрана в 2021-03-30 02-01-16.png
Токи выходных транзисторов (резисторы R7 и R8):
Снимок экрана в 2021-03-30 02-03-43.png
Спектр гармоник (Кг = 0,28%):
Снимок экрана в 2021-03-30 02-08-34.png
Pвых = 5,6 Вт при Rн = 16 Ом.

Видимое ограничение выходного сигнала наступает при амплитуде Uвых > 15В (Pвых = 7 Вт). Ограничивается отрицательная полуволна:
Снимок экрана в 2021-03-30 02-16-53.png
Токи выходных транзисторов при этом:
Снимок экрана в 2021-03-30 02-19-24.png

И спектр гармоник (Кг = 0,88%):
Снимок экрана в 2021-03-30 02-26-53.png

Файл со схемой в формате LTspice (.asc) находится в прикрепленном ZIP-архиве.
 

Вложения

Последнее редактирование:
максимальное напряжение задается в диапазоне температуры корпуса до +55 градусов или +85 градусов на переходе, что говорит о пользе больших радиаторов.
Так и есть. С такими небольшими цифрами радиатор надо очень внимательно посчитать. Вполне реален отрицательный результат.
 
с питанием хоть от 8-ми батареек, хоть от автомобильного аккумулятора - Акулиничевский из 84-го года. Там ток покоя был ещё меньше, но на звук сбегался весь пляж ;-)))
Покажите схему пожалуйста, или поиск по каким фразам?


Концертный 304 убитый валяется с рабочим УНЧ
Можно ли его 1,5 Вт номинал как то увеличить
И пересадить на батареечный питание?
Темброблок там пассивный?
 

Статистика форума

Темы
3,304
Сообщения
263,009
Пользователи
2,544
Новый пользователь
vlad'mir
Назад
Сверху Снизу