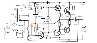
Германиевые УНЧ

вот вам хороший звук
 

Вложения

  • германий гибрид.png
    германий гибрид.png
    31.1 KB · Просмотры: 139
Что мы и делали начиная пацанами слушать музыку осознанно.
Вот моя осознанная музыка: 9й класс, 1971 год, Нота-М, усилитель из Радио, собранный на куске пластика с питанием от ТВК-70 .
 

Вложения

  • f.1970-02.069.jpg
    f.1970-02.069.jpg
    328.5 KB · Просмотры: 100
вот вам хороший звук
Хорошая схема, но ламп таких нет и выходных транзисторов.
Есть гу50, 6п3с, 6п7с, гу81м и ещё какие то пентоды, тетроды. Ламп всяких мешок 🙂
Сколько нужно напряжение раскачки от драйвера для первички ФИ трансформатора такого каскада на п210?
 

Вложения

  • 2025-08-04_18-07-40.png
    2025-08-04_18-07-40.png
    127.8 KB · Просмотры: 62
Хорошая схема, но ламп таких нет и выходных транзисторов.
Есть гу50, 6п3с, 6п7с, гу81м и ещё какие то пентоды, тетроды. Ламп всяких мешок 🙂
Сколько нужно напряжение раскачки от драйвера для первички ФИ трансформатора такого каскада на п210?
Схема Григорьева качает трансом выходную пару КТ908 с помощью комариной пары КТ315- КТ361. Вот пример грамотного решения.Сигнал возбуждения выходных транзисторов в данной схеме невелик. но вмешивается емкость переходов выходных транзисторов и паразиты самого трансформатора.
Из нашего германия П215 особенно с приемкой- лучше прочих. Если надо- дам адрес и телефон, там их валом и недорого. Фига вы вцепились в эти тормоза П210...
 
Последнее редактирование:
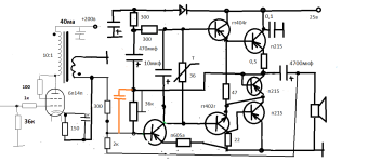
Хорошая схема, но ламп таких нет и выходных транзисторов.
она копеечная,можете 6п14п поставить
на выход можно п215 с квази выходом
гт703\705 могу продать за символическую сумму)так что отмазки не катят)))
 

Вложения

  • германий гибрид квази.png
    германий гибрид квази.png
    31.6 KB · Просмотры: 83
Вот моя осознанная музыка: 9й класс, 1971 год, Нота-М, усилитель из Радио, собранный на куске пластика с питанием от ТВК-70
Окончание первого курса, 1967 год, усилитель из Радио, 1965, №7, 5ГД-1РРЗ в дощатом чемодане без крышки (ОЯ!) с двумя 1ГД-9 (кажется), по бокам - это дома, проигрыватель Концертный, 4 скорости, пьезомоно.
В оркестре факультета - двухтактник на 6П14П и выходниках Днипро, доработка ЗУ-430, 80-тиваттник на четырех 6П3С с трансформаторной раскачкой.
Транзисторный еще в школе безнадежно проиграл макету лампового однотактника...
 
поймешь через пару лет, во что встрял, когда тонну меди выкинешь
Интересна многолетняя эпопея с подобными трансами у Suzan Parker

1976
beispiel7.jpg
 
Последнее редактирование:
Я в эти дни хапнул не глядя особо, проигрыватель с именем Akords , оказалось, дагестанский высер Рижской вертушки Akords Stereo. Чуть веру в человечество не утратил при виде такой мерзости . И усилитель там такого дикого наворота в плане схемотехники, что сижу и думаю: Ну и кто те люди, что писаются кипятком от звука советских проигрывателей типа Вега-101 или Аккорд-Стерео , когда на деле что схема ,что колонки -редкая порнуха, позорище. Тем не менее- прутся и доказывают . Значит, достойны такого звука, флаг в руки, барабан на шею, уперед и с пестней.
А в чем мораль- а в том, что не верится в суперзвук того Океана, когда я с ним в обнимку - весь колхоз провел, осенью, на картошке. И звук был так себе дерьмишко, шшшшш, и все.
Вот жалко я не дал послушать свой переделаный Аккорд. может позже срастется. Не уверен что прямо плеваться захочется. Современный хайрез на нем конечно не пойдет, но записи 70-80 х вполне приятно слушаются.
Всё можно переделать в лучшую сторону, при должном усердии.

IMG_20250417_101049_165@-832738777.jpgIMG_20250417_101136_511@2097394347.jpg
 
я бы выход аккорда на гт703\705 переделал там не сложно и радиаторы подойдут родные
 

Вложения

  • akkord-2.jpg
    akkord-2.jpg
    101.3 KB · Просмотры: 123
  • akkord-2.jpg
    akkord-2.jpg
    102.3 KB · Просмотры: 115
Насколько мне известно емкость в катоде, межкаскадная и блокировочная должны быть близкими к расчетным нельзя ставить по принципу чем больше тем лучше. Дело в том что через указанные емкости проходит переменный ток и в случаи без контрольного увеличения этих емкостей они просто не будут успевать перезаряжаться и вот тогда в звуке будет "мыло".
По идее её надо слух подбирать, заранее спаять цепочку разной ёмкости с выключателями и включать добавляя.
В промэлектронике 10000х6.3в стоит 10,68р, вообще копейки.
В катоде драйвера с микротоками и смещение от 1 до 4 вольт, они при большой ёмкости разряжаться будут долго и не успевание перезарядки не будет, только дозарядка. Я про электролиты имею ввиду, не плёнка в 10000мкф.

alq написал:
Почему в данном случае не подходит ионистор, какая причина? Казалось бы, он делает в точности то что нужно и лучше просто конденсатора, разве нет?

Нет, ионистор это как акб у него уже напряжение 5.5в, что даст сразу смещение на эту цифру, а если надо 2в в смещении, то куда 3.5в девать? Пусть будут, про запас? 🙂
 
alq написал:
Почему в данном случае не подходит ионистор, какая причина? Казалось бы, он делает в точности то что нужно и лучше просто конденсатора, разве нет?

Нет, ионистор это как акб у него уже напряжение 5.5в, что даст сразу смещение на эту цифру, а если надо 2в в смещении, то куда 3.5в девать? Пусть будут, про запас? 🙂
Это максимальное для него напряжение. Насколько его зарядите, такое оно и будет, также как конденсатор. Сам он напряжение не генерирует, это не батарейка 🙂
Надеюсь ещё успеете прочитать этот коммент.
 
Это максимальное для него напряжение. Насколько его зарядите, такое оно и будет, также как конденсатор. Сам он напряжение не генерирует, это не батарейка 🙂
Надеюсь ещё успеете прочитать этот коммент.
Успел прочитать.
Не знаю на счет ионисторов в катоде, с моей точки зрения, это не надёжная приблуда, проще конденсаторы поставить, 10шт в параллель -100000мкф, понадёжней будет.

Почему в эмиттеры практически ни кто не ставит конденсаторы?
Можно ли смещение германиевых транзисторов сделать светодиодом или стабилитроном и зашунтировать конденсатором?
 
Смещение в эмиттер ставят при необходимости, шунтируют достаточной емкостью .Светодиоды и стабисторы не принято шунтировать в силу малого динамического сопротивления. Неразумно ставить светодиод и цеплять ему банку в сотни тысяч мкф. (а потом изображать прорыв в звучании) Хотя, для здоровой дури нет преград.
Добавлю, что некоторые возможные изменения в звуке не факт, что навсегдашние, вероятен вариант напиливания и насверливания ушей при длительном прослушивании с последующим тихим возвратом к прежнему состоянию.
Из реально услышанных измерений в звучании, подтвержденных замерами, была возня с драйверной лампочкой 6С7Б. Рассчитанный по ВАХам режим совпал с расчетным, но радость была недолгой, звук оказался чрезмерно детальным и непривычным. Спектр выдал завышение нечетных гармоник. Накрутив режим иначе, получил привычный триодно-спадающий спектр, красивое сбалансированное звучание без присвиста и снежной пурги в лицо. Звук устроил надолго.
 
Последнее редактирование:
Можно ли смещение германиевых транзисторов сделать светодиодом или стабилитроном и зашунтировать конденсатором?
не нужно тк светодиод ухудшит термостабильность и без того низкую у германия(уже будет два перехода в эмиттере),светодиод можно не шунтировать совсем особенно если каскад под общей оос,а вот в исток джифета можно ,тк у джифета сопротивление перехода наоборот увеличивается при повышении температуры
если каскад под общей оос можете совсем не заморачиваться с типом шунтирующего кондера,это имеет смысл(качественный кондер) только в каскадах без общей оос
 
Германиефилы, почему молчим?
Есть вопросы. Хочется получить... не по роже, а желательно полезные советы. Итак трошинский усь на "дубовой", но такой загадочной П210. Знатоки утверждают, что всё как бы ничего, но коррекция сделана коряво. В частности величина С5 явно избыточна, с вытекающими последствиями (а кстати, какими?). Понятно, что нужно уменьшать. Как с помощью генератора и овцелографа это правильно сделать. Какой частоты меандр подавать и какой его вид на выходе должен быть?
Напомню схемку:
 

Вложения

  • Усь Трошина на П210.jpg
    Усь Трошина на П210.jpg
    100.3 KB · Просмотры: 121
Знатоки утверждают, что всё как бы ничего, но коррекция сделана коряво.
Согласен.
Но с моей стороны предложений\советов в этой части не будет. Пока.
Соглашусь однако, что коррекция - "странная".

Замечание - напругу снизить надо до +\- 20 Вольт, нехрен рисковать ГТ-шками.
По личному убеждению - П210 можно применять только с раскачкой трансом, о чём, впрочем, многие знают..
 
Согласен.
Но с моей стороны предложений\советов в этой части не будет. Пока.
Соглашусь однако, что коррекция - "странная".

Замечание - напругу снизить надо до +\- 20 Вольт, нехрен рисковать ГТ-шками.
По личному убеждению - П210 можно применять только с раскачкой трансом, о чём, впрочем, многие знают..
Все правильно в схеме Трошина. Недавняя попытка сделать что-то приличное на выходных германиях одной проводимости по квазикомплементарной схеме привела к подобной коррекции одного выходного плеча . И поскольку разисторная нагрузка драйвера была низкоомной, то емкость коррекции вываливалась под 10 нан. Та же штука есть в усилителе с трансформаторной раскачкой, к-б выходников шунтированы конскими кондерами. Уменьшил емкость- импульсу сильно получшело. Там вообще было все удавлено ни в какие ворота рамок.
 
Последнее редактирование:
Дык вопрос в том, на сколько нужно уменьшать (контролируя форму меандра на выходе)?
 

Вложения

  • германий от кремния.jpg
    германий от кремния.jpg
    332.5 KB · Просмотры: 124
термостабилизация так лучше.
БДЫ88 американские, древние , их найти сегодня- не знаю, какую везуху надо поймать. Обычные составники -Дарлингтоны без вывода базы мощника на улицу. Нет простора для маневра.
 
Германиефилы, почему молчим?
Есть вопросы. Хочется получить... не по роже, а желательно полезные советы. Итак трошинский усь на "дубовой", но такой загадочной П210. Знатоки утверждают, что всё как бы ничего, но коррекция сделана коряво. В частности величина С5 явно избыточна, с вытекающими последствиями (а кстати, какими?). Понятно, что нужно уменьшать. Как с помощью генератора и овцелографа это правильно сделать. Какой частоты меандр подавать и какой его вид на выходе должен быть?
Напомню схемку:
При таком размере С4 - С5 может не понадобиться. Или наоборот. Хотя наоборот я бы осторожно вертел бы. очень осторожно.
 
Что-то все такие осторожные...
Ну ладно, должна же быть какая-то общепринятая метода подгонки этих кор.емкостей. Может в книге какой есть описание или на форумах, как это практически делать. Или +-50% от расчетного значения особой погоды не сделают?
 
Благодаря покойному Робертовичу, его схема в этой теме уже почти икона. Интересно не просто копировать, а дошлифовывать эту коррекцию в готовом изделии практиццески...
 
дались вам эти 210,но если уж делать то оставить только ВК ,перевернуть полярность и сделать дифф на кремнии и УН на п609а,но я не сторонник диффа в таких схемах ,каскод гт311и+кп303 проще и лучше
а еще лучще акустикой займитесь а не дрочкой с германием,я понял ту только пустой треп,никто ничего не паяет ,,,,так попиздеть тема
насчет коррекции-п210 годятся только на нч канал поэтому ставьте конского миллера и постепенно его снижайте пока не засвистит,потом добавите обратно немного и все
а Трошину передайте что его схема гавно,дифф на нч германии и 404 в уне только долбоебы ставят
 
Последнее редактирование:
дались вам эти 210,но если уж делать то оставить только ВК ,перевернуть полярность и сделать дифф на кремнии и УН на п609а,но я не сторонник диффа в таких схемах ,каскод гт311и+кп303 проще и лучше
а еще лучще акустикой займитесь а не дрочкой с германием,я понял ту только пустой треп,никто ничего не паяет ,,,,так попиздеть тема
насчет коррекции-п210 годятся только на нч канал поэтому ставьте конского миллера и постепенно его снижайте пока не засвистит,потом добавите обратно немного и все
Эта тема для подбора вариантов, кому чего и на чём.
Вариантов много, глаза разбегаются.

Если драйвер двухкаскадный на лампах для ВК на п210, куда ставить межкаскадный ФИ трансформатор, в анод или в катод?
Примерно так, вместо выходного трансформатора?
Лампы будут 6ж1п в триоде и 6с19п с питанием примерно 80-100в для 6с19п.
 

Вложения

  • загруженное.gif
    загруженное.gif
    6.3 KB · Просмотры: 77
Структуру ВК я показал , как раз для германия , а какие там БДЫ стоят - у кого , что завалялось за 40 - 50 лет и П2ХХ е - только в сабвуфер , а там и коррекция не важна.Что там выслушивать - то?Если сейчас и стал бы применять , то из мощных - только ГТ901 - 906

Что-то все такие осторожные...
Ну ладно, должна же быть какая-то общепринятая метода подгонки этих кор.емкостей. Может в книге какой есть описание или на форумах, как это практически делать. Или +-50% от расчетного значения особой погоды не сделают?
У вас наверное много П210 , но вот подобное не даст им никаких шансов на использование https://aliexpress.ru/item/10050078...tm_content=2&utm_medium=cpa&utm_source=aerkol
 
Что-то все такие осторожные...
Ну ладно, должна же быть какая-то общепринятая метода подгонки этих кор.емкостей. Может в книге какой есть описание или на форумах, как это практически делать. Или +-50% от расчетного значения особой погоды не сделают?
Отсутствие возбуда, затухающего колебания на полке меандра, пиков на фронтах, правильная форма меандра.
 
..я понял ту только пустой треп,никто ничего не паяет ,,,,так попиздеть тема
насчет коррекции-п210 годятся только на нч канал поэтому ставьте конского миллера и постепенно его снижайте пока не засвистит,потом добавите обратно немного и все
а Трошину передайте что его схема гавно,дифф на нч германии и 404 в уне только долбоебы ставят
На германии я только Худа собрал и корректор для винила. И то и другое особо не впечатлило, так чтобы "ах да ох". Но пока германческую тему для себя полностью не закрыл. Попробую ещё УНЧ на нём в АВ классе, а там поглядим. Может всё полетит в ведро, а может и нет...
 

Статистика форума

Темы
3,196
Сообщения
248,065
Пользователи
2,455
Новый пользователь
Станислав В..
Назад
Сверху Снизу