Германиевые УНЧ

ПС. Завидую вам, вы играете тихую музыку и вам хватает куриной мощности , даже много. Динамик от телевизора 3ГД38-е туда будет в самый раз, он ясный и сбалансированный. И германиевый унч ему в пару самое то.
Нет нет динамики нормальные нч гитарники или неодим Урал булава как в этом видео -преамп индусы собрали куча земляных петель, оконечный тпа 3118 d2 pbtl режим, динамик Урал булава нео
 
Нет нет динамики нормальные нч гитарники или неодим Урал булава как в этом видео -преамп индусы собрали куча земляных петель, оконечный тпа 3118 d2 pbtl режим, динамик Урал булава нео
Значит. я не понял всего.
 

Polarization Symmetry OCL Circuit 3AD6 3AD50 3AD30 3AD55 Germanium Tube 20W*2 Stereo Audio Amplifier Board​

"Германиевый" усилитель с Али (только выход, остальные кремний)- в пять раз дороже "чисто кремниевого":)

S32a5b111906448bfafd207d2fd5b60acN.jpg

 
Последнее редактирование:
Не сравнить с этим, можно вых. германий, хоть кремний
 

Вложения

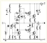
  • Sixties-style-40-W-Audio-Amplifier.jpg
    Sixties-style-40-W-Audio-Amplifier.jpg
    90.9 KB · Просмотры: 419
Як, як як ;)
Ще посперечайтесь, чий підсилювач кращий. Худа, чи Ліна.
 
Последнее редактирование:
По наследству достался усилок, как я понял, на местном заводе клепали. Двухтакт, на выходе п216в. Есть и другой германий маломощный. Схема неизвестна.
Разберу на детали.
 

Вложения

  • IMG_20230810_110412.jpg
    IMG_20230810_110412.jpg
    399 KB · Просмотры: 287
  • IMG_20230810_110405.jpg
    IMG_20230810_110405.jpg
    580.8 KB · Просмотры: 318
По наследству достался усилок, как я понял, на местном заводе клепали. Двухтакт, на выходе п216в. Есть и другой германий маломощный. Схема неизвестна.
Разберу на детали.
А может починить? Всё таки историческая реликвия, а вы его на детали. Это прям варварство какое то)
 
БМТ-2 заменить что нибудь приличное, даже к73-17, к50-6 менять без разбора, а там посмотрим что есть ху. Похоже на Вегу-101
 
Ростовский опытный завод?
Технологически похож на их изделия.
Нет. Макеевка. МАЕЗ . Думаю это было не официальная продукция, а просто делали время от времени для своих, кто попросит.
Там на заводе выпускались трёхпрограммники, делались свои плохонькие динамики для них.
Мне друг, инженер, бывший работник оттуда сказал что нет смысла в восстановлении, полоса радиоточки.
 
Последнее редактирование:
п216 меням 1:1 на п214, лучше п215, и новый усилок
 
Ну так а 22 вольтовый усилок от 24 вольт выживет?
Он кстати под 4 ома нагрузку же?
10% кни там кстати иду на 3вт на нч, ну сейчас без смены конденсаторов на слух
По поводу УНЧ концертный 304 все его искажения на максимальной громкости при добавлении низких частот
Там подсирает это абсолютно нормальная ситуация так или можно менять какие-то кондёры чтобы запас по нч был больше?
 
По поводу УНЧ концертный 304 все его искажения на максимальной громкости при добавлении низких частот
Там подсирает это абсолютно нормальная ситуация так или можно менять какие-то кондёры чтобы запас по нч был больше?
не поможет замена кондеров, питание куриное.
 
Давно присматривался к этой схеме, все руки не доходили, а теперь собрал и слегка охренел, как душевно поет. Буду засовывать в корпус.
 

Вложения

  • 154496038516121192.jpg
    154496038516121192.jpg
    117.3 KB · Просмотры: 582
Буду засовывать в корпус.
К вашему "Беслику" можно попробовать добавить составной п-н-п кремний (КТ835, КТ837,КТ818) для повышения нагрузочной способности (Б-на эмиттер П605; Э-на другой конец резистора 1 ом R15\R17; К-К на том же радиаторе)
 
Нормальный усь, ничего не надо. Пускай все кому и делают мощу
 
К вашему "Беслику" можно попробовать добавить составной п-н-п кремний
Не, не буду. Тут у меня возник вопрос, сейчас на макета стоит фильтр БП из 12000 мкф, а какая разумная достаточность емкости фильтра для такого усилителя. 3300 мкф мне кажется маловато, а вообще надо попробовать.
 
Не, не буду. Тут у меня возник вопрос, сейчас на макета стоит фильтр БП из 12000 мкф, а какая разумная достаточность емкости фильтра для такого усилителя. 3300 мкф мне кажется маловато, а вообще надо попробовать.
Самое простое на слух нет фона тогда ок. По фен-шую смотрим по анализатору спектра 50 и 100 Гц ниже -70дб неслышно
 
3300 мкф пойдет, можно 4700 мкф, не услышите
 
какая разумная достаточность емкости фильтра для такого усилителя
У вас однополярное питание (земляная шина - она же силовой (-)). Высокая вероятность образования "земляных петель" в стереоварианте.
Разделить силовую и сигнальную землю. Фон может быть по этой причине, а не от недостатка ёмкости. Можно использовать ИБП на 24в на 4а. Двойной моно.
Аналогичная схема использовалась в комбайне (МЦ) "Россия" - можно подсмотреть там.
 
Последнее редактирование:
Давно присматривался к этой схеме, все руки не доходили, а теперь собрал и слегка охренел, как душевно поет. Буду засовывать в корпус.
Как схема называется?
 
Долго смотрел на эту схему (diyaudio.com), периодически возвращаясь и решая, делать или нет? Отзывы противоречивые, а это всегда настораживает. Пишут что 4 Вт хорошего звука, по мне если нет восторженных воплей, или хотя бы нескольких восклицательных знаков, то и делать не стоит.

Потребность была озвучить акустику молчащего радиоприемника. Плату разработал под имеющиеся детали, настройка примитивная, выставил половину напряжения и все. В этом плане надо признать схема удачная.

Слушал много, разные станции, и записи, меняя акустику. Как вывод, делать можно в качестве пристройки для радиоприемника, но не для прослушивания музыки, нет воздуха, прозрачности. Радиатор 530 кв.см. горячий как кипяток, нужен вентилятор, либо еще увеличивать площадь охлаждения.

Месяц сопротивлялся холодный разум против эмоций (левое полушарие головного мозга над правым), эмоции пересилили, потратил время и деньги. Прослушивание убедило в том, что надо слушать разум, экономия налицо.

Чем больше я узнаю транзисторы, тем больше мне нравятся лампы.
 

Вложения

  • УМЗЧ на 2SC5200 плата распаяна.png
    УМЗЧ на 2SC5200 плата распаяна.png
    252.3 KB · Просмотры: 214
  • УМЗЧ на 2SC5200 плата.png
    УМЗЧ на 2SC5200 плата.png
    41.2 KB · Просмотры: 333
  • УМЗЧ на 2SC5200.png
    УМЗЧ на 2SC5200.png
    53.7 KB · Просмотры: 367
  • УМЗЧ на 2SC5200 макет усилителя.png
    УМЗЧ на 2SC5200 макет усилителя.png
    528.2 KB · Просмотры: 354
Долго смотрел на эту схему (diyaudio.com), периодически возвращаясь и решая, делать или нет? Отзывы противоречивые, а это всегда настораживает. Пишут что 4 Вт хорошего звука, по мне если нет восторженных воплей, или хотя бы нескольких восклицательных знаков, то и делать не стоит.

Потребность была озвучить акустику молчащего радиоприемника. Плату разработал под имеющиеся детали, настройка примитивная, выставил половину напряжения и все. В этом плане надо признать схема удачная.

Слушал много, разные станции, и записи, меняя акустику. Как вывод, делать можно в качестве пристройки для радиоприемника, но не для прослушивания музыки, нет воздуха, прозрачности. Радиатор 530 кв.см. горячий как кипяток, нужен вентилятор, либо еще увеличивать площадь охлаждения.

Месяц сопротивлялся холодный разум против эмоций (левое полушарие головного мозга над правым), эмоции пересилили, потратил время и деньги. Прослушивание убедило в том, что надо слушать разум, экономия налицо.

Чем больше я узнаю транзисторы, тем больше мне нравятся лампы.
Не совсем понятно почему про кремневый усь на писали в германиевой теме. Ну да ладно, был у меня опыт использования с5200 (куплены в ЧИПе) в схеме JHL так вот звук был такое впечатление что закручены в ноль тембры не мог поверить своим ушам поставил С5198 и всё стало на свои места. Так что у вас есть ещё попытка.
 

Статистика форума

Темы
3,296
Сообщения
262,428
Пользователи
2,544
Новый пользователь
vlad'mir
Назад
Сверху Снизу