Meshin
1 ранг
- Регистрация
- 16 Июл 2020
- Сообщения
- 6,917
- Реакции
- 10,242
- Баллы
- 336
- Страна
- Россия
- Имя
- Игорь
Как я уже где-то на форуме сообщал, что прикупил акустику: "Pioneer CS-8". Едет ТК "Деловые Линии". Обещали 04,02,23 доставить до терминала. Но пока сомневаюсь. С продавцом общение было приятным. По моей просьбе были предоставлены фото обеих АС.
Предоставлю их вам (кому интересно конечно же) и я.

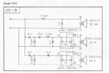
3-полосная закрытая система полочного типа
Низкий диапазон: 30 см конусного типа (модель 30-19F-2) Кобальт/бумага/ткань.
Средний диапазон: 5 см купольного типа (модель DS-4) Кобальт/бакелит,
Высокий диапазон: 2,5 см купольного типа (модель DS-5) Кобальт/бакелит.
Полоса частот воспроизведения от 35 Гц до 20 000 Гц
Максимальный ввод 50 Вт
импеданс 8 Ом
Уровень выходного звукового давления 98?/Вт/м
размер Ш360мм?В630мм?Г330мм
масса 20 кг
Корпус набран в толщину из тонкослойной ДСП. Шпонированный. Декоративная сетка не съёмная.
Когда акустика приедет - буду потихонечку её исследовать.
P.S. А ведь всё началось с поиска акустики: "Pioneer CS-53/55" в достойном состоянии, но с ней любви не сложилось.
Предоставлю их вам (кому интересно конечно же) и я.

3-полосная закрытая система полочного типа
Низкий диапазон: 30 см конусного типа (модель 30-19F-2) Кобальт/бумага/ткань.
Средний диапазон: 5 см купольного типа (модель DS-4) Кобальт/бакелит,
Высокий диапазон: 2,5 см купольного типа (модель DS-5) Кобальт/бакелит.
Полоса частот воспроизведения от 35 Гц до 20 000 Гц
Максимальный ввод 50 Вт
импеданс 8 Ом
Уровень выходного звукового давления 98?/Вт/м
размер Ш360мм?В630мм?Г330мм
масса 20 кг
Корпус набран в толщину из тонкослойной ДСП. Шпонированный. Декоративная сетка не съёмная.
Когда акустика приедет - буду потихонечку её исследовать.
P.S. А ведь всё началось с поиска акустики: "Pioneer CS-53/55" в достойном состоянии, но с ней любви не сложилось.

























