Pioneer CS-8

  • Автор темы Автор темы Meshin
  • Дата начала Дата начала
У себя дома пробовал на пищалки 3,9 на всех сильно ярчит как бы захватывает верхнию середину, а 4,7 ваще жесть на пищалках.
Почти всегда на схемах использую до 3,3мкф это потолок.
 
На данный момент на ВЧ первым установлены на 3,7 мФ К73-11. Можно найти на 3,3 неполярный.
Вчера лично попробовал К76П-1 на 2,2 мкф в кубиках Салтыкова при индуктивности в 0,3 мГн и 1 ом давилка, пищалки с Техникса муз. центра 8 ом 10 ватт бумажники.
Остался звуком доволен, так и оставлю!
 
Вчера лично попробовал К76П-1 на 2,2 мкф в кубиках Салтыкова при индуктивности в 0,3 мГн и 1 ом давилка, пищалки с Техникса муз. центра 8 ом 10 ватт бумажники.
Остался звуком доволен, так и оставлю!
какая частота раздела получается ?
чтоб СЧ подрезать правильно
 
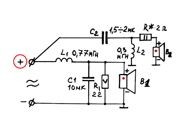
Схема двух полоски от Салтыкова подходит к многим динамикам.
Схема кубиков Салтыкова.png
НЧ: 4 ом
ВЧ: 8 ом
Использовал её в колонках Диалог которые тыловые, зазвучали не хуже Радиотехники S30B!
При корпусе в два раза меньше.
 
Это при смене порядка вч фильтра:
pioner_cs8_all Filter.png
Вот на такие изменения в фильтре
img-1-wDWToo37Np.png
Некий симулятор показал
script.png
Поэтому я и спрашивал про фазировку ВЧ головки.
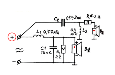
Начну с простого - с оригинального фильтра.
 
.

Индукция в зазоре данной СЧ головки, в разных местах зазора так же несколько различна
Посмотреть вложение 59679 Посмотреть вложение 59680
Динамик собран без последствий для его здоровья.
Предполагаю, что динамики ВЧ и СЧ в свих парах близки по возможностям МС.
Разница в показаниях - максимальная по всему кольцу зазора?
МС скобообразная, по линии скобы индукция по-идее должна быть больше, чем где скобы нет.

С такими ВЧ и СЧ головками не менял бы порядок фильтров с третьего на первый, и даже на второй.
Оставил бы как есть.
На средних громкостях на низком порядке можно нарваться на слышимые сильные искажения. Но хозяин-барин.
Судя по конструкции, СЧ и ВЧ головки с высокой механической добротностью.
 
Последнее редактирование:
МС скобообразная, по линии скобы индукция по-идее должна быть больше, чем где скобы нет.
Примерно так и есть. Переход в зазорах плавный от малого к большему. Я взял крайние точки.
 
Интересно будет набирать статистику по ходу работ, по скобоообразным МС и распределению индукции в зазоре. В данном случае разница в индукции небольшая, всего 2,4 %.
Т.е. скобообразные МС вполне имеют право на жизнь в высококачественных системах.
Есть смысл оставлять верхний фланец круглым, при проектировании такой МС с нуля.
 
Последнее редактирование:
Отверстия-то ладно. Дело в скобе-магнитопроводе. Разный путь силовых линий там где она есть, и там где скоба не примыкает к верхнему фланцу.
Верхний фланец у обычных скобоообразных МС прямоугольный в плане.
 
В этот выходной сподобился.
Перво-наперво, заделал щели между бумажными секторами-уплотнителями. Обычными спичками и клеем ПВА
IMG_20230326_122333.jpg IMG_20230326_122340.jpg IMG_20230326_122354.jpg IMG_20230326_122403.jpg IMG_20230326_123134.jpg IMG_20230326_123157.jpg
После схватывания клея, спички срезал обычным канцелярским ножом заподлицо с уплотнителями
IMG_20230326_161154.jpg IMG_20230326_161200.jpg IMG_20230326_161205.jpg IMG_20230326_161553.jpg IMG_20230326_161601.jpg IMG_20230326_161610.jpg
Все отверстия для крепления задней стенки так же уплотнил спичками и клеем ПВА. Несколько позволяли шурупам вращаться свободно
IMG_20230326_165809.jpg
Металлическую обечайку с фронтальной стороны акустики промыл до возможного блеска котовых яиц.
IMG_20230326_165958.jpg
Тот уплотнитель, который был приклеен ранее, оторвал и приклеил другой. Более тонкий. По очереди прикрутил все динамики в оба корпуса
IMG_20230326_165748.jpg IMG_20230326_165923.jpg
Примерил рамку-гриль
IMG_20230326_170038.jpg IMG_20230326_170047.jpg
Придётся на их верхние части приклеить тонкие полоски крупноячеистого поролона или пенополиэтилена. Тогда рамки будут стоять насмерть. Как пуговицы!
На задние панели с фильтрами не хватило времени.
 
На той неделе увидел в витрине магазина "Марья Искусница" упакованный в мешочки отрезки синтепона. Зашёл и купил два рахзмером 1,0 х1,5 метра и плотностью 150 гр/м.кв.
IMG_20230328_192519.jpg IMG_20230328_192530.jpg
Расстелил один из кусков на пол
IMG_20230328_192549.jpg
Достал из пакета одну часть (для одной АС) минваты
IMG_20230328_192613.jpg
Закрутил в плоский рулон
IMG_20230328_192630.jpg
и обычным степлером скрепил торцы и длинную часть синтепона
IMG_20230328_192215.jpg IMG_20230328_192218.jpg
И готовые
IMG_20230328_192903.jpg IMG_20230328_192908.jpg IMG_20230328_192913.jpg
Прибрал. Скоро будут в корпусах Пионеров.
 
Последнее редактирование:
Минвата в строительном пропала?
 
Минвата в строительном пропала?
Наверное есть, но она мне неинтересна. Как-то раз покупал специально для акустики несколько упаковок - не понравилась. Отдал товарищу на утепление ворот гаража. Не нравится и по сей день.
Эту, пионеровскую, хотел в марлю завернуть, но попался синтепон.
Так как при предварительном прослушивании, до разборки акустики, как бы ощущался недостаток звукопоглотителя (влияние фильтра пока исключаю), то и клюнул на синтепон.
Никогда не поздно минватовые маты выдернуть из синтепона.
 
По-идее, многослойный поглотитель работает лучше однородного.
Заготовил немного плит из базальтового ультратонкого волокна. Измерения покажут, как работает.
Естественно, минерально-волоконные только для ЗЯ.
В ФИ вату, синтепон, или что-то вроде них.
 
Была у меня акустика "Сoral CX-7". ЗЯ. Там вообще было три типа звукопоглотителя. Причём достаточно плотно набитого. Видимо из-за НЧ головки.
"Technics SB-501", ЗЯ тоже с очень плотно набитым корпусом. Но там, что-то типа синтепона.
 
Не забуду плотную набивку корпуса стекловатой в Peerless-1120.
Правда, она там была весьма хрупкая, мало колючая.
 
Не забуду плотную набивку корпуса стекловатой в Peerless-1120.
Это да. Вне зависимости от того Датская это была акустика или Индийская. Были оба комплекта. С Индийского динамики продал. Корпуса по сей день на даче притырены. Фильтра где-то в гараже.
 
Минвата работает лучше синтепона, если положим в одинаковом количестве заполнив 50% ящик то минвата на порядок эффективнее, на трубе есть тест поглотителей.
минвата утеплитель Isover.jpg
минвата утеплитель Isover
 
Вчера нашлось время. Приклеил дополнительные прокладки на сетки-грили
IMG_20230402_112403.jpg IMG_20230402_112431.jpg
Теперь эти сетки ни в коем разе не вывалятся. Встают туго. Конечно со временем прокладки подожмутся, но думается мне, что сетки будут сидеть всё так же плотно.
Прогнал все динамики в корпусе АС измерителем иммитанса
IMG_20230402_112610.jpg
Сначала с сеткой-грилем, потом без неё
IMG_20230402_114027.jpg
Третье измерение уже со звукопоглотителем.
IMG_20230402_113416.jpg
Но без задней стенки. ВЧ/СЧ динамики фактически не изменили свои R/L, а вот НЧ динамики слегка меняли показания.
На 1000 Герцах, без сетки / с сеткой / со звукопоглотителем
№1 R = 9,4 ома / 9,6 ома / 9,5 ома. L = 0.99 mH
№2 R = 9,7 ома / 9,7 ома / 9,8 ома. L = 0.98 mH
 
Братья и сестры.... smile_29
Наконец-то в субботу, ближе к вечеру, запустил я эти Пионерчики. smile_23Пока уезжаю. Позже отпишусь.
P.S. На данный момент, Карен Соуза уносит своим медовым голосом в состояние эйфории.
 
Так пончял, на стенках заводской ватин, а весь обьем в окончательном варианте плотно заполнен одним синтепоном?
 
а весь обьем в окончательном варианте плотно заполнен одним синтепоном?
Нет, не весь. И не плотно. Внутри смесь звукопоглотителей. Родная минвата и синтепон не очень большой плотности. #106. Скручены не в натяг.
Внутренний объём орпуса, на память, 57 литров. Сколько литров занимает звукопоглотитель я не измерял. Литров может 35.
 
Последнее редактирование:
Охотно верю в их звук.
Купольная середина, кобальт, КЗ витки во всех МС.
И не чайна.
 

Статистика форума

Темы
3,295
Сообщения
262,404
Пользователи
2,545
Новый пользователь
vlad'mir
Назад
Сверху Снизу