Meshin
1 ранг
- Регистрация
- 16 Июл 2020
- Сообщения
- 6,917
- Реакции
- 10,242
- Баллы
- 336
- Страна
- Россия
- Имя
- Игорь
Такие МС во всех трёх динамиках. НЧ не вскрывался.кобальт, КЗ витки во всех МС.
СЧ #81 / ВЧ #78. КЗ витков нет ни в одной из МС.
Ну да. Какая же Чайна могла быть тогда, когда выпуск этих АС конец шестидесятых.И не чайна.
Китайцы термосы, эмалированные тазики, зонтики, полотенца, кеды, нижнее тёплое бельё, фонарики качественно делали.
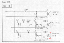
На одной из АС, а точней на левой, ничего в родном фильтре по схеме не менял. №1Наконец-то в субботу, ближе к вечеру, запустил я эти Пионерчики.

Полярность подключения ВЧ головки к фильтру в реальности не совпадает с указанной на схеме. (+) к фильтру, (-) - общий. Так и оставил.
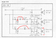
Вторая АС - правая уже с изменением. Оно такое №2

Именно такое соединение мне больше понравилось при отработке на столе. Когда задняя панель открыта взору и к ней подключены все динамики.
Собранная акустика расставлена

подключена и подан музыкальный сигнал. Что-то из современного кислотного джаза. С компа сигнал по цифре на усилитель. На АИМПе тембра отключены. Балансом проигрывателя поёрзал лево/право.... На правой АС на низах, стыке с СЧ вроде всё нормально, но как-то не очень. Как будто, что-то вроде небольшой ямки.
На левой АС в этой части НЧ/СЧ всё брутально. Даже чуток больше чем хотелось бы или как привык.
На правой АС верхняя середина чуть ядовитей и ВЧ кажутся надсадными.
На левой АС со стыком СЧ/ВЧ всё хорошо.
Поэтому, ещё надеясь на чудо (в смысле, что СЧ будет лучше в схеме №2). Ничего не меняя в СЧ, на ВЧ вернул стоковую схему

Вроде стало лучше. Мягче, плотней. Но левая, с заводским фильтром всё же звучала как-то более собранно. Ровней и ближе к жизни. При всём при том, на обеих АС наблюдался некий подъём в области 70....200 Герц. Хотя на правой АС (с изменённым фильтром) это выглядело не так явно как на левой АС. Это не был гул или бубнение. Просто басовая составляющая сигнала была жёстче, крепче, чем скажем на Denon SC-106. Все три АС: Самоделки, Денон и Пионеры попеременно переключались коммутатором выхода усилителя.
Когда у меня уже начала протекать крыша, я решил, что правую АС надо возвращать в такое же состояние как и левую. Т.е. к заводской схеме фильтра. Ибо нех...
На правой АС все "неисправности" фильтра были устранены. Заодно, типа, "Моей попытки №5", в катушки НЧ фильтра обеих АС были вклеены заранее подобранные по длине ферритовые стержни диаметром 10,0 мм. Родную индуктивность катушек в 2,3 мГ (0,9 ома) эти отрезки поднимали до 3,3 мГ не изменяя сопротивления (0,9) ома на частотах измерения (доступные 100 и 1000 Герц).родные фильтра наверно грамотные люди рассчитывали, еще на логарифмических линейках.
Всё было собрано и на акустику подан музон... Лёд тронулся!
Живенько, плотно и смачно. С хорошим разделением. Без всякого наезда друг на друга по полосам, колоночки запели. Жёсткость НЧ составляющих поубавилась и в звучании АС добавилось некая мягкость.
На следующий день, в воскресенье, почти с самого утра, начался гон...
Сетки-грили

Были сняты

Всякая разная музыка, с разными уровнями громкости, меня убедила в том, что с катушками индуктивности НЧ фильтра я поступил правильно подняв их индуктивность до 3,3 мГ.
Подключенный эквалайзер АИМПа выявил - и дополнительный звукопоглотитель (больше и не нужно, а уменьшение под сомнением), и катушки большей индуктивности в НЧ части фильтра только на благо от изначального состояния АС. Все частоты регулировки от 87 Герц и до 500 Герц в пределах "0....+12 дБ" мало что меняют.
Манипуляции регулятором частоты в 63 Герца уже более значительны в отличие от упомянутых.
Регулятор 31 Герц - чувствуется некий подъём жирности звучания. Всё это в совокупности привело меня к мысли, что в фильтре НЧ требуется замена катушки на катушку с меньшим сопротивлением.
Заводская попадает в 10% от импеданса НЧ головки. Если её сопротивление будет равно 5% от импеданса НЧ головки, то и звучание АС станет более фундаментальным. НЧ, по звуковому давлению подравняется к СЧ которая довлеет над всем в этой акустике. L-Pad на СЧ в положении "Норма", на ВЧ фактически на максимуме. И с этим ничего не поделать. При фактически одинаковой индукции в зазорах обеих головок, диаметры катушек различаются в два раза. ВЧ - 1", СЧ - 2". Подвес излучателя у СЧ головки значительно превосходит по мягкости подвес ВЧ головки. Про вес молчу. Ибо разбирать полностью головки ради выявления их веса я не готов ни целиком, ни полностью.

Резюмирую на остатках приобретённых впечатлений двух дневного и непрерывного прослушивания.
1, Катушку НЧ части фильтра, всё же желательно заменить на катушку с меньшим активным сопротивление. Катушки от фильтра S-90 вполне подойдут. Отматывается часть (примерно треть) витков до нужного Re. В середину каркаса легко войдёт любой увеличитель индуктивности.
2. С ВЧ головкой ничего невозможно сделать. (Хотелось бы поддать ей чувствительности). Но....
3. СЧ головка невероятна по звучанию. Передаёт малейшие нюансы музыкального сигнала ей доступные. С родным фильтром не ярчит, не капает ядом, не выедает мозг и уши. Не пи***т ни при каком уровне громкости.
4. Как зазвучат АС когда их приподнять над полом хотя бы сантимов на 30? Надо попробовать.
В общем и целом, в настоящем состоянии данная акустика: "Pioneer CS-8" достойна обожания. Изготовлена она в конце шестидесятых годов прошлого века. Приоритеты звучания как и сама музыка были несколько другой формации нежели сейчас. Но и нынешние жанры данным Пионерам по плечу, как собственно и по колено. smile_6















