Постройка басовой секции

  • Автор темы Автор темы Пётр
  • Дата начала Дата начала
Покемонообразные схемы позволяют очень удобно регулировать выходное сопротивление при приличной выходной мощности.
Так однотактный покемон на Гу50 легко выдавал 8 Вт при выходном сопротивлении 20 Ом. Уменьшить его до 3-х - 5-ти ом можно было просто повернув ручку регулятора в цепи обратной связи.
 
Я попробовал вариант с резистором 5 Ом последовательно АС. Вы были правы - само звучание с этим резистором стало лучше - бас стал более уверенным, интересным. Но - пришлось с источника подавать максимальный сигнал. Можно назвать как хотите: чувствительность/мощность в этом случае - была довольно низкой. Согласитесь, не совсем логично - делать двухтактник на 6П41С и иметь возможность снять с него на АС лишь 2-3 Вт.
Но это даже не главное. Главное другое - я получал ранее более привлекательный для себя вариант звучания макета (это были, как минимум - "лофтин-селфсплитт" на 6Н6П+6П14П и PP на 6Н1П (410В) + 6П41С (320В)). В связи с этим - я всё же хочу собрать и послушать вариант макета ECC85+6П41С, где питание выходного каскада будет порядка 320В, а драйвера +410В.
 
Похвальное упорство.
ИМХО, полезно всё привести к норме, начиная от АС, заканчивая трансформаторами.
Но это сугубо моё мнение.
 
Для Александра Сергеевича . Есть FW-20S . FW--50-3,5S Еще CDR-8. 2A3 . 300B . ГМИ- 6 . Александр Сергеевич для триста би что посоветуете?

В драйвере.

3.5 к на 4.8.16 ом

Прошу прощения если не этой теме.
 
Для Александра Сергеевича . Есть FW-20S . FW--50-3,5S Еще CDR-8. 2A3 . 300B . ГМИ- 6 . Александр Сергеевич для триста би что посоветуете?
3, 5 кила нагрузки для 300В это путь в никуда. Мощность вы получите, но какой ценой- высоченного выходного(аж страшно считать, там Ома 4 ) , и что потом включать к такому усилителю? 16-омный ширик разве что....
Оптимальным вариантом был бы 5-7 килоомный выходник с питанием 500 вольт на все, на выход и на драйвер, драйвер на 6SN7 по Джону Бруски. Тут многие с ним познакомились.
 
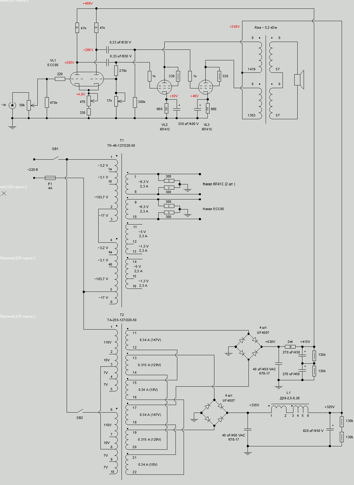
Собрал макет с участием ECC85 и 6П41С по аналогии с одной из наиболее понравившихся ранее схемы по звучанию. Схема макета, с реальными напряжениями (красным):
1.jpg

напряжения какие-то завышенные получились. Скорее всего - в момент замеров, было повышенное напряжение в сети.
Переменником в катоде ECC85 выставил одновременное наступление ограничений верхней и нижней полуволны на анодах этой лампы. Переменником в сеточном резисторе 6П41С - выставил наименьшие пульсации на катоде ECC85.
Посмотрел наступление ограничения на аноде выходной лампы. Ограничение верхней и нижней полуволны - наступали почти одновременно. На верхней полуволне искажения появлялись чуть раньше. Покрутил резистор в катоде 6П41С. При увеличении номинала (уменьшении тока через лампу) - ограничение верхней полуволны наступает раньше. То есть - чем больше ток через лампу, тем позже наступает ограничение. Оставил такой ток через лампу, чтобы на аноде примерно выделялось 18 Вт. Повторюсь - при этом ограничение верхней и нижней полуволны появляются примерно одновременно (ограничение верхней полуволны появляется чуть раньше).
Далее - замерил выходное сопротивление. При нагрузке 8,2 Ом выставил переменное напряжение на выходе 6,58 В. Затем, ничего не меняя - заменил нагрузку на 17,5 Ом. При этом напряжение на нагрузке поменялось на 7,61 В. По формуле посчитал выходное сопротивление: Rвых = 2,8 Ом.
Посмотрел спектр при выходной мощности 5,6 Вт (та же мощность, что на предыдущем варианте макета):
2.jpg

общий КНИ уменьшился с 2 до 1,4 %.
Далее стал определять максимальную мощность. Увеличивал сигнал на входе. Когда на спектре появилась значимая 7-ая гармоника, я посчитал, что вот она - максимальная мощность:

3.jpg

осциллограмма в этот момент выглядела так:
Изменение размера 5.jpg

Посмотрел на эффективное переменное напряжение на нагрузке в этот момент:
Изменение размера 4.jpg

так как сопротивление нагрузочного резистора 8,2 Ом, то максимальную мощность по результатам измерений я определил как 9^2/8,2=9,9 Вт.

Ещё раз подчеркну - что данная схема макета была составлена по аналогии с ранее понравившейся, отнесённой мною в разряд лучших, но с участием 6Н1П. Тогда было замечено - что хорошо бы поменять 6Н1П на ECC85. Александр Бокарёв привёз мне ECC85.
Пошёл слушать. С первых же звуков стало понятно, что звучание мне нравится. И есть важный факт: впервые на моей памяти, моя супруга заявила, что рок-музыка звучит лучше, чем на нашем SE. Это дорогого стоит.
Чувствительность схемы увеличилась, по сравнению с тем, когда была 6Н1П.
С удовольствием послушал рок, хоть и в одном канале. Для себя подметил - что приятно всё же осознавать, что УНЧ имеет большой запас по мощности - это как-то по взрослому. Думаю всё же - отдать предпочтение такому варианту макета, а не лофтин-селфсплитту на 6П14П. Преимущества данного варианта: общее мнение, что такая схема лаконична; имеет в 3 раза бОльшую мощность (на рок музыке - можно подемонстрировать это гостям); нет переживания, что выходные лампы могут выйти из строя, если "уедет" режим у первой лампы.
 
Пока не знаю. Нет определённости дальнейших действий. Думаю - поиск схемы макета завершить.
 
Собрал макет с участием ECC85 и 6П41С по аналогии с одной из наиболее понравившихся ранее схемы по звучанию. Схема макета, с реальными напряжениями (красным):
Посмотреть вложение 29123
напряжения какие-то завышенные получились. Скорее всего - в момент замеров, было повышенное напряжение в сети.
Переменником в катоде ECC85 выставил одновременное наступление ограничений верхней и нижней полуволны на анодах этой лампы. Переменником в сеточном резисторе 6П41С - выставил наименьшие пульсации на катоде ECC85.
Посмотрел наступление ограничения на аноде выходной лампы. Ограничение верхней и нижней полуволны - наступали почти одновременно. На верхней полуволне искажения появлялись чуть раньше. Покрутил резистор в катоде 6П41С. При увеличении номинала (уменьшении тока через лампу) - ограничение верхней полуволны наступает раньше. То есть - чем больше ток через лампу, тем позже наступает ограничение. Оставил такой ток через лампу, чтобы на аноде примерно выделялось 18 Вт. Повторюсь - при этом ограничение верхней и нижней полуволны появляются примерно одновременно (ограничение верхней полуволны появляется чуть раньше).
Далее - замерил выходное сопротивление. При нагрузке 8,2 Ом выставил переменное напряжение на выходе 6,58 В. Затем, ничего не меняя - заменил нагрузку на 17,5 Ом. При этом напряжение на нагрузке поменялось на 7,61 В. По формуле посчитал выходное сопротивление: Rвых = 2,8 Ом.
Посмотрел спектр при выходной мощности 5,6 Вт (та же мощность, что на предыдущем варианте макета):
Посмотреть вложение 29124
общий КНИ уменьшился с 2 до 1,4 %.
Далее стал определять максимальную мощность. Увеличивал сигнал на входе. Когда на спектре появилась значимая 7-ая гармоника, я посчитал, что вот она - максимальная мощность:

Посмотреть вложение 29125
осциллограмма в этот момент выглядела так:
Посмотреть вложение 29126
Посмотрел на эффективное переменное напряжение на нагрузке в этот момент:
Посмотреть вложение 29127
так как сопротивление нагрузочного резистора 8,2 Ом, то максимальную мощность по результатам измерений я определил как 9^2/8,2=9,9 Вт.

Ещё раз подчеркну - что данная схема макета была составлена по аналогии с ранее понравившейся, отнесённой мною в разряд лучших, но с участием 6Н1П. Тогда было замечено - что хорошо бы поменять 6Н1П на ECC85. Александр Бокарёв привёз мне ECC85.
Пошёл слушать. С первых же звуков стало понятно, что звучание мне нравится. И есть важный факт: впервые на моей памяти, моя супруга заявила, что рок-музыка звучит лучше, чем на нашем SE. Это дорогого стоит.
Чувствительность схемы увеличилась, по сравнению с тем, когда была 6Н1П.
С удовольствием послушал рок, хоть и в одном канале. Для себя подметил - что приятно всё же осознавать, что УНЧ имеет большой запас по мощности - это как-то по взрослому. Думаю всё же - отдать предпочтение такому варианту макета, а не лофтин-селфсплитту на 6П14П. Преимущества данного варианта: общее мнение, что такая схема лаконична; имеет в 3 раза бОльшую мощность (на рок музыке - можно подемонстрировать это гостям); нет переживания, что выходные лампы могут выйти из строя, если "уедет" режим у первой лампы.
Петр, мое уважение к прекрасно выполненной лабораторной работе и добрых результатах Читал , словно сам проделал, все понятно, последовательно и основательно. И результат достойный.
Можно соединив каналы источника вместе, слушать монозук , не хуже чем стерео. Как некий запасной вариант до решения построить пушпулл.
 
у меня единственный вопрос - почему все говорят, что пушпулл убирает чётные гармоники в "ноль", а я же в своём спектре вижу некий однотактно-подобный спектр, где гармоники плавно спадают, без подавления чётных?
 
у меня единственный вопрос - почему все говорят, что пушпулл убирает чётные гармоники в "ноль", а я же в своём спектре вижу некий однотактно-подобный спектр, где гармоники плавно спадают, без подавления чётных?
Причина видимо в работе фазоинвертора, в силу какой-то его неидеальной симметрии, зато спектр красиво однотактный. И поэтому вероятно эта схема многим нравится. Мне-так точно.
Там многое должно идеально совпасть, и лампы половинками и по плечам и транс выходной, чтобы гармоники четные присели. А тут все как-то очень душевно само получилось.
 
Причина видимо в работе фазоинвертора, в силу какой-то его неидеальной симметрии, зато спектр красиво однотактный. И поэтому вероятно эта схема многим нравится. Мне-так точно.
Там многое должно идеально совпасть, и лампы половинками и по плечам и транс выходной, чтобы гармоники четные присели. А тут все как-то очень душевно само получилось.
Не видел ни одного РР без ООС с полностью подавленными четными.
 
Пока не знаю. Нет определённости дальнейших действий. Думаю - поиск схемы макета завершить.
Пётр, всё здорово, кроме отсутствия продолжения в виде законченного РР усилителя.

Блин, сейчас по Маяку Кинг Кримсон играет! Класс! Даже на дешёвой магнитоле на работе.
 
Теперь ясно про Raa=5,2ком, 6п41с работают с 350в-50в=300в, и Rвых = 2,8 Ом, что хорошо для Петра. А драйвер уже при 470в ...
 
3, 5 кила нагрузки для 300В это путь в никуда. Мощность вы получите, но какой ценой- высоченного выходного(аж страшно считать, там Ома 4 ) ,
Да ладно, без гигантомании 2,2 Ома вполне можно сделать. Но 4,5 кОм по её даташиту наиболее оптимально с точки зрения мощности и искажений.
 
Да ладно, без гигантомании 2,2 Ома вполне можно сделать. Но 4,5 кОм по её даташиту наиболее оптимально с точки зрения мощности и искажений.
По опыту общения с Аудионотами 300в параллель , с трансами на 1.2 ком выходное было на клеммах 4 Ома примерно 5 Ом, мощность 18 ватт, но их же колонки были заточены под это высоченное выходное, с обычными усилителями отказывались петь, мычали и орали.
 
По опыту общения с Аудионотами 300в параллель , с трансами на 1.2 ком выходное было на клеммах 4 Ома примерно 5 Ом, мощность 18 ватт, но их же колонки были заточены под это высоченное выходное, с обычными усилителями отказывались петь, мычали и орали.
Во-первых это 2,4к на лампу, что в принципе меньше 1,7Ом ( для 4 омной нагрузки) не даст. 3,5к это идеальных 0,8 Ом. Предположим что внутреннее у 300В в этих режимах порядка 1к - всё равно получается что аудионотовские трансы фуфло с низким КПД.
 
Во-первых это 2,4к на лампу, что в принципе меньше 1,7Ом ( для 4 омной нагрузки) не даст. 3,5к это идеальных 0,8 Ом. Предположим что внутреннее у 300В в этих режимах порядка 1к - всё равно получается что аудионотовские трансы фуфло с низким КПД.
Там 9 генри всего, хотя омическое невелико, по памяти, 150 ом. Но вторичка идиотская, как у Прибоя, на отводе 4 Ома завалище наверху. потому включали 4-омные ихние колонки всегда на 8Омный.
 
Там 9 генри всего, хотя омическое невелико, по памяти, 150 ом. Но вторичка идиотская, как у Прибоя, на отводе 4 Ома завалище наверху. потому включали 4-омные ихние колонки всегда на 8Омный.
Ну, да. Даже по прикидке выходное вываливает за 4Ом .
 
Был усилитель однотакт на 6П41С, в триоде, с питанием 400 вольт, смещением 63 в, током примерно 40 ма. Звук крепко удивил прозрачностью и красивой подачей. Правда, в ответ на мои радостные сообщения получил ведро воды на голову от знающих и слышащих . Типа, лампа никакая, не звучит. Отсюда мораль. делись радостью - осторожно. Могут её испортить, по разным причинам, иногда непонятным.
Александр Бокарев схемку можете скинуть усилителя на лампе 6п41с в триоде.
 
Александр Бокарев схемку можете скинуть усилителя на лампе 6п41с в триоде.
10 лет назад было. Навскидку - в катоде 1, 6 Ком, питание 400в, ток 40-45 ма, выходник на 7 килоом( 30 к 1 Ктр) Драйвер двухкаскадный на 6Н8С. СРПП на 6Н9С тоже прилично.
 
Здравствуйте.
Потихоньку просыпается у меня желание поработать дальше в направлении постройки двухтактника. Дабы, поиски годовалой давности (схемы усилителя), не пропали напрасно - планирую реализовать (пока что планирую - а там, как получится) найденную схему, как лучший вариант на "мой ух" - несколькими постами выше здесь. PP на 6П41С с раскачкой от ECC85.
И уже непосредственно в направлении реализации - решил раздобыть лампы (выходные). В настоящий момент у меня имеется 3 шт. 6П41С (которые в своё время мне подарил Александр Бокарёв, так же как и ECC85). С учётом того, что понадобится хоть какой-то подбор выходных ламп, планирую приобрести ещё хотя бы 6 шт. Тогда, с тремя имеющимися - получится набор в 9 шт., из которых уже буду планировать выбрать две пары.
На Авито - поискал, списался с продавцами. Минимальная цена, за которую можно найти приличные (по фото) 6П41С - по 200 руб. за шт. Останавливает пока что от покупки с Авито то - что не удаётся найти, чтобы также у одного продавце ещё бы были и панельки под эти лампы. Да и случай обмана с Авито - был уже у меня. Поэтому решил отписаться тут. Если есть у кого ненужные 6П41С и панельки (хотя бы пара панелек, керамических) - я бы купил.
 
Пётр, привет!
Молодец, что решил доделать двухтактный усь.
Я начал делать двухполосный усилитель с SE в ВЧ полосе и РР в НЧ. Столкнулся с большим разбросом параметров имеющихся 6С7Б. Закупил на Авито ещё 20 шт., но пока не получил.
Похоже РР будем делать одновременно.
 
Нашёл на Авито продавца, 6П41С (5 шт. в коробках, и 3 шт. россыпью) с двумя б/у панельками к ним.
Оплатил Авито-доставку. Буду ждать.
1.jpg
 
У меня мысли такие.
В предыдущих своих экспериментах (по памяти) - наибольший отпечаток у меня остался от значимости выходного трансформатора. И я даже не буду говорить о качестве изготовления выходника. Выскажусь лишь про один параметр - соотношение задействованного количества витков первички и вторички. Меня поразило - как сильно изменяется звучание в итоге, если менять соотношение витков первички и вторички (оно же, по физическому смыслу - приведённое сопротивление нагрузки для выходной лампы). И поэтому, сейчас - мне хочется экспирементальным образом выяснить, какое соотношение витков первички и вторички будет оптимально "на мой ух", с моими АС. Для этого - есть желание намотать самомото выходной трансформатор, с дополнительными отводами на первичной обмотке. Экспериментально выявить нужное соотношение витков. И уже в дальнейшем (если позволят финансы) - заказывать нужные выходники, например, у Аудиоинструмента (если они согласятся мотать нужный мне транс).
Но, разумеется - в истинной правильности такого пути я не уверен.
Но пройти пока вижу - по такому пути.
 
дядя Пётр, приветствую!
Вспомни, для чего ты сделал выходное своего усилителя запредельно большим, выбрав подходящий Ктр.
 
дядя Пётр, приветствую!
Вспомни, для чего ты сделал выходное своего усилителя запредельно большим, выбрав подходящий Ктр.
Я возвращаюсь к звуковым делам лишь от времени к времени. Много чего забываю, не углубляю свои знания, не достаточно сильно стремлюсь разобраться.
Но, насколько я понимаю ход истории своей - высокое выходное сопротивление УНЧ в моём случае, нужно для того, чтобы бас был с возможно низкой частоты, для моих условий - басовик с низкой добротностью, в ЗЯ.
В случае, если выходное сопротивление делать близкое к нулю - нижняя слышимая частота - поднимается вверх, бас пропадает.
В этом то и причина (возможно) - что при малых Ктр, теперь на "мой ух" - бас лучше звучит. А при больших значениях Ктр (когда - по всем правилам - звучание улучшается) - я неудовлетворён.
Для себя я в этом смысле так и понимаю - если я делаю выходной трансформатор с малым значением приведённого сопротивления (то есть - с малым Ктр) - то я в этом случае получаю повышенное выходное сопротивление УНЧ. Есть предположение, что это то, что для моих ушей делает звучание более привлекательным.
Или же я что-то путаю... буду вспоминать. И втайне - надеяться на ваши подсказки. Но точно помню для себя лишь одно - что предыдущие эксперименты я окончил на том, что мне требуется выходной трансформатор с многочисленными отводами на первичке - для экспериментального определения оптимального на слух Ктр.
 
Если кратко, то погоня за низким басом в условиях реальной комнаты с невысоким потолком дело провальное. И если есть улучшение от повышения частоты среза басовой секции, значит, слух подсказывает лучшее решение и нужно пересматривать свои понятия о лучшести.
По памяти, в дальнем конце комнаты звучание на низу просто невыносимое, слушать нужно ближе к колонкам. там хоть что-то как-то получилось. Или получается, что измеряем в одной точке комнаты, а садимся слушать в другой.
 

Статистика форума

Темы
3,302
Сообщения
262,906
Пользователи
2,544
Новый пользователь
vlad'mir
Назад
Сверху Снизу