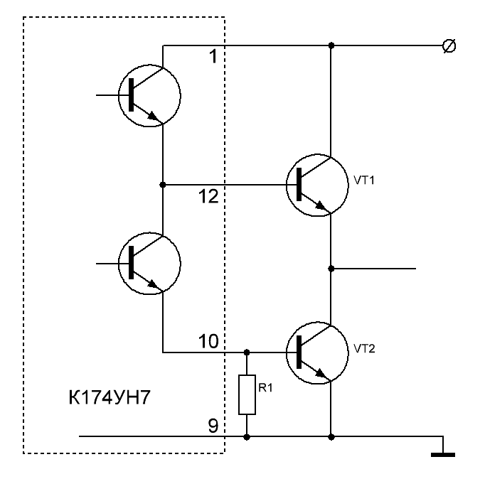
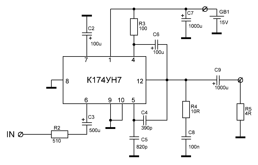
Да, интересный опыт с К174УН7.
С детства её не люблю...
Но сейчас не об этом.
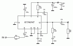
В первой схеме цепочка Цобеля была совершенно неправильная. Да и во многих других устройствах её номиналы вызывают удивление. Такое впечатление, что разработчики - бездумно - копируют её друг у друга, не понимая, для чего она.
В схемотехнике ВЧ-приёмопередающих устройств обязательно имеются смесители, преобразующие частоту сигналов. От их (смесителей) свойств зависят важнейшие параметры аппаратуры. В первую очередь, - динамический диапазон, способность линейно обрабатывать слабые сигналы в присутствии мешающих сильных.
Так как смеситель фактически является перемножителем, а произведение даже всего двух синусоид порождает комбинационные частоты, только одна из которых является желаемым сигналом. Она подаётся в дальнейший тракт.
Но если не позаботиться о нежелательной части перемножения, дать ей вернуться в смеситель, то и она примет участие в преобразовании наряду с мешающими сигналами. Работа смесителя нарушится.
Чтобы избежать ухудшения параметров устройства, ВЧ-инженеры принимают меры по предотвращению попадания нежелательных продуктов преобразования обратно в смеситель.
Для этого используются так называемые
диплексоры, - разделители спектра с одним входом и двумя выходами. На входе диплексора присутствует выходной сигнал смесителя. На одном из выходов, на частоте желаемого продукта преобразования, подключен вход следующего каскада, и что самое важное!, - обеспечено согласование импедансов смесителя и этого каскада. Отражённого сигнала от этого входа нет, на этой частоте смеситель мешающего воздействия не получает.
На втором выходе диплексора,
пропускающем все остальные частоты, подключают чисто резистивную нагрузку, поглощающую всю нежелательную энергию продуктов преобразования.
Отражений мешающих составляющих обратно в смеситель тоже нет, смеситель оказывается оптимально согласован на всех частотах сигналов.
Динамический диапазон устройства получается наибольшим.
Цепочка Цобеля - всего лишь "половина диплексора", тот его канал, где должна была бы быть поглощающая помехи резистивная нагрузка.
Поэтому величину резистора в ЦЦ следует выбирать так, чтобы УНЧ, работая на это сопротивление, был линеен, находился в устойчивом состоянии. Величину ёмкости же следует выбрать, так, чтобы поглотитель подключался к УНЧ за пределами рабочего диапазона частот.
Тут ,чаще всего, не хватает второй половинки диплексора, - LR-цепочки, пропускающей рабочий сигнал далее и не позволяющей помехам попасть на выход УНЧ (читай, - в цепь его ООС).
То есть, применять надо не только одну ЦЦ, с какими-то шаблонными номиналами,
параллельно ей должен быть и вход ФНЧ, хотя бы первого порядка, - LR-цепь, согласованный по граничной частоте с ФВЧ (которым фактически и является конденсатор ЦЦ). В идеале, - со стороны УНЧ, - видимый им (УНЧ) импеданс нагрузки должен быть равномерным и сугубо резистивным.
Спасибо за внимание!
