Схемотехника усилителей 2021

  • Автор темы Автор темы rngtng
  • Дата начала Дата начала
Neulo? вот результат снижения ГВЗ до 50 нс. Как видите снизились и искажения, в том числе и коммутационные которые зависят от быстродействия ОС
 

Вложения

  • R1972-06Neulo_v2M_Bode.png
    R1972-06Neulo_v2M_Bode.png
    83.5 KB · Просмотры: 110
  • R1972-06Neulo_v2M_20kHz-spectr.png
    R1972-06Neulo_v2M_20kHz-spectr.png
    91.6 KB · Просмотры: 116
  • R1972-06Neulo_v2M_10kHz-dist.png
    R1972-06Neulo_v2M_10kHz-dist.png
    96.7 KB · Просмотры: 97
  • R1972-06Neulo_v2_Bode.png
    R1972-06Neulo_v2_Bode.png
    83 KB · Просмотры: 94
  • R1972-06Neulo_v2_20kHz-spectr.png
    R1972-06Neulo_v2_20kHz-spectr.png
    79.1 KB · Просмотры: 106
  • R1972-06Neulo_v2_10kHz-dist.png
    R1972-06Neulo_v2_10kHz-dist.png
    96.8 KB · Просмотры: 113
Neulo? вот результат снижения ГВЗ до 50 нс. Как видите снизились и искажения, в том числе и коммутационные которые зависят от быстродействия ОС
Меандр подайте будет понятно почему конденсатор в ООС пришлось до 8пФ нарастить.
Вообще схемку конечно надо ещё поднастроить было бы. Если бы кто захотел её паять.
 
Вообще схемку конечно надо ещё поднастроить было бы.
Там много чего можно поменять,говорю вам как Истинный Смехотехник
И уберите уже эту Локанти, она морально устарела.
Для концертников - самое то, но для домашнего звука, надо что - то поизящнее.
Если бы кто захотел её паять.
Хех...когда можем паять - нет идей, когда есть/приходят идеи - не можем паять :(
Обычное дело.
У меня пока так же.
Хотя был небольшой период когда были идеи и мог паять.
Но тогда я занимался гитарными перегрузами.
 
Neulo? вот результат снижения ГВЗ до 50 нс. Как видите снизились и искажения, в том числе и коммутационные которые зависят от быстродействия ОС
Комутаційні спотворення залежать лише від схемотипу і співвідношення режимного струму з сигнальним. Звісно, загальний зворотній звязок зменшує їх в глибину себе разів, але то спосіб екстенсивний. Затримки імені пана Пєтрова тут зовсім збоку.
Значно ефективніше спочатку оптимізувати режими, а все, що залишиться, додавити загальним зворотнім звязком..
Для вихідної пари, якщо резистори в їх емітерах по 0,1 Оми, оптимальний, з точки зору спотворень перемикання, режимний струм близько 260 мА. Але цей оптимумм тим менше виражений, чим менший опір тих резисторів. Це математика, відома з 1971 року від Олівера, в подробицях розжована у Селфа з Корделом, якщо що.
І режим драйверної пари необхідно встановити таким, аби за будь-якого струму в навантаження, вона залишалась в режимі класу А.
 
Последнее редактирование:
Там много чего можно поменять,говорю вам как Истинный Смехотехник
И уберите уже эту Локанти, она морально устарела.
Для концертников - самое то, но для домашнего звука, надо что - то поизящнее.

Хех...когда можем паять - нет идей, когда есть/приходят идеи - не можем паять :(
Обычное дело.
У меня пока так же.
Хотя был небольшой период когда были идеи и мог паять.
Но тогда я занимался гитарными перегрузами.
про локанти ничего не скажу, спроси дядь Петрова он в вк разбирается лучше меня, думаю он тебе скажет как она устарела. про паять, я пока занят.
IMG_20240128_152344.jpgIMG_20240128_152352.jpg
 
Про трійцю від Локанті все сказав сам Локанті, а спільнота продемонструвала півсторічну прихильність до цього схемотипу. То, навіщо нам тут пан Пєтров з його наспівами репертуару Карузо телефоном?
 
ну, я читал товарища Петрова статью про вк. но судя по моим ощущениям пока на бт ничего лучше тройки локанти - не придумали. а там куча всяких моделировалась и сравнивалась. условно по отношению цена/качество тройка вне конкуренции.
 
ну, я читал товарища Петрова статью про вк. но судя по моим ощущениям пока на бт ничего лучше тройки локанти - не придумали. а там куча всяких моделировалась и сравнивалась. условно по отношению цена/качество тройка вне конкуренции.
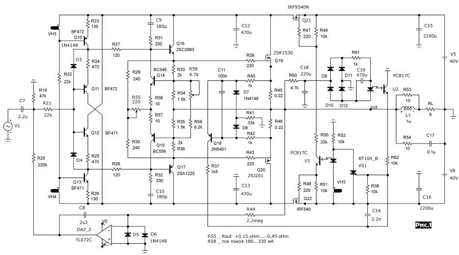
Идея витала в воздухе, но чего то не хватало, и недавно, посмотрев схему ВК А.Петрова, я понял,чего именно.
Не претендую на оригинальность, но кмк, в тройке ВК для домашнего звука ,на буферный каскад, лучше ставить параллельник, чем ЭП.
Во- первых,он более спокойный чем ЭП, (менее склонен к возбуду) во-вторых, запитка ёмкости перехода транзистора драйвера с помощью ГСТ - более линейна,чем с ЭП.
Вот с этой схемы я понял,чего не хватало тройке ВК для домашнего звука.
IMG_20240129_145648.png
Т10,11,12,13
 
Идея витала в воздухе, но чего то не хватало, и недавно, посмотрев схему ВК А.Петрова, я понял,чего именно.
Не претендую на оригинальность, но кмк, в тройке ВК для домашнего звука ,на буферный каскад, лучше ставить параллельник, чем ЭП.
Во- первых,он более спокойный чем ЭП, (менее склонен к возбуду) во-вторых, запитка ёмкости перехода транзистора драйвера с помощью ГСТ - более линейна,чем с ЭП.
Вот с этой схемы я понял,чего не хватало тройке ВК для домашнего звука.
Посмотреть вложение 84877
Т10,11,12,13
Двух кирпичей? На один положить другим прихлопнуть, что ли?) _inkviz
Причём тут вообще тройка если ВК полевой?
 
Про трійцю від Локанті все сказав сам Локанті, а спільнота продемонструвала півсторічну прихильність до цього схемотипу. То, навіщо нам тут пан Пєтров з його наспівами репертуару Карузо телефоном?
Півсторічна прихильність канула в лету. Бо не тільки біполярами єдиними жива мавпа.
 
Двух кирпичей? На один положить другим прихлопнуть, что ли?) _inkviz
Причём тут вообще тройка если ВК полевой?
Это без разницы.
Просто я понимал что для моего малоосника очень нужна именно тройка, потому что ООС слабая, и двойку не вытягивает как надо.
А классическую тройку Локанти, делать не хотелось, уж больно она брыкучая и резковатая.
И здесь "бог услышал мои молитвы", и послал мне схему А Петрова.
Вечером может нарисую эскиз схемы ВК попроще, и понятнее , без наворотов схемы А. Петрова
 
И здесь "бог услышал мои молитвы", и послал мне схему А Петрова.
Вечером может нарисую эскиз схемы ВК попроще, и понятнее , без наворотов схемы А. Петрова
Тільки от пан Пєтров скромно мовчить. Чому б це? ;)
А тому, що з поза тієї схеми стирчать вуха Малькома їхнього Хоуксфорда і Боба Кордела. Та схема іншого автора.
Буде час, знайду посилання на оригінал.
 
Тільки от пан Пєтров скромно мовчить. Чому б це? ;)
А тому, що з поза тієї схеми стирчать вуха Малькома їхнього Хоуксфорда і Боба Кордела. Та схема іншого автора.
Буде час, знайду посилання на оригінал.
Понятно что "все уже придумано ", и схема А.Петрова была лишь катализатором того, что я думал, но не мог вытащить наружу до этого момента
...да тот же паралельник Агеева и иже с ним, всё суть то же , здесь лишь принципиальный момент, то - что паралельник не драйвер,а - буфер.
И это принципиально важно по нескольким причинам.
Во первых, - малые токи,на которых паралельник работает хорошо, во вторых - лучшая устойчивость к возбуду, в составе трехкаскадного ВК.
В третьих, лучшая линейность при запитке драйвера,ибо от ГСТ .
Это важный момент.
 
За паралелльник хорошего особо сказать ничего не могу. Ты явно преувеличиваешь его достоинства. Любой ВК нуждается в умелом обращении.
Вот например, ты тут в Шушуринской теме писал, и её читаешь. А знаешь ли ты главную ошибку Шушурина допущенную в этой схеме?
 
За паралелльник хорошего особо сказать ничего не могу. Ты явно преувеличиваешь его достоинства.
Паралельник,это обобщающее название
В случае буфера в тройке ВК, это просто ЭП с динамической нагрузкой (ГСТ ) на транз.обратной полярности.
Он делает то же самое что и обычный ЭП, только немного по другому
Там даже базы соединять вместе не обязательно, а делать как обычно, со смещением.
Любой ВК нуждается в умелом обращении.
Вот например, ты тут в Шушуринской теме писал, и её читаешь.
Мне схема Шушурина не интересна, я не помню что там писал, разве что-нибудь вне темы.
А знаешь ли ты главную ошибку Шушурина допущенную в этой схеме?
Знаю.
У него не было ЛТС-4
_da
 
Нет. Главная ошибка у него что он повторитель поставил на выходе усилителя напряжения, а не на входе.) По итогу очень тяжелый выходной каскад : ажно "четвёрка" , попробуй его нормально скорректируй. Никто особо "шушурину" петлевое нарастить и не пытался и не пытается. Ибо- нахрен нахрен.
Повторитель между дифкаскадом и уном решит проблему
 

Вложения

  • 4 nthvj.PNG
    4 nthvj.PNG
    67.7 KB · Просмотры: 123
Да вообщем -то, повторитель для УН нужно ставить и по входу и по выходу.
Причем по входу, не простой,ибо ещё надо и закрывать транзистор хорошо.
Уж больно специфичная штучка этот УН :)
в смысле закрывать? а вот вчера , у тёмного воина как думаешь когда повторитель тот самый закрывается? а никогда. у меня такое ощущение что ты говоришь что "повторитель должен хорошо какать" смысла ровно столько же.
 
Радиаторы закошены под "японский стандарт". Микроскопические.
 
О, вижу, что это - "Корвет 100У-068СМ", как раз по нему есть модель!
Пожалуйста, измерьте величину тока покоя ВК. Если я не напутал в модели, то он должен быть равен 10mA в каждом из транзисторов (в заводском изделии).
Что с нагревом радиаторов?

PS
Сверх-тщательное изучение заводской схемы показало, что конденсатор C12 не является элементом "цепочки Цобеля", - он заземлён нижней обкладкой и образует ФНЧ второго порядка совместно с L1R48.
 
Последнее редактирование:
Меандр подайте будет понятно почему конденсатор в ООС пришлось до 8пФ нарастить.
Вообще схемку конечно надо ещё поднастроить было бы. Если бы кто захотел её паять.
подал, если пропустить меандр через ФНЧ 500 кГц, то звона на полках уже нет
 

Вложения

  • R1972-06Neulo_v2M_SR.png
    R1972-06Neulo_v2M_SR.png
    94.4 KB · Просмотры: 99
  • R1972-06Neulo_v2M_20kHz-square.png
    R1972-06Neulo_v2M_20kHz-square.png
    93.3 KB · Просмотры: 109
О, вижу, что это - "Корвет 100У-068СМ", как раз по нему есть модель!
Пожалуйста, измерьте величину тока покоя ВК. Если я не напутал в модели, то он должен быть равен 10mA в каждом из транзисторов.
Что с нагревом радиаторов?
Да там надо сначала кисточкой грязь смести. И купить, если не найду коробкунужную, предохранители. До первого включения надо хоть в божеский вид привести. Регулятор Громкости бриговский.
 
Там много чего можно поменять,говорю вам как Истинный Смехотехник
И уберите уже эту Локанти, она морально устарела.
Для концертников - самое то, но для домашнего звука, надо что - то поизящнее.

Хех...когда можем паять - нет идей, когда есть/приходят идеи - не можем паять :(
Обычное дело.
У меня пока так же.
Хотя был небольшой период когда были идеи и мог паять.
Но тогда я занимался гитарными перегрузами.
Барин, я не спорил бы с вами и кивал на ваши фонтаны идей, кабы на днях не смакетил ту самую древнюю , морально устаревшую схему от Локанти и повозившись с ней, как следует, не вывел в люди. А там просто шедевр . Просто схема та дана видимо в расчете на придурка, который тупо спаяет, включит и кинется слухать и учить других, как надо слухать настоящие гитарные усилители. Схема при всей своей простоте просчитана досконально, всех делов подвигать детальками и получить на выходе шедеврик.
А брать ее как есть и что-то там выуживать в симуляторе- ну я не знаю, пробуйте. может чего и вылезет полезного. На деле там сильно не так все.
 
Барин, я не спорил бы с вами и кивал на ваши фонтаны идей, кабы на днях не смакетил ту самую древнюю , морально устаревшую схему от Локанти и повозившись с ней, как следует, не вывел в люди. А там просто шедевр . Просто схема та дана видимо в расчете на придурка, который тупо спаяет, включит и кинется слухать и учить других, как надо слухать настоящие гитарные усилители. Схема при всей своей простоте просчитана досконально, всех делов подвигать детальками и получить на выходе шедеврик.
А брать ее как есть и что-то там выуживать в симуляторе- ну я не знаю, пробуйте. может чего и вылезет полезного. На деле там сильно не так все.
Двигайте....я то при чем ?
Я же не плююсь на Локанти, и знаю как она звучит, нормально, но надо двигать дальше.
Меня она уже не устраивает,даже в идеально настроенном варианте, чисто принципиально.
Для концертников я её оставляю "как есть", но домашний звук,это немного другое,кмк
И потом,кто будет возиться с Локанти что бы идеально отстроить ? Есть желающие ещё кроме вас ?
 
подал, если пропустить меандр через ФНЧ 500 кГц, то звона на полках уже нет

Смысл меандра здесь в том, чтобы скоростным "ударным" воздействием проверить систему на отсутствие её реакции в виде колебаний (генерации). Если Вы уменьшили "ударность" этого воздействия, то что Вы проверяете таким меандром? Станет ли сам усилитель лучше или устойчивее от такой проверки?
 
Например, недостаток Локанти в том, что драйверу (и буферу) приходится тягать сразу - два нагруженных на него транзистора - один на открывание ,другой на закрывание,и это уже минус, ибо-ибо, а так же ,ещё реагировать на дёргания своего сотоварища в связке, (другое плечо) в силу не симметричности запитки плеч, и самих параметров транз.
Для грубоватого звука, такие выкрутасы, вообщем то пойдёт, но для более изящного - уже нет.
 
подал, если пропустить меандр через ФНЧ 500 кГц, то звона на полках уже нет
Я вечером попозже погляжу с вашего позволения. Если всё работает как надо(должно) то золотой ключик считайте у нас в кармане.
 
Самая простая схема, самая простая однополюсная коррекция, никаких троек, меандр 1Мгц нефильтрованый.
 

Вложения

  • 1p.png
    1p.png
    50 KB · Просмотры: 153
  • кг.png
    кг.png
    55 KB · Просмотры: 166
  • гвз.png
    гвз.png
    48.7 KB · Просмотры: 168
Да там надо сначала кисточкой грязь смести.
Если будет время и возможность, пожалуйста, сфотографируйте рисунок печатной платы УМ (желательно так, чтобы удалось понять расположение деталей). Или просто сторону дорожек и сторону монтажа, а я уже сам переверну изображения и совмещу, чтобы разобраться.

Заранее - спасибо!
 
Самая простая схема, самая простая однополюсная коррекция, никаких троек, меандр 1Мгц нефильтрованый.
Вот, отличная схема! А на выход ей ПФ1П-2 поставить и прекрасный УПЧ будет. Профит!
На вход ещё ФСС и после фильтра детектор на 140уд1 с обратной связью..
Правда беда, кажется в АМ диапазоне у нас особо сейчас ловить нечего, окромя китаецов.
К сожалению в звуковом диапазоне похвастать будет особо нечем- обычный говноланзар немного по другому нарисованный. Что то вроде Fusion из китая.
 
Последнее редактирование:

Последние сообщения

Статистика форума

Темы
3,334
Сообщения
268,232
Пользователи
2,564
Новый пользователь
HOlg
Назад
Сверху Снизу