Виктор Я
1 ранг
- Регистрация
- 26 Мар 2024
- Сообщения
- 1,334
- Реакции
- 575
- Репутация
- 40
- Страна
- Украина
- Город
- Николаев
B200 или BG20?Visaton B20 согласно даташита.
Посмотреть вложение 141472
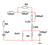
Цепочка Цобеля 4,7 мкФ + 10 Ом обеспечивает импеданс 8 Ом от 1,5 до 15 кГц.










