Tannoy Mercury F3

Мид и вч с 1 м. Без фильтров микрофон на уровне мид. Уровень сигнала не менял.
IMG_1218.jpegIMG_1219.jpeg

Добавил родную катушку 1 мгн
image.jpg

Добавил цепочку, параллельно катухе 0,47 мкф +10 Ом. Присело в районе 6,5-7 кГц
image.jpg

Добавил цепочку 0,22 Ом 6,8мкфimage.jpg

ВЧ подключил через 4 мкф и 2 Ом. Удалил нахрен цепь параллельно катушке мидбаса
image.jpg
 
Последнее редактирование модератором:
В общем, Вы в курсе... НЧ получается - ШП с подъёмом начиная от 300 Гц! Родных 1 мГн сегодня не хватает, 300...1000 Гц слегка торчат, а тут #24 выражено меньше, а на общей АЧХ вообще хорошо (больше расстояние? Вы не пишите условия измерения!). ВЧ - превосходный, есть запас по уровню и перекрытию полос, резонансная 2 кГц.
Что лезет в голову.
1. номинал 0,47 - неправильный. усугубляет дыру 7 кГц. Настроим его на 4,8 кГц: поставьте 1 мкФ! Лечение излома АЧХ режектором. Верхний уйдёт сам. Так мы сгладим АЧХ и ФЧХ, полка свалится раньше, на 4 кГц, где и будем делить (предположительно). Номиналы 6,8 мкФ+0,22 Ома - в конце подправим.
2. ФВЧ второго порядка - за глаза. Делаем -6дБ на 4 кГц и смотрим сумму. Вдруг попрёт.
ВЧ подключил через 4 мкф и 2 Ом. Удалил нахрен цепь параллельно катушке мидбаса
Вы стреляете вслепую. Слепая умрёт, а враг - уйдёт. Так низзя. Ну и включать купольный ВЧ через 1-й порядок не феншуйно. Навряд ли у него механическая добротность ниже 1, в противном случае его резонанс будет слышно как шипение (2 кГц), сопровождающее каждое резкое изменение сигнала... Не ленитесь сделать хорошо. Зачем Вам совместная работа двух излучателей на протяжении двух октав - 2...8 кГц? (Интерференция и прочие умные слова.)
Уровень ВЧ, конечно, на слух. Спад от 9 до 18 кГц частично компенсируется конденсатором в параллель гасящему резистору.
 
Последнее редактирование:
Вот просто катуха 1,0 мГн и вч 4мкф и 2 Ом. ВЧ в противофазе.
Хоть Вы и не привели полосы отдельно, но всё и так понятно. Ставлю 2 рисунка рядом
1.jpg
2.jpg
И что? Ниже 4 кГц лучше в противофазе, а выше - уровень (и синфазность) больше в фазе. Причём НЧ таки влияет на 10 кГц! А чуть в сторону - не влияет, и горб ВЧ будет как на первой картинке. Не гонитесь за ровной АЧХ, а отдайте каждому певцу хора свою партию. В чужой они фальшивят. Выше 4 кГц у НЧ - горб (и окрашенность, и направленность), ниже 4 кГц у ВЧ - меньше октавы до частоты резонанса.
 
Вот просто мид с катушкой

Вот вч с 4 мкф и 1,5 Омimage.jpg

Вот все в фазе
image.jpg

Вот ВЧ в противофазе
image.jpg

хорошо в обеих вариантах!!!

Вот в полосах в противофазеimage.jpg
 

Вложения

  • image.jpg
    image.jpg
    611.9 KB · Просмотры: 82
Вот ВЧ в противофазе
В точности то, что я написАл
Ниже 4 кГц лучше в противофазе, а выше - уровень (и синфазность) больше в фазе.
И вывод - без изменений.
Не гонитесь за ровной АЧХ, а отдайте каждому певцу хора свою партию.
Сейчас ВЧ работает на частоте резонанса, а НЧ - на частотах своих пиков 4,8 и 9 кГц.
Фобос и Деймос.
 
Вот в фазе.
 

Вложения

  • image.jpg
    image.jpg
    672.7 KB · Просмотры: 100
Не шутите так! Отдельные полосы... так они ж одинаковы по модулю! Разница только в суммарной АЧХ. _hm_ Дорисуйте суммарную на двух последних картинках, и Вы увидите, кто, где и как бьёт горшки.
 
хорошо в обеих вариантах!!!
Потому что оба динамика хорошие, многое прощают. Но это не повод поиздеваться.
Частота побития горшков - 4,5кГц, на первом пике АЧХ НЧ, там фазу крутит не по-детски, туда НЧ пускать не надо!
Итого, ниже 4,5 кГц - включите ВЧ в противофазе, а выше - в фазе smile_10
Просьба: когда показываете больше одной АЧХ - ставьте отображение линиями, глаза лезут. Рекомендую такое
сх.png
Катушку 200 мкГн сделайте из двух по 0,1, то же самое - 4 Ома (1,8?). 2мкФ - на усмотрение.
Огласите условия измерения! Весь список, пжалуста... (С).
 
Последнее редактирование:
Потому что оба динамика хорошие, многое прощают. Но это не повод поиздеваться.

Частота побития горшков - 4,5кГц, на первом пике АЧХ НЧ, там фазу крутит не по-детски, туда НЧ пускать не надо!
Итого, ниже 4,5 кГц - включите ВЧ в противофазе, а выше - в фазе smile_10
Просьба: когда показываете больше одной АЧХ - ставьте отображение линиями, глаза лезут. Рекомендую такое
Посмотреть вложение 81737
Катушку 200 мкГн сделайте из двух по 0,1, то же самое - 4 Ома (1,8?). 2мкФ - на усмотрение.
Огласите условия измерения! Весь список, пжалуста... (С).
Немного выкроил времени, собрал фильтр по вашей схеме. Вот на НЧ что получилось.
image.jpg

Вот на ВЧ, только резистор на 5 Ом, вместо 4.
image.jpg

На миде торчит 10 кГц. Вроде на результат особо не влияет. Стоит его убирать?

Да, чуть не забыл. АС стоит в центре комнаты, микрофон 1м. По оси мида.
 
Последнее редактирование модератором:
На миде торчит 10 кГц. Вроде на результат особо не влияет. Стоит его убирать?
Он -15дБ от уровня ВЧ. Оцените сами, насколько меняется АЧХ в стороны, когда ВЧ отключен. Если надо убирать, что-то придумаем.
Суммарную АЧХ покажите на фоне линий НЧ и ВЧ, плиз!
 
Да, чуть не забыл. АС стоит в центре комнаты, микрофон 1м. По оси мида.
Если предполагаете слушать по оси ВЧ, перейдите туда.
перебросьте Фазу!
Если можно, показывайте линиями.
И попробуйте катушку всего 0,1 мГн.
*****
Вижу под 30 градусов. Если не доворачивать АС на себя под прямым углом, на пик 10 кГц наплевать.
 
Последнее редактирование:
Вы правы, вот градусов 30 к оси.
image.jpg

Микрофон приподнял, особо ничего не изменилось. А во если ВЧ в противофазе включить, провальчик на стыке образуется небольшой.
 
Последнее редактирование модератором:
Микрофон приподнял, особо ничего не изменилось. А во если ВЧ в противофазе включить, провальчик на стыке образуется небольшой.
То есть, стык не хорош ни так, ни так. Не подходит глубина установки динамиков (разница в ходе звуковой волны от акустических центров динамиков до микрофона). Когда разница огромна - стык идеален. Настройка фазовой согласованности полос по критерию максимального провала на АЧХ . Идём выше. Поставьте резистор последовательно с 1 мкФ Ом так 16, а катушку в ФВЧ - 0,1 мГн. Суммарных две - две разные фазировки. Четыре линии на одном рисунке.
 
Последнее редактирование:
Зеленая- катушка 0,2 мгн, розовая -0,1
Благодаря конскому резистору по входу ФВЧ изменения не резки, а импеданс не просадится ниже 6 Ом. Едем дальше. Конденсатор в параллель резистору стоИт? Схема - моя, но 5 Ом по входу ФВЧ?
 
По разнице уровней (9дБ макс.), в фазе разница фаз 50 градусов, в противофазе - 130. Примерно. Уже что-то, но ещё не то. Возможно третий порядок был применён для стыковки по фазе. Но хочется выехать на втором порядке ФВЧ. Для проверки третьего порядка - поставьте 7,5 мкФ перед динамиком, если хотите.
 
Последнее редактирование:
Есть стык! Но слаб уровень на стыке, да и все ВЧ. Убавьте 5 Ом до 4-х, а 10 увеличьте до 16-ти
4 не нашел, 3 поставил. А 10 Ом еще раньше поменял на 16. Черная - вч сейчас. Чуть прибавились.
image.jpg

По разнице уровней (9дБ макс.), в фазе разница фаз 50 градусов, в противофазе - 130. Примерно. Уже что-то, но ещё не то. Возможно третий порядок был применён для стыковки по фазе. Но хочется выехать на втором порядке ФВЧ. Для проверки третьего порядка - поставьте 7,5 мкФ перед динамиком, если хотите.
20 минут перерыв
Поставил 7,5 мкф. Зеленая.
image.jpg

Синяя -результат. В противофазе яма еще больше.
image.jpg
 
Последнее редактирование модератором:
Замените 1,8 Ом на 0,22, как с завода. По отдельности с третьим в ФВЧ полосы неплохие, но стык развалился начисто. Акцент ВЧ сместился вниз, нот гуд. Возвращаемся ко второму порядку. Замена 10 на 16 Ом дала запас 20дБ на пике НЧ 9 кГц, можно о нём забыть.
Пока разрабатываем #53
Вас не смущает перебор зоны 400...1000 Гц? На слух. Если смущает, докиньте железяку в катушку ФНЧ )) О самых НЧ - после...
 
Последнее редактирование:
Да, послушал, тухлятина какая то получается. Сейчас фильтр имеет такой вид. Николай, спасибо вам большое, что тратите на меня время. Думаю, на сегодня уже хватит, уже завтра продолжу. С наступающим Новым годом!!!image.jpg
 
Ну. ну. мы же с вами культурные, образованные люди. Конечно же не все, что надо оставил.

Перечитал еще раз всю доступную информацию по аналогичным Танноям. Попадаются версии где ВЧ 6 Ом(4,2-4,5Ом на пост.) и мид 4 Ом(3,8 Ом на пост.) У меня похоже ВЧ 4 Ом(2,9, 3,1 Ом на пост.) и мид 6Ом(4,2-4,5 Ом на пост.). Таких вариантов не попадалось, или ВЧ подпалены. Вечером вторую разберу, замерю ВЧ.

Вот еще нашел схему наиболее близкую к моей.Посмотреть вложение 81525Это Tannoy Mercury F4 custom
Георгий, вряд ли найдете чудака на букву М, который в первые минуты Нового года вместо налива и закуся лезет на форум и советует по фильтрам к Танноям.
Но это факт и я- точно тот, кто сможет вам помочь. Поэтому забейте и налейте. дальше видно будет.с Новым Годом!

всех делов найти ветку по доработке Танноев Меркурей МХ-1 , которые тоже 4 Ома и тоже мной выведены в нормальный звук. Там немного, выкинуть дебильные фильтры , дебильные во всем без исключения. И заменить их человеческими.
Вспомнил забытое, есть фильтры от дяди Саши к Танной меркури МХ-1, они 4-омные. Счас отыщу.

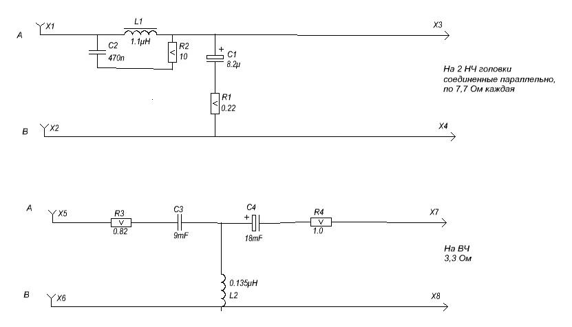
Нашел описание фильтров для 4-омного Танноя МХ-1

Схема типовая. Но для 4, как оказалось, Ом.
Катушка 0,68 мГН, омич 026 Ома, Мундорф. Провод толстый.
ВЧ: 4, 7МКФ, индуктивность в землю 0,33мгн, провод 0,6 Визатон.
Гасилка 1, 5 Ома, С5-16МВ. Это всё. Полярность плюсами кверху.
В оригинале отдача пищалы провалена до 5-6 дБ относительно басовой полки, хотя с фильтром пищала даже передавливает басовик, приходится вводить гасилку.
Емкость вч контура пробовал ставить 5, 6 мкф, средина ровнее, звук ярче, но 4, 7 как-то больше устраивает, баланс ближе к привычному.
Звук Танноевский, приятный. Но басок прижатый, как ушки у испуганного котика.
Были Меркюри М1 на фирме, самый красивый звук .

А вот и подготовленные АЧХ исходной колонки Танной меркури МХ1 и доработанной на фирме дяди Саши. "Первым выходит Горбатый! Я сказал-Горбатый! "
MX2  внеосевая 30   на полуметре.jpgMX2  НЧ  бл  поле.jpgTannoy  Mercury  MX2  05 м  по оси.jpgМХ2   НЧ  супротив вч  напрямую.jpg

А это то, что получилось.
МХ2  ВЧ  фильтр.jpgМХ2  катуха 068мгн.jpgМХ2  осевая  зеленым   вне  оси 40  -черным.jpgМХ2 суммарная  ачх новый  ф-р.jpg

Ошибка моя в том, что я тупо называл колонки МХ-1 колонками МХ-2, по инерции, помня про свои прежние любимки М2.
 
С Новым годом всех! _elka Пора заканчивать с Танноями, второй год весёлые картинки рисуем _hm_
Были бы у Георгий Панин такие динамики
МХ2   НЧ  супротив вч  напрямую.jpg , было бы веселее.
Однако, хотя горб 4,8 кГц типа не торчит, но именно там обрывается помощь от НЧ ВЧ собрату:
1.png
 
Последнее редактирование:
С Новым годом всех! _elka Пора заканчивать с Танноями, второй год весёлые картинки рисуем _hm_
Были бы у Георгий Панин такие динамики
Посмотреть вложение 81806 , было бы веселее.
У Танноев динамики и без фильтров поют, фильтрами их только портят по мере сил .
мы на фирме году в 2003 искали мид на поддержку 15" НЧ, на столе выложил линейку вынутых из студийных полочников динамиков. пробежался по ним проводками с музыкой, на Танноях подпрыгнул: Вот он, ЗВУК!!!
 
Здравствуйте, Александр Сергеевич. Рад, что вы присоединились. Выше я выкладывал АЧХ с фильтрами по вашим «мотивам» так сказать. Немного номиналы не те, но в этой концепции. Получается басовик первым порядком, только катуха, ВЧ вторым и раздел, приблизительно 3,5 кГц. Звук в этом варианте мне понравился больше, воздушнее что ли.
 
У Танноев динамики и без фильтров поют, фильтрами их только портят по мере сил .
В смысле, у Георгий Панин микрофон всё завышает на 10 дБ выше 3 кГц? Тогда - да, поют.
У Вас ВЧ имеет ту же отдачу, что и НЧ, у Георгия - 8дБ разницы.
4.png

Ребята, решайте что-то.
 
Последнее редактирование:

Статистика форума

Темы
3,295
Сообщения
262,408
Пользователи
2,545
Новый пользователь
vlad'mir
Назад
Сверху Снизу