Транзисторные винил-корректоры

Вложения

  • $_200.JPG
    $_200.JPG
    346.2 KB · Просмотры: 107
  • $_300.JPG
    $_300.JPG
    386.1 KB · Просмотры: 112
Там все детали решают определенные функции и задачи. Просто так я не тыкаю в УНЧ детали.

А фильтрация по входу УНЧ будет на фазолинейном полосовом фильтре. Но это уже отдельная тема.
А не мог бы ты ещё разик свою схемку выложить, а то Дима случайно стёр.
 
Анатоль, некошерный MC12 пользуешь. В нем уже заблокирован режим измерения КНИ за 1 проход. Нужен антиквариат. Иначе престидижитация петрапятьдесятпервого не работает.
 
А не мог бы ты ещё разик свою схемку выложить, а то Дима случайно стёр.

УНЧ с плавающим питанием на мосфетах и пред. усил..jpg

Схема с элементами термостабилизации на стабилитронах, с которыми напряжение смещения на затворах полевиков будет уменьшаться и снижать ток покоя полевиков при нагреве стабилитронов. На большом по площади радиаторе их можно исключить. Вся конструкция прогреется за 10-15 мин и ток покоя уже практически не будет меняться даже при относительно большой мощности прослушивания музыки, поскольку этот УНЧ работает в классе АВ близком к классу А - для реальных уровней мощности прослушивания, при которых нельзя повредить слуховые органы человека в типовой КП и бесить соседей громкой музыкой._da
Измерения делались на нестабилизированном БП (трансформатор 60 Вт, 2х10 000 мкФ) и без оптимизации параметров настройки карты с целью измерения предельно достижимых, минимальных искажений УНЧ на зв. карте E-MU 02-02. При использовании боле мощного БП с хорошей фильтрацией по питанию, и с более совершенной зв. картой, искажения могут снизиться примерно на 6-10 дБ при указанных мощностях. Грубо говоря, это УНЧ, по искажениям, уровня 0,001 -0,003% при рабочих мощностях выходного сигнала на нагрузке 4 Ом от 1 до 50Вт. При 8 Омной нагрузке искажения будут, примерно, в два раза меньше. И они будут сильно зависеть от второго ОУ. Лучшие результаты можно получить, используя в качестве второго ОУ микросхемы 1875, 7293(4) или 3886. Коэффициент усиления этого каскада не должен быть ниже 5-7, чтобы исключить самовозбуждение усилителя.
 

Вложения

  • УНЧ с плавающим питанием на мосфетах и пред. усил. схема с темостабилизаторами на стабилитронах.jpg
    УНЧ с плавающим питанием на мосфетах и пред. усил. схема с темостабилизаторами на стабилитронах.jpg
    363.7 KB · Просмотры: 160
Последнее редактирование:
Посмотреть вложение 143977

Как могут 5 В размаха входного напряжение не перегрузить чувствительный усилитель?
устал повторять: перед подачей сигнала на вход модели обрабатываю его ФНЧ первого порядка с частотой среза 100 кГц (как в DIM-100). Обработай и будет тебе счастье.
 
Да сколько ты можешь врать про вполне очевидные вещи?
перед подачей сигнала на вход модели обрабатываю его ФНЧ первого порядка с частотой среза 100 кГц
1753193294152.png


Где тут ФНЧ 100 кГц? Пальцем покажи.

1753193507974.png


Где тут ФНЧ 100 кГц?

1753193667631.png


1753193750347.png

Где на этих графиках видно, что ты сглаживал меандр фильтрами?

Как у тебя выходит, что ты подал на вход сглаженный меандр, а хвастаешься восстановленным чистым меандром? Откуда на выходе взялись лишние гармоники выше 100 кГц, которые ты на входе срезал ФНЧ 100 кГц, и как это коррелирует с тем, что ФНЧ 100 кГц на схемах нету, хотя ты говоришь - есть?

Где бородатый спектр бусрта? Давай, выкладывай.
По твоим словам, это, всего лишь, спектр синусоиды.

Спектр по установкам Пертова.png


устал повторять
Врать ты устал.
Фильтров нет - ты говоришь: есть. Врёшь.
Гармоник в бусрте 1 ГГц полоса - ты говоришь, их там нет. Опять врёшь.
1753194516723.png

Транзисторы в отсечке, ты говоришь: нет, не в отсечке. Снова врёшь.
Если график тока пересекает нулевую ось или касается её - это отсечка.

А чо бы ей не быть, если тут любой человек понимает: нельзя 3 В сигналы на вход транзисторного /ОУ винил-корректора подавать.

Так безбожно врать любой притомится.

Где спектры бустра? Выкладывай.

Ошибка!
Врать-то он НЕ устал.
Я не понимаю, как можно быть настолько лживым в таких простых, очевидных, вещах. Спектр не хочет давать, говорит: я уже ответил тебе.
Врёт на ровном месте, и совести хватает: достал глаза из морозильника и снова врёт.

Спектр давай, Петров. Слов там не надо. Словами про отсечку соврать просто:

1753162722828-png.143977


а графиком - нет:

1753194516723-png.144061
 
Последнее редактирование:
Да сколько ты можешь врать про вполне очевидные вещи?
Где тут ФНЧ 100 кГц? Пальцем покажи.
повторяю для особо непонятливых :)
Выложил модель с генератором меандра - все равно не понимает!
 

Вложения

  • Square_SCH.png
    Square_SCH.png
    78.3 KB · Просмотры: 105
При замере компенсационным методом,бурста и синуса,уровень искажений одинаковый.Где БУРСТОВЫЕ последствия в виде спектра радиосигнала на замере бурста?
Бурстовые последствия в виде сглаженных хвостиков при переходе от пачки синуса к ровной линии и обратно. Но чтобы увидеть спектры, вам придется перейти в другой режим и там запихнуть нарезанный бурст в окно анализа Фурье. Однако применимость разложения Фурье накладывает свои требования, поэтому спектры и получаются дикие.
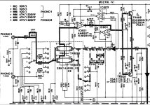
А смершу мой особый вопрос почему во входном ФНЧ УНЧ Рубеж, стоит конденсатор С12 на 47 пФ, а не на 470 или 1000 пФ, как это делают все вменяемые разработчики? :unsure:
Там стоит 470 пик, насколько я знаю. Покажите где вы взяли схему с 47 пик. Такое возможно только в какой-то промежуточной модели, где люди прощупывали какие-то свои вопросы, я полагаю.
 
Там стоит 470 пик, насколько я знаю. Покажите где вы взяли схему с 47 пик. Такое возможно только в какой-то промежуточной модели, где люди прощупывали какие-то свои вопросы, я полагаю.
 

Вложения

  • Рубеж.jpg
    Рубеж.jpg
    286.8 KB · Просмотры: 194
Это чья-то вариация. Вероятно, самого Жуковского, судя по охвату катушки и переносу коррекции в делитель ООС. Подождем его комментария.
 
Kora M3 Никитина. Собран в основном из того, что было в "тумбочке". Резисторы в основном Vishay, Wima отобраны из 5%.
 

Вложения

  • IMG_20250729_120559.jpg
    IMG_20250729_120559.jpg
    363.3 KB · Просмотры: 256
  • Kora 3T.jpg
    Kora 3T.jpg
    110 KB · Просмотры: 254
Детально о топовом варианте с Микролайновой иглой, нитридом галлия и flac-доказательствами

https://www.*******.com/posts/detalno-o-s-i-141557521
 

Вложения

  • -5449842186549068338_121.jpg
    -5449842186549068338_121.jpg
    230.4 KB · Просмотры: 135
  • -5449842186549068355_121.jpg
    -5449842186549068355_121.jpg
    147.1 KB · Просмотры: 137
  • PinkFloyd_Money.jpg
    PinkFloyd_Money.jpg
    379.6 KB · Просмотры: 183
Последнее редактирование:
надо попробовать симулятором посмотреть, что оно отфильтровывает...не лень будет, так вечером загоню. В ямахе а1000 (мало чем от а750 отличается...спараллелили сборки на полевых. да подстройка на несколько типов голов) тоже такое:
у А1000.JPG

можно и без этой гирлянды:
фильтр.PNGтак точнее.PNG
 
Последнее редактирование модератором:
по факту может этой цепочки и нет....там много несостыковок (несоответствия схеме) присутствовало

Вы попробуйте выход взять с левого вывода R153, как у них на схеме.
:)
я честно говоря с вертушкой его даже не пробовал...так в гараже и стоит
То в ямаху пою, то в китайский ланзар. Когда синусоида в сети не обрезанная, то ИМХО ланзар лучше звучит :), а когда синусоида клипирована, то кажется, что ямаха :)
 

Вложения

RIAA корректор в УКУ "Корвет УП-028С":
G-Wb0c7N6UHJiKDzV3qPObQFtIw-1920.jpg

На досуге перерисую умопостигаемым образом, отмоделирую.
 
1762378870932.png
Не понял (пока), чем переключается гирлянда резисторов на входе. Если к R3 добавить R2, то резонансный пик на ~25kHz выравнивается в привычный спад (-4dB на 20kHz) после ровной АЧХ до 10kHz.
Коллекторные токи транзисторов ДК равны 55µA.
Если верить LTspice, то шумы -80dBA. :)

Применены КТ502Е и КТ503Е, не уверен, что у меня SPICE-модели этих транзисторов правдоподобны.
На схеме указаны диоды Д104, к ним моделей нет, заменил на КД521А.

Из странного:
  • с указанным сопротивлением резистора R21 (620 Ohm) ток покоя выходных транзисторов меньше 100µA
 
Последнее редактирование:
Коллекторные токи транзисторов ДК равны 55µA
Если верить LTspice, то шумы -80dBA. :)
Естественно, єто брехня. Поди, сами догадываетесь.
Из странного:
  • с указанным сопротивлением резистора R21 (620 Ohm) ток покоя выходных транзисторов меньше 100µA
В єтой схеме это вообще ни о чем, класс "В" выхода.
Убежден, что в хорошем УК на входе обязаны стоять джфеты с хорошим током покоя, и на выходе должны быть мощные транисторы с уверенным током покоя, требующем радиаторов.
В общем, хороший УК должен быть теплым, или горячим
Это как бы база обеспечения и по низким шумам, и по линейности.
Единственно что этому мешает - джфеты должны быть или микросборкой, или подобраны.
Первые дефицитны, и выбор никакой. Со вторым обстоятельством морока.
Надо стенды строить, измерять, подбирать не только по начальному току, но и по крутизне.
А это несколько измерительных точек на каждый транзистор.
Есть один транзистор, котрый был бы идеален для входа УК, в том числе безоосного.
Но его практически нет, аналоги неизвестны. Инфа о нем во вложении.

 
Последнее редактирование:
Надо стенды строить, измерять, подбирать не только по начальному току, но и по крутизне.
Крайне простой прибор получается. На форуме есть схема.
Результат.
ВАХ (1).jpg
Сборку, которую предложил Сухов, не дорогая. Т. более учитывая, что не каждый день коррект. делается.
Сегодня это уже не проблемы.
 
Минский Интеграл делает КП365А. В Питере есть в наличии.
В курсе, что они там есть. Переписывался. Купить их можно исключительно только там, только самовывозом. В своей стране решил бы этот вопрос в течении минут, если бы были в продаже.
На следующий день они уже были бы у меня. В тех двух странах, в которой производят, и в которой продают, это практически невозможно. В рб их производят, но ни у одного белоруса их нет, и быть не может..
В рф куча объявлений об их продаже, но только в одном месте они реально есть.

В этой связи вспоминаю свою эпопею покупки тоже СИТов, только мощных, в одной новосибирской конторе.
Тогда еще была возможность и прямой оплаты через сбербанк рф, было его отделение в городе, и Укрпочта отправляла посылки в рф, и получала из нее. Заполнил простыню-заказ на две страницы, с множеством данных, чуть ли не отпечатков лап домашней собаки. Дали реквизиты к оплате.
Показали фото кучки этих транзисторов, совпадающей по количеству с заказом.
Перед тем, как идти оплачивать, проверяю почту - заказ отменен, транзисторы проданы.
Отака х#ня, малята.

Я опубликовал эту схему сугубо для ознакомления с историей вопроса.
Схема по теме, сведения по ней тоже в общую копилку темы.
 
Последнее редактирование:
Убежден, что в хорошем УК на входе обязаны стоять джфеты с хорошим током покоя, и на выходе должны быть мощные транисторы с уверенным током покоя, требующем радиаторов.
Правильное убеждение smile_29 . Токо добавлю, джифеты во входном ДК должны быть очень хорошо согласованы, как JFE2140 (они справа в соике-8). а ВК слева, на двух радиатороах.
 

Вложения

  • Cy-XXI_v.11.jpg
    Cy-XXI_v.11.jpg
    425.7 KB · Просмотры: 102

Статистика форума

Темы
3,347
Сообщения
269,649
Пользователи
2,576
Новый пользователь
grushar
Назад
Сверху Снизу