Транзисторные винил-корректоры

Александр Бокарев, Васянин Сергей и остальные заинтересованные - из той темы все мои картинки остались, от собеседников - ничего, это было еще время веры в незыблемость сети.
Есть три части моих рассуждений, основанных в т. ч. на обсуждениях и с учетом этих обсуждений, вот они в приложении (архив т. к. .doc не прходит). Еще раз обращу внимание - я рассматриваю только пассивную коррекцию.
Как я уже неоднократно писал, части 4 и 5 могут быть опубликованы после войны, но они все больше начинают представлять исторический интерес...
Спасибо!
 
Тема интересная в плане пасс коррекции. понятно если мы соединим две цепи последовательно анти RIAA и RIAA то получим практически идеальное восстановление, в реальности между ними стоит усилительный каскад и как он усиливает так и будет восстановление. У меня как то получилось так . сигнал после цепи анти RIAA то он будет иметь форму верхней осциллограммы на фото1. и если скорострельности хватает то и восстановление идеальное. если усилитель один пик усиливает больше другого то фото2 если не хватает скорости то фото3 ну и если усилитель вошел в клип фото4. Вопрос надо ли нам такая скорострельность с фронтами в мегагерцы и что реально мы имеем от головки в плане скорости нарастания сигнала.
1.jpg2.jpg3 не скоростной оу.jpg4.jpg

Цепь использовал такую, грубо видно что после 350кгц она все пропускает со свистом с фронтами нарастания в 3 мксек как я понимаю.
AntiRIAA_filter_(Lipshitz_and_Jung_1980)_RUS.png
 
Последнее редактирование модератором:
В части 2 из архива с предыдущей страницы (сообщение #2,790) показано, что длительность фронтов подаваемого на антиRIAA цепь меандра д. б. 16-20 мкс (16 мкс по уровням 0,1-0,9, 20 мкс весь фронт от 0 до 1).
На входе корректора после такой цепи сигнал д. б. ±50 мВ (соответствует максимальному наблюдаемому с пластинки на выходе головки ММ на нагрузке 47 кОм).
Удобнее наблюдать при частоте меандра 5 кГц.
 
dso_09_02_12_22_10.png
Вот сигнал с пластинки измерительной.
 
Посмотреть вложение 168587
Вот сигнал с пластинки измерительной.
Ну, импульсы с измервинила дают информацию о демпфировании внутренних резонансов подвижки, в первую очередь. Тогда как цепочка инверсной RIAA показывает слабые места корректора в плане перегруза.
 
Между осциллографом и ГВ какой усилитель находится? С какой АЧX?
Я даже не скажу какой, обычный ММ или МС корректор, осциллограммы у них очень похожие, потому, как коррекция подбиралась очень тщательно, а головки довольно ровные.
 
Уточню свой вопрос.
С RIAA коррекцией или обычный, с линейной АЧХ?
.........
Думаю, что именно осциллограму с меандром, точно покажет только линейный усилитель.
Коррекция РИАА корежит сигнал.
Но это конечно ....не совсем для аматора работа.
 
Последнее редактирование:
В части 2 из архива с предыдущей страницы
Прошу прощения забежал впереди паровоза. прочитал.
Удобнее наблюдать при частоте меандра 5 кГц.
Наблюдать может быть, но надо на всех звуковых считаю.
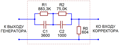
Судя по схеме 1 это обычный фильтр 1го порядка с частотой среза 26кгц мне кажется это очень легкая задача увеличил бы задачу до 53кгц 10 мкс. Прототипом усилителя был рис 2 с кооф ус 50 при входном 1 вольте до антиRIAA получилось считаю очень приличное восстановление. RIAA цепь рис 3. Практически на любом OУ.
 

Вложения

  • 2.png
    2.png
    29.3 KB · Просмотры: 126
  • 1.jpg
    1.jpg
    66 KB · Просмотры: 106
  • 3.jpg
    3.jpg
    54.7 KB · Просмотры: 108
  • 100.jpg
    100.jpg
    492.7 KB · Просмотры: 100
  • 1000.jpg
    1000.jpg
    680.8 KB · Просмотры: 91
  • 10000.jpg
    10000.jpg
    504.5 KB · Просмотры: 87
  • 20000.jpg
    20000.jpg
    540.5 KB · Просмотры: 115
Последнее редактирование:
1770583560417.png

Жэстачайшэ глупая схема. Невообразимо дебильная. Входное сопротивление каскада на ОУ через рез.1 параллельной ООС при 100.000 раз усиления ОУ будет равно частному сопротивления и усиления:

Rвх = 100 кОм / 100.000 раз = 1, мать его, Ом.

Нагруженный на такое гигантское сопротивление, несчастный полевик никакого усиления развить не может. Какое тогда его назначение? Просто организовать высокоомный вход?

Надо, всего лишь, побить рез.1 напополам и прервать ООС через него конденсатором в пару сот микрофарад. Некрасиво? А шо ты зробыш, якщо схэма кульгава.

Иллюстрация:

1770584274364.png

Аналогичная схема. Ёмкость С9 меняем от 0, получая исходную схему, до 1000 мкФ, получая предлагаемый вариант.

1770584381243.png

Белая кривая - петлевое исходной схемы. Как и обещано, на НЧ, с ростом Ку ОУ, оно снижается и на 15 Гц Ку.петл = 0 дБ. То есть, общая ООС не работает, нечем.

Зелёная показывает выигрыш в 44 дБ на 20 Гц.
Далее к ВЧ Ку ОУ падает и Ку ПТ возрастает, так что общий Ку стабилизирован ...ухудшением Ку ОУ.

Это радиотехника, друг, тут 1% науки и 99,5% психиатрии.

Как ещё один вариант:

1770584167047.png


Тут ООС через биполярный транзистор держит режимы стабильными без особых извратов.
Вообще, ПТ имеют низкую крутизну, высокого усиления и глубокой ООС на них добиться трудно. Не помешал бы ещё один каскад усиления напряжения.
 
Где можно подглядеть правильную анти (RIAA)для УВ?
 

Вложения

  • antiRIAA7950finetuned.jpg
    antiRIAA7950finetuned.jpg
    35.6 KB · Просмотры: 103
  • NickSukhov_antiRIAA7950.jpg
    NickSukhov_antiRIAA7950.jpg
    419.4 KB · Просмотры: 102
Последнее редактирование модератором:
АЧХ УВ не стандартизована...
Не совсем так. Точнее, совсем не так. Она для УВшек тоже стандартизована, но немного иначе, чем для фонокорректоров. Подробно всё рассмотрено вот тут [ https://www.*******.com/posts/3d-tau-ili-vsio-80102265 ], а кратко - в аттаче.
 

Вложения

  • TAU_txt.png
    TAU_txt.png
    102.6 KB · Просмотры: 76
  • 3D.png
    3D.png
    255 KB · Просмотры: 81
  • R8C4R15.png
    R8C4R15.png
    157.1 KB · Просмотры: 70
Последнее редактирование:
Последнее редактирование:
Да,мне нужно было написать правильно,например обратная коррекция для УВ.
Сергей, для головок воспроизведения магнитофонов их АЧХ в гораздо бОльшей степени зависит от т.н. щелевых\волновых потерь головки\ленты, поэтому, в отличие от фонокоров, АЧХ УВ обычно доводят "живьём" с реальным воспроизведением с ленты. Поскольку обратная коррекция будет слишком приблизительной.
 
R10xC2=почти 4 минуты не особый изврат ждать ? _hm_
Схема содрана с Маяка-010. Я что, виноват, что её извращенцы делали? Особый изврат - вот:
1771100182606.png

От ёмкости этого конденсатора обратно пропорционально зависят искажения. Появляются они потому, что разогнутый дифкаскад Т1Т2 нелинеен, и чем меньше С7, тем больше подрабатывает на микротоках Т2, а не должен, для линейности.

Увеличение ёмкости конденсатора в этой позиции повышает линейность схемы:
1771102815765.png

Тут это С2 справа вверху. Задаём ему ёмкость:
1. 5 мкФ - Маяк-010-стерео, белый график,
200 мкФ - моя схема, зелёный:

1771102900496.png

1771102978140.png

28 дБ выигрыша в линейности.
1771103030308.png

60...70 дБ выигрыша в линейности.

и тут появляется заманчивый выбор:
или слушать быстро, но искажения, выбор Сухова,
или подождать и слушать на 70 дБ лучшее качество - мой.
 
Последнее редактирование модератором:
или подождать и
 
1771154954976.png

Составляем модель, где источники питания заменены генераторами меандра, как на самом деле оно и есть.
Скорость нарастания ставим 100 мс, начальное напряжение - 0, конечное - 15 В.

1771155079136.png


Белым: киевская поделка с 5 мкФ. Генерит на старте, но в режим входит резко.
Зелёным: донбасский апгрейд: 200 мкФ. Ждать надо аж 6 сек, искажений на 70 дБ меньше.
и тут появляется заманчивый выбор:
или слушать быстро, но искажения, выбор Сухова,
или подождать и слушать на 70 дБ лучшее качество - мой.
 
Последнее редактирование:
Интересно, что у двух фениксов схожие корректоры. Принципиально ли различие?
 

Вложения

  • {1CE0F87E-54F3-4B9C-9C94-20396954E964}.png
    {1CE0F87E-54F3-4B9C-9C94-20396954E964}.png
    33.6 KB · Просмотры: 81
  • 433.jpg
    433.jpg
    98.5 KB · Просмотры: 94
Взял на пробу забавные КП510, N, симуляторы JFET на МОПе, нормально открытые, закрываются тремями вольтами. У них какое-то собачее название по англицки, еншансед что ли.
Есть возможность пощупать на стенде КП313А. Они по паспорту не только ВЧ, нормируются и для работы на низких частотах. Нормально открытые МОП, закрываются тоже тремя вольтами.
Правда, корпус дурацкий.

КП313_.jpg
 
Последнее редактирование:
Есть возможность пощупать на стенде КП313А. Они по паспорту не только ВЧ, нормируются и для работы на низких частотах. Нормально открытые МОП, закрываются тоже тремя вольтами.
Правда, корпус дурацкий.
Наврал склерозной памятью, КП110 зовутся эти полевики. Нормально открытые МОПы.
 
Вполне возможно, что все нормально открытые схожи по ВАХ.
"110" - низкочастотные.
 
Интересно, что у двух фениксов схожие корректоры. Принципиально ли различие?
Обое рябое. Шиповники, приична - 1) биполяры на входе 2) входные каскады с активной нагрузкой.
 
Обое рябое. Шиповники, приична - 1) биполяры на входе 2) входные каскады с активной нагрузкой.
Шиповник- забавное прозвище. Шипят и колят шипами обеи ухи.
В начале 80-х собирали с подачи шефа его корректор на базе 284 УД1, рукопашной сборки операционник с полевым входом. При всей его дремучести и никудышных параметрах ( слю рейт 0,2 в на мкс) звучал неплохо. Насколько можно было тогда понять , что такое неплохо.
 
корректор на базе 284 УД1
Аналогично, тогда же на ней делал. Если память не изменяет, 284УД1 это гибридка из 140УД1 с парой полевиков на входе. Мне звучание нравилось больше, чем штатного корректора Виктории. В коррекции использовал к71-7.
 
Может немного не в тему, но спрошу здесь. В свете нескольких имеющихся источников сигнала в своей системе, искал не сильно дорогой пред с развитой коммутацией, и наткнулся на Tесhniсs SU 70А? Что там за корректор? Что-то в сети схему не нашел, да и вообще инфы немного.
 
284УД1 это гибридка из 140УД1 с парой полевиков на входе
Чуть память изменяет, стояла в более поздних вариантах К284УД1 - К740УД1Б, это кристалл К153УД1Б
 

Статистика форума

Темы
3,347
Сообщения
269,651
Пользователи
2,576
Новый пользователь
grushar
Назад
Сверху Снизу