Винил-корректор Сигма без общей ООС

К чему этот батл с интегратором?
int.png
 
Под занавес этой мутоты нужен контрольный, как у Онегина:

1771275213568.png

Как уже говорилось,:
Да ты рехнулся, дядя. Ты в законах Киргофа - полный сибирский валенок.
Сигнальной ООС считается ТОЛЬКО сигнальная петля. Сервисная петля к сигнальным не относится. Будь у тебя там хоть 100500 дБ усиления в сервисной, качество сигнала это не улучшит, а только ухудшит.
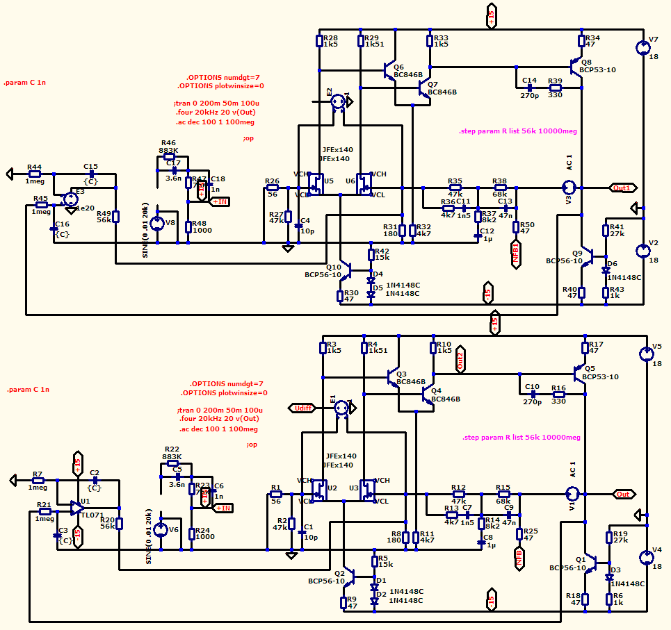
усиление ОУ интегратора сервопетли - не благо, а проблема. Этот тезис может быть непонятен даже сейчас. Потому собрана модель сравнения петлевых усилений для обычного ОУ и с гигантским усилением математического множителя:

1771275472757.png

в том же включении.

Что же у нас получились?

1771275765511.png


Белая АЧХ - петлевое с привычным нам ТЛ071.
Зелёная - с математическим опером. Как видим, он подавил усиление в петле ещё выше по частоте. От и без того нищебродских 50 дБ осталось 10 дБ в холке.

Применяй, сухов, ОУ получше. Могу предложить композиты, чтоб наверняка.
 

Вложения

Статистика форума

Темы
3,296
Сообщения
262,248
Пользователи
2,544
Новый пользователь
vlad'mir
Назад
Сверху Снизу