Звуковая схемотехника 2024

  • Автор темы Автор темы NEULO
  • Дата начала Дата начала
Последнее редактирование модератором:
я те скажу к чему это ведёт. каждый день одинаковые бредни. резистор припаял- стало сочнее, транзистор удалил стало сухее, потом ещё что нибудь- аж сердце захолонуло! и так до бесконечности обмолот пустого в порожнее, и получится из тебя второй бочкарёв, который несомненно крут , но конструкции которого никому нахрен не упали. нет ничего законченного , потому что.
Ну вот на те идейку, как поднять усиление в коротком тракте, ( однокаскадный УН ) не меняя схемы.
1722849371848.png
и вот спектр
1722849508087.png
 
а источники в эмиттерах что делают?) и как ты их реализовывать будешь?
да хоть как.
наверное можно даже стабилитроны или диоды поставить
счас посмотрю
 
Есть такое понятие- деэволюция. Так что пока ты ползёшь в сторону обезьянки. А там и до амебы недалеко.
работает
1722856261238.png
Спектр немного хуже чем с источником питания, но не намного, можно подправить, потому что здесь питания немного меньше, и это реальная схема.
 
работает
Посмотреть вложение 106271
Спектр немного хуже чем с источником питания, но не намного, можно подправить, потому что здесь питания немного меньше, и это реальная схема.
Модель поправь. Я всегда говорил что не нужно выёживаться в начертании- ошибок наделаешь. Диоды напряжения не добавляют, а убавляют на .6*3=1.8 вольта.
1722857540901.png
 
Модель поправь. Я всегда говорил что не нужно выёживаться в начертании- ошибок наделаешь. Диоды напряжения не добавляют, а убавляют на .6*3=1.8 вольта.
Посмотреть вложение 106273
1.Поправил, спс.
2.Я не выеживаюсь с черчением, вот не дано мне чертить, так не дано, поэтому так и получается.
3. Это понятно что на диодах падает напряжение, но здесь ведь нужно получить между эмиттером и шиной питания - больше двух - трёх вольт, и при этом взять максимум усиления.
Так и возникла идея.
И изначально я взял источник питания просто проверить идею, это было проще всего.
Но и с опорным напряжением на диодах работает так же
Можно ещё поставить Убэ сплиттер вместо диодов, или ЭП с регулятором, или даже батарейку для проверки идеи.
Вариантов много, но с диодами наверное самый прпктичный
 
Предварительный итог по мелкооснику
1. Итоговая схема по кол-ву деталей получится не меньше среднего СЛ, плюс ещё сервисные узлы ( регулировка т.п и охлаждение радиаторов ) связанные со значимым током покоя выхода, при которых достигаются довольно высокие параметры. В СЛ низкие интермоды при небольшом токе покоя получаются за счёт глубокой ООС, а в мелкооснике как ни крути, нужно увеличивать ток покоя хотя бы до 300- 350 мА, как минимум, когда достигается резкое снижение индермод по сравнению с током покоя 100мА.
И никакие схемотехнические ухищрения именно в этом схемотипе не позволяют так эффективно снизить интермоды как увеличение т.п.
Но менять схемотип я пока не буду, он меня полностью устраивает
2. Развитие схемотипа я вижу через улучшение именно ВК, до четырехкаскадного, чтобы полностью разгрузить УН и попробовать его на разных режимах малого тока покоя,порядка 3-5 мА, и для этого нужен четырехкаскадный ВК, из которых - первые два каскада -паралельники, и последние два - дарлингтон
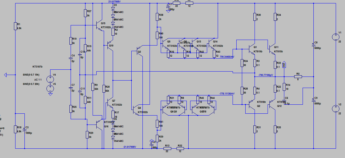
Здесь представлена схема на основании вышеизложенного.
В симе схема работает, думаю в железе тоже будет работать без проблем, потому что хотя ВК и четырехкаскадный, но паралельники мало склонны к возбуду, в силу специфики работы, поэтому ВК устойчив, несмотря на большое кол-во каскадов усиления по току.
Извиняюсь за корявость, нет сил и желания перерисовывать нормально, ибо это не окончательный вариант, а скорее пробная версия идеи, так что, пока так - как есть
Когда оптимизирую, нарисую нормально
1722879618545.png
Спектр. Пока не знаю как убрать палку 1 кгц, но думаю это вопрос времени
1722879713965.png
 
Развитие схемотипа я вижу через улучшение именно ВК, до четырехкаскадного, чтобы полностью разгрузить УН
Не дуркуй. Возьми вот такой элемент:

1722880391366.png

Сконфигурируй так:

1722880530181.png


Через ПКМ вызови значение Е и выбери его равным 1:

1722880659216.png

У тебя получится идеальный ВК. Встраиваешь его в схему и видишь, насколько улучшились искажения.

Спойлер:


Спойлер? Его не будет.
 
По-сути,идея набора большого усиления для снижения искажений в оосных схемах - верна, и у меня это не вызывало сомнений, просто я ещё с темы Короткий тракт, принял для себя, что самое главное в усилении, это - набор усиления по току, делал и делаю упор именно на это.
И в моей схеме, общее усиление тоже довольно велико (четыре каскада УПТ), просто - ползунок "тип усиления", смещен в сторону усиления тока, а не напряжения.
Я и сам осмысливаю такое решение, к которому шел в большей мере наитивно, но оно для меня интересно, и я вижу для себя смысл поработать с таким решением,тем более что в железе это работает неплохо.
Посмотреть вложение 106301
Режим с оборванной базой запрещён, мало того, симуль будет ругаться, или долго считать, пытаясь понять токи транзисторов через паразитные параметры Iкбо.
1.Я уже исправил с подсказки Неуло
2. До сима теперь доберусь только в четверг вечером, там и задам вопросы по вашей методике измерений.
 
Последнее редактирование:
Попробовал сейчас на скорую руку, идею диодного бустера в УН, в железе
IMG_20240806_113246.jpg
Изменения в звуке в лучшую сторону - слышны явно.
Продолжу до 10 Ом эмиттерного резистора
 
поставь оба транзистора на общий радиатор размерами вдвое больше твоего. тогда можно будет сравнить. а пока вышло что на радиаторе вдвое меньшей площади транзисторы перегреваются, а на большей - не особо. физика она такая.
 
Ну вот решил наконец -то попробовать сделать вход - так, с входным повторителем- паралельником.
IMG_20240806_190713.jpg

...почти канонично.... и попробовал сделать так, что бы снизить искажения на НЧ ( по спектру симулятора ). В железе вроде норм. и без повторителя
Есть у меня подозрение, что низкое петлевое на НЧ в графике сима (60 -70 дБ), было из -за изначального отсутствия - входного повторителя. Позже нарисую в симе, гляну что изменилось.
1.Вот ведь, всё у меня вверх ногами... сначала делаю в железе, а потом смотрю в симе...Всё не как у людей :)
2. Звучит нормально, но немного по другому чем с двух конденсаторным входом ( первый вариант )
 
Последнее редактирование:
Завел бы сразу в ОБ.
 
Повторил Агеева. Молодца
 
Король.
 

Вложения

  • король.gif
    король.gif
    31.6 KB · Просмотры: 121
в своё время моделирование этого усилка показало что он довольно убогий. но если использовать его как ун - то вполне чего нибудь можно и создать.
 
НЕУЛО, пожалуйста открой тему Шушурина
Что то я там мудрю....
Сим кочевряжется - рисунок м икры огромный, ладно, через огород вставил.
Так опять ему что-то не так - иерархию какую то хочет и список соединений....
Посмотри пожалуйста - поправь, что нетак...
 

Вложения

Последнее редактирование:
это потому что ты моделировать не умеешь. даймонд можно довести до ума вполне, но в чистом виде он довольно отстоен. я бы даже сказал " наредкость"
но я вообще то не об том.
Не для того тато квіточку ростив.
Даймонд буфер був вигаданий для роботи в режимі класу А з малими сигналами в складі монокристалічної інтегральної мікросхеми.
Використання схемотехніки не за призначенням до добра не доводить.
 
поставь оба транзистора на общий радиатор размерами вдвое больше твоего. тогда можно будет сравнить. а пока вышло что на радиаторе вдвое меньшей площади транзисторы перегреваются, а на большей - не особо. физика она такая.
Нет, два транзистора на общем радиаторе удвоенной площади, будет хуже, чем - по отдельности на половинной.... транзисторы будут саморазогревать друг друга за счёт тепловой ПОС.
А когда , каждый на своем радиаторе, тепло они отдают в воздух, а не на саморазогрев друг друга
Это физика термодинамики
Повторил Агеева. Молодца
Вы так схему и не показали, а мне и правда было интересно глянуть.
Я ведь не претендую своей схемой на оригинальность и новаторство. хотя в ней и есть оригинальные решения.
Я лишь показал законченный вариант причесанный под каноничность по входу.(паралельник) Просто решил попробовать для сравнения по звуку с изначальным - двух конденсаторным.
Так то по звуку мне хватает и изначального, без паралельника на входе.
 
Последнее редактирование:
Если брать физику процессов, относительно термостабилизации тока покоя транзистора, то я понимаю так:
В идеальных условиях, когда на транзистор не оказывается ни какого возмущающего термодинамического влияния извне , и всё - чем он несколько термостабилизирован, это лишь отдельный радиатор, на которой он закреплён напрямую, без изоляторов тепла:
То - единственным фактором сдерживающим неконтролируемый рост тока покоя, является - температура кристалла, у которой есть порог, индивидуальный для каждого типа транзистора, выше которой, начинается неконтролируемый постепенный рост тока покоя приводящий к разрушению кристалла, если эту температуру не регулировать так или иначе
Если же температура кристалла не доходит до этого критического порога, то - ток покоя может немного плавать, но не выходить за допустимые рамки установленного, даже без принудительной регулировки извне.
Что и показывает моя практика эксперимента с одиночными радиаторами
Например, для КТ818-19, таким током покоя при текущих данных размерах радиатора, является 250 мА, который и определяет максимальную температуру радиатора и кристалла, при которой ток покоя немного плавает, но ещё не уходит в безконтрольную зону.
 
Если брать физику процессов, относительно термостабилизации тока покоя транзистора, то я понимаю так:
В идеальных условиях, когда на транзистор не оказывается ни какого возмущающего термодинамического влияния извне , и всё - чем он несколько термостабилизирован, это лишь отдельный радиатор, на которой он закреплён напрямую, без изоляторов тепла:
То - единственным фактором сдерживающим неконтролируемый рост тока покоя, является - температура кристалла, у которой есть порог, индивидуальный для каждого типа транзистора, выше которой, начинается неконтролируемый постепенный рост тока покоя приводящий к разрушению кристалла, если эту температуру не регулировать так или иначе
Если же температура кристалла не доходит до этого критического порога, то - ток покоя может немного плавать, но не выходить за допустимые рамки установленного, даже без принудительной регулировки извне.
Что и показывает моя практика эксперимента с одиночными радиаторами
Например, для КТ818-19, таким током покоя при текущих данных размерах радиатора, является 250 мА, который и определяет максимальную температуру радиатора и кристалла, при которой ток покоя немного плавает, но ещё не уходит в безконтрольную зону.
Соглашусь с вашей цифрой. На этом токе уходит ступенька в выходном каскаде, проявляющая себя на высокой частоте без применения ООС . И радиаторы еще не безумного размера.
В таком режиме работают биполярные пары в генераторе к катушке Мишина, на 300-400кгц с током в нагрузке 1 Ампер. Термотранзистор прекрасно держит нужный ток покоя.
 
Соглашусь с вашей цифрой. На этом токе уходит ступенька в выходном каскаде, проявляющая себя на высокой частоте без применения ООС . И радиаторы еще не безумного размера.
В таком режиме работают биполярные пары в генераторе к катушке Мишина, на 300-400кгц с током в нагрузке 1 Ампер. Термотранзистор прекрасно держит нужный ток покоя.
Хотелось бы сделать 350 мА и более, но тогда нужен или обдув радиаторов или увеличение размера или термостабилизация через термодатчик.
Но в принципе, в моей схеме хороша слышна разница между током покоя 50 мА, и 250 мА.
Уходит резкость на высоких частотах, звук становится более мягкий и ровный
 
Хотелось бы сделать 350 мА и более, но тогда нужен или обдув радиаторов или увеличение размера или термостабилизация через термодатчик.
Но в принципе, в моей схеме хороша слышна разница между током покоя 50 мА, и 250 мА.
Уходит резкость на высоких частотах, звук становится более мягкий и ровный
Рассказывал , как в усилителе с многопетлевой ООС Зуева для забавы задрал ток покоя , видимо. в несколько сот мА , после чего раскалился весь корпус усилителя. Но при этом вдруг перестал трещать и обрел плавность звучания один позорный винил , парагвайской выделки. До этого слушать его было невыносимо.
 
Агеев радио 8/85 . Сколько можно говорить
 
Рассказывал , как в усилителе с многопетлевой ООС Зуева для забавы задрал ток покоя , видимо. в несколько сот мА , после чего раскалился весь корпус усилителя. Но при этом вдруг перестал трещать и обрел плавность звучания один позорный винил , парагвайской выделки. До этого слушать его было невыносимо.
Запросто.
Видимо и глубокая оос не всегда может устранить этот непреодолимый порог минимального качества звука.
А уж в мелкооснике и подавно.
2.Что касается размера моего радиатора, я рассматриваю его как промежуточную подложку транзистора, которую можно крепить на более мощный радиатор, или просто усиливать/ впресовывать медными штырями из толстого провода , или охлаждать небольшими кулерами от компов, но с которой уже можно работать на начальном этапе без опасности сжечь транзистор.
Но как оказалось, такая "подложка" может много больше, чем предполагалось :)
 
Это физика термодинамики
физика мозговых слизней скорее.
Например, для КТ818-19, таким током покоя при текущих данных размерах радиатора, является 250 мА
Слишком дохрена. И главное нафига какой козе такой баян нужен? Сегодня это говно без термостабилизации работает- завтра жара случилась- собирай угольки. Херню ты несёшь как обычно. И бред.
Хотя бы потому что некая "термоПОС" должна быть и в случае с одним транзистором- потому что он сам себя тоже греет, так же как два- друг друга и САМИХ СЕБЯ.
Умные слова я гляжу ты прочёл, а что они значат - не знаешь.
А как же быть с Драконом где четыре транзистора на радиаторе? Выход и предвыход?
А ТТ - где все четыре выходника на уголке стоят и в саморазогрев никакой не уходят? Айайай, что же делать?
1723012597887.png Это весь такой мощный радиатор, для испытаний достаточно. Греется конечно но никуда не уходит ни в какую пос.
 
Ваще то будет тепловая ООС
отриСАТЕЛЬНАЯ.
Более слабый транз греется более - ток возрастает.
Он греет более сильный и через того ток возрастает - отнимает часть тока у слабого....
Оттого происходит УСРЕДНЕНИЕ тока через парралельные выходники - тенденция такая, в направлении к оному

Вот такая физика... :-)
 

Статистика форума

Темы
3,302
Сообщения
262,884
Пользователи
2,544
Новый пользователь
vlad'mir
Назад
Сверху Снизу