10АС-229

scamp

1 ранг
Регистрация
28 Окт 2021
Сообщения
1,704
Реакции
1,342
Репутация
68
Страна
Россия
Город
Ростов-на-Дону
Имя
Александр
И не только её, но и вашу программу, которой я не верю.

Всего навсего, Вы не хотите/не имеете желания её освоить...
Я не хочу вступать в ваш спор что лучше что хуже и скорей всего промолчал бы, но есть одно но тут Тимур спрашивает
Вы можете поделиться в двух словах, чем измеряете, или я традиционно буду послан читать Хомячка?
А в ответ тишина. Думаю ни Андрей ни Сергей не хотя навязывать своё мнение. Так что Тимур выбор за вами. Только мне правда важней. АЧХ 15гд14 её можно узнать по первым трем нотам. Можно сказать это наверное один из популярный динамиков среди отечественных его АЧХ на каждом заборе нарисована. Как по мне АЧХ Андрея больше похоже на АЧХ среднечастотника.
Ниже привожу АРТА АЧХ 15гд14 это тоже динамик резонанс который я показывал выше.

1761844586189.png
 
Регистрация
23 Май 2020
Сообщения
2,384
Реакции
1,044
Репутация
70
Предупреждений
1
Когда здесь говорят о фазовых фильтрах, то я бы начал с книги Шкритека. Нового пока ничего не придумано: хочешь получить резкий спад в полосе подавления (например, фильтр Кауэра)– будь готов жертвовать переходной характеристикой фильтра.
 

apalych

1 ранг
Регистрация
7 Июн 2021
Сообщения
2,817
Реакции
2,770
Репутация
113
Страна
UA
Город
Кам'янець-Подільський
Имя
Андрій
Как по мне АЧХ Андрея больше похоже на АЧХ среднечастотника.
Смотрите выше на условия, способ измерения и "почему так" (это важно). Тому и "больше похоже на АЧХ среднечастотника".
В дощечке/картонке/"меж коленями" левая часть графика будет похожа на Вашу.
Но в данном случае нужна была правая часть – "ступенька" выхода из поршневого.
А наизмеряв некое кол-во динамиков free air, сразу видно, что будет в некоем ящике.
Естественно, что реальные АЧХи нч/сч/шп получаю в относительно нормальных щитках.
Думаю ни Андрей ни Сергей не хотя навязывать своё мнение. Так что Тимур выбор за вами
Так точно!
Никак не хочу навязывать своё. А ведь можно было и Smaart или Sonarworks присоветовать, в которых частенько резвлюсь...
Тут ведь такое дело, что многие "олдфаги" привыкли к АРТЕ, бо другого не знали (сам давненько пользовал), и понеслась... А мне-то всё равно в какой намерять, но выбираю более функциональные и по мне удобные.
...а в прошлой жизни начинал с древней MLSSA на их ISA-карте. Даже забыл уже.


Я не хочу вступать в ваш спор что лучше что хуже
Это у нас с ув.Сергеем давнишняя "стычка".
Как то "терпим" друг друга;)
 
Последнее редактирование:

scamp

1 ранг
Регистрация
28 Окт 2021
Сообщения
1,704
Реакции
1,342
Репутация
68
Страна
Россия
Город
Ростов-на-Дону
Имя
Александр
Моя ачх снята фриаир в двух сантиметрах от диффузора.
 

apalych

1 ранг
Регистрация
7 Июн 2021
Сообщения
2,817
Реакции
2,770
Репутация
113
Страна
UA
Город
Кам'янець-Подільський
Имя
Андрій
Моя ачх снята фриаир в двух сантиметрах от диффузора.
Ну вот!!!
Это для "оценки низа и левого ската" (Fs около 55, Qts в р-не 0.9?)
А теперь в воздухе см 70, и увидите "шо-по-чём";)
Правую часть таки не узнаете. А слева будет похоже на моя.
 
Последнее редактирование:

Тимур

3 ранг
Регистрация
8 Апр 2021
Сообщения
59
Реакции
23
Репутация
17
Страна
Украина
Город
Каменское
Имя
Тимур
Так что, если не хотите долго ходить по граблям аудифилии, вам нужно научится делать слепые прослушивания своих результатов
Юрий(я надеюсь правильно к Вам обращаюсь), я когда прочитал Ваше сообщение, в конце издал звук, схожий с возгласом Эллочки людоедочки при виде ситечка ). Спасибо Вам огромное за то, что поделились такой информацией, я даже узнал, что такое RT60 ). Со слепым тестом согласен на 300 процентов, этот урок усвоен!

Насчет взаимодействия помещения и АС я понимаю, только тут вопрос как его учитывать в реалиях жизни. Мне кажется в любом случае стоит сделать АС полинейнее, а в конкретных условиях уже с резонансами решать. Ну, я понимаю, что можно поставить микрофон в месте прослушивания и процессором автоматически выравнять картину, но это ж лишает многих удовольствий по личному участию в процессе ).
В общем снижение Кг динамика при работе от кроссовера не особо то и наблюдается
Хочу спросить технический вопрос из Вашего опыта. На 30 и 40 герцах разница просто колоссальна, при том, что в других местах с фильтром даже ниже КГ. Не наблюдали ли Вы такого, чтобы резкие локальные всплески искажений ухудшением звучания маскировали небольшое монотонное увеличение искажений на других частотах?
Обратите внимание что для снижения Кг на частоте 3кГц в 4 раза, потребовалась воздушная индуктивность в 680мкГн. При этом, посмотрите что на низу диапазона Кг вырос уже даже при 170мкГн.
Да, увидел, спасибо! И тоже хочу спросить о данном конкретном случае - там, где выросли внизу искажения, СЧ обычно отрезают, зато в очень чувствительной зоне в 3КГц они сильно упали. И суммарно искажения упали на целый процент. Получилось, что приход очень хороший? Или я может не так разглядел по неопытности.
Пока не заморачивайтесь. Тем паче, что это не "индивидуальные", а Genericʼи.
Понял, не делать чего-то это хорошая рекомендация, мне нравится ) добавлю потом как-нибудь и сравню.
А вы тоже не заметили среди моих многих букафф - шнур для разъёма XLR ? Питание фантомное?
Я заметил, но Вы так спросили, что я подумал, Вы уже знаете ответ и хотите подколоть ). Да, XLR и у микрофона и у внешней аудиокарты, 48 вольт. Но как водится, схемы подключения нет, предполагается что покупающий и так всё знает.
А LIMP пользуетесь? Ну. Это один программный пакет,
да, посмотрю, что в пакете кроме LIMPa, спасибо!
Думаю ни Андрей ни Сергей не хотя навязывать своё мнение.
Тогда спрошу так, чтобы отвечать было не так трудно - какая программа проще для освоения начинающими при приемлемой точности?
 

KSV

1 ранг
Регистрация
10 Июн 2020
Сообщения
6,950
Реакции
7,207
Репутация
254
Страна
Россия
Город
Москва
Имя
Сергей
Насчет взаимодействия помещения и АС я понимаю, только тут вопрос как его учитывать в реалиях жизни.
Пока не заморачивайтесь, не делите шкуру неубитого медведя.
Первый этап - сделать АС с ровной АЧХ насколько получится. Второй этап - поискать для неё и для себя место.
Ну, я понимаю, что можно поставить микрофон в месте прослушивания и процессором автоматически выравнять картину, но это ж лишает многих удовольствий по личному участию в процессе ).
Не только удовольствия лишает. Вы становитесь рабом приблуды и без компьютера слушать не сможете, а сама приблуда тоже звук портит.
хочу спросить о данном конкретном случае - там, где выросли внизу искажения
Не лезьте в искажения. Каждому овощу своё время.
Искажения в первую голову зависят от динамика и того сколько в него навалили. Ну увидите их, и что - легче станет?
И суммарно искажения упали на целый процент. Получилось, что приход очень хороший? Или я может не так разглядел по неопытности.
Вы любите когда вам голову морочат?
Я заметил, но Вы так спросили, что я подумал, Вы уже знаете ответ и хотите подколоть
Как я могу колоть когда на картинках ничего не видно?
Да, XLR и у микрофона и у внешней аудиокарты, 48 вольт. Но как водится, схемы подключения нет, предполагается что покупающий и так всё знает.
Огорчительно и матом, но удержусь - не было у бабы заботы, купила баба порося...
XLR куда сувать будете? А где 48 для фантома возьмёте? :sick:
Тогда спрошу так, чтобы отвечать было не так трудно - какая программа проще для освоения начинающими при приемлемой точности?
Понятно же - ARTA она в одном пакете с LIMP и пароль одинаковый, но его надо вводить для каждой программы.
 

Тимур

3 ранг
Регистрация
8 Апр 2021
Сообщения
59
Реакции
23
Репутация
17
Страна
Украина
Город
Каменское
Имя
Тимур
XLR куда сувать будете? А где 48 для фантома возьмёте? :sick:
Я ж после слова микрофон написал про аудиокарту, может поспешил, и не сложил нормально предложение. Сувать буду сюда, там же и 48 вольт сидят
 

Вложения

  • IMG_3220.jpeg
    IMG_3220.jpeg
    330.5 KB · Просмотры: 8

apalych

1 ранг
Регистрация
7 Июн 2021
Сообщения
2,817
Реакции
2,770
Репутация
113
Страна
UA
Город
Кам'янець-Подільський
Имя
Андрій
какая программа проще для освоения начинающими при приемлемой точности?
"Точные" все.
Для более простеньких действий и побыстрячку, то
Понятно же - ARTA

А вот для более серьёзного применения – таки REW. Возможно, она в освоении сложнее, но "там есть всё", в т.ч. и генерация для DSP/EQ, и классный функц.генератор с осциллографом, и запросто индуктивность/ёмкость в звуковом диапазоне померять и пр., и пр., и пр... А чеґо уж стОят замеры методом FSAF... И многое чего иного уникального.
Ну и REW кроссплатформенная – macOS, Linux, Win и постоянно развивается.

Гы... Каким бы моя не был приверженцем REW, Smaart, Sonarworks, но посоветую для старта АРТУ.
Собственно говоря, поставьте обе и тренируйтесь дублем. Пригодится, ежели серьёзно залезете в это звуковое DIY-болото;)

Сувать буду сюда
+likeХорошие дырки для всува!
 
Последнее редактирование:

KSV

1 ранг
Регистрация
10 Июн 2020
Сообщения
6,950
Реакции
7,207
Репутация
254
Страна
Россия
Город
Москва
Имя
Сергей
Я ж после слова микрофон написал про аудиокарту, может поспешил, и не сложил нормально предложение. Сувать буду сюда, там же и 48 вольт сидят
Тогда повезло, в противном случае...
И не знаю ни одной подходящей внутренней звуковой карты в компьютере, надо покупать карту которая будет больше нигде не нужна.
Многие ведутся на слово "фантомасная", а это убогость - сначала создают искусственные трудности пропуская и сигнал и питание по одним проводам, чтобы потом пытаться разделить их не создав проблем.
Второе - питание капсюля обычно 3...9 В, но нет, сначала получают 48 В и скорее всего через повышающий импульсный преобразователь, источник помех. Потом доблестно борются с помехами и понижают напряжение с 48 до 5 В.
Иллюстрация к "зачем просто когда можно сложно".
А всего-то надо добавить 2 тонюсеньких проводка и пустить по ним питание. Для сцены это простительно, для дома - извращение.
 

uriy

1 ранг
Регистрация
22 Янв 2024
Сообщения
874
Реакции
800
Репутация
36
Страна
Ukraine
Насчет взаимодействия помещения и АС я понимаю, только тут вопрос как его учитывать в реалиях жизни. Мне кажется в любом случае стоит сделать АС полинейнее, а в конкретных условиях уже с резонансами решать.
Если вести речь за реалии бытия, то обычно в быту мы не особо сильно можем влиять на параметры помещения, и если учесть что не всегда мы можем разместить АС по центру комнаты и слушать её в ближнее поле, то всё становится ещё прозаичней, без сведения каждой АС с учётом параметров в точке прислушивания, велик шанс долго и нудно бороться с пагубным влиянием комнаты на звук.


Мне кажется в любом случае стоит сделать АС полинейнее, а в конкретных условиях уже с резонансами решать.

Да, делать АС изначально нужно с упором на её линейность. Вот только линейность той же АЧХ измеренная в безэховой камере, резко перестанет таковой быть при размещении этой АС в помещении. Потом в понятие линейности АС входит и фаза сигнала. Важна она вам, или не важна и на сколько, решать вам. В целом при переходе в фазолинейный актив есть возможность отказаться от ряда ортодоксальных постулатов пассивного деления полос в АС. В пассивной АС очень сложно применить кроссовер высоко порядка, связано это с кручением фазы и ГВЗ. Почему я вам не рекомендую глубоко лесть в пассив, если вы углубитесь в пассив, вы вынуждены будете учитывать ряд ограничений пассива, и эти ограничения вы будете потом переносить на актив, и потом вам будет весьма сложно принять тот факт, что к примеру в активе не проблема сделать крутой срез кроссовера и срастить два несращиваеммых в пассиве динамика. Я читал на форумах претензии людей, которые в активе реализуют классический LR24 и говорят что АС звучит хуже чем такая же на пассивных элементах. А прикол то в том, что они не использовал всю мощь актива т.к. он с пелёнок приучен работать только с пассивом, и знает что в АС выше LR 24 нельзя ходить, иначе анафеме предадут. И это только один пример….. Ох, а как много пасивщики тратят время на подбор динамиков которые споются в той или ином совместном исполнении. В общем. Тема эта глубока, но что я вам хочу донести, если вы хотите уйти в актив и получить позитивный результат, то лучше всего не углубляйтесь в пассив, копайте инфу по активу, в активе работает немного другой подход к достижению высоких результатов.

При этом всём. Сведение АС с учётом помещения это таки немного другой опыт, чем просто сведение АС на метре, и таким навыком пассивщики в своей массе не обладают.
Ну, я понимаю, что можно поставить микрофон в месте прослушивания и процессором автоматически выравнять картину, но это ж лишает многих удовольствий по личному участию в процессе ).
Не всё так просто как кажется на первый взгляд. Я не хочу сейчас лесть в эти дебри, но при таком простом подходе позитивный результат получить маловероятно. Есть проблема отражений и стояков, которые нужно учитывать при введении коррекции АЧХ, и там эмпирически нужно подбирать оптимальную "глубину" и форму коррекции. Поля для творчества там не паханные на само деле. Я со своим активом возился пол года, покуда нашёл свою оптимальную коррекцию, в автомате такое нарулить маловероятно. Автоматическую коррекцию которую делает дирак это всё полумера, ну то такое покуда, это понятно тем кто в этом плавает… Не всё там так просто, как кажется на первый взгляд.



Не наблюдали ли Вы такого, чтобы резкие локальные всплески искажений ухудшением звучания маскировали небольшое монотонное увеличение искажений на других частотах?
Нелинейные искажения....... Мы обычно сильно переоцениваем свою возможность слышать нелинейные искажения, при всём том, что порой и часто линейные искажения АЧХ АС в помещении превышают 10дБ.

Я ранее думал что могу услышать Кг уся в 0,001%. Покуда не собрал усь с такими искажениями и не послушал его с искажениями на уровне 0,03%. В слепом тестировании я не смог их отличить. В инете есть куча тестов на проверку порога слышимости Кг. Пройдите тесты, узнайте свой порог слышимости Кг.

При этом стоит сказать что нелинейные искажения это не всегда гарантия ухудшение звука, на ряде жанров они могут обогащать музыку, есть жанровые уси и АС которые заточены на повышенный уровень как линейных так и нелинейных искажений, и на такое направление есть некий спрос. Я не дам вам точного ответа на ваш вопрос т.к. у меня нелинейные искажения АС находятся ниже полки шума в помещении т.е. по сути я не могу их слышать т.к. они маскируются самой полкой шума. Если говорить о тестах в интернете, то я на своей АС могу услышать Кг не ниже 0,02%. И эти 0,02% это на грани тупо угадал, а не услышал, мне очень тяжело распознать искажения в тестовом сигнале в 0,05%... Но тут опять же, вторая гармоника и третья гармоника это разные гармоники и слышим мы их на разном уровне…. В целом для начала узнайте свой порог чувствительности к уровню Кг, и от него пляшите. По сути я знаю что в моём случае если Кг АС ниже 0,5% на частотах выше 300Гц, этого с головой достаточно что бы не слышать влияние Кг на музыку.

И тоже хочу спросить о данном конкретном случае - там, где выросли внизу искажения, СЧ обычно отрезают, зато в очень чувствительной зоне в 3КГц они сильно упали. И суммарно искажения упали на целый процент. Получилось, что приход очень хороший? Или я может не так разглядел по неопытности.
Конкретно у этого динамика это так, индуктивность в 680мкГн понизила третью гармонику на 3кГц, и при желании можно применять этот подход в железе с этим динамиком, но это вовсе не значит что у другого динамика будет ровно такая же ситуация, если динамик изначально имеет медное кольцо на керне, то рост третьей гармоники не будет так явно провялятся как в случае этого динамика. Без измерений нет смысла лесть в эти дебри. Ну и потом, я его резал на 300Гц по этому рост искажений на этих частотах мне точно не подходил.
 

Тимур

3 ранг
Регистрация
8 Апр 2021
Сообщения
59
Реакции
23
Репутация
17
Страна
Украина
Город
Каменское
Имя
Тимур
Источником звука что будет? Если комп, то можно замахнутся на трёх полосный актив, который с пол пинка выведет это изделие на уровень выше.
Юрий, перечитал, и задумал попросить Вас в двух словах подробнее описать идею. Какая связь актива с компом? И еще - а скрины какой программы Вы показывали, там, где измерения искажений?
Кстати, благодаря Вашему сообщению, я узнал ответ на свой вопрос от Николая Маркова касательно особенностей фильтра НЧ, он был предназначен не для меня, но мне повезло подсмотреть.
Если сократить его промежуточные рассуждения, то получается, что двухполосная АС, в которой НЧ-СЧ занимается одна головка 25ГДН-3-4, при хорошей громкости обречена на высокие ИНИ?
 

KSV

1 ранг
Регистрация
10 Июн 2020
Сообщения
6,950
Реакции
7,207
Репутация
254
Страна
Россия
Город
Москва
Имя
Сергей
Тимур! Невежливо влезать когда тебя (то есть меня) не спрашивают, но мне так и хочется спросить - когда же вы перестанете реагировать на всякий "гениальный" мусор?
Какая связь актива с компом?
Такая что без компьютера усилитель есть и акустика есть, а звука вообще не будет.
И далеко не факт что с компьютером будет звучать лучше. Даже АЧХ может быть. если получится, ровнее, но это не значит что звук лучше. Фактически компьютер здесь - это эквалайзер, не более.
Известно как "чистые удифилы" относятся к эквалайзеру, даже словечко придумали - криволайзер.
двухполосная АС, в которой НЧ-СЧ занимается одна головка 25ГДН-3-4, при хорошей громкости обречена на высокие ИНИ?
Вот здесь мы возвращаемся к тому что вы упрямо называете 25ГДН3-4 а я называю как было задумано инженерами - 15ГД-14. Можете объяснить почему так?
Это правильно и нормально когда, например, 2ГД-36 одним росчерком бюрократического пера превращают в 6ГДВ сколько-то там? К одному куску металла и бумаги в первом случае требования как к динамику 2 Вт, во втором как 6 Вт.
В переделанной двухполоске 15АС-109 с новым разделом 3,5 кГц и новой пищалкой, я не ощущаю недостатка громкости от усилителя на 8...11 Вт (но выбираю комфортный уровень, не дискотэку, не максимум). Понятно, подключив другой усилитель на 100 Вт, я легко смогу получить и любые ИНИ, и получить визит Старика Хоттабыча из динамиков, но у меня не возникает такого желания.
Непонятно какя громкость "хорошая", для каждого она своя. Чтобы получить максимальное качество - одна.
Чтобы невозможно было разговаривать - другая.
Чтобы соседи вызвали полицаев - третья.
Изволите дискотэку устраивать? Тогда хотя бы соблаговолите найти на сайте, здесь, таблицу с динамиками в которой указана чувствительность и максимальное развиваемое звуковое давление.
15ГД-14 не для дискотэки, при увеличении подаваемой мощности, будут не ИНИ, будет хрипелка сообщаемая вменяемым владельцам акустики что она надрывается и просит уменьшить мощность.
Для этих целей просто нужны другие динамики и, КАК ПРАВИЛО, двухполоски не предназначены для режима "дискотэка", для этого придуманы трехполоски, самбухеры, хитрые резонансные конструкции.
Громкость мало зависит от фильтров, поэтому можете прямо сейчас подключить динамики, навалить на них побольше громкости и решить - маловато будет или достаточно.
 

Тимур

3 ранг
Регистрация
8 Апр 2021
Сообщения
59
Реакции
23
Репутация
17
Страна
Украина
Город
Каменское
Имя
Тимур
Такая что без компьютера усилитель есть и акустика есть, а звука вообще не будет.
И далеко не факт что с компьютером будет звучать лучше.
Сергей, это утверждение справедливо и для пассива, а поэтому оно не проливает свет на вопрос о связи компа с активом )
Изволите дискотэку устраивать?
Эээээх, такое приятное слово из далёких лет ). Если под дискотэкой понимать прослушивание музыки с приличным содержанием низких частот, то люблю, но, поскольку, чтобы слушать музыку телом во всей комнате, этих АС явно мало, я пока что использую их в качестве настольных (точнее использовал, пока не развалял их, начиная исследования и замеры ) ). Но на данном этапе я наверное всё-таки пока больше склоняюсь к качеству, чем к дискотэке.
для режима "дискотэка", для этого придуманы трехполоски
Класс, это ценное замечание, спасибо, оно многое поясняет.
А как у Вас обстоят дела с радиотехникой/электроникой?
Ну...я по образованию радиоинженер (если точнее - помощник капитана по электронике), но в связи с бурными 90-ми по специальности не работал вообще, поэтому мне нетрудно ориентироваться в теме, но многое конечно позабыто.
 

MacSys

1 ранг
Регистрация
24 Мар 2022
Сообщения
2,565
Реакции
2,354
Репутация
96
Возраст
38
Страна
Украина
Город
Кривой Рог
Имя
Станислав
Такая что без компьютера усилитель есть и акустика есть, а звука вообще не будет.
Типовое бурчание человека в возрасте (пенсионера). Задача то больше у автора темы: оценить, послушать, подвигать, покрутить, можно даже пальцем у виска. Ну а если вдруг что, то и собрать в пассив/актив и дальше надфилем допиливать резисторы МЛТ-2 до нужного значения аттенюации 5ГДШ-5
Ну...я по образованию радиоинженер
Ну тем более, тогда очередной вопрос, а почему бы не начать по принципу "Uriy'я"? и собрать этот чудо сарай 10АС-229 используя активное усиление полос в паре с ПК и широким диапазоном регулирования фильтра.
Крути фильтр до усёру не вставая с дивана (табурета), от 1-его и до 24-го порядка.

А вот насчет пассивного деления полос тут вообще спорно, если есть в наличии два мешка катушек и три ведра конденсаторов, можно пустить канифольный дым, а если нет, то городить колхоз по мотивам Verna, "ну тот еще цирк с пуделями"
 
Последнее редактирование:

Тимур

3 ранг
Регистрация
8 Апр 2021
Сообщения
59
Реакции
23
Репутация
17
Страна
Украина
Город
Каменское
Имя
Тимур
используя активное усиление полос в паре с ПК и широким диапазоном регулирования фильтра.
Читая эту рекомендацию, я ощутил себя черепахой из мультика, которая всегда опаздывала в подготовке к нужному сезону. Начал воплощать пассивные фильтра 2 порядка (была такая статья в Радио 95/11), пошли дети, забросил. Потом больше развилась тема активного деления, начал собирать инфу по активному разделению. Только начал возвращаться на аудиодорогу после большущего перерыва - народ уже процессорами полосы делит. Я всё время отстаю ).
А если серъёзно - я конечно понимаю, что комп обработка это прогресс, но мне прямо сейчас не очень хочется перескочить все темы. Как я говорил, для актива у меня есть 35АС013 и 25АС311, там конструктив удобный и можно шалить.
Катушек не два мешка, но штук 10 найдется всяких заводских, конденсаторов тоже.
А как именно Вы видите блок-схему активного варианта? Как разделенные полосы их компьютера вытаскивать? Это ж ЦАПы, процессоры внешние нужны.

Делал нормально все.
Класс, а какую именно модель Вы делали?
 

MacSys

1 ранг
Регистрация
24 Мар 2022
Сообщения
2,565
Реакции
2,354
Репутация
96
Возраст
38
Страна
Украина
Город
Кривой Рог
Имя
Станислав
Класс, а какую именно модель Вы делали?
Сразу предупредить хотел, у этого участника форума звук кардинально меняется, если в последовательной цепочке из двух деталей RL, переставить очередность LR

Как я говорил, для актива у меня есть 35АС013 и 25АС311, там конструктив удобный и можно шалить.
Из активного там только один канал УН50, в остальном пассив-пассивній
 

Тимур

3 ранг
Регистрация
8 Апр 2021
Сообщения
59
Реакции
23
Репутация
17
Страна
Украина
Город
Каменское
Имя
Тимур
Из активного это только один канал УН50, в остальном пассив-пассивній
Ну да, имеющийся канал оставляется для НЧ, добавляется балансный вход с кроссовером, и пара усилителей для СЧ и ВЧ. Такая первоначальная идея.
 

Meshin

1 ранг
Регистрация
16 Июл 2020
Сообщения
6,767
Реакции
9,158
Репутация
307
Страна
Россия
Имя
Игорь
звук кардинально меняется, если в последовательной цепочке из двух деталей RL, переставить очередность LR
Даже если в эту цепочку включить последовательно конденсатор.... И тусовать их расположение как карты Таро - разницы не будет никакой!
 

Тимур

3 ранг
Регистрация
8 Апр 2021
Сообщения
59
Реакции
23
Репутация
17
Страна
Украина
Город
Каменское
Имя
Тимур
Даже если в эту цепочку включить последовательно конденсатор.... И тусовать их расположение как карты Таро - разницы не будет никакой!
Игорь, а Вам не доводилось делать 15ГД-14 более низкочастотной и чувствительной, для случая использования её в трехполоске?
 
Регистрация
23 Май 2020
Сообщения
2,384
Реакции
1,044
Репутация
70
Предупреждений
1
Типовое бурчание человека в возрасте (пенсионера). Задача то больше у автора темы: оценить, послушать, подвигать, покрутить, можно даже пальцем у виска. Ну а если вдруг что, то и собрать в пассив/актив и дальше надфилем допиливать резисторы МЛТ-2 до нужного значения аттенюации 5ГДШ-5

Ну тем более, тогда очередной вопрос, а почему бы не начать по принципу "Uriy'я"? и собрать этот чудо сарай 10АС-229 используя активное усиление полос в паре с ПК и широким диапазоном регулирования фильтра.
Крути фильтр до усёру не вставая с дивана (табурета), от 1-его и до 24-го порядка.

А вот насчет пассивного деления полос тут вообще спорно, если есть в наличии два мешка катушек и три ведра конденсаторов, можно пустить канифольный дым, а если нет, то городить колхоз по мотивам Verna, "ну тот еще цирк с пуделями"
Знаю ибо видел и верю, что АЧХ фильтра 24-го порядка имеет даже обратный наклон в полосе задерживания!
 

MacSys

1 ранг
Регистрация
24 Мар 2022
Сообщения
2,565
Реакции
2,354
Репутация
96
Возраст
38
Страна
Украина
Город
Кривой Рог
Имя
Станислав
А как именно Вы видите блок-схему активного варианта? Как разделенные полосы их компьютера вытаскивать? Это ж ЦАПы, процессоры внешние нужны.
Ну та вроде бы нет, ЦАПы и DSP не нужны на низком старте, для активного "увесиления" можно взять (на Космодроме цена пока еще приемлемая):
tpa3116d2-2x50-1x100-1-550x550.jpg

Тут вам 3 полосы и для НЧ еще мостовое включение (вот тут и пригодится ловкость рук, дабы из 2.1 сделать 3.0)

И для начала три провода в 6-ти канальный выхлоп звуковой карты стационарного ПК, а в роли ПО Equalizer APO, но это уже к "Uriy`ю"

куда показателен
Пока эту писанину выдумывал, возник вопрос, а как потом измерить микрофоном получившийся стыд?

Знаю ибо видел и верю, что АЧХ фильтра 24-го порядка
Главное не мешать с 16-ти оборотным розовым, иначе простреливает третья гармоника.
 

Meshin

1 ранг
Регистрация
16 Июл 2020
Сообщения
6,767
Реакции
9,158
Репутация
307
Страна
Россия
Имя
Игорь
Игорь, а Вам не доводилось делать 15ГД-14 более низкочастотной и чувствительной, для случая использования её в трехполоске?
Для трёхполоски нет.
Делал: https://ldsound.club/threads/25gdn-3-4-katushka-v-tri-provoda.2075/ Только вот беда, не довёл дело до конца. Вторая головка имела несколько другую посадку каркаса в диффузор.
Сейчас на руках три головки. Может быть за зиму переберу все три (обещали ещё одну) подобрав пару МС и пару подвижек которые и перемотаю как задумал в теме.
Можете попробовать ничего не меняя перемотать в три слоя. Так у меня сделаны 25ГДН-3-4 в этой акустике: https://ldsound.club/threads/dvuxpolosnaja-as-fi-bbk-fbs-510ma.1459/ Правда она в продажном разделе и по ней у меня на форуме темы нет.
Очень хорошие динамики получились.
Сразу говорю. Измерений получившегося нет. только на слух и на сравнении.
 

alexsan

2 ранг
Регистрация
6 Апр 2024
Сообщения
902
Реакции
196
Репутация
16
Возраст
56
Страна
Казахстан
Город
Павлодар
Имя
Александр
Сразу предупредить хотел, у этого участника форума звук кардинально меняется, если в последовательной цепочке из двух деталей RL, переставить очередность LR
В средне частотном звене ,давай так проверим ,первым поставить резистор или конденсатор ,второе я делал на акустике 50ас-104 вега ,вот там первым стоить конденсатор потом катушка, а потом резистор,а я изменил порядок включения первым резистор вторым конденсатор а потом катушка.

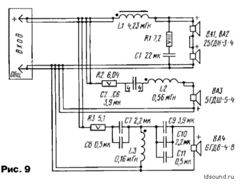
filters-1-1-3-png.156501

Эту схему фильтра,тут как раз и показана правильная схема фильтра.
 

MacSys

1 ранг
Регистрация
24 Мар 2022
Сообщения
2,565
Реакции
2,354
Репутация
96
Возраст
38
Страна
Украина
Город
Кривой Рог
Имя
Станислав
тут как раз и показана правильная схема фильтра.
Ну да уловил логику, сначала чуть тормозим на R2 перед "лосиным тестом" у пачки конденсаторов С2-С6, и дальше слалом на L2, а если наоборот, то после слалома через катушку индуктивности, можно провалить "лосиный тест" не вписавшись в поворот.

P.S. надеюсь всё поняли что это стёб, из за абсурдности мыслей гостей из страны ветров.
 
Последнее редактирование:

alexsan

2 ранг
Регистрация
6 Апр 2024
Сообщения
902
Реакции
196
Репутация
16
Возраст
56
Страна
Казахстан
Город
Павлодар
Имя
Александр
Станислав
А вот сам проверь,ведь экспериментируешь.
 

scamp

1 ранг
Регистрация
28 Окт 2021
Сообщения
1,704
Реакции
1,342
Репутация
68
Страна
Россия
Город
Ростов-на-Дону
Имя
Александр

alexsan

2 ранг
Регистрация
6 Апр 2024
Сообщения
902
Реакции
196
Репутация
16
Возраст
56
Страна
Казахстан
Город
Павлодар
Имя
Александр
В такой корзине и очень похожи на Бердские среднечастотники.
 

MacSys

1 ранг
Регистрация
24 Мар 2022
Сообщения
2,565
Реакции
2,354
Репутация
96
Возраст
38
Страна
Украина
Город
Кривой Рог
Имя
Станислав
Ну может из готовых 15гд-17 по интересней но говорят редкий
Вроде бы как уже есть НЧ бокс от 10АС-229 и 15ГД-17 туда не влезет. Да и опять же, KSV так нахваливает 15ГД-17(25ГДН-4 6.5") не помню только он про ФИ оформление говорил или ЗЯ.

Но лично моё никому не нужное мнение такое, у динамика где высота намотки катушки на тараканью козявку выше высоты фланца, явно не намекает на работу достаточно низко, допустим те же 50Гц, так как на значительной мощности 15-25Вт попрут не только искажения, а и искры с сизым дымом.
Подозреваю, что 15ГД-17 проектировали исключительно в супер-компакты ЗЯ, где акустической гибкостью воздуха динамик демпфирован так, что бы голова не шаталась ниже 80Гц по -6дБ
 

Последние сообщения

Статистика форума

Темы
3,068
Сообщения
234,479
Пользователи
2,375
Новый пользователь
Sergovlad
Сверху Снизу