10АС-229

KSV

1 ранг
Регистрация
10 Июн 2020
Сообщения
6,950
Реакции
7,207
Репутация
254
Страна
Россия
Город
Москва
Имя
Сергей
Вот он корень зла. Сейчас вспомнил измерение НЧ динамиков с малыми амплитудами даёт такой результат. В теме не помню в какой обсуждали этот вопрос и пришли к тому что минимум 0,5вт а лучше на 1вт.
Гм. Александр, вы меня удивили. Неужели вы и не ставили опыт - зависимость параметров динамика от подаваемой мощности??
Зависимость, конечно, есть, и я сам криком кричал для глухих, что усилитель нужен. Поэтому и подчёркиваю всякий раз: ДЛЯ НАЧАЛА СОЙДЁТ и без усилителя. Даже цифры приводил...
Но это зависит и от мощности, и от конструкции самого динамика. Разница не так значительна.
Интересно, сами "обсуждатели" работали с LIMP ? Ставили свои опыты? Меня терзают сильные сомнения.
Хорошая гипотеза, спасибо! Тогда ускорюсь с измерительным усилителем, и сможем увидеть разницу.
Правильно. Верить нельзя никому, мне - тоже. Ставьте опыты, но только надо делать их как следует, с умением и, по возможности, точно. Сейчас этого у вас нет, появится позже, поэтому первым опытам блинам, заранее не слишком верю.
Пример, Я много орал: не чистите ружья кирпичом не измеряйте динамики лежачие на столе, а вы наплевав на это - делали, так что не обижайтесь.
Кстати, отсюда одна из причин, почему я не люблю измерения с грузиками. Угадайте - в чём.
 

scamp

1 ранг
Регистрация
28 Окт 2021
Сообщения
1,704
Реакции
1,342
Репутация
68
Страна
Россия
Город
Ростов-на-Дону
Имя
Александр
Неужели вы и не ставили опыт - зависимость параметров динамика от подаваемой мощности??
Ставил правда это было давно.
Разница не так значительна.
Помню что и разница была какая то. Вот только сколько в цифрах не вспомню.
Меня терзают сильные сомнения.
Вы меня провоцируете Сергей придется сегодня вечером провести измерения.
 

Тимур

3 ранг
Регистрация
8 Апр 2021
Сообщения
59
Реакции
23
Репутация
17
Страна
Украина
Город
Каменское
Имя
Тимур
Кстати, отсюда одна из причин, почему я не люблю измерения с грузиками. Угадайте - в чём.
Потому что результаты замера сильно зависят от положения диффузора в вертикальной плоскости?
 

scamp

1 ранг
Регистрация
28 Окт 2021
Сообщения
1,704
Реакции
1,342
Репутация
68
Страна
Россия
Город
Ростов-на-Дону
Имя
Александр
Ставил правда это было давно.

Помню что и разница была какая то. Вот только сколько в цифрах не вспомню.

Вы меня провоцируете Сергей придется сегодня вечером провести измерения.
Как и обещал измерения с измерительным усилителем и без него для этого был найден в закормах старый 25гдн3 прилично задубевший. Извиняюсь за оффтоп это будет здесь лишним, но думаю автору темы будет интересно узнать в чем разница.

Измерение №1 с усилителем по "Хомячку" ток через динамик 100мА

1761673128892.jpeg


Измерение №2 без усилителя выход с наушников Rref=47 Om. ток не измерял просто забыл. Но он явно меньше даже на слух.

1761673636410.jpeg

Разница если округлить в 7 Гц. Так что Тимур ваши динамики возможно скатятся до 80 Гц но это все ровно многовато. Придется поить их водкой и мазать мазью для загара, а если не поможет то хирургу под нож.
 

KSV

1 ранг
Регистрация
10 Июн 2020
Сообщения
6,950
Реакции
7,207
Репутация
254
Страна
Россия
Город
Москва
Имя
Сергей
Как и обещал измерения с измерительным усилителем и без него

Разница если округлить в 7 Гц.
Спасибо. Разница огромная.
Лет 15 назад я стал баловаться измерениями, возвращаться к первым опытам не хочу. Может и попробую с усилителем на максимуме и минимуме, но не сейчас.
Начать и научиться измерять LIMP можно и с проводочками без усилителя, а дальше надо делать как следует.
То же касается и измерений в ARTA с микрофоном. Начать и научиться можно с любым капсюлем и без калибровки. Этого хватит чтобы понять как надо делать. А дальше можно или купить или откалибровать этот любой капсюль, или бросить это занятие. Если сразу купить даже дорогущий, то окажется что первые результаты (и вторые, и третьи, и десятые) всё равно в урну. Вижу такие первые блины и больше чем хотелось бы.
Недостаточно купить дорогую бритву чтобы сразу стать мошным барбержопером.
P.S. Тимур. Посмотрите какие гладкие у Александра получились линии, обратите внимание на совпадение резонанса с переходом фазы через ноль, кстати, это поможет определить резонанс когда он размыт или неявный. Обратите внимание на рост импеданса с ростом частоты (чем выше и круче задрана юбка, тем хуже), на то что прыщи на АЧХ совпадают с прыщами на фазе, а хорошую вещь прыщом не назовут. Старайтесь замечать такие вещи, тут одного взгляда достаточно. Всё это, конечно, мелочи, но и их полезно замечать.
Здесь мелочей мало, а с микрофоном их будет как тараканов в квартире плохой хозяйки Федоры.

Потому что результаты замера сильно зависят от положения диффузора в вертикальной плоскости?
Не то чтобы сильно и не всегда, но влияет, а потенциальные проблемы лучше обходить.
С грузиками все стараются положить динамик диффузором вверх, да ещё на стол. При мягком подвесе и большом грузе диффузор смещается вниз и катушка тоже. Не сильно, но всё же.
Грузики надо закрепить чтобы они не убегали, а как это сделать не портя диффузор? На снимке по ссылке выше свинцовые грузила приклеены с тыльной стороны диффузора. Не по душе мне всё это и результаты определения Vas нестабильные, по крайней мере у меня. Вот почему после изготовления ящика надо "перемерить" динамик уже в этом ящике и заново посчитать (не с куркулятором, это автоматически делает программа) Vas и Q уже в ящике - это полезно, особенно если нужен ФИ.
Не нужно думать, что третий знак после запятой действителен, ошибка больше. Поэтому лучше стараться её уменьшить, если это не связано с большими усилиями.
Делай хорошо насколько можешь, а плохо само собой получится.
 
Последнее редактирование:

Тимур

3 ранг
Регистрация
8 Апр 2021
Сообщения
59
Реакции
23
Репутация
17
Страна
Украина
Город
Каменское
Имя
Тимур
Разница если округлить в 7 Гц. Так что Тимур ваши динамики возможно скатятся до 80 Гц но это все ровно многовато. Придется поить их водкой и мазать мазью для загара, а если не поможет то хирургу под нож.
Александр, спасибо Вам огромное за демонстрацию разницы в результатах. Да, сейчас при моих 35 примерно герцах 7 вроде и немного, но я понял всю важность процесса. Процедура имени Хомячка рулит, хотя вроде этот процесс примерно аналогично изложен в Радио 83-6. В общем, убедительный аргумент ускориться с измерительным усилителем. Хотя уже есть понимание, что хирургией всё закончится, но всё-таки откатаем процесс по мере возрастания сложности.
Недостаточно купить дорогую бритву чтобы сразу стать мошным барбержопером.
Сергей, у меня тоже аллергия на это слово ).
P.S. Тимур. Посмотрите какие гладкие у Александра получились линии,
Я правильно понимаю, это установлено количество проходов около 10? Лично мне стерильность в измерениях не то, чтобы не нравится, просто в силу сложившихся привычек мне нравится что-то менее приглаженное. В автомобильной индустрии, при проверке потока газовых форсунок, сильное сглаживание графиком могло замаскировать плавающие неисправности пары седло-клапан.
С грузиками все стараются положить динамик диффузором вверх, да ещё на стол. При мягком подвесе и большом грузе диффузор смещается вниз и катушка тоже. Не сильно, но всё же.
Понял, спасибо Вам, мне тоже идея лепить-отрывать не особо нравится, тем более ящички кое-какие уже есть, проще повозиться с точными замерами объёмов.
Делай хорошо насколько можешь, а плохо само собой получится.
Золотые слова, это подтверждает жизненный опыт.
Здесь мелочей мало, а с микрофоном их будет как тараканов в квартире плохой хозяйки Федоры.
Добытчик тараканов приехал, понемногу привыкает к обстановке и смиряется со своей участью - оказаться в руках юного ломастера )
 

Вложения

  • IMG_3213.jpeg
    IMG_3213.jpeg
    311.5 KB · Просмотры: 16

KSV

1 ранг
Регистрация
10 Июн 2020
Сообщения
6,950
Реакции
7,207
Репутация
254
Страна
Россия
Город
Москва
Имя
Сергей
сейчас при моих 35 примерно герцах 7 вроде и немного
Это ОЧЕНЬ МНОГО. В этой области борьба идёт за каждый герц и в большинстве случаев ОстапБендеровскими способами: не указывают при каком снижении уровня эта частота определена.
По честному это -6 дБ а -12, -15 и даже -24 дб от Лукавого.
P.S. Если честно, я сомневаюсь что так много и думаю что здесь какая-то ошибка.
я понял всю важность процесса. Процедура имени Хомячка рулит
Это мы сейчас вам мозги промыли засрали. Нужен личный опыт.
, хотя вроде этот процесс примерно аналогично изложен в Радио 83-6.
Там немного про другое, больше про ПАС для СЧ. И умалчивается как эти графики получены, а это важно. Явно спомощью тогдашних компьютеров и автоматизированных комплексов, а не карандаша и миллиметровки. Тогда для нас такое было невозможно, сегодня - легко.
В общем, убедительный аргумент ускориться с измерительным усилителем.
Торопися не надо, как в любом деле. И усилитель должен быть линейный.
Хотя уже есть понимание, что хирургией всё закончится, но всё-таки откатаем процесс по мере возрастания сложности.
Если кошки уже есть, надо воспользоваться ими. Резать - в последнюю очередь.
Сергей, у меня тоже аллергия на это слово ).
У меня много на что аллергия, лучше промолчу. Аллергия на скудоумие стада баранов. Просто печально, например, в моду входят соски для взрослых уже баб, есть в продаже с доставкой. им рожать пора и детей воспитывать, а они так "стресс" снимают. Явно среди деревенских таких дур нет - там работать надо.
Я правильно понимаю, это установлено количество проходов около 10?
Не обязательно, но есть некоторые моменты про которые я тоже много раз писал.
Например, в силу особенностей КОРОТКОГО шумового сигнала, измерения выполняются мгновенно, но неточно на самых низких частотах. Бывает надо запустить процесс несколько раз чтобы получить вменяемую гладкую кривую на пике импеданса. Физически она и должна быть ровная, но шум случаен и для прорисовки НЧ зоны, длительности действия сигнала для низких частот часто просто недостаточно, отсюда и усреднения.
Поэтому когда требуется более высокая точность (а это не прикидки, а чистовые замеры), лучше включать генератор-синус. Это будет долго и нудно т. к. нам не нужно высокое разрешение на СЧ и ВЧ, приходится терпеть.
Лично мне стерильность в измерениях не то, чтобы не нравится, просто в силу сложившихся привычек мне нравится что-то менее приглаженное.
Здесь нет сглаживания как такового, ЗДЕСЬ входной шумовой сигнал неидеален. Сглаживание будет с микрофоном. И типичная ошибка - отмена сглаживания или 1/24 октавы. Результат - за деревьями не видно леса.
В автомобильной индустрии, при проверке потока газовых форсунок, сильное сглаживание графиком могло замаскировать плавающие неисправности пары седло-клапан.
Разные физические процессы. Ухо и мозг уже сглаживают, поэтому лучше когда график АЧХ соответствует результату обработки мозгом.
проще повозиться с точными замерами объёмов.
Особая точность не нужна, думаю 1 литра более чем достаточно.
Добытчик тараканов приехал, понемногу привыкает к обстановке и смиряется со своей участью - оказаться в руках юного ломастера )
Это не те тараканы. Тараканы в голове. Скоро обнаружите ряд пренеприятных вещей. Например, что при любом изменении положения микрофона, растояния до него и т. п. графики будут меняться.
Надо специально проделать тысячи опытов (это не так страшно как кажется и я не раз писал об этом) чтобы сделать определённые выводы.
Например. Изменять понемножку расстояние от динамика до микрофона. ПолУчите некоторый диапазон в котором результат будет достоверный и устойчивый. Надо держать и микрофон и динамик по возможности дальше от стен и даже своего пуза - всё это отражатели. Короче, надо наступить на все грабли чтобы научиться не наступать на них.
И самое печальное. Что в профессиональной заглушенной камере, что в результате разных ухищрений дома, вы получите довольно точно что излучает сама колонка. Но по факту это абстракция, сферический конь в вакууме и это половина дела.
Дело в том что слушать будете не в вакууме, а комнате и результат будет ОЧЕНЬ СИЛЬНО зависеть и от положения АС в комнате и от точки где будут ваши уши.
Почему же тогда все стремятся к получению этого коня в вакууме? А как ещё сравнивать разную акустику? Нужны одинаковые условия.
Если говорить об автомобиле, то время разгона до скорости 100 км/час и максимальная скорость не сильно соответствуют езде в городских условиях и расчитывать время поездки по максимальной скорости нельзя.
Но тут тоже действует правило: из двух автомобилей с одним водителем, быстрее доедет более мощный и более приёмистый.
Поэтому впереди у вас много сюрпризов и хороших будет мало.
 

scamp

1 ранг
Регистрация
28 Окт 2021
Сообщения
1,704
Реакции
1,342
Репутация
68
Страна
Россия
Город
Ростов-на-Дону
Имя
Александр
Регистрация
23 Май 2020
Сообщения
2,384
Реакции
1,045
Репутация
70
Предупреждений
1
Как и обещал измерения с измерительным усилителем и без него для этого был найден в закормах старый 25гдн3 прилично задубевший. Извиняюсь за оффтоп это будет здесь лишним, но думаю автору темы будет интересно узнать в чем разница.

Измерение №1 с усилителем по "Хомячку" ток через динамик 100мА

Посмотреть вложение 156408

Измерение №2 без усилителя выход с наушников Rref=47 Om. ток не измерял просто забыл. Но он явно меньше даже на слух.

Посмотреть вложение 156411
Разница если округлить в 7 Гц. Так что Тимур ваши динамики возможно скатятся до 80 Гц но это все ровно многовато. Придется поить их водкой и мазать мазью для загара, а если не поможет то хирургу под нож.
Про в0дку Вы это хорошо так сказали. Уйдëт (точнее динамики с удовольствием выжрут) не менее пол-литрового пузыря на каждый, причём хорошей водки. Эффект – не более недели. Потом цирроз центрующей шайбы и нож хирурга, как Вы и предсказали.
 

Тимур

3 ранг
Регистрация
8 Апр 2021
Сообщения
59
Реакции
23
Репутация
17
Страна
Украина
Город
Каменское
Имя
Тимур
Простите не понял, а где у вас получилось 35. Вроде как мы говорили о 25гдн и там было под 90гц.
В Ваших тестах 7 Герц - это отклонение в результатах, вот я и имел ввиду, что 35Гц=90Гц-55Гц паспортных, то есть отклонение 35 Герц. Это я нечетко изложил, прошу извинить.
 

KSV

1 ранг
Регистрация
10 Июн 2020
Сообщения
6,950
Реакции
7,207
Репутация
254
Страна
Россия
Город
Москва
Имя
Сергей
В Ваших тестах 7 Герц - это отклонение в результатах, вот я и имел ввиду, что 35Гц=90Гц-55Гц паспортных, то есть отклонение 35 Герц. Это я нечетко изложил, прошу извинить.
Тимур, верить нельзя никому! Это вы знаете. Порой даже себе - это особо мудро замечено т. к. и себя надо перепроверять.
Поэтому когда сделаете (купите) усилитель (мощный не надо!) надо обязательно перепроверить. Мы пишем не для того чтобы вы слепо верили, а для того чтобы могли перепроверить и сравнить интересующие вас вещи.
И постепенно у вас будет накапливаться мнение - кому надо верить и на сколько процентов, на 100% - никому.
По данным этого сайта у 15ГД-14
Частота основного резонанса (Fs): 55 Гц (±10 Гц)
Полная добротность (Qts): 0,5 (±0,1)
И этому надо осторожно верить. дело в том что в СССР часто умышленно занижали параметры. Здесь по паспорту резонанс 65 Гц - норма, а на деле у новых хороших динамиков шанс на 45 Гц был намного больше.
Добротность норма 0,6 но с такой в ФИ его пускать нельзя, а по факту скорее 0,45 и такие хорошо работали в ФИ.
Верхние цифры это скорее "третий сорт - не брак", а по факту и в основном было заметно лучше. И поэтому у нас, даже спустя полвека есть шанс получить нормальные цифры. Надо пробовать.
Когда резиновые подвесы изрядно выпили докторской ваксы, стали пьяными липкими, есть смысл поразминать их очень низкими частотами 12...16 Гц чтобы ход диффузора был несколько мм, может удастся отыграть несколько Гц.
Кроме прочего, эти частоты не слышны и не мешают (мять голые динамики). Не советую как писали раньше подключать их к транформатору и качать частотой 50 Гц.
 
Регистрация
23 Май 2020
Сообщения
2,384
Реакции
1,045
Репутация
70
Предупреждений
1
В Ваших тестах 7 Герц - это отклонение в результатах, вот я и имел ввиду, что 35Гц=90Гц-55Гц паспортных, то есть отклонение 35 Герц. Это я нечетко изложил, прошу извинить.
Если те 35 Герц мысленно поделить на 5 (просто пять), тот как раз получим те самые магические 7 Герц! Сила математики в её арифметической точности.
 

Тимур

3 ранг
Регистрация
8 Апр 2021
Сообщения
59
Реакции
23
Репутация
17
Страна
Украина
Город
Каменское
Имя
Тимур
Сила математики в её арифметической точности
Согласен, если бы увидеть еще физический смысл этой зависимости ) Заметил, что когда Вы пишете, я сначала улыбыюсь, а потом читаю, потому что синьор Распони из Турина - мой любимый персонаж, шикарно сыгранный Костецким. Поэтому каждый раз представляю себе, что получаю сообщение, которое на почту относил Труффальдино )

По данным этого сайта у 15ГД-14
Частота основного резонанса (Fs): 55 Гц (±10 Гц)
Полная добротность (Qts): 0,5 (±0,1)
И этому надо осторожно верить. дело в том что в СССР часто умышленно занижали параметры. Здесь по паспорту резонанс 65 Гц - норма, а на деле у новых хороших динамиков шанс на 45 Гц был намного больше.
Добротность норма 0,6 но с такой в ФИ его пускать нельзя, а по факту скорее 0,45 и такие хорошо работали в ФИ.
Сергей, это реально шикарное пояснение, и его обязательно буду держать в уме, я про разброс и не подумал по неопытности. И классно получить его в нужную сторону при ломании динамика.
 

Динозавр

1 ранг
Регистрация
31 Янв 2023
Сообщения
2,929
Реакции
865
Репутация
52
Страна
Россия
Город
станица Пашковская
Имя
Александр
Предупреждений
3
Жёсткие подвесы и ЦШ. Возможно уменьшится эквивалентный объём.Может подвижка от 20ГДС (Бердск)- похоже...
Настроить ФИ ниже резонансной частоты динамиков (минимум Z между горбами) по Чебышеву и жить дальше:)
 
Последнее редактирование:

KSV

1 ранг
Регистрация
10 Июн 2020
Сообщения
6,950
Реакции
7,207
Репутация
254
Страна
Россия
Город
Москва
Имя
Сергей
И классно получить его в нужную сторону при ломании динамика.
Я предполагаю что если изначально, с завода, цифры параметров были низкие, то мы сможем к ним приблизиться, а если был третий сорт - вряд ли.
И да, напомнили, динамики выпускали разные заводы, в разное время и "в конце месяца", тут как повезёт. Поставив новый подвес можно улучшить, опять если повезёт - если новые хорошие, а не мой взгляд делают не мягкие и тонкие, как нам хотелось бы, а прочные и толстые чтобы не порвались.
Мои опыты с заменой на ППУ не принесли особой радости.
Настроить ФИ ниже резонансной частоты динамиков (минимум Z между горбами) по Чебышеву и жить дальше:)
А больше ничего не остаётся. На треть октавы, попробовать на полоктавы. Но измерив, можно выбрать динамики какие получше.
 

Динозавр

1 ранг
Регистрация
31 Янв 2023
Сообщения
2,929
Реакции
865
Репутация
52
Страна
Россия
Город
станица Пашковская
Имя
Александр
Предупреждений
3
Есть подходящие 4-5" на Али - недёшево:(
 
Регистрация
23 Май 2020
Сообщения
2,384
Реакции
1,045
Репутация
70
Предупреждений
1
Согласен, если бы увидеть еще физический смысл этой зависимости ) Заметил, что когда Вы пишете, я сначала улыбыюсь, а потом читаю, потому что синьор Распони из Турина - мой любимый персонаж, шикарно сыгранный Костецким. Поэтому каждый раз представляю себе, что получаю сообщение, которое на почту относил Труффальдино )
Спасибо за добрые слова! Тот пр0ходимец (и молочный брат Дона Жуана) Распони, я полагаю, выпить 🍷🍾 был не дурак, женщин любил, а между делом слушал живую итальянскую музыку Средних веков, не упуская приятную возможности оприходовать содержимое карманов слушателе-соседей.
Касаемо Ваших НЧ динамиков: в крайнем случае можно будет поставить (есть недостаток: за большие сольди) новые итальянские мидвуферы Sica – очень похожи на 25ГДН-3-4. Вдруг есть похожие но от китайского аудиопрома. Ща ссылку найду.
 

Тимур

3 ранг
Регистрация
8 Апр 2021
Сообщения
59
Реакции
23
Репутация
17
Страна
Украина
Город
Каменское
Имя
Тимур
Я предполагаю что если изначально, с завода, цифры параметров были низкие, то мы сможем к ним приблизиться, а если был третий сорт - вряд ли
Если только это не размагниченные магниты, то заменить всё подвижное не проблема, ремкомплекты продаются, спецы у нас в городе есть, которые умеют это делать. Я в принципе и сам могу из любопытства попробовать - не такой большой бюджет, чтобы бояться пары испорченных ремкомплектов. Тут важнее - купить хорошего качества ремкомплект, я писал выше про жалобы на жесткие ЦШ в ремкомплектах при неплохих подвесах.
 

Тимур

3 ранг
Регистрация
8 Апр 2021
Сообщения
59
Реакции
23
Репутация
17
Страна
Украина
Город
Каменское
Имя
Тимур

KSV

1 ранг
Регистрация
10 Июн 2020
Сообщения
6,950
Реакции
7,207
Репутация
254
Страна
Россия
Город
Москва
Имя
Сергей
заменить всё подвижное не проблема, ремкомплекты продаются, спецы у нас в городе есть, которые умеют это делать. Я в принципе и сам могу из любопытства попробовать
Полезно попробовать, тем более что есть запас.
Расклеиваются они ацетоном нормально, главное - терпение, не надо сильно "помогать". Помогать можно руками снять резиновое кольцо - оно прочное, не порвётся, а бумагу можно испортить.
я писал выше про жалобы на жесткие ЦШ в ремкомплектах при неплохих подвесах.
ЦШ менять не обязательно, старые уже размягчены наверняка.
Сначала, после расклейки, новый подвес приклеить к диффузору.
Потом можно даже не отклеивать пылезащитный колпачок.
Подать через усилитель 12-16 Гц и попробовать пальцами или прищепками прижать внешний край подвеса к корзине и убедиться что катушка не трёт при большой амплитуде.
Потом намазать внешний край клеем который схватывает не бысто, наложить чтобы можно было двигать, и включить генератор, добиться большого хода без задевания керна - это очень слышно. Найти положение, выключить генератор. Когда схватит, но не намертво, проверить ещё раз генератором. Амплитуда большая, больше чем будет на практике и если не задевает, всё в ажуре.
Это один из способов, простой. И если ЦШ была вклеена правильно и диффузор не перекосило, то самый простой способ - не всегда просто снять пылеколачок.
 

KSV

1 ранг
Регистрация
10 Июн 2020
Сообщения
6,950
Реакции
7,207
Репутация
254
Страна
Россия
Город
Москва
Имя
Сергей
Сергей, понял, спасибо! А чем приклеивать лучше всего?
Лучше всех ответит на подобные вопросы - Мешин. Он не кусается и вполне отзывчив, только с ним шутить нельзя.
Думаю, клей лучше тот который можно потом снова отклеить smile_1 Например, ЖИДКИЙ "Момент" какой-нибудь, но наносить надо быстро, прикладывать (опускать) диффузор на корзину с уже приклеенным гофром, равномерно, для этого можно приподнять диффузор чтобы он был выше корзины. Если снят пылеколпачок - всё проще, в зазор от керна до гиkьзы каркаса ставятузкие клинья-прокладки чтобы диффузор поднялся и держался. Если не отклеен, подпирать диффузор можно проставками снизу, осторожно.
Понятно, если криво начать прилеивать диффузор, его перекосит, пока клей жидкий, можно поправить, но лучше сразу класть ровно.
Динамик это маленький по диаметру и сложностей быть не должно. Если не с первого раза, то со второго должно получиться, а первые - отклеить, но не отрывать, усилия растянут диффузор.
"Момент" и ему подобные можно разбавить этилацетатом чтобы получить жидкий клей, но не ацетоном.
 

Тимур

3 ранг
Регистрация
8 Апр 2021
Сообщения
59
Реакции
23
Репутация
17
Страна
Украина
Город
Каменское
Имя
Тимур
Думаю, клей лучше тот который можно потом снова отклеить
Классное определение, мне понравилось, хоть заранее и неизвестно, можно ли снова отклеить тот или иной клей. Ладно, эти мелоч изучу за пределами темы, чтобы не растекаться мыслью, есть более технический вопрос. Я всё-таки симптизирую способу замены подвеса с отклейкой колпачка и симметрированием диффузора относительно катушки. Но. Раз будет отклеиваться сам колпачек - в данном случае блестящий и воздухонепроицаемый, может есть смысл его заменить на колпачек из другого материала, пропускающего воздух? Я сейчас подумываю или самому этим заниматься или заказать эту работу быстро на стороне, чтобы через день всё было готово. Но хочется понимать ситуацию с колпачком - имеет ли он важное значение?
 

KSV

1 ранг
Регистрация
10 Июн 2020
Сообщения
6,950
Реакции
7,207
Репутация
254
Страна
Россия
Город
Москва
Имя
Сергей
сам колпачек - в данном случае блестящий
В 9-ом классе мне нравился такой блестящий, как импортный, сейчас - не нравится.
может есть смысл его заменить на колпачек из другого материала, пропускающего воздух?
Думаю, специально гоняться не стоит, сойдёт и бумажный.
Мне больше нравятся продуваемые тканевые, но на Али нужного диаметра не нашёл.
Если блестяшка повредится при отклеивании, можно ставить и бумажные.
хочется понимать ситуацию с колпачком - имеет ли он важное значение?
Не люблю сложные вопросы, люблю простые.
Бывает что колпачки гадят - выдают пупырь на частоте несколько кГц из-за своей жёсткости. А бывает - нормально. Марля-тряпочка с прпиткой помяхше, неагрессивная.
Хорошую вещь предложил "Кузнечик" - донышки от пивных банок впуклостью наружу. Но надо чтобы прилегал.
Буржуи из Mission так делали, мне нравилось - впуклая плавная бумажка по центру.
Точно сказать не могу.
 

apalych

1 ранг
Регистрация
7 Июн 2021
Сообщения
2,817
Реакции
2,770
Репутация
113
Страна
UA
Город
Кам'янець-Подільський
Имя
Андрій
я про разброс и не подумал по неопытности
Пара древних 15ГД-14 через месяц после др.Вакс Fs 58/60Гц (ЦШ не размята).
Вскоре ещё одно намазюкивание и разминка ЦШ. В р-н 55Гц выведу.

Раз будет отклеиваться сам колпачек - в данном случае блестящий и воздухонепроицаемый, может есть смысл его заменить на колпачек из другого материала, пропускающего воздух? Я сейчас подумываю или самому этим заниматься или заказать эту работу быстро на стороне, чтобы через день всё было готово. Но хочется понимать ситуацию с колпачком - имеет ли он важное значение?
Материал, форма – более на правом краю АЧХи, вес ПЗ-колпачка – резонансная (соответственно, в меньшей мере, и Vas).
Пластиковые "блискучки" зачастую "щёлкают" на больших волюмэ.
Коль уж так, то в Вашем случае кумекаю за небольшой тканевый продуваемый ПЗ, с пропиткой горла (см 1.5-2 по радиусу от катушки) шеллаком/цапонлаком (это сделать в любом случае желательно). Подмазывая диаметрально от дифа лак на такую ПЗ, можно подравнять АЧХу справа.

Можете примастерить вч рупорок-визер, высотой 6-8мм (подобный 10ГД-36). Но без микрофона будет оч.плохо.
И этого моя Вам не советовал;), бо это для "плохой" вэчешки в двухполоску.


Неплохой вариант, как говорил Сергей KSV
Хорошую вещь предложил "Кузнечик" - донышки от пивных банок впуклостью наружу. Но надо чтобы прилегал.
Но тут тщательно нужно впуклое "донышко-диф" (выпуклым донышком взбрыкнёт справа, на ненужной частоте). Резонансная и чуйка слегка упадёт, Vas слегка (некритично) увеличится. Промежуток от горла от катушки до ПЗ – ужесточить пропиткой.
С первого раза не палучицца;)
 
Последнее редактирование:

scamp

1 ранг
Регистрация
28 Окт 2021
Сообщения
1,704
Реакции
1,342
Репутация
68
Страна
Россия
Город
Ростов-на-Дону
Имя
Александр
Хорошую вещь предложил "Кузнечик" - донышки от пивных банок впуклостью наружу. Но надо чтобы прилегал.
Пробовал на 25гдн получается хорошо.
Лучше всех ответит на подобные вопросы - Мешин. Он не кусается и вполне отзывчив, только с ним шутить нельзя.
Он наверное это делает с закрытыми глазами не то что мы с трясущимися руками.
Раз пошел разговор как и чем клеить поделюсь своим скромным опытом.
Все детали подвеса и ЦШ которые контактируют с корзиной я клею через бумажную прокладку особенно это касается экспериментальных образцов которые возможно придется несколько раз переделывать. Что это даёт, если вдруг придётся переделывать вы с легкость вводите ацетон шприцом с иголкой между слоями и бумага легко расслаиваются и детали освобождаются. Для понимания выглядит это примерно так.

1761755572481.png


В качестве клея использую БФ он более долгоиграющий. В качестве прижимов канцелярские прищепки.

1761756001154.png
 

KSV

1 ранг
Регистрация
10 Июн 2020
Сообщения
6,950
Реакции
7,207
Репутация
254
Страна
Россия
Город
Москва
Имя
Сергей
Все детали подвеса и ЦШ которые контактируют с корзиной я клею через бумажную прокладку особенно это касается экспериментальных образцов
Орригинально.
если вдруг придётся переделывать вы с легкость вводите ацетон шприцом с иголкой между слоями и бумага легко расслаиваются и детали освобождаются.
Кто это придумал??
В качестве клея использую БФ он более долгоиграющий.
Боюсь, здесь он слишком долгоиграющий.
Вы делаете очень большой динамик, это намного сложнее, а 6,5 дюймов куда проще и он в целом менее склонен расползаться.
В качестве прижимов канцелярские прищепки.
Да, я тоже намекал, но нужны довольно крупные и слишком уж они сильные. Будете смеяться и сейчас их давно не видел, но можно бельевые - дерево или пластик. А 15ГД-14 и так можно.
Коль уж так, то в Вашем случае кумекаю за небольшой тканевый продуваемый ПЗ, с пропиткой горла (см 1.5-2 по радиусу от катушки) шеллаком/цапонлаком (это сделать в любом случае желательно).
На Али нашёл только маленький, а для 6,5 дюйма видел только бумажные, и они годятся.
Но "марлевые" прислали в небольшой пластиковой баночке, я даже удивился - почти гарантия от повреждений.
Подмазывая диаметрально от дифа лак на такую ПЗ, можно подравнять АЧХу справа.
Лучше пока не надо нагружать такими сложными тонкостями, а то будет "переполнение буфера".
Можете примастерить вч рупорок-визер, высотой 6-8мм (подобный 10ГД-36). Но без микрофона будет оч.плохо.
баба Я га - против. Снова пока сложно, да и две пищалки на одной кухне... А то сейчас перегрузим "добрыми" советами.
Но тут тщательно нужно впуклое "донышко-диф" (выпуклым донышком взбрыкнёт справа, на ненужной частоте).
Именно впуклое (вогнутое), как и советовал Кузнечик. Но не всегда изгиб донышка гладко совпадает с диффузором.
Сейчас на Тимура разом слишком много навалится, особенно после микрофона.
Я бы посоветовал Тимуру делать не всё сразу, а постепенно, начиная с НЧ звена (динамик+корпус), тут и микрофон не нужен.
Надо измерить три параметра T-S без больших ошибок у самого динамика (Vas лучше в штатном корпусе временно превращённом в ЗЯ методом затыкания всех щелей, может малярным скотчем изнутри или подобным чтобы потом открыть щели ФИ). Зная их и зная внутренний объём НЧ ящика, можно вычислить что из этого получится. Записать Qts и Fs полученные в ЗЯ.
Потом можно и нужно посмотреть двугорбый импеданс динамика в ящике с ФИ. Будет видно - надо постраивать щели ФИ или уже хорошо.
Заполучив микрофон, можно в упор прикинуть нижнюю частоту и дальше заниматься уже с микрофоном. Оценить СЧ динамик, подобрать к нему делитель чтобы выровнять отдачу НЧ и СЧ динамика, а дальше думать о фильтрах для НЧ и СЧ динамиков чтобы стык был ровный.
Это один из вариантов, предлагайте другие.
 

apalych

1 ранг
Регистрация
7 Июн 2021
Сообщения
2,817
Реакции
2,770
Репутация
113
Страна
UA
Город
Кам'янець-Подільський
Имя
Андрій
баба Я га - против. Снова пока сложно, да и две пищалки на одной кухне... А то сейчас перегрузим "добрыми" советами.
Всё забываю, что это трёхполоска, а моя давай всё равнять на две полосы..._istukan (прямое легче скривить, чем кривое выровнять))))
В таком случае, штатный ПЗ можно наф*иг, а вместо него – небольшой кругляшок из тонкого продуваемого поролона ("нежную" электронику таким обворачивают). Для НЧ в трёхполоске нормально и достаточно будет. Тут важны подвес и ЦШ (и срезать задолго до окончания поршневого – полосы 4ГД-53 снизу хватит с огромным запасом – 400-500-600Гц вполне. Поршневой у энчешника до 1.2-1.5кГц)
 
Последнее редактирование:

Тимур

3 ранг
Регистрация
8 Апр 2021
Сообщения
59
Реакции
23
Репутация
17
Страна
Украина
Город
Каменское
Имя
Тимур
Большое спасибо всем за советы по доработке динамиков - пусть не я лично их воплощу, но более опытный мастер и быстрее - они очень важны! Я прикинул, что чтобы тема из доработки АС не разветвилась до ремонта динамиков, я попробую посотрудничать с местным умельцем по ремонту динамиков - оказалось он подвесы берет там же, где и я собирался. Что касается пыльника, можно заказать бумажный, углеродный и пластиковый - примерно такие, как на фото. Нужно только размер померять какой у оригинала. Какой из этих лучше выбрать? Их можно будет заказать вместе с подвесами.
Пока будут ремонтироваться динамики, очень хотелось бы вернуться к тебе фильтров и компоновки.
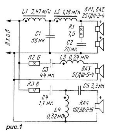
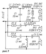
За прототип предполагается взять два варианта фильтров от АС Verna с похожим набором головок (кроме ВЧ). В одном варианте использована комбинация 1-1-3 порядок, в другом - 3-1-3 порядок. У Петрова в Радиолюбителе были интересные исследования импульсных характеристик фильтров, и там 3-1-3 был кажется на втором месте после 1-1-1. Если принять частоту раздела НЧ-СЧ примерно за 700-800, то по идее запаса полосы должно хватить обеим головкам, чтобы поделиться 1м порядком, тогда можно пробовать стартовать с более простого прототипа 1-1-3, а если что-то не понравится, можно развить до 3-1-3.
Чтобы не было совсем скучно, хочу добавить, что если чувствительность получившейся системы окажется низкой, у меня есть где быстро заказать корпуса-близнецы для имеющихся, и поставить по две НЧ головки (хотя в ветках Verna кажется обсуждалось, что при такой компоновке максимум низких частот имеется где-то сбоку АС).
Но мне кажется, что для начала можно попробовать и с одной головкой - из одной всегда можно две сделать (как и наоборот )).
То есть предлагается идея движения от простого к сложному с измерением/слушанием каждого этапа. И на самом первом этапе есть мысль использовать только имеющиеся в данной АС головки, в дальнейшем можно легко поменять, например, ВЧ, как тут был мудрый совет, на излучатель Хейла.
Что скажут наймудрейшие?
 

Вложения

  • Filters 1-1-3.png
    Filters 1-1-3.png
    149.6 KB · Просмотры: 38
  • Carbon duster.jpg
    Carbon duster.jpg
    35.3 KB · Просмотры: 11
  • Plastic_duster.jpg
    Plastic_duster.jpg
    29.1 KB · Просмотры: 7
  • Paper_duster.png
    Paper_duster.png
    155.6 KB · Просмотры: 8
  • Filters 3-1-3.png
    Filters 3-1-3.png
    99.2 KB · Просмотры: 13

Последние сообщения

Статистика форума

Темы
3,068
Сообщения
234,497
Пользователи
2,375
Новый пользователь
Sergovlad
Сверху Снизу