Аккорд-201-стерео

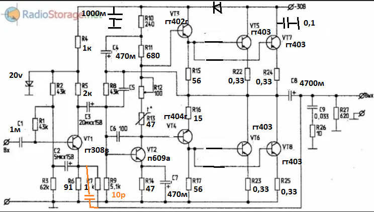
Попалась схема усилителя Beomaster-1000. Все транзисторы германиевые, а входной (после регулятора тембра) кремниевый UW0029, он же BC239 малошумящий (можно BC549, BC550). Все как у нас на форуме любят германий, только вход кремний. Возможно можно кремний еще и потому, что он в классе А работает, в отличие от других в АВ режиме.
Beomaster-1000.png
 
тут первые четыре в А работают во всей схеме,АВ только ВК(4ре транзистора)
 
транзисторы германиевые
AD149
Тип материала: Ge
Полярность: PNP
Максимальная рассеиваемая мощность (Pc): 27 W
Макcимально допустимое напряжение коллектор-база (Ucb): 50 V
Макcимально допустимое напряжение коллектор-эмиттер (Uce): 30 V
Макcимальный постоянный ток коллектора (Ic): 3.5 A
Граничная частота коэффициента передачи тока (ft): 0.2 MHz
Статический коэффициент передачи тока (hfe): 30
Корпус транзистора: TO3
Много где использовались в 67-70 г.г.:)
Ас127\128\132 - хорошие транзисторы.
 
да нормальная точность тк у 213,,,,215 совпадает с общеизвестной
Может хватит копаться в говне? П213 и их семейку ставили полвека назад за неимением лучшего. Сколько можно сравнивать с ними? Пора поблагодарить их за работу - много миллионов штук всякой техники было в эксплуатации, и отправить на заслуженный отдых.
вот тут еще пост 9 https://ldsound.club/threads/germanievye-unch.170/
мой первый биампинг
На здоровье! Это называется мания или идея фикс. Очень уважаемый мной человек несколько раньше делал ТРИампинг, была схема в "Радио". Повозившись и обкатав, он вынес вердикт: ГОВНО. Человек был без маний и комплексов, признавал неудачи.
был сделан еще в 1980г,вч на лампе 6п6с трансы от телека
Ну давайте сюда всё в одну кучу... Лучше отделим мух от котлет. Германий так германий.
Моя цель - послушать его сегодня исходя из сегодняшних возможностей и сделать личный выбор: виновен или невиновен.
звучало очень даже+likeна нч 6гд-2 на вч сч3гд32+2гд36 раздел 300гц обычными рс фильтрами первого порядка
Уверен, что звучать могли динамики 6ГД-2 и 3ГД-32, оба рижские, кстати. Вероятно. с другим усилителем звук был бы лучше. Правда, фильтры первого порядка вызывают сомнения.
пробовал п605 на вч тогда ,не плохо,но сгорели быстро,наверное от возбуда...я тогда еще мало о нем знал(((
Вот это уже ближе к теме. Не только у Вас горели, значит дело не в Нас,а в Этих транзисторах.
я бы его на кремний комплементарный перевел,желательно импорт ,
Кто мешает? Симулянт что сказал?
Попалась схема усилителя Beomaster-1000.
Видно что делался когда кремниевые были редкие и золотые. Такие схемы сейчас не нравятся.
- вагон межкаскадных конденсаторов,
- неотключаемая тонкомпесация,
- капризная настройка ООС
можно и дальше, но достаточно.
Кроме того, таких транзисторов у нас никогда не было, а искать их сегодня - безумие.
Думаю, кремниевый транзистор впендюрили для того чтобы можно было этим похвастать, как сейчас хвастают впендюрив лампу или германий.
Хотя может и для другой цели - увеличить усиление каскада, для того и и комбинированная ОС. А малошумность здесь ни при чём.
Схема, действительно, для музея.
 
Вот ещё один "стул, из дворца"..
В смысле схема, но это из нашего музея.
В выходную мощность не очень верю, ;)
остальное жизненно.
 

Вложения

  • p0036_1.jpg
    p0036_1.jpg
    766 KB · Просмотры: 296
Правда, фильтры первого порядка вызывают сомнения.
фильтр был такой в вч канале стоял слюдяной кондер 0,03 мкф перед регулятором уровня вч 20к ,а в нч стоял трансформатор тот-35 аналогично, в пермаллоевом экране(маленький да удаленький,размером с вишню, как дроссель индуктивностью 12гн(все обмотки последовательно) -выходит первый порядок,пару тот-ов отбирал на LC метре ,на работе их было завались,работал в НИИ после школы лаборантом,не прошел в институт первый раз по конкурсу,0,5 балла не добрал,,,,,коллектив был у нас аудиофильский,вместо работы 50% времени научные сотрудники клепали себе кто долби компандер,кто усилок,кто приемник))))))))))))))))измериловки было разной завались.....золотое время.....
была у меня тогда еще и акустика 2шт 5гд1ррр последовательно+3гд15 в 100литрах,от бати осталась но я ее тогда не оценил(((( тогда диско и рок в моде были и 6гд2+3гд32 выиграли тендер))))сейчас я бы пересмотрел его,жаль от них остались лишь воспоминания((((
когда подключат к ней наушниковый выход волкмана,то звучало комфортно,друзья все поражались чуйке моих АС)))))
 
Последнее редактирование:
делал ТРИампинг, была схема в "Радио".
4-х полоска на Зуеве не хочь? кросс на 140уд7 это все в88году , фурор на дискотеке ))) это к тому , уважаемый знакомый нае-л тебя серега))) п.с. да еще кинап стоял в полосах и зуевы в мост работали...
 
Вообще-то накосорезить можно в любом варианте, хоть в активе, хоть в пассиве. Не добившись толком в одном варианте-перекинуться на другой в надежде. что там проблемы отвалятся.
Взять те же последовательные фильтры. Умеючи их можно вывести в кондицию, другой вопрос- ценой каких усилий и умений.
 
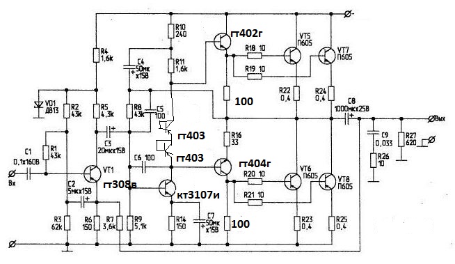
вот вам чистокровный германец без примеси кремния))))
т1 и т2 желательно с бэтой выше 200
 

Вложения

  • чистокровный германец.png
    чистокровный германец.png
    176.5 KB · Просмотры: 209
Взял и обидел П605... Пугачевская схема самодостаточна чтобы издеваться над ней, или так:
доработка юан8.jpgЛин_Пугачев.jpg
 
Последнее редактирование:
Взял и обидел П605...
надоело мементо мори)))) этот живучее и 15кгц 403х тоже не плохо,низкоомные резики в базах 56ом тоже на вч помогут немного быстрее плечи переключать,сплавные вроде меньше ступеньку дают,коррекция без проблем,п609а работает с током 16ма так что линейность хорошая,гт308 лучше даже с буквой Г,если кремнием брезгуете
 
Последнее редактирование:
Взял и обидел П605
Трошин с выходом на тройке- предвыход П605:
Под 806:
С комментами автора.
Не пробовал:(
 
Последнее редактирование:
мнение рукосуя не показатель,биампинг рулит,а при DSP или программном кроссовере с гибкой регулировкой ачх и речи быть не может в пользу одноканального усиления,ему место лишь с шириком в АС
Боже мой, биампинг, дсп, двп и прочее - это и есть удел рукосуев которые нормально сделать не могут, а выдумывают всякую хрень.
Дальше и говорить не о чем.
 
а это о чем,я о звуковом процессоре писал,там кроссовер легко реализуется причем с временными задержками,это для тех кто в танке,и все огрехи ачх ас легко править
но там цена кусается от 10000р,проще прога АРО и карта 5.1 или 7.1
выводим отдельые 4 или 6 каналов +саб
в каждом канале можно вертеть как хочешь ачх и задержки в реальном времени
 
Последнее редактирование:
надоело мементо мори)))) этот живучее и 15кгц 403х тоже не плохо
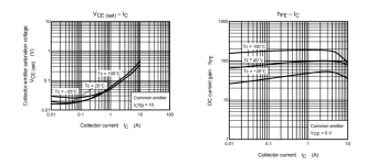
Любителям ГТ403.
Рекомендую приглядеться к цифрам.
При этом с точки зрения крепежа, ГТ403 - вот уж где засада
по полной присутствует.
Разумеется, если пользователь не сможет сделать вовремя частотную коррекцию
в схеме на П605, то лучше применить 403, они практически такие же по тупости,
как и П4.
Простят всё.
 

Вложения

  • 1T403_GT403.jpg
    1T403_GT403.jpg
    23 KB · Просмотры: 75
Попалась схема усилителя Beomaster-1000. Все транзисторы германиевые, а входной (после регулятора тембра) кремниевый UW0029, он же BC239 малошумящий (можно BC549, BC550). Все как у нас на форуме любят германий, только вход кремний. Возможно можно кремний еще и потому, что он в классе А работает, в отличие от других в АВ режиме.
Посмотреть вложение 124231
Схема типова для європейців початку 70-х років. Просто, тоді номенклатура кремнієвих транзисторів була обмежена і вони були дуже дорогі. Сьогодні повторювати це в такому вигляді безглуздо. Хіба що, придбати що-небудь подібне, що збережено в гарному зовнішньому стані і використовувати корпус в якості елемента інтерьєру.
Замість "поса"(С) додайте повторювач між першим і другим каскадом. І вольтодобавку не гріх замінити на справжнє джерело сталого струму. Правда, доведеться дещо уточнити корекцю.
 
Последнее редактирование:
При этом с точки зрения крепежа, ГТ403 - вот уж где засада
где там засада?одну дырку 10мм от балды проще сверлить,только в два приема,тонким и рассверлить толстым, чем 5точных для п 605
корпус медный с термопастой нормально выйдет
 

Вложения

  • гт403 параллель конструктив.png
    гт403 параллель конструктив.png
    35.4 KB · Просмотры: 90
Есть токарный станок под столом?
я же дал для дрели вариант,пластину можно и не медную ,а алюминиевую
медную проще спаять из кусков шины 4,,,5 мм,алюминиевую склеить суперклеем если нет толстой
можно отверстие внутри облудить мягким припоем,чтобы запрессовка легко шла,берем трубочку 12мм и забивам гвоздики))),но больше 3х-4х в параллель имхо не стоит делать
этот блочек-сборку можно крепить даже через прокладку на общий радиатор
 
Последнее редактирование:
я же дал для дрели вариант,пластину можно и не медную ,а алюминиевую
медную проще спаять из кусков шины 4,,,5 мм,алюминиевую склеить суперклеем если нет толстой
можно отверстие внутри облудить мягким припоем,чтобы запрессовка легко шла,берем трубочку 12мм и забивам гвоздики))),но больше 3х-4х в параллель имхо не стоит делать
этот блочек-сборку можно крепить даже через прокладку на общий радиатор
Не люблю "колхоз".
"Красиво сделанная вещь и работает красиво."
Мне проще сделать вот так:
 

Вложения

  • IMG_20250215_185453.jpg
    IMG_20250215_185453.jpg
    682.9 KB · Просмотры: 122
вот так примерно,и термик или транзистор- термодатчик не нужно на длинных проводах тянуть,все близко к радиатору в любой точке платы
 

Вложения

  • монтаж.png
    монтаж.png
    13.8 KB · Просмотры: 69
Последнее редактирование:
Иметь П605 и радиаторы для них и рассуждать о ГТ403 какой смысл если первые прекрасно работали в промышленных аппаратах и не горели уж часто, я лично не помню что бы у друзей на яузе, дайне вылетали, ну да там в классе В. Или всё таки мысль о JLH гложет, так это тема аккордов. smile_24
 
в А классе все преимущества германия тают как лед в июле))) там кремний рулит ,можно смело при 100градусах работать при этом параметры транзисторов только лучше
теплообмен лучше ,особенно летом,когда 40жары а германий уже не терпит более 50градусов радиатора,теплообмен никакой,а вот между 100 и 40 уже разница приличная
 
100градусах работать при этом параметры транзисторов только лучше
Бльшинство параметров хуже при 100, а некоторые значительно. А на слюде совсем мало поработают.
 

Вложения

  • 2sc5198.PNG
    2sc5198.PNG
    57.4 KB · Просмотры: 74
Может кому интересно будет, хочу поделится своим скромным опытом небольшой модернизации "Аккорд - 201". Вертушку убрал сразу, решил использовать как усилитель. Первым делом заменил все электролиты. Из тех, что на платах шесть штук оказалось полностью высохшими. Все большие в питании практически соответствовали номиналу. Разделительные на динамики заменил на 2000 мкФ, в питание добавил 4700 мкФ. Транзисторы МП40 заменил на МП15, МП25а на МП14б, МП37а на МП10б, П213б на П215. Выходные и предвыходные подобрал по одинаковому коэффициенту усиления, Т5 и Т4 - с наибольшим коэффициентом. Добавил резистор 1 Ом в эмиттер нижнего выходного транзистора. R32 и R33 (в базе выходных) со 100 Ом заменил на 43 Ом (как в Корвете, Астре, Электроне-20). Вместо терморезисторов поставил диоды Д9Д, путем подбора которых (у них большой разброс падения напряжения) установил ток покоя около 20 мА. Все заработало. Звук без заметных искажений, неутомительный. Можно слушать продолжительное время как на высокой так и на малой громкости. Выходные транзисторы, в т.ч. и при длительном прослушивании на большой громкости, почти не греются - чуть теплые, комнатной температуры. Используемая акустика - родные колонки на 4ГД-35. Динамики обработал герленом - место крепления диффузора к корзине с тыльной стороны и первую (от звуковой катушки) впадину гофрированного подвеса (по методике Шорова, журнал Радио № 4, 1986).

Общие результаты в RightMark Audio Analyzer​

Неравномерность АЧХ (в диапазоне 40 Гц - 15 кГц), дБ
+1.01, -1.40​
Уровень шума, дБ (А)
-90.4​
Динамические диапазон, дБ (А)
89.3​
Гармонические искажения, %
0.116​
Интермодуляционные искажения + шум, %
0.310​
Интермодуляции на 10 кГц, %
0.409​


Измерения усилителя проводились на эквиваленте нагрузки 5.6 Ом и положения регуляторов тембра примерно в среднем положении.

Измерения АЧХ колонок проводились при положении регуляторов тембра в сторону подъема ВЧ и НЧ примерно 6 дБ (наиболее комфортное при прослушивании музыки) на средней громкости.
 

Вложения

  • Аккорд 201 схема.jpg
    Аккорд 201 схема.jpg
    300.7 KB · Просмотры: 172
  • Искажения.jpg
    Искажения.jpg
    305.6 KB · Просмотры: 184
  • Частотная характеристика.jpg
    Частотная характеристика.jpg
    249.2 KB · Просмотры: 147
  • 4 гд 35 +аккорд 1 метр правая.png
    4 гд 35 +аккорд 1 метр правая.png
    271.9 KB · Просмотры: 149
  • 4 гд-35+аккород в месте прослушивания.jpg
    4 гд-35+аккород в месте прослушивания.jpg
    461.1 KB · Просмотры: 166
Может кому интересно будет, хочу поделится своим скромным опытом небольшой модернизации "Аккорд - 201". Вертушку убрал сразу, решил использовать как усилитель. Первым делом заменил все электролиты. Из тех, что на платах шесть штук оказалось полностью высохшими. Все большие в питании практически соответствовали номиналу. Разделительные на динамики заменил на 2000 мкФ, в питание добавил 4700 мкФ. Транзисторы МП40 заменил на МП15, МП25а на МП14б, МП37а на МП10б, П213б на П215. Выходные и предвыходные подобрал по одинаковому коэффициенту усиления, Т5 и Т4 - с наибольшим коэффициентом. Добавил резистор 1 Ом в эмиттер нижнего выходного транзистора. R32 и R33 (в базе выходных) со 100 Ом заменил на 43 Ом (как в Корвете, Астре, Электроне-20). Вместо терморезисторов поставил диоды Д9Д, путем подбора которых (у них большой разброс падения напряжения) установил ток покоя около 20 мА. Все заработало. Звук без заметных искажений, неутомительный. Можно слушать продолжительное время как на высокой так и на малой громкости. Выходные транзисторы, в т.ч. и при длительном прослушивании на большой громкости, почти не греются - чуть теплые, комнатной температуры. Используемая акустика - родные колонки на 4ГД-35. Динамики обработал герленом - место крепления диффузора к корзине с тыльной стороны и первую (от звуковой катушки) впадину гофрированного подвеса (по методике Шорова, журнал Радио № 4, 1986).

Общие результаты в RightMark Audio Analyzer​

Неравномерность АЧХ (в диапазоне 40 Гц - 15 кГц), дБ
+1.01, -1.40​
Уровень шума, дБ (А)
-90.4​
Динамические диапазон, дБ (А)
89.3​
Гармонические искажения, %
0.116​
Интермодуляционные искажения + шум, %
0.310​
Интермодуляции на 10 кГц, %
0.409​



Измерения усилителя проводились на эквиваленте нагрузки 5.6 Ом и положения регуляторов тембра примерно в среднем положении.

Измерения АЧХ колонок проводились при положении регуляторов тембра в сторону подъема ВЧ и НЧ примерно 6 дБ (наиболее комфортное при прослушивании музыки) на средней громкости.
Остается светло позавидовать вам и поздравить с хорошей работой.Все мастерски и по уму. +like
АЧХ в точке прослушивания зачетная
 
Я бы увеличил ток покоя до 30мА, а вместо 4ГД 35, купил бы акустику от Веги 312 на шириках и ни в коем случае ничего с динамиками не делал,хоть Шорова и уважаю.Конечно вариант нищебродский,но звук будет достойный!
 
Привезли в ремонт это недоразумение господнее. Сразу предупредил: не вези , если башка убитая, нечем менять. Молился-божился, что купил пачку иголок и новые бошки у коллекционера.
Угу. Все бошки кроме одной с вытекшими соплями, держатели иголок исчезли. Одна голова ка-то звучит, с диким перекосом по каналам.Устранил перекос в усилителе- емкости высохли , потом занялся звукоснимателем. Новая игла из запаски, ставлю- едет по пластинке, скатывается. В линзу смотрю- игла в палец толщиной, хотя по идее на 33оборота.
ладно, ставлю бэушную, грязь убрал, вроде непаханная, запела. Но все равно, по каналам разброс децибел 20 и один канал верещит. такая башка, ничего не сделать, кроме заменить на новую. На базаре есть фирменные пьезобошки, можно встроить в корпус от этой собачьей ГЗКУ631 , и то лучше будет. Вот же господи, создали чучело вместо головы, что новая что старая, не знаешь, какая хуже.А ещё взбесило то, что все провода от вертушки запаяны наглухо в схему усилителя и хрен отсоединить , а провода короче некуда, пришлось на ходу сочинять подставку, удерживать вертушку в стороне от усилителя. Как же нужно было ненавидеть людей, чтобы такого урода выпустить, представляю мучения мастеров, чинивших эту технику.

а
Решить проблему «дохлой» башки не сложно, распечатав на 3D принтере адаптер и заказав пьезо головку на АлиЭкспресс. Затраты на несколько сотен рублей. От совдеповской головки полезны будут ножевые контакты. За цвет пластика адаптера -дело вкуса
IMG_5685.jpegIMG_5684.jpeg

Остается светло позавидовать вам и поздравить с хорошей работой.Все мастерски и по уму. +like
АЧХ в точке прослушивания зачетная
Аналогично занимался реставрацией Аккорд 201 с целью использования на даче. По причине нестабильности сетевого напряжения, от 160 до 270 вольт пришлось заменить трансформаторный блок питания на импульсный, купленный на Озон. Привозят быстрей чем Али.
Использовал проигрыватель в качестве усилителя для телевизора.
Ностальгия по 70 годам прошлого века.
 
Последнее редактирование модератором:
Решить проблему «дохлой» башки не сложно, распечатав на 3D принтере адаптер и заказав пьезо головку на АлиЭкспресс. Затраты на несколько сотен рублей. От совдеповской головки полезны будут ножевые контакты. За цвет пластика адаптера -дело вкуса
Посмотреть вложение 136193Посмотреть вложение 136194


Аналогично занимался реставрацией Аккорд 201 с целью использования на даче. По причине нестабильности сетевого напряжения, от 160 до 270 вольт пришлось заменить трансформаторный блок питания на импульсный, купленный на Озон. Привозят быстрей чем Али.
Использовал проигрыватель в качестве усилителя для телевизора.
Ностальгия по 70 годам прошлого века.
Расскажите,то,что на фото,сделано не в Китае? Уже здесь,в рукопашную?
 

Статистика форума

Темы
3,340
Сообщения
267,913
Пользователи
2,570
Новый пользователь
Игорь 875
Назад
Сверху Снизу