Аккорд-201-стерео

GecAS

Гранд мерси, напомнило отличную книгу

Степаненко И.П. Основы теории транзисторов и транзисторных схем.

После института хотел себе её оставить, но кто то спёр незаметно...
 
1762871700944.png1762871757032.png
довьеряй но провьеряй.
 
А тем более, если перед 700-ми - всё равно тормознутые ГТ402/404
долбоеб у них 25....57кгц с общим эмиттером ,для сравнения кт819г бывает 31кгц

Тип транзистора20 мА80 мА400 мА
ГТ402А704857
ГТ403Г191515
ГТ404А352729
ГТ701А4,4
ГТ703Б169,59

Тип транзистора20 мА80 мА400 мА
КТ201Б520
КТ201БМ780
2Т312Б1600
КТ3117А112501250

Тип транзистора20 мА80 мА400 мА
2Т602Б12501500
КТ602Б1500
КТ602БМ1300
КТ611АМ140150
КТ626Б4607201000
КТ639Б500720980
КТ645А1200800
КТ646А130015001500

Тип транзистора20 мА80 мА400 мА
КТ801А60010001400
КТ801Б5208301200
КТ803А400
КТ805А220
КТ805Б180430
КТ805БМ150280550
КТ807А5009501700
КТ807Б320460650
2Т808А230
КТ808АМ180
КТ809А140
КТ814В170135195
КТ815Б2580580500
КТ815В580500410
КТ816Г7595
КТ817А160100110
КТ818В85
КТ818ГМ38
КТ819Б3239
КТ819Г3031
КТ819ГМ36
КТ826А28024022
КТ826Б36038025
КТ828А300
КТ828Б200
КТ837А80110
КТ840Б420
КТ841В260
2Т842Б170
КТ845А230
2Т867А70
 
Посмотрел программку Аудиокиллера по комбинированной ООС.
Имеет ли(?) смысл пробовать так:

akkord-201.jpg
 
Посмотрел программку Аудиокиллера по комбинированной ООС.
Имеет ли(?) смысл пробовать так:

Посмотреть вложение 159059
Запросто можно получить разрыв звуковой катушки динамика! Аккорд хорош сам по себе, как аудиораритет, но полевики на вход вместо кт 315 можно запузырить
 
Распони Туринский, с чего вдруг - разрыв катушки?
В чистых ИТУНах, с, условно говоря, бесконечным выходным сопротивлением - ничего не рвётся, но есть горб на Fрез.
По Аудиокиллеру, комб. ООС - это небольшое увеличение выходного сопротивления усилка, например - единицы Ом. На его картинке-примере в программе - горба нет, но есть увеличение отдачи на НЧ в ЗЯ.
Схемотехник с меня совсем кожаный - на букву «Х», поэтому нарисовал - как понимаю (или не понимаю).
Вопрос в другом: стоит ли это делать для ОЯ, ну, будет ли в этом смысл по отдаче на НЧ в ОЯ?
 
Пробовал. На грани самовнушения, но мелкий эффект был.
И какое примерно сопротивление усилка получилось?
Я такое считать не умею, основываюсь только на программе Аудиокиллера.
 
Вопрос в другом: стоит ли это делать для ОЯ, ну, будет ли в этом смысл по отдаче на НЧ в ОЯ?
Хочешь меньше мучиться, а получить побольше, спаяй РУБЕЖ.
Рубеж.jpg


РУБЕЖ++.png


Две микросхемы, пара часов сборки, ноль/минимум настройки, качество - ну, сам скажешь, какое.
Рубец.jpg
Подстройка компенсатора.jpg


Рубец - вариант РУБЕЖА.

А шо я сделаю, если они в усилители умеют, а в названия - нет.

И какое примерно сопротивление усилка получилось?
Я был молод, глуп, какое там вычисление сопротивления: всё на перетыках. Эн-факториал от 50 я изучил вот этими руками.
 
только где 1875 не фейковую взять??????????7
 
СМЕРШ, я пока просто рассматриваю варианты с сохранением основы - родной схемы. Просто оставлять один корпус с современной начинкой не буду.
Давеча позвонили - подошла очередь, и скорее всего скоро залягу в больницу на фиг знает какой срок, а с понедельника начнётся подготовка: анализы и обследования всякие, в обязательном порядке - зубы драть и т.д.
Уже как выпишусь, то буду пробовать.
Я понимаю, что чудес от этого «Аккорда» ждать не стоит, но, ёлы-палы, увидел в продаже, во внешнем отличном состоянии, колонки на морде с тканью, а не с пластмассой - и совсем недорого за всё, и ностальгия накатила... :)
Что такое «RUBETZ» - я не знаю, ибо чайник, но делал ИТУН Линкора - на TDA2050.
В принципе, звук мне понравился. Слушал на колонки от какого-то советского стерео магнитофона, если не ошибаюсь - «Маяк».
Потом друг услышал, так он просто слюной изошёл. Ну, раз такое дело - отдал ему и плату с БП, и эти колонки. Ему очень понравился этот ИТУНовский звук.
 
ностальгия накатила...
Я так и понял, отсюда моё предложение: восстановить функционал до исходного вида, кардинальных изменений не вносить, использовать для сравнения как классический источник германиевого звука.

Тем более, я на таком начинал радиогубительство, и сейчас отчётливо помню результаты перетыков: никаких результатов. Закончил я на КТ342В на входе, ГТ308В в преде, ГТ321, ГТ402/404, П217В в УМ, с увеличенными ёмкостями электролитов, но никакой кардинальной разницы с исходником не заметил.

И только теперь понимаю, почему.
 
купи тда 7377 за 100р на АЛИ уже два канала включи резисторы 4...8ом последовательно с колонками и будет тебе Итуновский звук
резисторы ПЭВ-10 или еще проще-взять 5,,,7м провода 0.2...0,25мм сложить пополам и намотать на кусок пластиковой карты в два провода для нейтрализации индуктивности
питание 20в ,больше не дает ,выключает защита,но 19в норм и на много лучше чем штатно 12...14в

Закончил я на П217В в УМ
ничего удивительного у них 3кгц частота да еще квази выход..... у тебя был
симметричный вк на гт703\705 и УН на 5401,2sa970.2sa1015. даст на порядок лучший звук и не слушай Смерша-симулянта
 
Последнее редактирование:
восстановить функционал до исходного вида, кардинальных изменений не вносить
Ну, для успокоения души, я попробую с одним каналом: и диод Шоу, и токовую ООС, а второй оставлю нетронутым - для сравнения.
 
ничего удивительного у них 3кгц частота да еще квази выход..... у тебя был
симметричный вк на гт703\705 и УН на 5401,2sa970.2sa1015. даст на порядок лучший звук и не слушай Смерша-симулянта
Ты предлагаешь человеку чёрти что не проверенное даже в симуле . Тебе не стыдно фуфло людям впаривать ?
 
а лучше так
 

Вложения

  • akkord-201.jpg
    akkord-201.jpg
    436.7 KB · Просмотры: 116
я предлагаю проверенное в железе,симулятор с германием не катит тк модели германия не адекватные,завали свое ебало и не пизди
Какое там проверенное в железе , доказательства есть ? Ты до сих пор малюешь свои каракули от руки не имея ума скачать простейшую программу для черчения схем ! Врёшь как Петров но тот хоть свою брехню симулятором прикрывает а ты вообще в виндовском пайнте пальцем тычишь . smile_1 Откуда тебе знать про германиевые модели транзисторов если ты симулятором не владеешь ?
 
Последнее редактирование:

трезвый ёжик

Я так и понял, отсюда моё предложение: восстановить функционал до исходного вида, кардинальных изменений не вносить, использовать для сравнения как классический источник германиевого звука.
ГТ308В в преде, ГТ321, ГТ402/404, П217В в УМ,
Вот это самое правильное,только МП поменять так как у них база на корпусе ,а это лишние шумы ,ведь сейчас так много излучения станциями,а еще можно изменить подключение регулятора громкости перенести на вход ум,и сделать отключаемый пред,на понели есть кнопка стерео вот ее и задействовать,для цифрового звука тембра не нужны ,а вот для аналогового если кассетник или катушки или винил со своим корректором то да тембр блок пригодится.
 
Вот это самое правильное
Оно же и полностью бесполезное. Перевод денег.
Ну, допустим краешком ума, что Кг уменьшится на 0,5% из 3,5%?
Нет, я мерил получившуюся дорогую и убыточную гадость на ИНИ, я глазам не верил. На 20 кГц - проценты искажений, уже с первых милливатт.

Почему? Жертва мозгоглиста размахивает страшными нищебродскими килогерцами германиевых транзисторов на фоне десятков мегагерц кремниевых, но она тупо не знает, что при токе покоя ВК в 5 мА и этих килогерц просто нет: фт транзисторов валится в чёрную дыру падения беты, узкополосности и тихоходности.

А ему-то чо? Он вам что-то обещал? Какие-то параметры? Какое-то чудо?
Нет.
Если вы начнёте перетыкивать чудотворные тупые транзисторы, вы просто исполните хотелки умалишённого изобретуна, а предъявить ему за перепаханный усилитель будет просто нечего: у меня оно работало, и оно звучало, и мне это нравилось, а чо там, у вас, я в душе не гребу, но идей у меня много.

ведь сейчас так много излучения станциями
Оно им ничуть не грозит, с Скб 70 пФ и фт 1 МГц они о нём не знают.
Этих излучений мне надо бояться, с фт транзисторов по 300 МГц - выше метрового диапазона ТВ.

я попробую с одним каналом: и диод Шоу, и токовую ООС, а второй оставлю нетронутым - для сравнения.
Нет. Это ничего тебе не даст, раз, а историческую ценность усилителя, да и вообще - ценность в твоих глазах, уменьшит здорово.

Плавали там, знаем. Ничерта германий не даст: весь мир в кремнии ошибаться не может.
 
Последнее редактирование:
историческую ценность усилителя, да и вообще - ценность в твоих глазах, уменьшит здорово
СМЕРШ, тут смысл в том, что мне просто интересно.
Изначально - это радиолюбительство чайника.
Хуже усилку, ну, хуже - в плане раскурочивания, я не сделаю, ибо, слава Богу - руки растут непосредственно из плеч :)
Потом «вернуть всё на родину» - вообще нет проблем.
 
Если вы хотите избавить людей от страданий, то эти страдания придется взять себе, но уничтожить их разумными советами - не получится
Потому что, если мы хотим помочь другим,на самом деле мы хотим помочь сами себе, это психология и метафизика этого мира
В древнеримские времена к меня был тот Аккорд(ион) -201. Доработка была только на уровне АС: добавил доступный для школяра языческий динамик 3ГД-31 через лейденскую банку 2 мкФ. А потом плакал от счастливого счастья на ВЧ.
 

Вложения

  • кроссовер для АВшника ,германиевого.png
    кроссовер для АВшника ,германиевого.png
    23 KB · Просмотры: 96
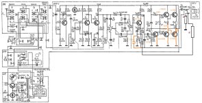
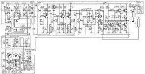
Добрый вечер, уважаемые. Заменил конденсаторы, слушаю периодически с 4ГД35/36 в параллельном подключении. Обратил внимание, что выходные транзисторы одного из каналов существенно теплее, при повышенном напряжении питания (~23В) греются сильно даже на закрученной в 0 громкости. Этот же канал несколько тише играет, хотя фоновый шум в целом на обоих каналах одинаков, ощутимый и для меня некомфортный, но это другой вопрос. Подстроечные резисторы не трогал, заводские метки соответсвуют. Какие способы убрать явно избыточный нагрев?
 
Добрый вечер, уважаемые. Заменил конденсаторы, слушаю периодически с 4ГД35/36 в параллельном подключении. Обратил внимание, что выходные транзисторы одного из каналов существенно теплее, при повышенном напряжении питания (~23В) греются сильно даже на закрученной в 0 громкости. Этот же канал несколько тише играет, хотя фоновый шум в целом на обоих каналах одинаков, ощутимый и для меня некомфортный, но это другой вопрос. Подстроечные резисторы не трогал, заводские метки соответсвуют. Какие способы убрать явно избыточный нагрев?
Здравствуйте! А что с током покоя?
 
Добрый вечер, уважаемые. Заменил конденсаторы, слушаю периодически с 4ГД35/36 в параллельном подключении. Обратил внимание, что выходные транзисторы одного из каналов существенно теплее, при повышенном напряжении питания (~23В) греются сильно даже на закрученной в 0 громкости. Этот же канал несколько тише играет, хотя фоновый шум в целом на обоих каналах одинаков, ощутимый и для меня некомфортный, но это другой вопрос. Подстроечные резисторы не трогал, заводские метки соответсвуют. Какие способы убрать явно избыточный нагрев?
подстроечники имеют свойство менять сопротивление со временем, ток покоя уйдет вверх, если схема дурная и увеличивает ток покоя с обрывом подстроечника. А дурная она на 90 процентов у всех .
Измерить ток покоя есть способы. все требуют умения измерить или ток или падение на резисторе , он обычно у германия в районе 1 Ома , в эмиттере врезан. И там милливольты. Сравнить холодный канал с горячим, у горячего убрать ток до нормы.
 
По току покоя подстройки нет. Если всё исправное (транзисторы) и нет возбуда, попробовать включить параллельно терморезистору германиевый диод, Германиевый транзистор в диодном включении или шунтирующий резистор. Предупреждение: можно сломать)
 
По току покоя подстройки нет. Если всё исправное (транзисторы) и нет возбуда, попробовать включить параллельно терморезистору германиевый диод, Германиевый транзистор в диодном включении или шунтирующий резистор. Предупреждение: можно сломать)
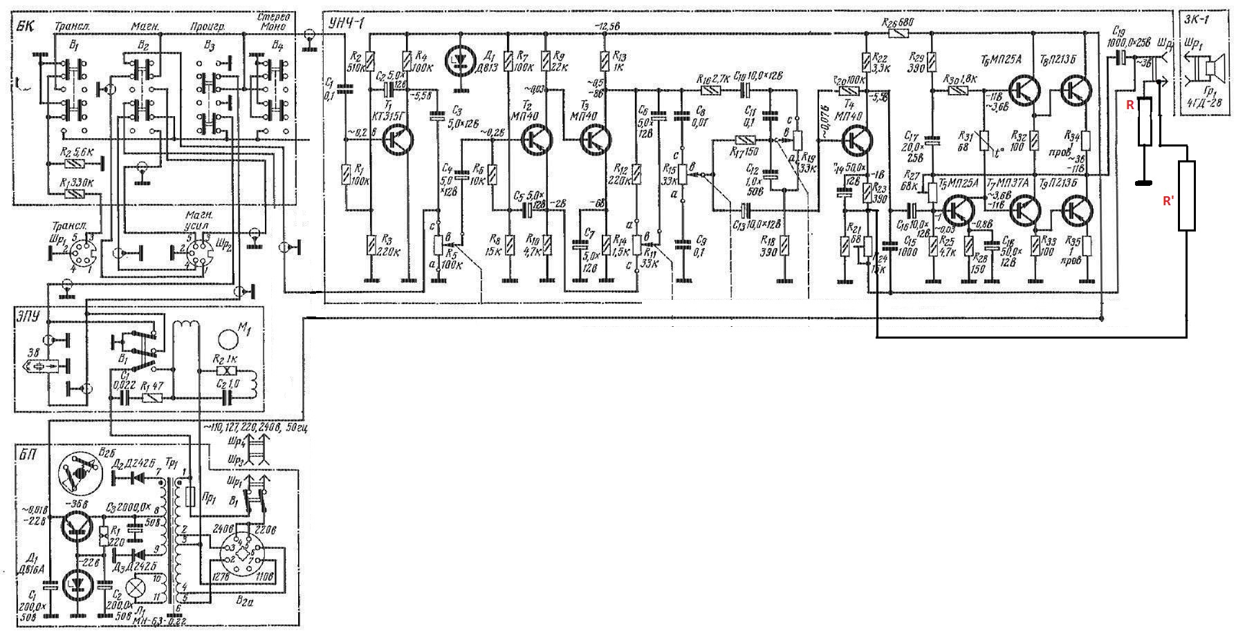
вот как. Лезем в справочник.Белов-Дрызго. Аккорд-203.
Резистор термик R31 , 47 Ом. Ему подпаять параллельно резистор на 220 ом переменник. накрутить ток как в холодном канале. потом впаять такой же постоянный вместо переменного.
 

Статистика форума

Темы
3,340
Сообщения
268,186
Пользователи
2,570
Новый пользователь
Игорь 875
Назад
Сверху Снизу