Анализ проектируемой схемы УНЧ в симуляторе ( оригинальная методика )

  • Автор темы Автор темы STTL
  • Дата начала Дата начала
откуда там 110 дБ ?
сколько усиления дает твой ОУ и сколько УН, можешь сказать ?
А схемотехническое подавление собственно схему вы не учитываете? Ставите ГСТ и хоп, уже появилось некоторое подавление, хотя еще никакого петлевого не прикладывали... А в безосниках как тогда подавляется?;)
Можете почитать.
А можете с автором пообщаться_hm_
 
КРЕНку можно на «клоп» прикрутить, рядом с пауками и не заметна будет. )) И это не шутка, главное возле поребителя
Записываю :
КРЕНку можно на «клоп» прикрутить, рядом с пауками и не заметна будет.
👾
Ставите ГСТ и хоп, уже появилось некоторое подавление, хотя еще никакого петлевого не прикладывал
Я это учитываю, более того, собирался выложить схему уже с ГСТ, но не успел, доступ к симу у меня жёстко ограничен, да и схема была немного сыровата для настройки к тому моменту.
Но без ГСТ, вообще ничего путного не выйдет ,если собирать без ОУ. Они как амортизаторы для машины, без них езда ( звук ), будет некомфортной ( грязный спектр) и шумной ( крикливый звук )
У меня только в полумосте будет стоять 6 ГСТ как минимум, в мосте уже 12, и это не считая самого каркаса Короткого тракта, что я выкладывал
Сейчас уже всё сложилось с ГСТ, может 10-го выложу рабочий вариант

Короткий тракт, вовсе не означает короткую/простую схему 🙃
 
Последнее редактирование:
У меня только в полумосте будет стоять 6 ГСТ как минимум, в мосте уже 12,
А просад под 5%, не? А если, да? Куда режимы утекут по постоянному, в не линейном?
КРЕНку, 5А и все дела порешаются. Рукам покоя нет? Не, не надо на трухоле пауков
 
А просад под 5%, не? А если, да? Куда режимы утекут по постоянному, в не линейном?
КРЕНку, 5А и все дела порешаются. Рукам покоя нет? Не, не надо на трухоле пауков
Успокойтесь уже со своей кренкой
Не ставлю я кренки принципиально
Нет в них ни малейшей нужды в моем случае
Никто вас не заставляет делать на трухоле пауков, это только для меня
Можете делать смд на ПП, мне без разницы
Я выложу только схему
 
Все равно, какой стаб (ОСью), но он нужен.))
Не нужен, так не нужен, мне больше достанется.
Хорошо, поставлю, как схему соберу
Для сравнения по звуку
Как звучит без кренки, и с кренкой
Просто 3- х звенный фильтр по питанию, он уже как кренка, при малых токах.
За счёт оптимального перераспределения энергии в конденсаторах фильтра, он работает как некий стаб, не идеальный,как для постоянки, а именно для переменки, для звука
 
Последнее редактирование:
Идеальные детали (оригинал, реплика хорошая), короткая трасса (не на шнурках). На трухоле можно? Можно, когда денег и времени дофига (и, конечно, с смд, скорее всего кассеты или 2 яруса).
 
А схемотехническое подавление собственно схему вы не учитываете? Ставите ГСТ и хоп, уже появилось некоторое подавление, хотя еще никакого петлевого не прикладывали...
Ну, и дифференциальный съем сигнала, эмиттерный повторитель тоже подавляет помехи от источника питания в сигнале. Естественно - это касается узла сравнения. Остальные каскады менее уязвимы, их ОС поправит.

А просад под 5%, не? А если, да? Куда режимы утекут по постоянному, в не линейном?
КРЕНку, 5А и все дела порешаются. Рукам покоя нет? Не, не надо на трухоле пауков
КРЕНка - вещь в себе.
Это тот же усилитель, с теми же проблемами емкостной нагрузки. Глубиной и полосой частоты работы ОС.
Например, при неудачном стечении обстоятельств - можно получить генератор. Что, собственно и было у меня разок с настоящими 7805 от ST, работали на плате через одну. Причем, левые какие-то не генерили все, даже древняя AN78N05 в 126 корпусе , как у транзистора BD140. Так и выкрутился тогда заменой.
Обычно производитель указывает диапазон стабильных значений емкостей.
 
И это говорит человек не собравший ни одного композита или сверхлинейника smile_1 !
все эти ваши СЛ и композиты, это - трансляционные усилители
А музыка, я говорю о музыке а не о музАк, имеет более тонкую структуру, ей нужен Звук, а не трансляция звука
Звук, это не только гладкий спектр, это еще - баланс между всеми ингридиентами тракта
в СЛ а уж тем более в композитах, этого баланса нет, поэтому там и верха звучат не как шелест ветерка, а как " звон хрустальных бокалов "
Например, при неудачном стечении обстоятельств - можно получить генератор.
И это тоже
Но вообще, я повыкидывал все свои стабы, даже не идеологически, а просто они лежали и лежали без дела, и никуда не пригождались
Хватало обычного дискретного стаба на паре транзисторов со стабилитроном, или диодами
А мне нравится унификация, когда кол - во разных ингридиентов, минимально по количеству, и максимально по диапазону применения
Поэтому я оставил только маломощные быстрые транзисторы, и мощные на выход
Этого сочетания хватает на все случаи применения
Остальное на мусорку
Еще я не люблю стабилитроны, и всегда стараюсь обходиться без них, или делать альтернативу
Стабилитроны, тоже не лучшее решение в звуке
И шумят, и разброс сильный, и особо нужды в них нет
Лучше проектировать без них
Вот диоды и светодиоды, это хорошо, они тоже унифицированы/ сертифицированы для применения в унч
Отличная замена стабилитронам
 
Это другой усилитель(генератор), а от СТ, вообще, свой даташит имеет (дешманский, как всегда).
ЛМ317/337 другой. Тут, да, фейков 99%, минскую реплику так же ругают.
Референтно, как у меня, «электронный конденсатор» собирать, «Назар» добавляет 2- 3 триода и 2- 3 резистора (кассета вертикально в пп материнки, габариты среднего лита в итого).
Меня веселят - создаю проблему, потом на ОСь все свое говно перекладываю (вычитая из полезного сигнала).
По «Назару», Хитачи Д669/В649 в УТ, не комплементарные кучки применять. 814/815 Итам не годные (Фет ни какой)
 
Последнее редактирование:
в СЛ а уж тем более в композитах, этого баланса нет, поэтому там и верха звучат не как шелест ветерка, а как " звон хрустальных бокалов.
_____________________________
Опять 25, человек не слышал ни разу СЛ (тем более композиты) снова приписывает какие-то бокалы...
Ещё раз: стоунколд ни разу не СЛ!
СЛ ничего не прибавляет и не вырезает, придёт ему на вход шелест ветерка он его усилит не утратив и не добавив ни малейшего нюанса. А продадите ему звон хрустального бокала , также получите всё до мелочей и ничего лишнего.
 
в СЛ а уж тем более в композитах, этого баланса нет, поэтому там и верха звучат не как шелест ветерка, а как " звон хрустальных бокалов.
_____________________________
Опять 25, человек не слышал ни разу СЛ (тем более композиты) снова приписывает какие-то бокалы...
Ещё раз: стоунколд ни разу не СЛ!
СЛ ничего не прибавляет и не вырезает, придёт ему на вход шелест ветерка он его усилит не утратив и не добавив ни малейшего нюанса. А продадите ему звон хрустального бокала , также получите всё до мелочей и ничего лишнего.
когда шелест ветерка превращается в звон бокалов- стоит понимать- играет не сверхлинейник а какое нибудь убогое поделие навроде стонеколда или ещё чего похуже.
 
Типа ЭЛЕКТРОН 104-стерео...
1765291948533.png

Не ну доработать можно, например убрать С12 и поставить конденсатор в 22пФ где то параллельно Р27. Оно конечно мёртвому припарка, но немножко звук точно улучшить может. И в УН и ВК КТ501 заменить на 2n5401.
 
Я же сттлу говорил, что мол попробуй собрать ТТ , его можно назвать - святая простота! Минимально короткий тракт, наидоступнейшие, дешёвые детали. Вот тогда и поговорим и про шелест ветра и шерох бокалов...Но нет, лучше полведра транзисторов в паучки и на своей волне!
 
Например то что мост подавляет чётные гармоники оказалось довольно забавным открытием для меня, чёт даже в голову не приходило.
В сверхлинейниках нет никаких чётных и ли нечётных слышимых гармоник и нормальные люди мозг себе этим не засирают вот по этому ты об этом и не знал .
 
Изначально СТТЛ подавал надежды, но потом потонул в бреднях и остановился в развитии. Так что чудес от него ждать не приходится, однако иногда кое что интересного можно найти и у него. Например то что мост подавляет чётные гармоники оказалось довольно забавным открытием для меня, чёт даже в голову не приходило.
Правильно,что не приходило, подавляет,но какой ценой. В два раза больше деталей.
 
Насколько?
Вот у меня три резистора по 12-15 Ом последовательно, и на каждом звене сидит кондёр по 1000 мкФ
Общее R будет 36 -45 Ом, и общая ёмкость 3000 мкФ, только более грамотно распределённая , чем в однозвенном
Знайдіть текст патенту Локанті на трійцю імені себе. Він там ще про живлення тієї трійці писав. Що, навіщо і чому
 
Какой ценой?...да вот такой- ценой .бросовых копеечных транзисторов которые не подделывают, не надо искать и ждать,, и трястись как бы фейк не прислали
Ещё раз повторюсь : в поделке типа - " полумост СЛ" вы не получите ЗВУК
То что вы слышите, это " гламур звука", но не Звук
Даже СЛ 99 не даёт Звук, но даёт максимально качественный гламур звука
ЗВУК может дать только FBA, или мостовая схема ( чуть похуже )
Но что бы слышать Звук, и уверенно отличать его от "гламура звука", нужно иметь внутренние эталоны, а они даются от природы.
Если вам хватает ГЗ ( гламур звука), то значит хватает, и ничего с этим не поделать
Я же хочу сделать схему, которая даёт Звук, и те, кому он нужен, возможно попробуют ее собрать, когда переберут все остальные неудачные варианты

Мощность ровно такая как и в полумосте, сколько подал, столько и получил, но распределение мощности гораздо оптимальнее
Если в полумосте при питании +,- 22В, сигнал 20 В, работает уже в глубоком клипе, то в мосте, при том же питании, те же 20 В каждый полумост работает на 10 В, а клип полумоста на 16 В, то понятное дело в мосте эти 20 В будут звучать намного чище и динамичней


Трехзвенный фильтр по питанию, и питание Локанти, где здесь жёсткая связь?
Только число "три" ?
Понятно, Я здесь бессилен! Мы уже переобулись, были стаканы - теперь гламур звук. Топили за мелкую оос - теперь мост !
СЛ мы собирать не будем... А хотите откровенно? Да нихрена вы собирать не будете!
Удачи!
 
СЛ мы собирать не будем... А хотите откровенно? Да нихрена вы собирать не
У меня к вам ответная идея
Ведь суть вовсе не в том , что бы всем обязательно собирать КТ ( короткий тракт), а в том, что - только мост ( а лучше FBA ), может максимально раскрыть потенциал схемы
Вы можете проверить это, сделав из имеющегося стерео комплекта ВВ 2011 - мост, хорошо отстроить его, а вторым каналом, сделать ещё один полумост ВВ 2011, и вот такой сетап уже включить и послушать
Один канал - мост, второй - полумост
Думаю вы хорошо услышите разницу, особенно на средней мощности
По моему, это неплохая идея, и ничего не надо ломать в себе,собирая мою непонятную схему
Но зато убедитесь в разнице работы моста и полумоста,одной и той же схемы
А у меня ситуация другая, у меня мелкоосник ( КТ), ( другой схемотип пока не планирую) , и низкое питание, я просто вынужден собирать мост или FBA, потому что мой полумост хоть и хорош по звуку, но гармоники давит не очень (пока не очень), и мощности при таком питании не хватает, поэтому мне подойдёт только мост, и даже не столько из за того, что он хорошо давит гармоники, сколько из за нехватки мощности, для моей АС, потому что повышать питание больше +,- 22 В, я никак не планирую, даже в отдаленной перспективе. Нет никакой необходимости
Такое питание устраивает полностью по многим причинам
 
У меня к вам ответная идея
Ведь суть вовсе не в том , что бы всем обязательно собирать КТ ( короткий тракт), а в том, что - только мост ( а лучше FBA ), может максимально раскрыть потенциал схемы
Вы можете проверить это, сделав из имеющегося стерео комплекта ВВ 2011 - мост, хорошо отстроить его, а вторым каналом, сделать ещё один полумост ВВ 2011, и вот такой сетап уже включить и послушать
Один канал - мост, второй - полумост
Думаю вы хорошо услышите разницу, особенно на средней мощности
По моему, это неплохая идея, и ничего не надо ломать в себе,собирая мою непонятную схему
Но зато убедитесь в разнице работы моста и полумоста,одной и той же схемы
А у меня ситуация другая, у меня мелкоосник ( КТ), ( другой схемотип пока не планирую) , и низкое питание, я просто вынужден собирать мост или FBA, потому что мой полумост хоть и хорош по звуку, но гармоники давит не очень (пока не очень), и мощности при таком питании не хватает, поэтому мне подойдёт только мост, и даже не столько из за того, что он хорошо давит гармоники, сколько из за нехватки мощности, для моей АС, потому что повышать питание больше +,- 22 В, я никак не планирую, даже в отдаленной перспективе. Нет никакой необходимости
Такое питание устраивает полностью по многим причинам
А после моста что придумаете - умножитель или повышающий трансформатор?
Я в своё время много экспериментировал с авто усилителями и низковольтные мостовые,и с преобразователем мост и полумост. Так вот мост отличался только более высокой мощностью и никаким качественным приростом по сравнению с полумостом. С вдвое большим питанием полумост даже выигрывал с экономической точки зрения.Было проверено на схеме ВВ 89.
Ввс с питанием+- 55вольт включать мостом - извращение.
 
Последнее редактирование:
Можно попробовать но микросхема в клипе относительно неплохо кушает и скорее всего понадобится два таких стаба для каждого канала и с отдельных обмоток транса . Не очень выгодный вариант на мой взгляд .
Обычно ток стабилизации (стабилитрона) должен быть поболее тока потребления. Но можно одну вторичную, по два тех независимых выпрямителя на каждый канал и эти... 7905 , 7805 поставить: на входе +12 В, на выходе +5. И тепла меньше на них будет
 
Закон Ома прост и однозначен
И работает одинаково - ввезде
Невіглас.
Те, що ви чули про закон Ома, то навіть не так звана інженерна методика. Так, апроксимація для школярів третього класу ЦПШ.
Копніть трохи глибше, прифігієте.
А патент Локанті таки прочитайте уважно, можливо трохи попустить. Правда, там олбанською. smile_10
 
А после моста что придумаете - умножитель или повышающий трансформатор?
Я в своё время много экспериментировал с авто усилителями и низковольтные мостовые,и с преобразователем мост и полумост. Так вот мост отличался только более высокой мощностью и никаким качественным приростом по сравнению с полумостом. С вдвое большим питанием полумост даже выигрывал с экономической точки зрения.Было проверено на схеме ВВ 89.
Ввс с питанием+- 55вольт включать мостом - извращение.
Никаких прямо чудес "ах!."..мостовая схема конечно не даст, согласен
Здесь вопрос лишь в максимальной реализации потенциала качества схемы, и повышенной чистой мощности звука - при том же питании, то есть в мосте вы получите максимум качества звука что может дать схема.
Кому то это важно, кому то нет
Если вам хватает качества и мощности полумоста, ваше дело
Но есть еще и много нюансов
во первых, есть много относительно низковольтных ( 40 - 60 В) транзисторов, хорошо подходящих для звука, и слабомощных и мощных
При этом, в мосте можно снять с этими транзисторами до 120 - 150 Вт, что для большинства домашних АС вполне достаточно
Насчет высоковольтных не знаю, но они и дороже, и работать на высоких напряжениях в усилителе, как то не очень
Во вторых, емкости для питания на 50 В, стоят дешевле, и если их нужно много ( а так и есть ), то это важно
Я так вообще пока использую старые запасы 10000 х 25 В, ставля их последовательно
То есть, экономический фактор тоже важен
Далее....
 
Последнее редактирование:
Как успехи,а я вот таким занимаюсь
 

Вложения

  • пульт.jpg
    пульт.jpg
    1,021 KB · Просмотры: 71
Успехи " в гору " есть прогресс
а я вот таким занимаюсь
Хороший пульт, музыкальный
Что с ним не так?

История, реальная
Как- то нам на реп.точку принесли импортный на 8 каналов пульт, вроде Беринджер, а стоял ПМ - 01, все обрадовались, типа, такой красивый импортный пульт,щас звук будет супер
Всё...кроме меня. Я уже тогда знал, " не все золото,что блестит "
Включили, поиграли через него, никто не понял, звук стал хуже, какой то тощий , вялый, серый
Крутили так и сяк, нет звука, тогда вернули ПМ -01, звук вернулся
Так и оставили ПМ-01, для репетиций
Эквалайзер там хороший для инструментов, и сами микрухи очень музыкальные,звуковые
 
сам когда то на нем ставил дискотеки ну и ребятам помогал отстроить аппаратуру.
 
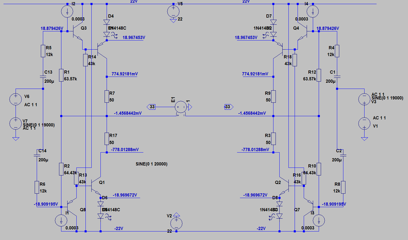
Ну вот вполне себе релиз для железа
Пока не оптимизированный, но даже в таком виде, очень неплох в мосте
У меня примерно такая схема и сделана в железе
Звучит на мой ух, отлично. Мягко, красиво, все частоты на месте

1765734417127.png

спектр


1765734808048.png
 

Вложения

Статистика форума

Темы
3,334
Сообщения
268,263
Пользователи
2,564
Новый пользователь
HOlg
Назад
Сверху Снизу