NEULO
1 ранг
- Регистрация
- 14 Июл 2019
- Сообщения
- 4,202
- Реакции
- 2,463
- Баллы
- 109
- Возраст
- 52
- Страна
- Россия
- Город
- Одинцово
- Предупреждений
- 7
только батареек дохера нужно будет чтоб собрать.Хорошая схема

Смотрите видео ниже, чтобы узнать, как установить наш сайт в качестве веб-приложения на домашнем экране.
Примечание: Эта возможность может быть недоступна в некоторых браузерах.
только батареек дохера нужно будет чтоб собрать.Хорошая схема

Да ладно, можно и от одного двуполярного запитать, при желании. Это ж не циркулятор.только батареек дохера нужно будет чтоб собрать

Да, неплохо, мост
Внутренние эталоныАга. Тебе то откуда знать?
эту бредятину даже комментировать не хочется. матовость блять ага. а ещё искристость. ты совсем трёхнутый.
УН ОБ не для звука, это очевидно и ушеслышноТы не умеешь его готовить. Впрочем, ему похер на твоё к нему отношение: ввиду твоей нижеплинтусной квалификации ты не смеешь высказывать пренебрежения разработанным высококвалифицированными инженерами решениям. Это - злостное нарушение субординации, как гонево доморощенного фулюгана на дядю Стёпу-милиционера.
нет батарейки. иди нахрен. попробуй так собрать по этой "схеме" с удовольствием с тебя поржу.ты кто по образованию?
реально интересно как твой мозг инфу обрабатывает
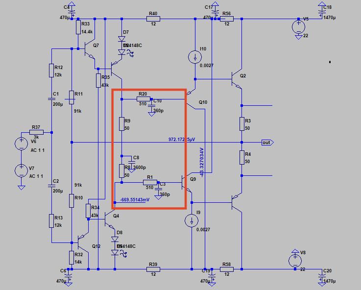
это же схематически просто смещение показано, а не батарейки
Твои этанолы генерят мозговые слизни.Внутренние эталоны
ага. батареек там нет.там нет батареек, напряжение подобрать не проблема, просто он мне не нужен.
А ты в очередной раз показал уровень своего умственного развития

ГУ81 возьми. 100 Вт в однотакте, 400 Вт на аноде. Все что ближе метра от ИК поплавится.Однотакты звучат хорошо, у них гладкий комфортный звук, потому что плечи не мешают друг другу, гармоник не плодят между плечами , просто мощи маловато
Но если соединить преимущества однотакта и двутакта, может быть хорошо
Всё логично
Тоже на зиму хочу такого зверя.ГУ81 возьми. 100 Вт в однотакте




так это упрощенная схема, ты что, издеваешься?ага. батареек там нет.
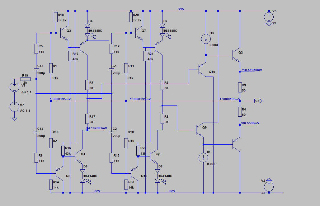
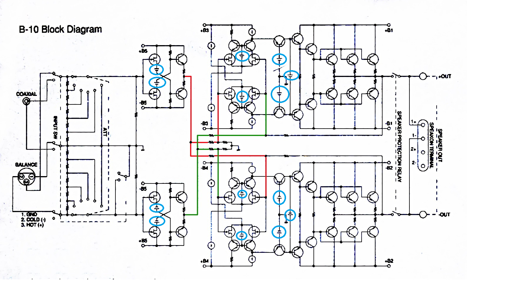
Посмотреть вложение 164030
синим обвёл то чего нет. Это я ещё идеальные ГСТ не стал обводить, правда их батарейками напрямую не заменишь, придётся покупать идеальные ГСТ в чип и дипе, это же очевидно?
Я работаю по методике - спектр УН, здесь я даже пошел на встречу, спектр УН + буфер +драйверслышь новатор, я тебе намекаю что надо учиться в симуляторе как следует работать, а не вводить себя и окружающих в заблуждение.
нагрузку добавь,
и спектр сюда положь. И модель тоже не повредит.


Опять все те же ошибки - вы не пишите реальный уровень напряжения на нагрузке и сопротивление нагрузки. Просто указывайте эти две основные цифры ( 3-30В/4Ом), чтобы сразу всем было понятно без детального изучения графиков и додумывания...Я работаю по методике - спектр УН, здесь я даже пошел на встречу, спектр УН + буфер +драйвер
Думаю если добавить выход и повесить нагрузку, спектр сильно не измениться в худшую сторону
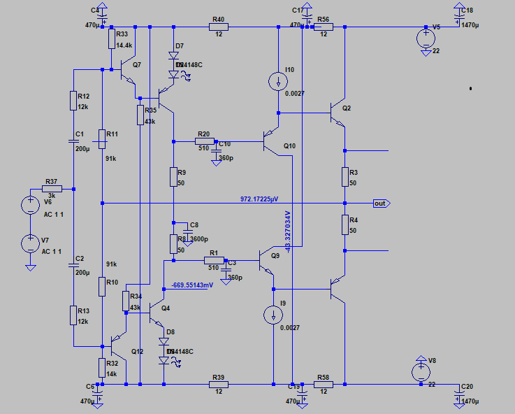
Посмотреть вложение 164245
так это определяется U пит, и его мощностью БПОпять все те же ошибки - вы не пишите реальный уровень напряжения на нагрузке и сопротивление нагрузки. Просто указывайте эти две основные цифры ( 3-30В/4Ом), чтобы сразу всем было понятно без детального изучения графиков и додумывая...
Это просто напишите и все. Откуда нам знать при каких параметрах и на какой нагрузке сделаны графики?так это определяется U пит, и его мощностью БП
На питании +-22В в полумосте мах .амплитуда до клипа, около 11В
Ну а насколько он будет работать, на 8, 4, 2 Ом, это уже определяется самим ВК, его развитостью, и мощностью БП
Так питание однозначно определяет мах. мощность, оно на схеме конечно указано (+- 22 В ), и на графиках, тоже виден размах напряжения на котором получен спектр, и схема приложена, на которой сделано это измерениеЭто просто напишите и все. Откуда нам знать при каких параметрах и на какой нагрузке сделаны графики?
Я выкладываю по методике - только лишь спектр УН, здесь я даже пошел на встречу, спектр УН + буфер +драйвери на сколько же усиливает напряжение обведённая красным часть?)
хех...мне бы так поскучать, но - покой мне только сницаскучно мне, бояре.

Эта схема не претендует на место ВВ, она занимает свою нишу между Худом , Худоподобными и ВВа я п сказал что для ун да ещё с драйвером да ещё без нагрузки искажения велики слишком, схеме усиления не хватает чтобы линеаризовать себя даже в идеальных условиях.
Так собери да послушай самон ващет прав.
пока это просто мудянка которую ты превозносишь, но от дифирамбов в каждой теме оно лучше то не станет.
чего собери то? вот это вот что ли? да ты шутишь. я не в третьем классе средней школы пребываю чтоб такие устойства собирать.Так собери да послушай сам
Руки есть
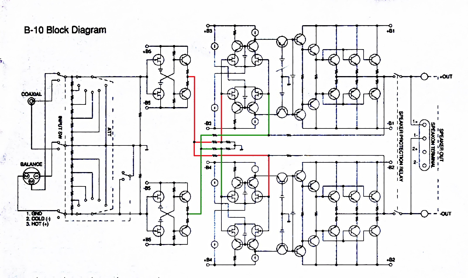
Евгений, чот я вспомнил, на волне постов об СЛ 99.Понятно, Я здесь бессилен! Мы уже переобулись, были стаканы - теперь гламур звук. Топили за мелкую оос - теперь мост !
СЛ мы собирать не будем... А хотите откровенно? Да нихрена вы собирать не будете!
Удачи!
Зачем же сл99 , сеть ВВС 2015 вот он тоже симметричен и петлевого в нем по более.Евгений, чот я вспомнил, на волне постов об СЛ 99.
А почему не хотите в свой ВВшник симметричное плечо поставить?....и петлевое вырастет и искажений станет меньше,... С.Агеев то, совсем не дурак, что выбрал симметрию для своего лучшего УНЧ
Проведите экспириенс: один канал оставьте как есть, в другой, добавьте симметрию по входу, отрегулируйте ноль, послушайте, сравните
Возможно удивитесь, как сильно симметрия плеч меняет звук
Он не станет хуже,если норм.отрегулировать, но может лучше (субъективно) и немного другой, хотя вроде добавите то всего ничего
Хоть какая то новизна
Это младший коротенкий.ВВС 2015
Это совсем не то.Это младший коротенкий.
Повторю СЛ
Это поделка пионерская исключительно принцип показать, не для повторения. И к СЛА отношения не имеет.Это младший коротенкий.
