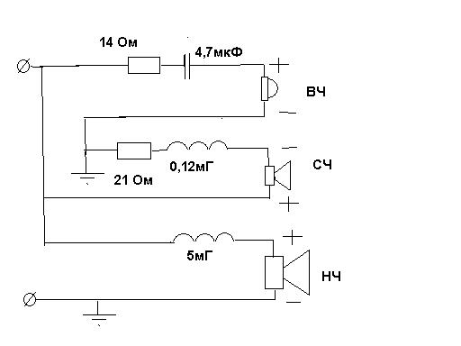
Собрал макет фильтров, похоже получилось не на 3-х, а 2,5-й полосы по схеме, кто знает точно, поправит.
Посмотреть вложение 61370Посмотреть вложение 61371
ЧХ мерил с 1м, микрофон не калиброван. Звук хорош, но слушал mp3, поэтому никаких выводов пока нет.
Ни Ггена себе Чебурашка!

Не, я понимаю, 3 динамика через первый/напролом и в фазе - супераудиофильский констракшн. Смотрите, что Вы натворили.
1. НЧ пустили через конскую катуху, убив отдачу сразу выше 200 Гц.
2. На СЧ пустили низкие частоты, и он не вылетает Только Благобдаря ПАС и плотной забивке бокса ватой.
3. Но Вы вынуждены его пустить низко, потому что см. п.1
4. Синфазная работа НЧ и СЧ от 250 до 2300 Гц дала +6дБ добавки к убитому Вами уровню и круто выровняла личные бяки динамиков! Это - плюс конструкции (см. скрытые минусы).
5. Опять Благобдаря полному отсутствию обрезАния сверху СЧ дин играет всю полосу, не давая работать ВЧ динамику.
6. От 3 до 20 кГц - см.п.4 в варианте СЧ+ВЧ, прикольно.
7. ВЧ дин практически тоже не обрезан снизу, так как 8+14=22 Ома и 5 мкФ дают -3дБ на частоте 1,5 кГц! Соответственно, он паскудит вовсю во всём своём рабочем диапазоне, как только мощность превысит 1 Ватт, или и раньше.
На этом приколы заканчиваются. Вот Вам скрытые минусы.
1. НЧ недоиспользуется по полосе, что вынуждает СЧ работать мидбасом.
2. Одновременно НЧ работает по уровню -12дБ до 1,5 кГц, превосходно выдавая интермодуляционные бяки и окрашивая звук своей пилой 600-750-1000-1200, где у него явные проблемы с синфазностью работы разных участков диффузора. Обычно там есть и повышенные гармонические искажения.
3. СЧ дин ниже 200 Гц только греется, ничего не излучая. Кроме того, он работает на новой, пусть задемпфированной резонансной частоте 250 Гц, что для него означает большое смещение (он короткоходовик). В итоге СЧ наваливает интермоды уже до верхней границы слуха - он не обрезан сверху...
Скрытно скрытая западлянка.
АЧХ Вы измерили в одной точке. Но, если Вы не сделали новую переднюю панель, и у Вас все три динамика буквой зю, то, отклонившись вверх-вниз, и, что обидно, влево-вправо, Вы поимеете очень нехорошую интерференционную картину, потому что то, что было в фазе, обязательно разъедется, и далеко ходить не надо. Вот Вам в пример Ямаха с Гэ-образным расположением СЧ/ВЧ под углами +/-7,5° градусов в стороны:
#302 . У Вас же ожидается больше зубьев пилы вниз при тех же 7,5°, два или три, поскольку совместно работают СЧ и ВЧ на протяжении трёх октав!
Короче, я бы торжественно похоронил данную схему и пошёл по пути усложнения фильтра. Сей путь - единственный.