Ну что. Симуляторная лабораторная работа.
Есть два динамика, отличающиеся активным сопротивлением ЗК. Вес подвижки 60 граммов, резонансная 22 Гц,
полная добротность 0,3. Схемы замещения
Посмотреть вложение 37570 и
Посмотреть вложение 37569, индуктивности ЗК заоблачные.
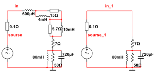
Импеданс первого
Посмотреть вложение 37566
Симуляция АЧХ излучателя с Q=0,3 по схеме
Посмотреть вложение 37565.
Симуляция влияния индуктивности ЗК - соотношением токов в активном сопротивлении ЗК в схемах
Посмотреть вложение 37563 и
Посмотреть вложение 37564соответственно.
Результат для варианта с 3,3 Ома активного. Синяя - АЧХ по току, красная - АЧХ излучателя с Q=0,3 , зелёная - суммарная, результат.
Посмотреть вложение 37567
Результат для 7 Ом активного:
Посмотреть вложение 37568
Выводы:
1. Огромная индуктивность вполне способна выровнять АЧХ умеренно низкодобротного (Q=0,3) динамика.
2. Выравнивание происходит за счёт падения отдачи -
по -5дБ (от предположительного уровня полки для динамика с малой индуктивностью ЗК ло среднего уровня на басах) в обоих случаях.
3. Полоса по -6дБ в первом случае равна 180 Гц, по -12дБ равна 800 Гц. Во втором случае - 800 Гц по -6дБ. Говорить об отсутствии необходимости дополнительной фильтрации СЧ составляющих в первом случае сложно. Во втором - грешно.
Общий вывод:
Это работает! Неравномерность АЧХ первого варианта в полосе 30...100 Гц равна +/-2дБ. Второго в полосе 33...180 Гц - всего +/-1дБ! При отсутствии резонансных явлений и мощном контроле за точностью движения подвижки! Недостаток - сделайте оформление для получения 22 Гц и добротности 0,3 , не врезая динамик в стену! ( Для желающих посмотреть результат работы огромного щита:
10 Май 2022 ). Особенность - требуется отдельная полоса усилителя, пассивным фильтром ничего не отфильтруется.
Теперь давайте поставим динамик с 3,3 Ома активного сопротивления в щит 1*1,5 метра, стоящий на полу, с оптимальным расположением динамика (
10 Май 2022 , последний рисунок). Построено по точкам, нормировано по 100 Гц.
Посмотреть вложение 37571
Имеем 40...200 Гц с неравномерностью +/-1,5дБ. Ничего себе!!! Раздел на частоте 250 Гц. К тому же щит имеет направленность на НЧ, в виде восьмёрки. Вбок, под 90°, он не излучает. Следовательно, НЕ ВОЗБУЖДАЕТ ПОПЕРЕЧНЫЕ (относительно слушателя) РЕЗОНАНСЫ КОМНАТЫ, даже стоя под стенкой! Ну, а если щит 1*1,5 притулить и к полу, и к стене, то он вообще крутой. Единственное замечание: при отдаче НА ПОЛКЕ 93дБ/Вт частоте 100 Гц по графику соответствует чуйка... 86дБ/Вт.
Сравним с вариантом попроще. Берём динамик с теми же 22 Гц, Q=0,3 , но с обычной индуктивностью (типа 75ГДН-3-4 на прозрачном свежем ППУ))) и ставим его в ЗЯ, поднимающий его полную добротность до 0,5 , а частоту резонанса - до 38 Гц. Запитаем его от отдельного канала УМ с ФНЧ первого порядка с частотой среза 72 Гц. Получаем следующее:
Посмотреть вложение 37575
Неравномерность +/-0,7дБ от 40 до 120 Гц. Раздел - те же 250 Гц, но, в отличие от предыдущего варианта, есть стабильных -6дБ/октаву выше 250 Гц. Добавились поперечные резонансы комнаты, но сама система (с добротностью 0,5) по-прежнему апериодична. Потеря уровня на частоте 100 Гц равна 5дБ, отдача басовой секции - всего 81дБ/Вт. Но... баффл уменьшенной передней панели 330*1000 мм, стоЯщей на полу (ЗЯ!), испортит красоту, уменьшив уровень 40 Гц на 5дБ!,, А комната вернёт уровень отражениями (узким главным поперечным резонансом :sick

. Ндя...
Вот как то так.