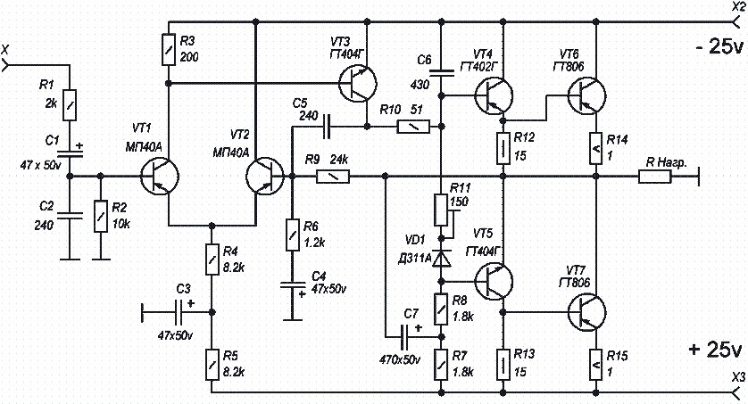
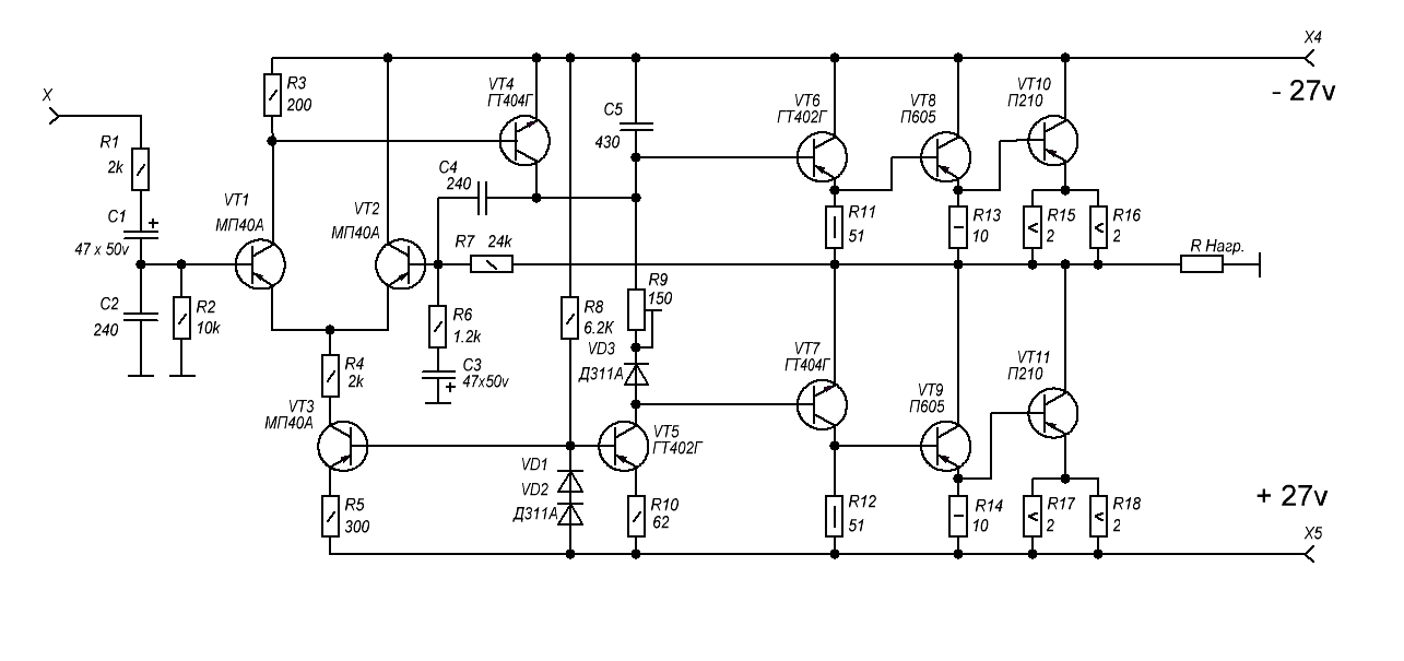
Германиевые УНЧ

Я не работаю уже, так - шалберничаю...
Щас инфу прикладивать буду, как только войду
Ну все понятно почему у вас такие касяки
С админом мы переписывались, но непонятно почему это.
К примеру я писать тут могу ТОЛЬКО выйдя. Потом процедура входа....
А картинки могу приложить ТОЛЬКО войдя....
И так КАЖДЫЙ мой пост в форум.
ЛС могу писать - набрать ТОЛЬКО заголовок, а вот сам текст не набирается. И, соответственно не отправляется.
Так что увы, ЛС тоже - глюки.
Это только на этом форуме так
Форум написан на современной (CMS) Система управления контентом. У вас древний андроид 4.2.2 Соответственно древний браузер который не поддерживает функционал форума.
Вам стоит подумать над техническим перевооружением.
 

Вложения

  • jlh-pnp-3w.gif
    jlh-pnp-3w.gif
    26 KB · Просмотры: 143
Разговор был об "а вот ежелиб Худ да в режиме АВ"....
 
Видел я и это.... "вполне будет достаточно тока покоя 400 мА"...

Нда.... Хотелось бы эдак 25-30 мА. И в этой схеме "чердак" дюже навороченный, с моей дилетанской - ПРАВИЛЬНОЙ :-) колокольни.

В принципе - там и Васильев об том же написал.
 
Видел я и это.... "вполне будет достаточно тока покоя 400 мА"...

Нда.... Хотелось бы эдак 25-30 мА. И в этой схеме "чердак" дюже навороченный, с моей дилетанской - ПРАВИЛЬНОЙ :) колокольни.

В принципе - там и Васильев об том же написал.
С малым током покоя у Худа из-за асимметрии большие искажения , лучше в режиме АВ от него отказаться и использовать усилитель с симметричным выходом
 
Ви все робите не так. _da
Не переймайтесь, рукосуйство, то не ваше.
Навчіться читати книжки і слухати музику.
Разговор был об "а вот ежелиб Худ да в режиме АВ"....
Навіщо? Для режиму АВ достатньо більш відповідних схемотипів. Не для того тато Джон-Винслі квіточку ростив. smile_10
 
Форум написан на современной (CMS) Система управления контентом. У вас древний андроид 4.2.2 Соответственно древний браузер который не поддерживает функционал форума.
И не только в этом дело. Здесь и хостер Клаудфларь, которому за каждым нетипичным юзерагентом и "неправильным" айпишником клиента боты мерещатся, добавляет своей дури. Такие несчастные юзеры получают сокращенное время авторизации, кривую работу сайта, всякие там forbidden... restriction... denied... bad gateway и т.д. Суровая и бестолковая "иммитация безопастности", в общем... _hm_

Вам стоит подумать над техническим перевооружением.
Безальтернативно. _da
 
про Беслика - хотелось бы лучше - думаю, что при примерной сложности схем Беслика если отказаться от "автоматизма" установок тока и пол-питания, сделав их ручными, то возможно параметры его схем улучшились бы раза в 1,5-2.
Так что схемы Беслика, да, на самый крайний случай я присмотрел его версии 2,1 и 2,2.
Но может быть все "образуется" и кто то сделает схему (примерно на тех же деталях) но намного лучше по параметрам ?
Схема Худа позволяет применить на выходе разные по скорости транзисторы, если скоростной поставить в нижний этаж , где схема с общим эмиттером требует быстродействия . П 605 ставим в драйвер, ООС заводим в его базу с выхода. Предусиление обеспечивает дополнительный транзисторный каскад, отделенный емкостью.
Вот и я думаю, что можно, причём более-менее может получился.
Питание 24 вольта - стабилизированное, хоть и трансик слабоват - но на лошадиных ёмкостсях можно продержаться.
Вот если ограничить питание 19 вольтами, то имеется пара банок 100.000 МКФ на 10 вольт - последовательно, а в середину как бы можно оба выхода пристроить. А заодно эти банки и фильтрами питания бы послужили.
Вот только хороший ли это вариант ?
Даже если и плохой, то др ёмкостей поназатарено, сколько надо поставлю.
Так вот, схемы Беслика это хорошо модернизированный Лин.
Но может лучше ВК на паре одинаковых Шиклаев ?
Вот с этим вопросом я ко всем и пристаю.....
Я вот такие схемы - ВК на паре одинаковых Шиклаев, видимо пошли слишком поздно и именно поэтому распространения не получили.
Скорей всего они - самые лучшие из КВАЗИ, но появились одновременно с распространением комплементарных схем и проиграли им.
А вот в случае с германиевыми транзисторами - ВОЗМОЖНО они самые лучшие, поскольку германиевого комплементара в странах социализма практически небыло.
Просто они появились в кремниево-комплементарные времена....
19 ВОЛЬТ и пара банок в 2 этажа- классный вариант питания и безопасного для динамиков выхода. И есть кирпичи на 19 вольт, питание ноутбуков. роскошные, на 4 ампера с защитой. Одно удовольствие с ними работать. А из того, что у вас есть, так и просится схема Акулиничева из Радио 1 за 1974 http://archive.radio.ru/web/1974/01/045/
 
Видел я эту схему, параметры не указаны.
Думаю, что она проигрывает Беслику v2.1.
А у Беслика вопрос - вот ТАКОЙ выход - на пару ёмкостей, на их среднюю точку, вот он будет работать с схемой Беслика ?

Акумуляторное питание как то не нравится.... Если коротнёт - погорит ВСЁ.... Широко и обширно....

А про банки по 100.000мкф последовательно, так вопросы...
19 вольт на 8 Ом даст гдето 3,5 ватта мощщи.
Маловато, но не столь критично.
А вот с питанием вопрос - чтоб банки не пробило - обязателен стабилизатор.
Чтоб сьекономить питание от слабого транса - стабилизатор на германиевом транзисторе. Возьмём П217. А он выдержит ток зарядки банок по 100.000 МКФ ?

Для Худа - П605 у меня БЕЗ радиаторов.... Да и они странные какие то.
Видел либо крашенные полностью, либо НЕкрашенные.
А у меня лежат - голые, но маковка их чёрным окрашена - круг и на ней маркировка написана.
Да и по Худу - радиаторы то имеющиеся малы.
Да и трансы - если мелкие - не потянут. Если хотяб 160 ватт - а не пожжёт ли... ?

Да и на прошлой странице scamp Худа вообще - в презент предлагал.... Да ещё и на ВЧ выходниках!!!

Честно - страшновато мне.
Режим А я только раз делал - в самом начале 80х - мой самый первый самодельный "усилитель" - для наушников.
А потом имел дела только с режимом АВ.

А вот и наболтал - первым был, правда не совсем мной, а с большой помощью товарища, был сделан пред усилок к магнитофонной протяге. Схема и протяга от Парус302.
 
Понял, увы у меня нет такого.

А по остальным вопросам что скажите ?
 

АВК

Вот под ваши детали
 

Вложения

  • германий.gif
    германий.gif
    28.1 KB · Просмотры: 154
Починати можна навіть з цього схемотехнічного непорозуміння. Бо потрібно таки з чогось починати. нарешті. _da
Але, воно схемотехнічно криве тричі: на виході. на вході і в режимах.
Поступово доведеться виправляти закладену автором кривизну.
Щодо нуля на виході, він триматиметься краще. ніж в бокарьовських схемах, наведених вище.
 
Фишка этих простых схем на гермении ещё в том, что в них ос токовая по напряженю. Усилки с токовой ос звучат несколько иначе. Схема с диф каскадом имеет ос напряжением по напряжению. Магии и шарма аккорда и астры не будет.
 

АВК

Вот под ваши детали
не, ну все опять все забыли....
Схема то нужна с ВК из 2х одинаковых Шиклаев, с кремниевым УНом и параметрами лучше Беслика раза в 2.
Напоминаю, у Беслика =0,007% (картинку прилОжу)
И того, желательно 0,0035%
Хотяб 0.005%
 

Вложения

  • v2.1   -10db   8ом   П217В.JPG
    v2.1 -10db 8ом П217В.JPG
    47.9 KB · Просмотры: 131
  • УНЧ Беслик 2.1 п215 !.JPG
    УНЧ Беслик 2.1 п215 !.JPG
    72.1 KB · Просмотры: 136
не, ну все опять все забыли....
Схема то нужна с ВК из 2х одинаковых Шиклаев, с кремниевым УНом и параметрами лучше Беслика раза в 2.
Напоминаю, у Беслика =0,007% (картинку прилОжу)
И того, желательно 0,0035%
Хотяб 0.005%
Яким місцем у бєсліка "ВК з двох однакових Шиклаїв"(С)smile_1
А от три одномних резистори у вихідних колах він таки поставив. Розумний дядько. Це пів кроку в напрямку до симетрії виходу.
 
Последнее редактирование:
У Беслика - модерн Лина =0,007% искажений.

Я предположил, что у схемы с 2 одинаковыми плечами с Шиклаями БУДЕТ примерно 0,005%.
Вот такая схема и искома.....
 
У Беслика - модерн Лина =0,007% искажений.

Я предположил, что у схемы с 2 одинаковыми плечами с Шиклаями БУДЕТ примерно 0,005%.
Вот такая схема и искома.....
Не буває таких схем на германії, бо об'єктивно вони невдалі.
 
Не буває таких схем на германії, бо об'єктивно вони невдалі.
ну, ну...
На Дарлингтонах германиевых значит БЫВАЛИ, а на Шиклаях - германиевых, значит НЕ МОЖЕТ ?
:)
 

Вложения

  • У_3_5.JPG
    У_3_5.JPG
    78 KB · Просмотры: 116
Нашёл автора "красивой" схемы - Николай Трошин. Возможно здесь уже где-то разбирали. Интересно, что можно заставить звучать тупые П210 (со слов автора). Оригинал статьи читать здесь.
Усь Трошина (П210).gif

Тут есть теоретики, которые могут накидать тысячу вариантов схем с шиклаями-миклаями... Другие - всё опровергнут, и симулятором свои выводы пригвоздят. А нам простым смертным всё не терпится что-нибудь супер-пупер спаять, и не спалить при этом нежные транзюки. Ладно, хер с этими транзюками, главное - колонки не попалить. Борьба за сверхнизкие искажения в германиевых усилителях заводит в тупик ибо практически этого достичь невозможно. Уже договорились, что на входе может стоять кремний. Неплохо было бы выяснить, какие искажения будут достаточны, чтобы от этих усилителей ещё не болела голова, и в то же время, не терялся этот "особенный" германиевый звук.
Я уже и так на полшага от того, чтобы собрать в кучу свои запасы германия и выкинуть его нафиг.
 
Последнее редактирование модератором:
Самого интересует "германиевый звук".
Как понял он рождается ТОЛЬКВ в ВК.'
Неравильно. На него работает и драйвер. Аксиомопостулатом есть утвждение, что если ВК повторитель, то основной вклад в качество вносит драйвер - усилитель напряжения.
Вход может быть и на кремнии, лучше на полевом кремнии.
Спектр гермоник на грамотном германии близок к ламповому однотактному.
Причина - отменная работа германия в двухтактных схемах ВК, его очень высокая линейность, и способность легко отдавать громадные импульсные токи в нагрузку. Звуковой сигнал импульсный, с многократным превышением фактического пикового тока в АС, над расчетным, "стационарным", на синусе.
И ещё вычитал наблюдение, что НЕ НАДО стремиться "улуДчить" звук черезмерно большим усилением, убиваемым посредствам ООС - для "качества".
Так и есть.
На германии получаются очень хорошие малооосники и безоосники. В таких усилителях напряжения питания невысокие, безопасные. Отменная альтернатива лампам, для тех диеров, кто боится случайно принять на грудь несколько сот вольт напруги.
 
Последнее редактирование:
Спектр гермоник на грамотном германии близок к ламповому однотактному.
Меня собственно это и подкупило. Я хорошо знаю, как звучит лампа, поэтому была надежда достичь чего-то похожего от германия. Но одним спектром рад не будешь. И на чистом кремнии можно сделать такой же спектр, но звук всё равно будет другим.
 
Спектр "стационарная" характеристика. Далеко не все отражает.
Германий, грубо говоря, работает гораздо "мягче" биполярного кремния. При этом можно не гнаться за ваттами выходной мощности. Не возникает потребности. Вот как с лампами.

В Сербии, у нашего коллеги, есть (или были) германиевые полевые транзисторы. Маломощные, пошли бы на вход. Их бы хотя бы в руках подержать, и измерить.
Вот нашелся б еще один Нельсон Пасс-2, который бы заказал партию мощных германиевых JFET, или даже СИТ-JFET, если такие возможны.
Ему бы многие скинулись, и памятник отлили из чистого германия.
 
Последнее редактирование:
Напоминаю, у Беслика =0,007% (картинку прилОжу)
И того, желательно 0,0035%
Хотяб 0.005%
А как вам спектр Аккорда 201-го? Люди слушали и радовались, а вам 0,007% уже уши царапают?))
Сделайте на Шиклаях, схемку прикрепил.
 

Вложения

  • 147361337539205820.jpg
    147361337539205820.jpg
    89.1 KB · Просмотры: 139
  • 14906914439589517.jpg
    14906914439589517.jpg
    47.7 KB · Просмотры: 147
Последнее редактирование:
Интересно, вживую он его собирал/эксплуатировал?
Наверное собирал, однако никаких конкретных замеров не приводит. Фраза "искажений практически не заметно" как-то настораживает. Правда, народ активно ведет обсуждение (в комментах) с 18-го года. Надо бы внимательно почитать.
 
А как вам спектр Аккорда 201-го? Люди слушали и радовались, а вам 0,007% уже уши царапают?))
Сделайте на Шиклаях, схемку прикрепил.
это не искомые Шиклаи. Они тут комплементарны.
Я хотел бы схему на ГТ404 и П215 - такое в ОБОИХ плечах, с фазоразделительным транзистором.
 
Хехнер (или Онер?) - на шиклаях bd140\ad249. Можно переделать на дарлингтоны п605\п215, а пред-как у Худа\Лика.
Промышленная схема Россия-325 (поумнее будет). Выход на 835, но можно и германий.
7bde814s-960.jpg


По вашему ТЗ (КНИ<0,005%) без ОУ и глубокой ООС не обойтись, тем более ,что хороших германцев у вас\нас нет и взять негде.

схему на ГТ404 и П215 - такое в ОБОИХ плечах, с фазоразделительным транзистором
Hohner:)
Но, возможно п605 в дарлингтоне будут лучше (их можно загнать в А (100-300 ма).- Армстронг с модами.
У меня был журнал RFE со схемой и инженерным расчётом подобных усилителей. Но в интернете оцифровок нет , а бумажные продаются на аукционах, как любой предмет из ГДР.
И параметры тех усилителей были так себе (я его слепила из того, что было...)
 
Специально для АВК- читай тут, я делал модель с двумя симметричными шиклаями. Искажения конечно довольно низкие получаются. Пока усилок не попадёт в клип. А после клипа искажения становятся нулевыми- ибо из транзисторов выходит белый дым на котором они работают.
1737151890290.jpeg
 
Защиту от "сквозняка" надо ставить, и не будет дыма. Без разницы какой выходной каскад.
Единственная известная схема, не требующая такой защиты - цирклотрон.
 
Это схема\статья из итальянского журнала 1968 г. с вариантами на разные типы транзисторов (Ge, Si) на разные напряжения и мощности, с таблицами, расчётами и осциллограммами. Мощность 5-25 вт, КНИ 0,1-0,5% ,нагрузка 10-12 ом (печалька). Транзисторы АЛ102 (типа 806).
Сделайте "Чёрный холодильник"- ИМС+квазикомплементарный каскад 402\404 и 215. Какой там КНИ, я не видел:)
 
Последнее редактирование:

Статистика форума

Темы
3,310
Сообщения
264,121
Пользователи
2,550
Новый пользователь
Александр Н.
Назад
Сверху Снизу