Германиевые УНЧ

Состоит из синусоид, именно. Даже меандр из них состоит.) С возвращением, где пропадал то столько времени?
Пароль не восстанавливался. Сфоткаю осциллограф с муз. сигналом, раз вам лень. Будем там искать все вместе синусоиды.
 
Пароль не восстанавливался. Сфоткаю осциллограф с муз. сигналом, раз вам лень. Будем там искать все вместе синусоиды.
Легко. Спектр лучше сфоткай, если тебе плохо понятно, спектр тебе поможет.
 
Легко. Спектр лучше сфоткай, если тебе плохо понятно, спектр тебе поможет.
Мы работаем с уровнем потенциала меняющимся во времени. Задача состоит, смаштабировать его идеально. На сд не записаны синусоиды, и цап не генерит синусоиды. Он меняет уровень во времени, и всё. Остальое блудняк и фантазии.
 
Дівчатка, не сваріться. На екрані осцилоскопа то не музичний сигнал, а штучна ілюстрація електричного, що можливо коли-небудь стане музичним. За межами підсилювача і в неелектричному вигляді.
А сувора дійсність багатогранна. І моделей (не баб з цицьками, чи без, на подіумі) однієї тієї самої сутності має зазвичай кілька, в залежності від точки зору. Осцилограма і спектрограма то дві різних моделі одного й того самого електричного сигналу. Ваш Сержант Очевидність. Мир, дружба, жуйка.
 
Безполезно смотреть спектрограммы муз. сигнала. Он значительно не симмметричен, и задача смасштабировать его в том виде, какой есть. Хотите делать Усилители для музыки, забудьте про Фурье, спектры синуса (0,01% достаточно), совершенно другие правила имеют больший приоритет. Сетевой кабель усилителя больше может изменить звук, чем переход от схемного решения с 0,01%, к 0,001% искажений синуса.
 
Сетевой кабель усилителя больше может изменить звук, чем переход от схемного решения с 0,01%, к 0,001% искажений синуса.
Це свідчить лише про те, що конструктор того підсилювача лох чилійський, або на утриманні в жадібних маркетологів. І не може впоратись з правильною намоткою трансформатору, перш за все, і ще кількох суто конструктивних моментів. Жодного зв'язку зі спотвореннями сигналу підсилювачем.
 
Це свідчить лише про те, що конструктор того підсилювача лох чилійський. І не може впоратись з правильною намоткою трансформатору, перш за все, і ще кількох суто конструктивних моментів. Жодного звязку зі спотвореннями сигналу підсилювачем.
Це свідчить про те, що він вплиаає. Та ще років 1000 буде впливати. І не які інженери це вирішити не зможуть. Він однаково впливає також на ДС, де немає транса, від порту юсб на мултімедіа за $10, наприклад. Тут немає ніякої загадки. Просто потрібно трішечки глибше подумкувати.
В авто також впливає якіст ізоляції та провідника живлення на звук автомагнітоли. Вже перевірено не раз.
І ще таку річ нипишу шалену, впливає направленність дрота живлення. ДС, як таке може буть?
 
Последнее редактирование:
Тут немає ніякої загадки. Просто потрібно трішечки глибше подумкувати.
Згоден. Але, підхід має бути divide et impera, а не змішати все до купи, підмінити одну причину іншою і таке інше. Як полюбляє загальновідомий пєтров з затримками імені себе, наприклад. Це негідний приклад для наслідування.
 
Он меняет уровень во времени
по синусоидальному закону,причем этих синусоид целый ряд,а сумма этих синусоид и есть сигнал
меандр тоже можно разложить на ряд синусоид(гармоник)
 
по синусоидальному закону,причем этих синусоид целый ряд,а сумма этих синусоид и есть сигнал
меандр тоже можно разложить на ряд синусоид(гармоник)
Можно на картах таро разложть всё что угодно, только для чего? Муз сигнал это просто уровень потенциала меняющийся во врмени 44100 раз в секунду, если сд, и не более.
 
Безполезно смотреть спектрограммы муз. сигнала. Он значительно не симмметричен,
Я бы добавил: мало того, что несимметричен по своей сути, но ещё и не музыкален по определению. Древнегреческие греки находили гармонию в простых звукорядах, не отягощённых паразитарными гармониками и мелодиками – только чистейший первородный синус на входе УНЧ позволит оценить степень гармонической убогости всей конструкции (включая кабели, разъемы и нелинейные ёмкости переходов транзюков)!
 
Я бы добавил: мало того, что несимметричен по своей сути, но ещё и не музыкален по определению. Древнегреческие греки находили гармонию в простых звукорядах, не отягощённых паразитарными гармониками и мелодиками – только чистейший первородный синус на входе УНЧ позволит оценить степень гармонической убогости всей конструкции (включая кабели, разъемы и нелинейные ёмкости переходов транзюков)!
По настоящему научный подход!!!
 
По настоящему научный подход!!!
Могу только добавить: если бы при Большом взрыве (точнее – после того, что от него осталось) можно было бы избежать появления атомов германия, то одной темой форума было бы меньше. :) Химикам тоже было бы проще – сразу бы наступила эра благодатного кремния!
 
Германию нашли лучшее применение в электронике и оптике, чем совать во всякие массовые\тиражные балалайки:)
На заводе была линза из чистого германия, сделана специально под ИК диапазон.
Ну и всякие ИК диоды типа АЛ107 или 106, не помню, имеют нахлобучку из германия.
 
Для АВК: не Линь,
user43_pic15131_1624874250.jpg
не симуль:
 
0,06% при спектре говенном,хуже 1% при хорошем
 
1) Скуственный Телехт скоро создаст...
СМЕСЬ закиси меди и сернистого свинца.
УжО обещалси.
Будут тряньзиторы для особливых меломаноф.

2) Динозавр, спасибо, я в курсе
Там, "задавальщик вопроса" - боб'как то... Это он от моего имени пересылал на тот форум.
Всё, его там забанили позавчера, он последние мои картинки и текст туда вставил - непонравилось тамошним завсегдатаям :-)
Снесли и ему бан.
А картинки то были именно АВК_3.3, и параметрами превосходили в несколько раз того монстрообразного "усилятора", что в 2 раза сложнее моей схемки.
Конкуренция - мантрид пытается кому нибудь втюхать собранный усилятор мовинга. Там в конце какой то из верхних тем есть коммерческое предложение об "реализации".
 
Засланцев вычисляют и банят:)
Должна быть только одна (правильная) точка зрения:(
Поэтому там делать нехрен. Но я здорово поржал когда бедный мантрид потратил время и силы собирая "гибридный кремниево-германиевый усилитель от Мовинга" а в итоге получилось говно которое слушать никакой возможности не нашлось. Карма она такая.
Аккуратно собраные помои:
1739455580441.png
 
Последнее редактирование:
Поэтому там делать нехрен. Но я здорово поржал когда бедный мантрид потратил время и силы собирая "гибридный кремниево-германиевый усилитель от Мовинга" а в итоге получилось говно которое слушать никакой возможности не нашлось. Карма она такая.
Аккуратно собраные помои:
Посмотреть вложение 124103
Это что? Мулька такая? Оребрение на радиаторах германиевых транзисторов требуется располагать горизонтально?
 
Это что? Мулька такая? Оребрение на радиаторах германиевых транзисторов требуется располагать горизонтально?
судя по тому что там писалось, выходной каскад в классе С вроде как работает. Тип то греться не должен.) Ну и кто знает, может мантрид усилок вертикально на стенку вешает, тогда имеет смысл)
 
Владимир Перепелкин
Тама у иха своеобразная мафия - там ВСЕ пришедшие могут быть определённое, небольшое время, судя по оставшимся постам, примерно месяц.
Затем они банятся, а почти все их посты удаляются.
Цель - втюхать продукцию мовинга и собрать потенциальные нюансы для дальнейшего "творчества" по изготовлению ВОСТРЕБОВАННОЙ продукции.
Заодно показать СВОЙ ВЕЛИКИЙ ТЕХНИЧЕСКИЙ УРОВЕНЬ и повыпендриваться на "пришельцев"
 
Сергей, а за что тебя забанили? Впрочем, меня бы тоже забанили.
Когда Мантрид спаял этот усилок я его попросил замерить постоянку на выходе и настроить на середину питания. Воплей было непойми почему много.
Причём потом оказалось что сдвиг что в симуляторе что в железе был одинаков.)
В итоге надоели они мне оба хуже горькой редьки, посты трут, своё высокоценное мнение всем навязывают. И я понял что мне там больше ничего не нужно, и послал их. )
как я понял мантрид НЕ ПАЯЛ УВЕСЕЛИТЕЛЬ от мовинга.
Паял. Он и паял. С паянием у мантрида никаких проблем нет. Проблема с тем какие схемы он выбирает.
Давай сравним отзывы. Итак. Тот самый усилок мовинга благотворящий:
1739479817035.png
А вот ТТ
1739480051655.png
Странно, должно быть то наоборот. Ведь "хлубокая оос уничтожает детализацию и микродинамику", ан хрен там плыл.
небольшое время, судя по оставшимся постам, примерно месяц.
я там провёл больше полутора лет, наверное. Просто посты они трут. Вот и весь секрет. А моих там не осталось совсем, и только бедный Мантрид поминает меня по поводу и без повода.)
 
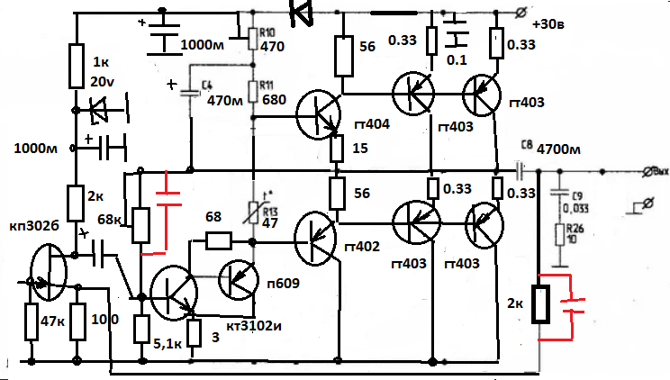
вот еще схемка любителям германия
 

Вложения

  • германец мулат.png
    германец мулат.png
    71.9 KB · Просмотры: 144
Видимо, с Кг=0,5-1%?
с чего ты взял?все под осью и буфер перед ВК в классе А
тут спектр джифет задает ,может быть и будет 0,1% но за счет второй гармоники
многое еще от выходников зависит,если у гт403 спад с 15кгц то нормально будет ,не хуже импортного германия,это не п214 с их 4...5кгц
 
Последнее редактирование:
кто начал про говно?цитату привестиА?я схему выложил нормальную а не шлак из радива с говноэлектролитами куриными и транзюками шлаковыми,ну молитесь на свою икону из радива,вот там точно говнозвук.
если такой умный укажи недостатки моей схемы ,конкретно по пунктам,и чем она хуже вашей иконы
имхо это максимум что можно выжать из совдеповского нч германия с квази ВК
один тут хоть в симуле картинки рисует,и то хорошо,хотя моя схема даже по его картинкам Перепелкина обскакала ,да не 0,001% модели херовые но 0,03%там железно будет,это про прошлую схему,с кремнием
Внятным языком обьясни какая у тебя схема с 0.03 % и на какой нагрузке и частоте? В твоих схемах 0.5 % на 1кгц за счастье бы получить smile_1
 
Внятным языком обьясни какая у тебя схема с 0.03 % и на какой нагрузке и частоте?
тему читай там все указано и частота и петлевое и искажения,я слепым не поводырь
схемы все придуманы 50 лет назад и ничего нового тут не придумать,все зависит от реализации-число каскадов усиления тока и напряжения и качество компонентов,при оптимальной коррекции обычно 2 каскада по напряжению и 2...3 по току,ну германий еще дает меньше ступеньку в АВ за счет этого можно снизить петлевое не потеряв качество

Сравнить Линя-1956 по классике и с германием кремнием впереди или в н-п-н плече было бы интересно:)
это очевидно,что там сравнивать?с кремнием лучше(сравнивалось 15 лет назад гт806+кт908а),но сам Линь не актуален,можно лучше малой кровью
вот чисто ВК без оос
 

Вложения

  • user43_pic14398_1566146542.jpg
    user43_pic14398_1566146542.jpg
    46.6 KB · Просмотры: 59
Последнее редактирование:

Статистика форума

Темы
3,312
Сообщения
264,401
Пользователи
2,551
Новый пользователь
Александр Н.
Назад
Сверху Снизу