Германиевые УНЧ

туда кт863 -бета под 500
С удивлением обнаружил, что существуют разные 863 (ЧиД) не только по грейду.
Нальчинский завод: https://static.chipdip.ru/lib/574/DOC018574116.pdf
Кремний: https://www.chipdip.ru/product/kt863a-2012g?from=visited_product
Есть данные на других сайтах. Или опять всё врут справочники?
Возможный (условно) аналог и комплементарный: https://static.chipdip.ru/lib/641/DOC001641859.pdf
2N6487, 2N6488 (NPN), 2N6490, 2N6491 (PNP)

Роджерс 1969 с трансформатором, но уже на кремнии:(
OKC2IhibPpwxgG5xY9LsqRD1X_g-1920.jpg
 
Последнее редактирование:
Комбик аккорд -м
Схемы нет
На потенциометр включения приходит переменка 41 вольт
Диоды в БП не звонил не подобраться
Четыре мощных диода д242
Возможно переключили в 127 вольт и воткнули в 220 предохранитель был сильно поджаренный сгоревший
Посмотреть вложение 132549Посмотреть вложение 132550Посмотреть вложение 132551

Обычные двухватные германиевый усилок с мпшками в преде на п213 можно спалить переменкой?
akkord-2-8.jpgakkord-2-7.jpgakkord-2-6.jpgakkord-2-shema.jpg

Нашлась схема, очень надо это починить в динамиках тишина, правда схема нашлась от аккорд 2, но говорят что совпадает с аккорд м ну правда у меня p213 на выходе а тут написано p216 в схеме
Ну например регуляторы низких высоких частот совпадают по номиналу 22 и 100
П403 также есть в схеме
 
Последнее редактирование:
начинайте с питания,приходит ли,потом половину на выходе и тд
 
Питание приходит
На потенциометр громкости и включения
А причём тут потенциометр? Нужно сразу замерить напряжение на коллекторе Т9 и на его же эмиттере. Это самый первый шаг.
Второй- на базе Т6.
А ещё раньше надо отпаять питание усилителя от БП и замерить напряжение на выходе БП же. Откуда там переменка может взяться? Там должна быть постоянка с очень низким уровнем пульсаций.
 
На потенциометр включения приходит переменка 41 вольт - это сетевое (осторожно!) или вторичка с трансформатора?
Как любой усилитель- проверяем предохранители, выключатель на потенциометре-часто перестают включать.
И по порядку-трансформатор- мостик-постоянка- стабилизатор питания (с защитой по току) - режимы транзисторов...
 
Последнее редактирование:
На потенциометр включения приходит переменка 41 вольт
По схеме судя питание размыкается на выходе БП. То есть блок питания всегда подключен к сети, размыкается только постоянка.
1745419824678.png
 
проще измерить напряжение на корпусах выходников относительно земли
 
проще измерить напряжение на корпусах выходников относительно земли
а на корпусе у них не коллектор ?) проще тут ты прав. Но сначала надо померить на корпусе Т2.
 
Там после стабилизатора 16 в питания...
 
Интересно, мощность измеряли не просто на резисторе, а на резисторе с индуктивностью
akkord-2-8 (1).jpg


Там после стабилизатора 16 в питания...
На схеме 18 В между Т7 и Т9 написано, от ноутбучного БП можно питать :cool:
 
ДА, стабилизатор питания в этой схеме ХОРОШИЙ.
А остальное лучше заменить.
 
А остальное лучше заменить.
я бы поднял напряжение до 24в в предвыход гт402\404 и их эмиттерные резисторы снизил до 56ом в УН кт3107 и R28 уменьшить до 1,5к
добавить еще один динамик и включить по два параллельно и их последовательно чтобы было 7,5 ом тк 5ом нагрузка не айс
 
Последнее редактирование:
А причём тут потенциометр
На него приходит + и - с БП на нем и замерял
18 вольт dc приходит

По схеме судя питание размыкается на выходе БП. То есть блок питания всегда подключен к сети, размыкается только постоянка.
Посмотреть вложение 132949
Да, БП не отключается,
С него приходит на потенциометр громкость-включение
 
на корпусах выходников есть напряжение? на одном 18в на втором 9в нужно
 
я бы поднял напряжение до 24в в предвыход гт402\404 и их эмиттерные резисторы снизил до 56ом в УН кт3107 и R28 уменьшить до 1,5к
добавить еще один динамик и включить по два параллельно и их последовательно чтобы было 7,5 ом тк 5ом нагрузка не айс
Ага....
И выходные конденсаторы увеличить хотяб в 3 раза
И зашунтировать керамикой или плёнкой хотяб в 3мкф.
И выходные трюнЬзисторы заменить на П215.
И...

И будет "конфетка" правда из какашки :-) :-) :-) :-)
Поскольку схему БЫ изменить и улучшить (переделать).
А всё вместе это называется ЗАМЕНИТЬ (мУдернизировать).
Не'ну саму плату можно и оставить, для идентичность с древним.
Тока вдоль или поперёк надпись трафаретом "РЕТРО"
 
И будет "конфетка" правда из какашки :) :) :) :)
Поскольку схему БЫ изменить и улучшить (переделать).
А всё вместе это называется ЗАМЕНИТЬ (мУдернизировать).
Не'ну саму плату можно и оставить, для идентичность с древним.
Тока вдоль или поперёк надпись трафаретом "РЕТРО"
поставить вот это и не морочить яйца причем будет 2х30вт мощи а искажения меньше
динамики подключить последовательно по два на канал будет 2х6вт чистейшего звука на 30ом нагрузку
еще вариант в один канал два последовательно ,а во второй один динамик через резистор 10ом
 
Последнее редактирование:
Ну как вариант можно и такое, НО а рамках программы благотворительности.
Тоесть включая доставку - АБСОЛЮТНО ЗА БЕСПЛАТНО.

Для справки - маркетплейсы обсуждают ТАКУЮ программу.
 
И того 270 за стерву.

Угу, но все равно это НЕ ФЕНШУЙ.
:-)
Отсутствует "радость творчества"...
И в части ТЕОРИИ, это особо, и в части некоторой ПРАКТИКИ.
 
Вот они, современные ремонтники! - все выкинуть, и китайского дерьма напихать.
Неужели так сложно отремонтировать простейший прибор?
 
он этого не стоит ,звук шлак без доработки,а доработку не каждый рукосуй сделает нормально
тда 7377 уделает его даже доработаный если динамики через резисторы включить или последовательно
а если джифетик отдельным каскадом на входе поставить и смещение подобрать то для гитарки бальзам
 
Последнее редактирование:
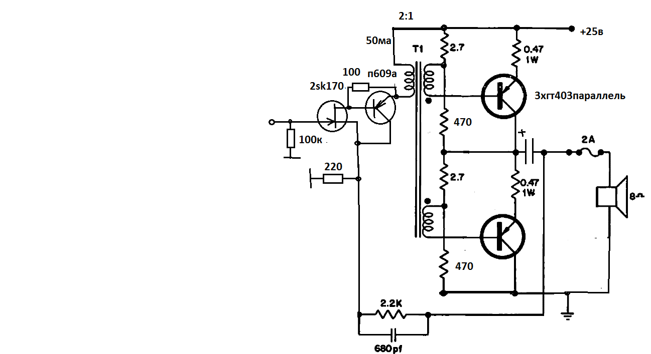
простой на германии с трансом
 

Вложения

  • германий с трансом.png
    германий с трансом.png
    55.9 KB · Просмотры: 154
да транс проще не куда-в три провода трифилляром до заполнения каркаса,провод 0,3мм,железо от твз или китайского трансформаторного БП
главное малая индуктивность рассеяния(поэтому трифилляр) а паразитные емкости лм1875 без проблем прокачает с ее низким выходным сопр
транс хорошо закрывает германцев поэтому не будет сквозняков на ВЧ
PS .Сорри,трифилляром транс мотаем для схем с ОК,я их выкладывал выше,в данной схеме ОЭ,поэтому транс нужен понижающий,моточные данные можно взять от усилителя Григорьева цитата:
"Для согласующего трансформатора Т1 подойдет любой магнитопровод (качество материала роли не играет) площадью сечения 1,5...2,5 см2, например Ш12 X 16. Автор использовал магнитопровод из пластин Ш12 с прорезным средним стержнем, толщина набора 16мм. Обмотку наматывают жгутом из восьми сложенных вместе проводов:

  • шести проводов марки ПЭВ-2 — 0,17
  • двух проводов марки ПЭВ-2 — 0,31.
Намотка производится до заполнения каркаса - получится примерно 250-270 витков.

После намотки концы проводов облуживают, выявляют с помощью омметра каждый из проводов ПЭВ-2 — 0,17 и, соединив их последовательно, получают обмотку I. Оставшиеся два провода ПЭВ-2 —- 0,31 используют в качестве обмоток II и III.
После этого вашего совета ,на Али купил вчера плату : https://aliexpress.ru/item/10050079...&traffic_source=recommendation&type_rcmd=core
Трансы есть готовые от унч и транзисторы германиевые разные всё фирменное. Буду пробывать. Думаю звук должен сложится.Тем более как все пишут SK18752 лучше ,чем LM1875 и напряженее питания у неё больше.
1745739946984.png
 
После этого вашего совета ,на Али купил вчера плату : https://aliexpress.ru/item/10050079...&traffic_source=recommendation&type_rcmd=core
Трансы есть готовые от унч и транзисторы германиевые разные всё фирменное. Буду пробывать. Думаю звук должен сложится.Тем более как все пишут SK18752 лучше ,чем LM1875 и напряженее питания у неё больше.
Посмотреть вложение 133259
Не могу Вас не разочаровать: звук может сложиться в картонную коробку, которая будет вынесена вне помещения (на утилизацию) из-за негерманиевого операционника, управляющего трансформатором!
 
SK18752 лучше ,чем LM1875 и напряженее питания у неё больше.
Основная сложность будет с коррекцией (многопетлевой). Глубина общей ООС может быть небольшой\регулируемой. Имеет смысл попробовать разные режимы работы трансформатора- от источника напряжения и от источника тока. В "Делко" трансформатор работает от каскада ОЭ, в других- от повторителей (ОК) или двухтактных драйверов. Однотактный режим (SE) можно организовать подгрузкой выхода ОУ резистором на шину питания или источником тока.
 
Последнее редактирование:

Статистика форума

Темы
3,314
Сообщения
264,535
Пользователи
2,550
Новый пользователь
Александр Н.
Назад
Сверху Снизу