Германиевые УНЧ

Вложения

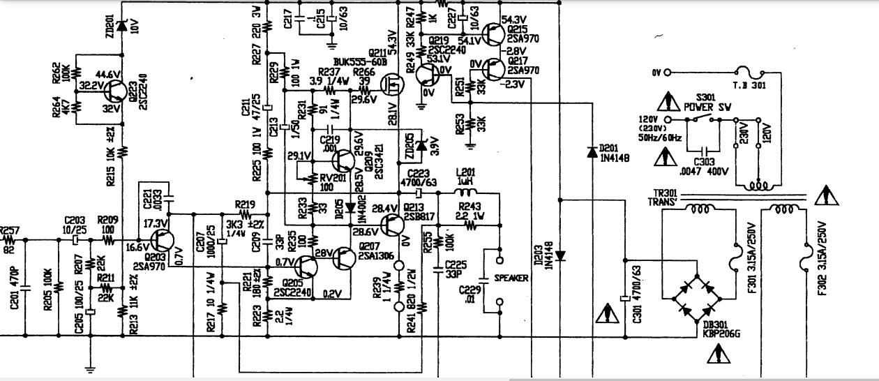
  • NAD-310.PNG
    NAD-310.PNG
    183.5 KB · Просмотры: 123
Можно попробовать схему EF1 с кремнием (817, 863...)
Схема c AD162 обоих этажах Ашника сработала сразу, получилось удачно, полоса 100кгц, питание 24в в ток 0,5А. 6 вольт на выходе.
В драйвере тоже впаял AD162, нормально все. Возбуда нет, емкость коррекции к-б 200пик.
Самое главное- очень удобное решение -смещение транзистора нижнего этажа, отвечающее за ток покоя. Симметрия отдельно, у входа переменник.
Тогда как настроить Ашник в варианте Худа еще то развлечение.
Докатился до применения в усилителе парочки П214-П215, с питанием 30 в и током в полампера на выходе 6 вольт выходного напряжения, полоса без видимых искажений сигнала до 16000Гц. Это полная мощность.Меандр уже жутковатый, но ток покоя держится четко. С оговоркой: термик на радиаторе. Без него быстренько набирает ход ток покоя.
Р-латерал в нижнем этаже не требует термокомпенсации в принципе, выставил ток и забыл . Схема проще некуда.

По ходу настройки заменил драйверный транзистор на ВС327-40. усиление 500. Чуть теплый . В нагрузке 430 Ом 2вт.Тоже теплый. Схема проще некуда. Уже слушаю. Нормально все.
 
Последнее редактирование:
6 часов полет нормальный... +like
Я за 6 часов переворотил много всего, в итоге взял от разных схем нужныые решения, получилось просто, стабильно, с высокими параметрами, звук красивый. И схема в классе А .
Для комфортного звука очень неплохо.
А кстати. Ежели вместо латерала внизу поставить IRFP9240 и дать ему смещение затвора отдельным делителем, получим много ништяков за один раз.
Иду обратно к макетке. Должно сложиться.
 
Схема Ашника на германии сложилась, получилось просто, стабильно, легко настраивается, звучит красиво. Только в плане добытой мощности Ашник не добирает заметно. Получается так: у АВшника треть от питания - чистый синус эффективное значение.У Ашника максимум одна четвертая. Значит, есть некий промежуточный вариант, чтобы и мощность получить и звук добрый и чтобы печка не получилась , как не в себя жрущая. И лучший вариант среди прочих - АВшник с приличным током покоя на комплементарной паре. Макет на наших ГТ703-705 оставил очень приятное впечатление. И мощность получилась 10 ватт с питанием около 30 вольт. Схема проще некуда.
Как говорил наш замечательный сатирик Аркадий Райкин- Пойдем дальше. Для этого- вернемся назад! :)
 
Схема Ашника на германии сложилась, получилось просто, стабильно, легко настраивается, звучит красиво. Только в плане добытой мощности Ашник не добирает заметно.
Как говорил наш замечательный сатирик Аркадий Райкин- Пойдем дальше. Для этого- вернемся назад! :)
Ищущий да обрящет!
или как в известном фильме - пилите Шура, пилите))))
-----------------------------------------------------------------------
мне вот на днях подарили Весна 211 стерео....
механика и корпус под убиты временем, а платы оконечников не паяны,
словно с завода...
думаю может чего замутить в виде около комповой самограйки)))
 
мне вот на днях подарили Весна 211 стерео....
механика и корпус под убиты временем, а платы оконечников не паяны,
словно с завода...
думаю может чего замутить в виде около комповой самограйки)))
Щиро співчуваю Вашому горю. Думаю, нехай спочиває з миром та плата.
Якщо вже зовсім ніяк, можу подарувати плату кінцевих підсилювачів від Маяка 233
 
Так, на них. Результат може бути кращим за дві пари ГТ403 на виході плюс ГТ402\404 в драйвері плюс якесь непорозуміння в якості підсилювача напруги
 

Вложения

Последнее редактирование:
Ищущий да обрящет!
или как в известном фильме - пилите Шура, пилите))))
-----------------------------------------------------------------------
мне вот на днях подарили Весна 211 стерео....
механика и корпус под убиты временем, а платы оконечников не паяны,
словно с завода...
думаю может чего замутить в виде около комповой самограйки)))
Все эти мощные усилители с выходом по квазикомплементарному варианту на слабомощных тормозных транзисторах оставляют жалкое впечатление. Транзисторов куча, результат среднепаршивый. И то, что впечатлило больше всего, это магнитофон Весна-306, с мощником на трансформаторе, громовым звуком реального двухваттника , красивый, удобный , с встроенным питанием от сети. Сказка, а не аппарат. Достоинством его была механика с двумя маховиками, которые вращались одним пасиком в разные стороны, устраняя подвывание звука при ходьбе.
Некоторое достоинство Весны-211 в выходе на спараллеленных низкочастотных 1Т403 , у них спад на высокой частоте протянут чуть дальше обычного дешмана П214.
Можно включить, послушать. На приличных колонках может вполне себе сыграть.
 
Щиро співчуваю Вашому горю. Думаю, нехай спочиває з миром та плата.
Якщо вже зовсім ніяк, можу подарувати плату кінцевих підсилювачів від Маяка 233
Щиро дякую...
маю в наявності таку плату, памятаю як на початку 90х, користував Маяк 232 (те саме 233)
в якості підсилювача потужності с виходом на дві S-90 (4ома)
грало не погано, 4 вати на канал на чутливі колонки давало досить потужний бас .
==========================================================
Весна 211 - звук для мене невідомий, цікаво замакетити та почути на що воно здатне...
їх вихвваляють за всеядність до опору навантаження від 2-8 ома
гадаю що не кожен простецький підсилювач має такі властивості.

Некоторое достоинство Весны-211 в выходе на спараллеленных низкочастотных 1Т403 , у них спад на высокой частоте протянут чуть дальше обычного дешмана П214.
Можно включить, послушать. На приличных колонках может вполне себе сыграть.
вот и я думаю, стоит ли заморачиватся или нет...
просто подключить один канал послушать в качестве спортивного интереса.
 
Последнее редактирование:
Весна 211 - звук для мене невідомий, цікаво замакетити та почути на що воно здатне...
їх вихвваляють за всеядність до опору нагрузки від 2-8 ома
гадаю що не кожен простецький підсилювач має такі властивості.
Послухайте. А якщо зацікавить германієва тема, і маєте досвід, то зможете зібрати сучасні схеми.
Вони тут є.

До речі, де була розроблена "Весна", і де випускалась? І ким була через рік скопійована?
 
До речі, де була розроблена "Весна", і де випускалась? І ким була через рік скопійована?
Магнітофони серії «Весна» були розроблені та вироблялися в УРСР на київському оборонному заводі «Комуніст» (початок виробництва — 1960-ті роки) та Запорізькому електромашинобудівному заводі (ЕМЗ) «Іскра». Розробка моделей, таких як «Весна-305/306», відбувалася в Києві, а подальше серійне виробництво — в Запоріжжі.
=================================================
Доречі Святослав - що до мого запитання?
Робіть їм захист по струму, і не буде проблем. Всього один транзистор, та два резистори в плече виходу. А в схемі цирклотрону навіть це не потрібно.
захист по струму то зрозуміла річ... накшталт цієї схеми
а як щодо перебільшення вхідної напруги Б-Е ???
----------------------------------------------------------
гадаєте ящо зробити захист по струму через еміттерний резистор,
то не треба захищати вхідне коло В/Е?
 
Электролиты-под замену.
солидарен 100%
Может работать на 2 ома (но лучше на 6-8ом))).
логично, попробуем ...
Гетинакс и печать там страшные...
в моём девайсе состояние нового
 
солидарен 100%

логично, попробуем ...

в моём девайсе состояние нового
Единственное, что можно сделать, если усилитель запустится и запоет, привести в порядок заводскую частотную коррекцию, по принципу лучше перебдеть, чем недобдеть. И душат полосу изо всех сил.
 
исходник....
20251102_112314.jpgсхема УМ.jpg

Кассетный магнитофон 2 класса -63-12500 гц.
в любом случае зто не кетай)))
запас по АЧХ в технике разработанной по ГОСТу всегда был в наличии,
думаю при наличии желания и возможностей
улучшить параметры завсегда возможно...
 
Последнее редактирование модератором:
в любом случае зто не кетай)))
запас по АЧХ в технике разработанной по ГОСТу всегда был в наличии,
думаю при наличии желания и возможностей
улучшить параметры завсегда возможно...
C23 и С27 подправить. Остальное неплохо. И керамику- флажки розовые- немедленно вон.
 
? захист по струму то зрозуміла річ... накшталт цієї схеми
а як щодо перебільшення вхідної напруги Б-Е ???
----------------------------------------------------------
Вона автоматично не буде перебільшена.
Емітерний резистор у германієвих схемах потрібен в кілька разів більший, ніж при роботі з кремнієм.
гадаєте ящо зробити захист по струму через еміттерний резистор,
то не треба захищати вхідне коло В/Е?
Саме так. Ось реальний приклад схеми, де це працює багато років:
 
Последнее редактирование:
т6,т7 заменить на кт3107 К,Л,резистор R42 закоротить
 
вот схема на щелбан))))каменный SE с быстрой германской двойкой на выходе. Худ курит+likesmile_1
дроссель проводом 0,8мм до заполнения,между слоями прокладки из бумаги для большей широкополосности,не магнитный зазор 0,1мм
кто брезгует кремнем ставит гт308в на вход и гт404 в УН
ЗЫ Еще лучше дроссель намотать слоями и скоммутировать снаружи Начало- Конец,будет меньше паразитная емкость
 

Вложения

  • анти худ.png
    анти худ.png
    42 KB · Просмотры: 124
Последнее редактирование:
вот схема на щелбан))))каменный SE с быстрой германской двойкой на выходе. Худ курит+likesmile_1
дроссель проводом 0,8мм до заполнения,зазор 0,1мм
кто брезгует кремнем ставит гт308в на вход и гт404 в УН
А зачем здесь германий?
 
А зачем здесь германий?
можно и кремний,это для фанатов германия)))
при низком напряжении чуть больше максимальная мощность вроде все из плюсов)))

у кого завалялись 2SJ160 делаем так
 

Вложения

  • класс А на 2J160.png
    класс А на 2J160.png
    49.2 KB · Просмотры: 116
это для фанатов германия)))
привет ))) есть решение РР на германце 1-5 пар( коллекторы) на общем радиаторе без изоляционных прокладок ? нравятся черные шляпы )))
 

Вложения

  • п4д.pdf
    п4д.pdf
    477.2 KB · Просмотры: 109
так вот ,на вход лучше кт3107 л к будет стабильнее
 

Вложения

  • анти худ п4.png
    анти худ п4.png
    48.8 KB · Просмотры: 113
Последнее редактирование:
можно и кремний,это для фанатов германия)))
при низком напряжении чуть больше максимальная мощность вроде все из плюсов)))
Отсутствие резкой ступеньки при нулевом смешении, там плавное "кресло", и высокая общая линейность.
На входе сознательный германист не побрезгует кремнием. Там можно.
 

Статистика форума

Темы
3,350
Сообщения
269,812
Пользователи
2,576
Новый пользователь
grushar
Назад
Сверху Снизу