Смотрите видео ниже, чтобы узнать, как установить наш сайт в качестве веб-приложения на домашнем экране.
Примечание: Эта возможность может быть недоступна в некоторых браузерах.
вам для наушников? зачем она для наушников????????????????????????????????????????????77Это страницы из статьи

Оквот вам,регулятор громкости конский не нужен,хватит 10....50к
ПОС R2C2 R6 R7 тоже можно выбросить
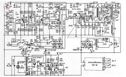
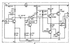
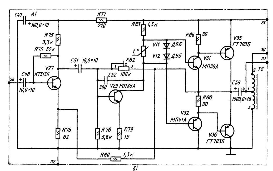
Эта схема узко специализирована под 10МАС-1- пищалка включается через конденсатор, а НЧ-головка 10ГД-30 включается в схему "псевдоЭМОС"...Схему придумал Акулиничев
Не позже 47-го. К полумерам не привык.Заодно по схемам полазить , из 60-х 70-х годов.
На нижней схеме эмиттер опирается сразу на половину питания (выход унч) без всякого резистора. На верхней схеме через 1.3 кОмУсилитель магнитофона "Весна-210" , может кого на нужные мысли навеет
Посмотреть вложение 171296 Посмотреть вложение 171300
Пока одну мысль: питание 9в (батарея), для увеличения выходной мощности используется повышающий автотрансформатор.мысли навеет
Это классика. Самое главное, что отличает эту схему от всех вышеперечисленных - выходные транзисторы по постоянному току включены параллельно, а не последовательно. Поэтому сквозной ток на ВЧ исключён. Что особенно актуально для германия. С качественно выполненными трансформаторами на хорошем железе и другими транзисторами эта схема может уделать вообще все бестрансформаторные "германские".автотранс тогда был проще моста,в весне -306 тоже автотранс стоял и схема интереснее
для того времени звучала не плохо
Возился с импортным и нашим германием, нормальные по частотным свойствам транзисторы не замечены в росте сквозного тока с частотой. Бегут до 50-100кгц. В отличие от тормозов типа П214. С трансформаторной раскачкой получается идеальный выходной каскад , симметричный даже без ООС , на удивление. И без всякой квази комплементарщины.Это классика. Самое главное, что отличает эту схему от всех вышеперечисленных - выходные транзисторы по постоянному току включены параллельно, а не последовательно. Поэтому сквозной ток на ВЧ исключён. Что особенно актуально для германия. С качественно выполненными трансформаторами на хорошем железе и другими транзисторами эта схема может уделать вообще все бестрансформаторные "германские".
Промежуточный? Так он в этой схеме работает от источника с высоким выходным сопротивлением, т.е. не как трансформатор напряжения, а как трансформатор тока. Входные ВАХ нелинейные, поэтому и напряжение на обмотках кривое. А ток базы - линейный, что транзистору и нужно. Видел схемы, где этот трансформатор раскачивается эмиттерным повторителем. Это грубая ошибка. Не нужно транзистору в базу напряжение, ему нужен ток.Но сам трансформатор такого накидывает в сигнал, -глаза б не видели той дряни.
почему тогда с повторителем перед ВК искажения меньше? на порядокЭто грубая ошибка. Не нужно транзистору в базу напряжение, ему нужен ток.
Имеете ввиду классические кремниевые схемы с выходным каскадом в виде эмиттерного повторителя? Так они всегда раскачиваются от генератора тока с максимально возможным выходным сопротивлением. Классический усилитель напряжения - ОЭ или каскод, нагруженный на источник тока. А тройка или двойка - это просто Дарлингтон, но тот же самый ОК.почему тогда с повторителем перед ВК искажения меньше? на порядок
Вниз, но не вверх. Вверх - как раз наоборот.шире полосу имеет
Трансформатор , обслуживающий выходные транзисторы, не имеет права работать от источника тока, а токмо от генератора с нулевым выхсопром. Иначе он быстренько возомнит о себе и заживет своей жизнью, обвешанный как Жучка блохами, своими личными паразитами. А способа заставить низкоомные вторички превратить в источник тока, я пока не знаю. И другого способа передернуть заряды , накопленные в базе выходного германия, лучше. чем это делает трансформатор, пока не придумано. Разве что комплементарный транзисторный каскад, наподобие КМОПа.Промежуточный? Так он в этой схеме работает от источника с высоким выходным сопротивлением, т.е. не как трансформатор напряжения, а как трансформатор тока. Входные ВАХ нелинейные, поэтому и напряжение на обмотках кривое. А ток базы - линейный, что транзистору и нужно. Видел схемы, где этот трансформатор раскачивается эмиттерным повторителем. Это грубая ошибка. Не нужно транзистору в базу напряжение, ему нужен ток.
Трансформатор тока, как и трансформатор напряжения, может быть и повышающим и понижающим. В данном случае имеем повышающий трансформатор тока - ток вторички ровно в N раз превышает ток первички. Мощность та же. Напряжение в N раз меньше. Принципиальная разница трансформатора напряжения от трансформатора тока - первый подключен к генератору напряжения с нулевым внутренним сопротивлением. Второй подключен к генератору тока с бесконечно большим выходным сопротивлением.. А способа заставить низкоомные вторички превратить в источник тока, я пока не знаю.





Остается мелочь. сравнить ПХ транса, запитанного от генераторов напряжения и тока.Чуть не забыл. Количество витков во всех трёх обмотках выходного транса одинаковое, и он низковольтный, поэтому можно мотать в три провода.
Мне их тоже не жалко.попрбуйте вот такой с ОК
да норм ,класс А ведь да еще активное обмоток помогает в эмиттерах(шиклаев)Мне их тоже не жалко.
Забудь о ПХ всяк, кто с германием связался. Фраза "транзисторное звучание" появилась именно тогда, когда появились германиевые усилители. А остаётся и впрямь мелочь - заменить эти П214 на лампы, и всё будет норм.Остается мелочь. сравнить ПХ транса, запитанного от генераторов напряжения и тока.
Пентод в раскачке трансом выхода на германии , да в схеме с ОЭ , да без ООС , еще тот мешок с дерьмом.
грубо, фи. Истина где-то промежду. Связывать понятие транзисторного звучания на шедеврах AD 140 AD167 AL100 AD161 AD162 , в сравнении с мусором, родным и скрепным , типа П213, это моветон. Хотя, даже на этих отбросах получается вполне звучащее , с оговоркой. исключительно в режиме А.Забудь о ПХ всяк, кто с германием связался. Фраза "транзисторное звучание" появилась именно тогда, когда появились германиевые усилители. А остаётся и впрямь мелочь - заменить эти П214 на лампы, и всё будет норм.
Многократно обсуждалось: Биполярные транзисторы управляются током базы\эмиттера , обусловленным напряжением.Пусть после этого мне кто-то скажет, что транзистор управляется не током, а напряжением.
Каскад Шиклаи (верхний) имеет начальное смещение для МП38 через резистор обратной связи на землю...нужные мысли навеет
І всеж таки, що було спочатку курка, чи яйце?Многократно обсуждалось: Биполярные транзисторы управляются током базы\эмиттера , обусловленным напряжением.
Напряжением. Ток базы - следствие технологических ограничений беты. Представь идеальный транзистор с бесконечно большой бетой: в базу ток не течёт.Биполярные транзисторы управляются током базы\эмиттера , обусловленным напряжением.