Гибрид из усилителя Агеева и не только

scamp

1 ранг
Регистрация
28 Окт 2021
Сообщения
1,704
Реакции
1,342
Репутация
68
Страна
Россия
Город
Ростов-на-Дону
Имя
Александр
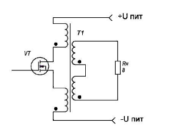
Продолжая тему "Гибрид из усилителя Агеева и не только" хочу предложить к обсуждению очередное простое схемное решение. Фантомный усилитель Сергея Фалькова. Этот материал мне попался здесь, на этом форуме его несколько раз упоминали в разных темах но никто не обратил внимания. Я тоже често признаюсь вначале не придал значения этой схеме, но потом решил попробовать Так как в последнее время интерисуюсь простыми схемными решениями способными воспроизводить звук в хорошем качестве. Для тех кто хочет ознакомится со схемой ссылка на документ в виде pdf файла. https://ldsound.info/wp-content/uploads/2019/11/phantom-amplifier-ldsound.ru_.pdf
Схема ВК не просто простая, а простая до безобразия.

1724916517965.png

При этом автор заявляет вот такие характерные для него черты:
"Описываемый ниже усилитель позволяет услышать потрясающую по чистоте и де-
тализации звуковую картину, созданную для вас исполнителем, обладает отличными тех-
ническими параметрами и не требует для сборки дорогих и дефицитных деталей. К тому
же он дает творческий простор для дальнейшего его совершенствования. Финансовые
затраты минимальны, многие из вас найдут все необходимое в своих запасах.
Его основные достоинства:
1. Чистый и детальный звук
2. Отсутствие петли ОООС
3. Высокая линейность (КНИ= 0,04% при Рном 2х8 Вт, диапазон частот 20-20000 Гц)
4. Простота схемы и отсутствие дорогих и дефицитных деталей
5. Низкие требования к блоку питания
6. Не нужна схема защиты АС
7. Навесной монтаж – проще сборка, нет паразитных связей и меньше наводок
8. И многие другие – низкий уровень шума, отсутствие фазовых искажений, устой-
чивость к самовозбуждению, очень высокий КПД для класса А – до 50% и др."
Стало интересно. Я попробовал и вот что получилось. В схеме я использовал irfp150n, трансформатор от китайского ИБП с типовой мощность примерно 50вт. Больше деталей в этом усилителе нет! В качестве преда српп каскад на 6н6п который я описывал выше и использовал с ВК Агеева, ВК Чуфоли и ВК Макуры. Сразу скажу тех высот которые описал автор мне достичь не удалось. Во первых ВК "фантом" очень прожорлив сносные результаты показал ток покоя в два ампера. Против заявленых автором
"Ток каскада при этом, в зависимости от исполнения выходного трансформатора, обычно в пределах 0,6-1,2А."
Вполне возможно что мой транс не соответствует требованиям. Ниже представлены спектры "Фантома" при токе 1А и 2А для сравнения во втором окне спектр ВК Агеева с током покоя 600мА.
Ток покоя 1А Rн=8Ом P=6Вт КНИ= 0,54% в нижнем окне Агеев ток покоя 600мА.
1724917049172.jpeg



Ток покоя 2А Rн=8Ом P=6Вт КНИ= 0,29% в нижнем окне Агеев ток покоя 600мА.
1724917292543.jpeg


Спектр "Фантом" при токе 2А очень схож со спектром Агеева только вот фон 100Гц и его гармоники не понятно откуда тянутся, ну это не главное думаю если с ним повозится то это можно убрать.
Так как ВК "фантом" имеет на выходе транс стало интересно какая полоса. Полоса снималась в два приёма свип тоном от20Гц до 2кГц(красный график) и от 2кГц до 22кГц(оранжевый)
так что про трасформатор из китайского железа можно сказать что получился не плохо.
1724917923322.jpeg



Выходное сопротивление каскада получилось 2.65Ом
Теперь немного о звуке звучание приятное, отличие именно в басе, в отличии от Агеева звучит по другому в чем разница пока не понял так как нужно прослушивать одновременно. Ну такой возможности нет. Фон в 100Гц еле уловим только в случаи если поднести ухо к АС.
 

vitamir

1 ранг
Регистрация
2 Янв 2021
Сообщения
2,104
Реакции
1,288
Репутация
71
Возраст
63
Страна
Україна
Город
Київ
Имя
Віталій
Выходное сопротивление каскада получилось 2.65Ом
Теперь немного о звуке звучание приятное, отличие именно в басе, в отличии от Агеева звучит по другому в чем разница пока не понял так как нужно прослушивать одновременно. Ну такой возможности нет. Фон в 100Гц еле уловим только в случаи если поднести ухо к АС.
У цього схемотипу дві біди: трансформатор і високий вихідний опір.
Саме останній, на мою думку, спричинив помітну навіть на фізиологічне вухо різницю.
 
Последнее редактирование:

Rezvoy

1 ранг
Регистрация
19 Окт 2020
Сообщения
2,427
Реакции
794
Репутация
58
Возраст
68
Страна
Россия
Имя
Александр
Каскад с разделённой нагрузкой, со всеми вытекающими…
 

NEULO

1 ранг
Регистрация
14 Июл 2019
Сообщения
3,792
Реакции
1,939
Репутация
93
Возраст
52
Страна
Россия
Город
Одинцово
Предупреждений
4
А вот если вместо транзистора поставить лучевой тетрод. То будет лучше. Каскад с катодной обмоткой. Шо, отлично же. Ещё можно УЛ- отвод на верхней обмотке сделать. И гармоники просядут капитально.
 

Святослав_

1 ранг
Регистрация
10 Июн 2021
Сообщения
7,352
Реакции
3,803
Репутация
167
Страна
Україна
Город
Бердянськ
Предупреждений
1
Видно по спектру, що у "паралельника" йде компенсація нелінійності.
До речі, підсилювач по схемі без загального звортнього за'язку, а як з цим у "паралельника"?
 

NEULO

1 ранг
Регистрация
14 Июл 2019
Сообщения
3,792
Реакции
1,939
Репутация
93
Возраст
52
Страна
Россия
Город
Одинцово
Предупреждений
4
Видно по спектру, що у "паралельника" йде компенсація нелінійності.
До речі, підсилювач по схемі без загального звортнього за'язку, а як з цим у "паралельника"?
Там же выше замеры были. Получше конечно.
 

Ky3ne4ik

1 ранг
Регистрация
6 Янв 2020
Сообщения
1,470
Реакции
859
Репутация
55
Возраст
54
Страна
Россия
Город
Королёв
Имя
Станислав
Продолжая тему "Гибрид из усилителя Агеева и не только" хочу предложить к обсуждению очередное простое схемное решение. Фантомный усилитель Сергея Фалькова. Этот материал мне попался здесь, на этом форуме его несколько раз упоминали в разных темах но никто не обратил внимания. Я тоже често признаюсь вначале не придал значения этой схеме, но потом решил попробовать Так как в последнее время интерисуюсь простыми схемными решениями способными воспроизводить звук в хорошем качестве. Для тех кто хочет ознакомится со схемой ссылка на документ в виде pdf файла. https://ldsound.info/wp-content/uploads/2019/11/phantom-amplifier-ldsound.ru_.pdf
Схема ВК не просто простая, а простая до безобразия.

Посмотреть вложение 108738
При этом автор заявляет вот такие характерные для него черты:

Стало интересно. Я попробовал и вот что получилось. В схеме я использовал irfp150n, трансформатор от китайского ИБП с типовой мощность примерно 50вт. Больше деталей в этом усилителе нет! В качестве преда српп каскад на 6н6п который я описывал выше и использовал с ВК Агеева, ВК Чуфоли и ВК Макуры. Сразу скажу тех высот которые описал автор мне достичь не удалось. Во первых ВК "фантом" очень прожорлив сносные результаты показал ток покоя в два ампера. Против заявленых автором

Вполне возможно что мой транс не соответствует требованиям. Ниже представлены спектры "Фантома" при токе 1А и 2А для сравнения во втором окне спектр ВК Агеева с током покоя 600мА.
Ток покоя 1А Rн=8Ом P=6Вт КНИ= 0,54% в нижнем окне Агеев ток покоя 600мА.
Посмотреть вложение 108739


Ток покоя 2А Rн=8Ом P=6Вт КНИ= 0,29% в нижнем окне Агеев ток покоя 600мА.
Посмотреть вложение 108740

Спектр "Фантом" при токе 2А очень схож со спектром Агеева только вот фон 100Гц и его гармоники не понятно откуда тянутся, ну это не главное думаю если с ним повозится то это можно убрать.
Так как ВК "фантом" имеет на выходе транс стало интересно какая полоса. Полоса снималась в два приёма свип тоном от20Гц до 2кГц(красный график) и от 2кГц до 22кГц(оранжевый)
так что про трасформатор из китайского железа можно сказать что получился не плохо.
Посмотреть вложение 108742


Выходное сопротивление каскада получилось 2.65Ом
Теперь немного о звуке звучание приятное, отличие именно в басе, в отличии от Агеева звучит по другому в чем разница пока не понял так как нужно прослушивать одновременно. Ну такой возможности нет. Фон в 100Гц еле уловим только в случаи если поднести ухо к АС.
Насколько я понял, надо "угадать" с омностью первичных обмоток выходного транса. И только потом ток покоя подбирать.
Кроме того, в теории, я не согласен с автором, что ленточное железо выходного транса хуже Ш образного. По моему скромному опыту - для лампового выходного каскада - как раз таки наоборот. Тор-в идеале, всякие ОСМ - очень даже неплохо. Ш-образные-идут лесом на БП. Я сейчас про Кг говорю. И широкополосность.
Вожусь с классической "схемой". Однотактный усилитель Хьюстона класса А на 2SK1058 MOSFET.JPG У нее нагрузка - резистор -15 Ом. В схеме Фалькова из Самары, сопротивление обмоток ок. 2Х 0.45 Ом. Наверное есть разница режима работы транзистора?!

Каскад с разделённой нагрузкой, со всеми вытекающими…
Ммм-поясните, если не трудно.
 
Последнее редактирование:

Святослав_

1 ранг
Регистрация
10 Июн 2021
Сообщения
7,352
Реакции
3,803
Репутация
167
Страна
Україна
Город
Бердянськ
Предупреждений
1
По книжным источникам - искажения на витом железе, при прочих равных условиях, на малой мощности его использования, меньше, чем на Ш.
Но с ростом мощности на витом искажения растут быстрее, и обгоняют искажения на Ш железе.
Причина такого дела тоже указывается. Это быстрое насыщение внутренних витков ленты, они идут как раз вдоль большей плотности силовых линий. В то время как Ш железо размещено поперек линий.

В "классической схеме" хорошо бы разбить аттенюатор 100 кОм на постоянный резистор, и подстроечник в разы меньшего номинала, для более плавной, и точной установки смещения.
Резистор 1 МОм заменить на стокилоомный, а резиком 1 МОм зашунтировать электролит 33 мкФ, который заменить на пленку.
 
Последнее редактирование:

Rezvoy

1 ранг
Регистрация
19 Окт 2020
Сообщения
2,427
Реакции
794
Репутация
58
Возраст
68
Страна
Россия
Имя
Александр
Ммм-поясните, если не трудно.
В двух словах: одна половина общий катод, другая- общий анод. Кроме того для таких каскадов оптимальная нагрузка находится в весьма узких рамках, трансформаторе нужен соответствующий. Вариант- подать входной сигнал так, что бы оба плеча работали с общим катодом. Статья есть у Сергея Клеманского.
 
Регистрация
12 Ноя 2019
Сообщения
28,303
Реакции
13,620
Репутация
395
Насколько я понял, надо "угадать" с омностью первичных обмоток выходного транса. И только потом ток покоя подбирать.
Кроме того, в теории, я не согласен с автором, что ленточное железо выходного транса хуже Ш образного. По моему скромному опыту - для лампового выходного каскада - как раз таки наоборот. Тор-в идеале, всякие ОСМ - очень даже неплохо. Ш-образные-идут лесом на БП. Я сейчас про Кг говорю. И широкополосность.
Вожусь с классической "схемой". Посмотреть вложение 108771 У нее нагрузка - резистор -15 Ом. В схеме Фалькова из Самары, сопротивление обмоток ок. 2Х 0.45 Ом. Наверное есть разница режима работы транзистора?!
Две неприятности вас ожидают от этой схемы. Высокое выходное, которое складывается из резистора в 15 Ом в стоке и внутреннего сопротивления полевика без ООС, там по памяти 60 Ом. Вторая неприятность- высокая входная емкость плюс Миллер. И 47 ком на входе это запредельное значение . Там килоома много будет
 

scamp

1 ранг
Регистрация
28 Окт 2021
Сообщения
1,704
Реакции
1,342
Репутация
68
Страна
Россия
Город
Ростов-на-Дону
Имя
Александр
Две неприятности вас ожидают от этой схемы. Высокое выходное, которое складывается из резистора в 15 Ом в стоке и внутреннего сопротивления полевика без ООС, там по памяти 60 Ом. Вторая неприятность- высокая входная емкость плюс Миллер. И 47 ком на входе это запредельное значение . Там килоома много будет
Вся эта возня с полевыми транзисторами на выходе делается осознано. Некая имитация лампового SE. от того и болезни одни и те же.
 
Регистрация
12 Ноя 2019
Сообщения
28,303
Реакции
13,620
Репутация
395
Вся эта возня с полевыми транзисторами на выходе делается осознано. Некая имитация лампового SE. от того и болезни одни и те же.
А что в этой жизни не возня и дается сразу по максимуму?
Особенно учитывая разницу по затратам на лампозвук. Нынешним.
 
Последнее редактирование:
Регистрация
23 Май 2020
Сообщения
2,388
Реакции
1,049
Репутация
70
Предупреждений
1
Вся эта возня с полевыми транзисторами на выходе делается осознано. Некая имитация лампового SE. от того и болезни одни и те же.
Тута надо применять высоковольтные полевики и питать схемы с трансформаторами на них от 300 --450 Вольт. А то всё лампы, лампы -- лет сто назад полевой транзистор с паяльником отхватили бы (и крутизной не поперхнулись). Обратную связь пристроили -- и слушай себе на здоровье​
 
Последнее редактирование:
Регистрация
12 Ноя 2019
Сообщения
28,303
Реакции
13,620
Репутация
395
Тута надо применять высоковольтные полевики и питать схемы с трансформаторами на них от 300 --450 Вольт. А то всё лампы, лампы -- лет сто назад полевой транзистор бы с паяльником отхватили бы (и крутизной бы не поперхнулись). Обратную связь пристроили -- и слушай себе на здоровье​
Трансформатора не миновать. И его выбросы в пространство докажут полевику. что молод он ещё с лампой тягаться.
 
Регистрация
23 Май 2020
Сообщения
2,388
Реакции
1,049
Репутация
70
Предупреждений
1
Трансформатора не миновать. И его выбросы в пространство докажут полевику. что молод он ещё с лампой тягаться.
Так это ... я так и выразилси -- без транса не обойтись, но питать "хорошо" так надо. Полевики они и в инверторах работать любят и ничего в них не треснуло пока. Пущай они соберут, отслухають, возрадуютси, а потом свои лампы ... как раздолбят и стеклышки выкинут
Хватит накалять звуковую атмосферу в УНЧ своими прямо- и косо- накалами​
 
Регистрация
12 Ноя 2019
Сообщения
28,303
Реакции
13,620
Репутация
395
Так это ... я так и выразилси -- без транса не обойтись, но питать "хорошо" так надо. Полевики они и в инверторах работать любят и ничего в них не треснуло пока. Пущай они соберут, отслухають, возрадуютси, а потом свои лампы ... как раздолбят и стеклышки выкинут
Хватит накалять звуковую атмосферу в УНЧ своими прямо- и косо- накалами​
Как непротивник всяких разумных компромиссов, в данный момент пространства слушаю недавно сложившийся гибридничек на паре латералл-off 1058 и 162 с раскачкой 6с45п , идею навеяла одна свежепойманная схемка , там очень умно сделано смещение полевиков, удобно в плане регулировки нуля на выходе и тока покоя.
И скажу. что по красоте и прозрачности звука с этой штукой трудно будет тягаться даже лампе. Тут ватт 40 на 8 Ом запросто. И сам звук роскошен. Спектр я снимал весной, там тоже гут.
ПС. У кого-то по Агееву, у меня по АБееву. Как сказал Ринго, когда его спросили, кто он, мот или рокер, - "я мокер и над всеми издеваюсь."
 
Последнее редактирование:
Регистрация
12 Янв 2022
Сообщения
379
Реакции
160
Репутация
21
Страна
Россия
Город
Калининград
Имя
Георгий
Тут ватт 40 на 8 Ом запросто. И сам звук роскошен
То что надо! И детальки есть. Схемкой не поделитесь? По вашим схемам пару усей собрано и больше смакечено. Подкупают простотой и незаурядным звуком. Но иногда "поддать" хочется.
 

Ky3ne4ik

1 ранг
Регистрация
6 Янв 2020
Сообщения
1,470
Реакции
859
Репутация
55
Возраст
54
Страна
Россия
Город
Королёв
Имя
Станислав
Вся эта возня с полевыми транзисторами на выходе делается осознано. Некая имитация лампового SE. от того и болезни одни и те же.
Ещё тут постоянка в 1 А, что насыщает магнитопровод и повышает Кг. Я наигрался трансформаторами на лампах. В полевом однотакте есть возможность резистивную нагрузку использовать в плюс, а не в минус, по умолчанию.
 

Андрей63

3 ранг
Регистрация
2 Ноя 2023
Сообщения
256
Реакции
80
Репутация
11
Возраст
62
Страна
Россия
Город
Владимир
Имя
Андрей
Схемкой не поделитесь? По вашим схемам пару усей собрано и больше смакечено.
Я давно уже Александра просил поделиться схемотехникой по этому гибриду, чисто из любопытства, но он что-то не хочет этого делать ,наверно коммерческая тайна.
 
Регистрация
12 Ноя 2019
Сообщения
28,303
Реакции
13,620
Репутация
395
Я давно уже Александра просил поделиться схемотехникой по этому гибриду, чисто из любопытства, но он что-то не хочет этого делать ,наверно коммерческая тайна.
Ещё бы увидеть, где эта просьба ))))
И еще, как вы понимаете, схемочка должна настояться и отлежаться. Тогда да.
 
Последнее редактирование:

NEULO

1 ранг
Регистрация
14 Июл 2019
Сообщения
3,792
Реакции
1,939
Репутация
93
Возраст
52
Страна
Россия
Город
Одинцово
Предупреждений
4
лет через пять отлежится настоится и отправится в помойку. потому что новая схемочка зазвучит что ажно дух захватывает, аж яйцы сжимаются от такого охренного звука, но и она должна будет лет пять отлежаться до следующей с духом и яйцами.
корчое, оставь надежду всяк сюда входящий. паяй дракона, ему настаиваться не нужно.
 

Андрей63

3 ранг
Регистрация
2 Ноя 2023
Сообщения
256
Реакции
80
Репутация
11
Возраст
62
Страна
Россия
Город
Владимир
Имя
Андрей

Святослав_

1 ранг
Регистрация
10 Июн 2021
Сообщения
7,352
Реакции
3,803
Репутация
167
Страна
Україна
Город
Бердянськ
Предупреждений
1
От рабочего макета до схемы, которой можно поделиться, дистанция примерно в год, не меньше.
 

NEULO

1 ранг
Регистрация
14 Июл 2019
Сообщения
3,792
Реакции
1,939
Репутация
93
Возраст
52
Страна
Россия
Город
Одинцово
Предупреждений
4
От рабочего макета до схемы, которой можно поделиться, дистанция примерно в год, не меньше.
Очень зависит от лени и обстоятельств. Бывает и год, а бывает и месяц.
В данном случае- я всегда молчу что у меня есть некая схема с "чюдо- звуком" и говорю о ней когда выкладываю.
 
Последнее редактирование:

Сергей Z

1 ранг
Регистрация
14 Мар 2020
Сообщения
4,887
Реакции
1,088
Репутация
85
Страна
Россия
Хочу продолжить свою тему.
Всё лето слушал гибридник по схеме С. Васянина.
Играет здорово, лучше чем с моим бестрансформаторным предом. Но басы мне больше нравились с моим вариантом.
Вот таким:
IMG_20240913_163649.jpg
Сейчас работает полностью по схеме Сергея Васянина:
IMG_20240913_164146.jpg
Отличия такие:
IMG_20240913_164729.jpg
Обе схемки подсказаны самим автором. Это синхронный выпрямитель от трансформатора с одной обмоткой и стабилизатор на полевиках вместо стопки литиевых батареек в сетке 6С19П.
Работает хорошо, но для полного счастья нужен МКТ с большой индуктивностью первички. Сейчас у меня нет возможности намотать такой МКТ. Поэтому я хочу попробовать вернуться с первому варианту, но вместо СРПП драйвера на 6С31Б изготовил изготовил СРПП драйвер на 6С45П.
IMG_20240915_194755.jpg
Схемка стандартная, в сетке нижней лампы литиевая батарейка.

Драйвер на 6С45П изготовлен еще в июне, но включил его только сегодня. И то только на столе для попробовать.

Сначала посмотрел без МКТ просто через конденсатор на нагрузку 6,2 кОм.
Получилась полоса без завала от 10 Гц до 100 кГц. Выше я не смотрел, не интересно.
Прямоугольник выглядит так:
на 1 кГц
IMG_20240915_194959.jpg
на 10 кГц
IMG_20240915_195244.jpg
на 20 кГц
IMG_20240915_195339.jpg
В общем с разделительным конденсатором нормально.
Подключил МКТ 2:1, нагрузка 1,5 кОм, холодный конец на среднюю точку конденсаторов фильтра.
Получил полосу 10 Гц - мину 0.5 дБ - 80 кГц - минус 3 дБ.
Прямоугольник кривоват даже на 1 кГц, в SE на 2А3 здесь было идеально. Надо пробовать другой МКТ, он где-то есть. Пока получилось так:
IMG_20240915_194903.jpg
На килогерце прямоугольник обязан быть идеальным. Интересно почему так?
 

Андрей63

3 ранг
Регистрация
2 Ноя 2023
Сообщения
256
Реакции
80
Репутация
11
Возраст
62
Страна
Россия
Город
Владимир
Имя
Андрей
А может включить с одной лампой, классический трансформаторный драйвер ( если я правильно понял , у Вас сейчас каскод ), внутреннее уменьшиться, а значит и добротность на частоте резонанса трансформатора упадёт, сравните внутреннее 2А3 и 6с45п, а так же двух в каскоде 45. Ведь в родном драйвере Васянина ( я его про это спрашивал ) не просто стоят два триода , у каждого внутреннее одно из самых низких стеди пальчиковой серии, а каскод он применил для снижения искажений.
 

Rezvoy

1 ранг
Регистрация
19 Окт 2020
Сообщения
2,427
Реакции
794
Репутация
58
Возраст
68
Страна
Россия
Имя
Александр
Каскод для усиления
 
Регистрация
12 Ноя 2019
Сообщения
28,303
Реакции
13,620
Репутация
395
Я давно уже Александра просил поделиться схемотехникой по этому гибриду, чисто из любопытства, но он что-то не хочет этого делать ,наверно коммерческая тайна.
Только сейчас можно сказать, что схема сложилась , запела , недостатки убраны. Осталось выбрать из двух примененных лампочек одну . Мнения разошлись при прослушке.
А в целом удачно получилось, простая понятная схема без наворотов с приличным звуком.
 

Сергей Z

1 ранг
Регистрация
14 Мар 2020
Сообщения
4,887
Реакции
1,088
Репутация
85
Страна
Россия
А может включить с одной лампой, классический трансформаторный драйвер ( если я правильно понял , у Вас сейчас каскод ), внутреннее уменьшиться, а значит и добротность на частоте резонанса трансформатора упадёт, сравните внутреннее 2А3 и 6с45п, а так же двух в каскоде 45. Ведь в родном драйвере Васянина ( я его про это спрашивал ) не просто стоят два триода , у каждого внутреннее одно из самых низких стеди пальчиковой серии, а каскод он применил для снижения искажений.
Каскод на самом деле для усиления. И звучит он, именно этот, очень хорошо. Но внутреннее сопротивление у него около трёх килоом, поэтому требуется МКТ с большой индуктивностью. Сейчас мне такой не изготовить по разным причинам.
Вот и решил поиграться с СРПП на 6С45П. По нему и вопрос: почему такой волнистый прямоугольник на 1 кГц?
На днях хочу раскопать в кладовке другой МКТ и попробовать применить неэлектролитические конденсаторы. Посмотрим что получится.

Только сейчас можно сказать, что схема сложилась , запела , недостатки убраны. Осталось выбрать из двух примененных лампочек одну . Мнения разошлись при прослушке.
А в целом удачно получилось, простая понятная схема без наворотов с приличным звуком.
Интересно будет увидеть после доведения до ума.
 
Регистрация
12 Ноя 2019
Сообщения
28,303
Реакции
13,620
Репутация
395
Транс в паре с пентодом или каскодом живет своей жизнью, демпфирование паразитов слабое, отсюда звон на главном резонансе. Посчитай период звона. узнаешь частоту, а проще глянуть частоту выброса на ачх, крутанув на синусе тудым- сюдым, пик проявится.

Интересно будет увидеть после доведения до ума.
Тебя не устроит. Жрет мало, куриные 200мА на канал, народ смешить.
 

Статистика форума

Темы
3,071
Сообщения
234,805
Пользователи
2,375
Новый пользователь
Sergovlad
Сверху Снизу