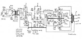
Идеальный :) Push-Pull на 10-15 Вт

  • Автор темы Автор темы Alex TV
  • Дата начала Дата начала
У меня нет укладчика. Мотаю просто на кочерге. Провод укладываю руками. При небходимости подвигаю витки пальцем. И ничего, нормально получается.
 
У меня для имп. трансформаторов также кочерга. Да и витков там, с гулькин нос. Но не хватает 3 руки направлять. Всё откладываю приделать моторчик от принтера с ножной педалькой.
моталка.jpg
Эл. тягу обязательно надо, сам себе говорю и ленюсь до очередного раза. Реально надо,не папуасы же.
Под словом укладчик я = моталка.
 
Последнее редактирование:
А я и не собираюсь делать привод. Мотаю редко.
Зачем Вам третья рука не понимаю.
 
Самому даже диод делать это палата №6. Но делали в 20годы прошл. столетия и нас родили - радиолюбителей.
Йоу! Мне лет 6-7-8 было, отец показал, как точечный диодик для детекторного приймача из всяких порошков сплавить. Вариометром на волну настраивал. Ух!...
 
 

Вложения

  • CS100_amp_w.jpg
    CS100_amp_w.jpg
    60.5 KB · Просмотры: 289
  • CS100_amp_ps_w1.jpg
    CS100_amp_ps_w1.jpg
    48 KB · Просмотры: 271
У меня нет укладчика. Мотаю просто на кочерге. Провод укладываю руками. При небходимости подвигаю витки пальцем. И ничего, нормально получается.
Аналогично. Нет укладчика для тора-ТВЗ, чтобы виток к витку. Руки - укладыают.
 

Вложения

  • IMG_0118.JPG
    IMG_0118.JPG
    173.8 KB · Просмотры: 161
  • IMG_0063.JPG
    IMG_0063.JPG
    411.2 KB · Просмотры: 162
Торы мотаются легче катушек, пальцы сами укладывают, как с вязанием.
 

Вложения

  • 14316889454321.jpg
    14316889454321.jpg
    270.7 KB · Просмотры: 195
  • 14436804168641.jpg
    14436804168641.jpg
    429.9 KB · Просмотры: 188
  • IMAG0257.jpg
    IMAG0257.jpg
    444.8 KB · Просмотры: 170
Добрая схема без выпендрё.
 
Торы мотаются легче катушек, пальцы сами укладывают, как с вязанием.
Вы мне первичку д=0,2-0.3мм покажите,что бы виточки один к одному, витков под тысячу. А так мы все умеем. ;)
Намотка1.jpg
 
Будь ласка - анодная первичка, 4600 витков, 0,315 мм. Выглядывающая белая межслойка - 0,02 мм. Ф-4.
Один из тех, что в 399 сообщении, в процессе.
Тор _UL_ТВЗ_.JPG

Только при преодолении предела текучести. При ручной намотке превысить его непросто.
При термообработке намотанного тора часть механических напряжений снимается, если не все.
Помогает межобмоточная и "нажелезная" стеклолакоткань ЛСК-180, на кремнийорганике. Не горит, и термопластична при умеренных температурах.
 
Последнее редактирование модератором:
IMG_20211021_151613.jpg
Коль уж про трансформаторы - вот такой для чего? Сеть на 1-2. Остальные напряжения относительно 1 вывода. Отдельная обмотка 22в.
 
Ну так и интересно! Для чего такой транс? Т.Е. как повышающий - по одному проводу идет чистая сеть. Подумал - есть у меня 220-220, перед ним, но как-то по дурацкому выйдет
 
Саша, у него все УМ добрые, и с умом.
ПС: на ёмкости разделительные, в катоде не обращаю внимания...
 

Вложения

И про УЛ
 

Вложения

Саша, у него все УМ добрые, и с умом.
ПС: на ёмкости разделительные, в катоде не обращаю внимания...
в схемке на 6н24-4п1л катодный резистор 4п1л не шунтирован емкостью, вместо неё заведен ультрапат наверх и как бы достаточно....Странно.
 
Последнее редактирование:
Саша, точно также, много лет. И стоят Димы Симонова ТВЗ, от Маяка, Снежети Ш19*33, К=27,5. 30мкф*450в К78-17 на +пит включен "ULTRAPATH"-конденсатором. И первая 2ж27л. Схема старая, а новую не нарисовал, только вн. вид...
 

Вложения

  • IMG_1218.jpg
    IMG_1218.jpg
    606.3 KB · Просмотры: 309
  • readmsg-4.jpg
    readmsg-4.jpg
    105.4 KB · Просмотры: 295
Саша, точно также, много лет. И стоят Димы Симонова ТВЗ, от Маяка, Снежети Ш19*33, К=27,5. 30мкф*450в К78-17 на +пит включен "ULTRAPATH"-конденсатором. И первая 2ж27л. Схема старая, а новую не нарисовал, только вн. вид...
Юра, видимо, в таком включении лампа не шунтирует собой катодный резистор, вследствие чего емкость ультрапата требуется на порядок меньше обычной? Что скажешь?
Хотя, выявить истину несложно, глянуть на меандр герц 100 в двух вариантах , в обычном и в этом.
 
Где-то здесь в обсуждении однотакников на 2А3 были рекомендации по Ультрапас.
У меня стоят кондеры и вверх, и вниз.
 
Лет 5-7 взад смотрел, разницы никакой, потому так и оставил. И показалось, на басАх чуть лучше, на ТВЗ Димы Симонова.
Вверх-вниз - муйня, ИМХО
 
Кому муйня, кому - сметана.

Много лет применяю конденсаторы Ультрапас. Правда ставил электролиты РОЕ или бумагу. Ещё со времён Гу80. Нравится.
Сейчас стоят полипропиленовые.
 
Сергей, я пробовал Ультрапас вниз, вверх и вниз-вверх, третий вариант для меня, это нонсенс...
 
Нашел промежуточный вариант
 

Вложения

  • IMG_1303.JPG
    IMG_1303.JPG
    70.2 KB · Просмотры: 307
Сергей, я пробовал Ультрапас вниз, вверх и вниз-вверх, третий вариант для меня, это нонсенс...
Третий вариант как раз в оригинале.
Проверить различие между вариантами как бы несложно. Как бы. Вопрос-кто этим займется первый. :)
А кому это надо проверять?
У меня ультрапас вошёл в привычку. Ставлю не задумываясь, вреда нет, а польза... Хрен его знает, скорее есть маленько так совсем.
 
А кто-нибудь пробовал в качестве входного трансформатора-фазоинвертора обычный трансформатор-аттенюатор?
Не работает, сильный перекос по ВЧ. Нужна средняя точка и регулировка в обеих плечах.

А что, входной фазоинверсный транс лишен пороков межкаскадного?
Вон, Валера Волков не один год возится с таким, и только-только что-то начало получаться.
Их намного меньше если правильно к этому подойти. И паразитные емкости и рассеяние намного меньше.

в схемке на 6н24-4п1л катодный резистор 4п1л не шунтирован емкостью, вместо неё заведен ультрапат наверх и как бы достаточно....Странно.
Конечно достаточно, переменка замкнётся через конденсатор фильтра.
 
Их намного меньше если правильно к этому подойти. И паразитные емкости и рассеяние намного меньше.
Что скажешь про идею суммировать на резисторах выходы обеих плеч такого трансика, подав меандр или снимая ачх, добиваясь нулевого сухого остатка на выходе?
 
Добрый день. Так как тема уже скандальная, подкину на вентилятор... В пентодном драйвере, уже не помню каком, верхний ультрапат в виде ОСОМБГ 10 мФ, (вроде, такой) вызавло такое изменение скорости подачи материала, что даже безухие удивлялись... Т. е. казалось, что музыкальное событие текло медленнее или быстрее, я уже не помню...
 

Статистика форума

Темы
3,301
Сообщения
262,706
Пользователи
2,544
Новый пользователь
vlad'mir
Назад
Сверху Снизу