JLH - усилитель Джона Линсли-Худа (John Linsley-Hood)

  • Автор темы Автор темы LDS
  • Дата начала Дата начала

Оцените схему по 5-ти баллам

  • 1

  • 2

  • 3

  • 4

  • 5


Результаты будут видны только после голосования.
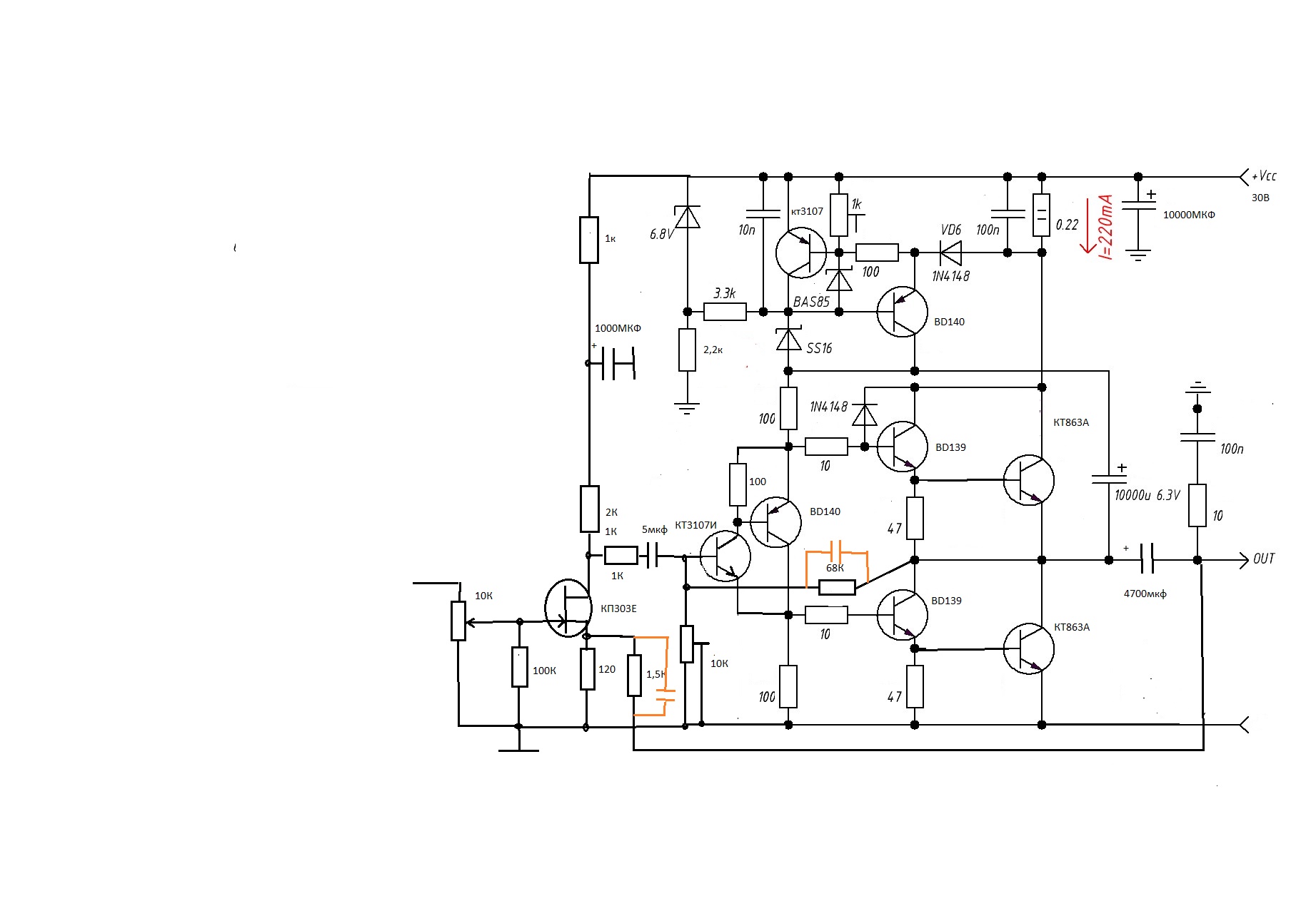
В дифкаскад поставлен не совсем обычный источник тока
- резистор г707 180 кОм
что вынудило добавить Q707
Его применили, чтобы не нагружать токовое зеркало Видлара на Т706. То есть, там тоже сектанты, и логика набора петлевого/линейности диктует одни и те же методы в любой стране мира и на любой планете Вселенной.

Надеюсь, там слухачи тоже жидко обхезаются и в горле у них перья поростут.
 
вот еще простой А класс на замену Худу
и более сложный экономичный А
 

Вложения

  • замена худа 8фин.png
    замена худа 8фин.png
    30.4 KB · Просмотры: 162
  • ЭКОНОМИЧНЫЙ А.jpg
    ЭКОНОМИЧНЫЙ А.jpg
    189.6 KB · Просмотры: 142
Последнее редактирование:
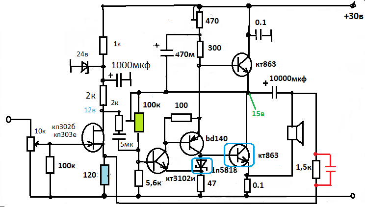
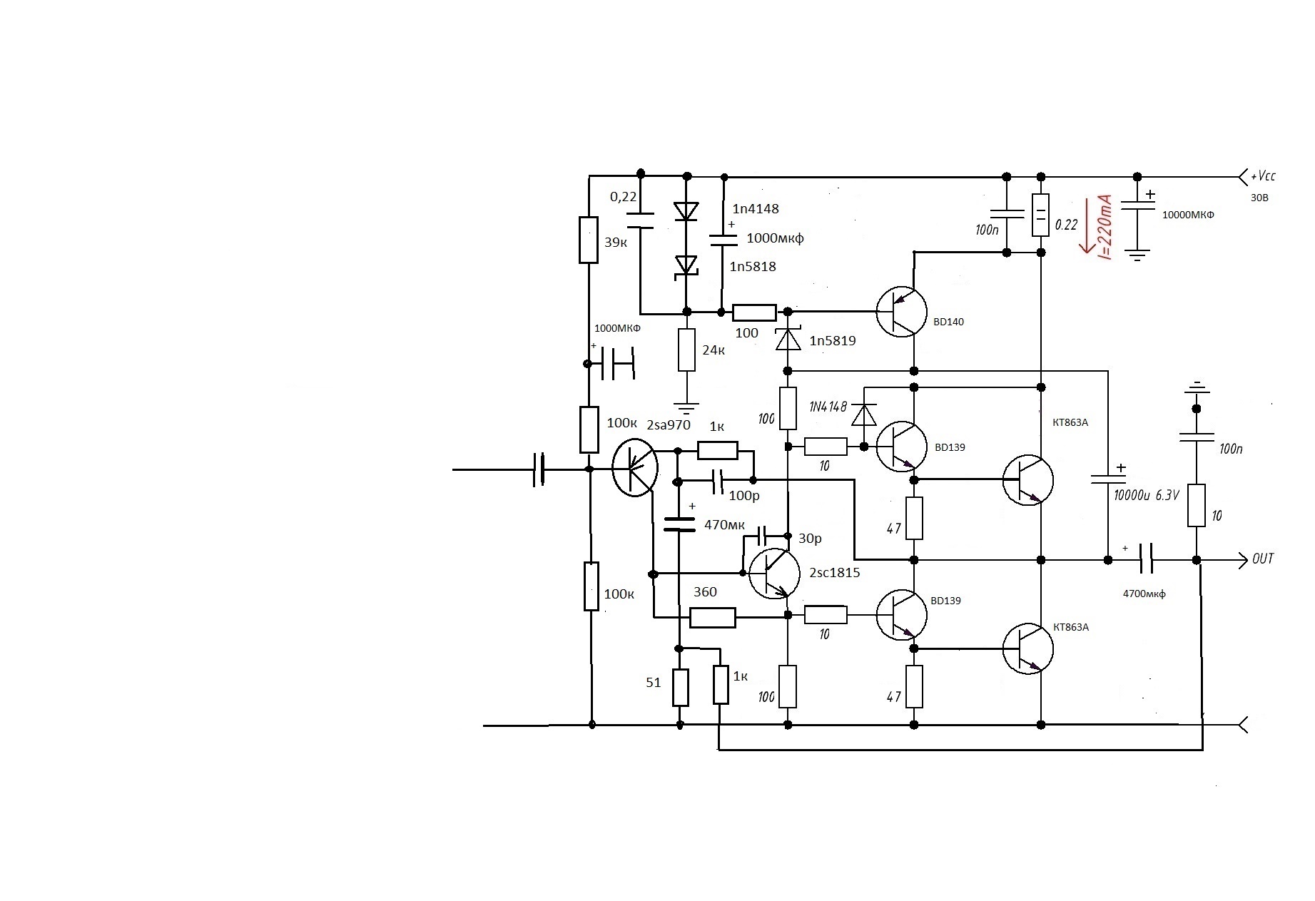
А кто делал или , что скажет по другому усилителю Худа. 1975 года
Делал его на советских транзисторах в конце 80ых, понравился. В брошюре Атаева и Болотникова МРБ 1109 описан их вариант.
 

Вложения

  • 8026a8a3e11f5f2714ae59b5ab170e75.jpeg
    8026a8a3e11f5f2714ae59b5ab170e75.jpeg
    53.7 KB · Просмотры: 105
что скажет по другому усилителю Худа. 1975 года
Классика. Дифкаскад+УН+квазикомплементарный выхлоп с диодом Баксандала и защитой по току. Двухполярное, АВшник.
Повторитель на Q2. Коррекция.
 
Последнее редактирование:
Классика. Дифкаскад+УН+квазикомплементарный выхлоп с диодом Баксандала и защитой по току. Двухполярное, АВшник.
Повторитель на Q2.
Да, но как сделан. В 75 году. Звук обалденный. Ну ужто никто не повторял такой шедевр. Он получше шушурина будет.
 
Да, но как сделан. В 75 году. Звук обалденный. Ну ужто никто не повторял такой шедевр. Он получше шушурина будет.
А что у нас было в 1975 году из транзисторов, ась? А из колонок? А из источников?
 
BDY56 в те годы трудно чем заменить, разве что 2Т809 Не говоря про мотороловские MPSU. ВС 212 60-вольтовые, питание 96в. Мдя.
 
Грамотная конструкция (с собственными изюминками) пятидесятилетней давности...
Аналоги транзисторов (лучше) можно купить за вменяемые деньги.
Наизусть не помню, но обычно он делал на 15 (8) ом. На 4 ома понадобится тройка (как у Батя с Середой).
Сейчас и комплементарная пара не проблема.
 
Последнее редактирование:
Причём тут 75 год, это год когда его изобрели, а делать могли и до 2025 года, шушурина ведь делают.

BDY56 в те годы трудно чем заменить, разве что 2Т809 Не говоря про мотороловские MPSU. ВС 212 60-вольтовые, питание 96в. Мдя.
посмотри брошюрку МРБ 1109
 
С таким франкенштейном на выходе.У Шушурина он хотя бы повторителем отделён.
тут тоже можно повторителем отделить и лучше комплементар 2sc5198\2sa1941 на выход
 
Кто мешает комплементарку поставить, ты всегда строго по схеме делаешь?
Хороший вопрос. Только схема УН кривая , по скорости нарастания и спада импульса. Интереснее всех работала вот эта штука, там все достойно на экране , что полоса, что симметрия, что форма сигналов.
Вот такие схемы симпатичны, а не завороты мозгов .
 

Вложения

  • p231-f1.gif
    p231-f1.gif
    50.6 KB · Просмотры: 102
Последнее редактирование:
вот так
 

Вложения

  • 8026a8a3e11f5f2714ae59b5ab170e75мод.jpg
    8026a8a3e11f5f2714ae59b5ab170e75мод.jpg
    132.1 KB · Просмотры: 53
Последнее редактирование:
Только схема УН кривая , по скорости нарастания и спада импульса. Интереснее всех работала вот эта штука, там все достойно на экране , что полоса, что симметрия, что форма сигналов.
Вот такие схемы симпатичны, а не завороты мозгов .
ВСЕ Лины - Кривойды, по умолчанию. ВСЕ. Убери ООС (ТОС) и видно, что подача на сумматор (ВК) ужасна.
Вот эту "ошибку" и исправляет ОС, вычитая из сигнала. Чем больше её петля, Ку меньше, тем больше она вычитает.

Параллельный подачу делает симметричную, ошибок НЕТ (как разность в плечах, по постоянному току), по дефолту, останется только пары комплементарные подобрать.
 
Худ, интересен, как однотакт,
ИТ противоположного плеча - два резистора и конденсатор (не электролит).
Т.к. петлевое усиление ни какое, Кг меньше 0,17% сделать не получается (всегда только на 20К).
Однотакт, по мне, как идеал, уже есть давно - Квод.
Тот же Квод на 2т818/2т819 играл на щиты 10гдш, шум убрали и мост настроили кто пп продал. Твикнутый Прибой под стол отправился, ноги греть, а Ы90 как продолжение стола, для кастрюль и сковородок.

После Квода не интересно играли и ВВ, и Зуевик, ещё какие то из Радиво... Сухо, хоть и информативно.
Да, источник не Арктур 006, твикнутый по мотивам Радио (рокот, УВ по Сухову), а катушечники разные, с мастер лентой.
 
Последнее редактирование:

Вложения

  • ЭКОНОМИЧНЫЙ худ лайт.jpg
    ЭКОНОМИЧНЫЙ худ лайт.jpg
    179.3 KB · Просмотры: 75
ВК не самое слабое звено, там петлевое - ни какое
симульни схему из предыдущего поста ,будет тебе петлевое,можно и больше на 20кгц если Миллера сделать из двух кондеров 50р+100р и между ними 1,6к на землю(двухпетлевая корр)
ток покоя всего 300....500ма
во второй каскад бэту более 500
 
Последнее редактирование:
вот
 

Вложения

  • ЭКОНОМИЧНЫЙ худ лайт двухпол.jpg
    ЭКОНОМИЧНЫЙ худ лайт двухпол.jpg
    175 KB · Просмотры: 72
Кто мешает комплементарку поставить, ты всегда строго по схеме делаешь?
Ответный вопрос. Чем задаемся в выборе глубины ООС? Какой параметр главный? Полоса, выхсопр, искажения, устойчивость, звучание? Кто тянет одеяло на себя? Или дай все , сразу и много?
 

Статистика форума

Темы
3,306
Сообщения
263,474
Пользователи
2,548
Новый пользователь
Александр Н.
Назад
Сверху Снизу