Короткий тракт с общей ООС, на базе мощного ВКТ (тройка Локанти)

  • Автор темы Автор темы STTL
  • Дата начала Дата начала
Параллельный повторитель придумали американцы для использования на одном кристалле, т.е. внутри микросхем. Об это можно почитать у Вальтера Джанга. Позже, не без его содействия, схема перекочевала в усилители на россыпи. Но с ним нюансов много. Бухгалтеру и пионэру стоит воздержаться от его повторения на россыпи, особенно на выходе усилителя мощности.
 
параллельник еще до эры интеральных схем придуман
 
Можно поднять американские патенты за конец 60-х, начало 70-х. Я точнее не вспомню. Полистайте Джанга, он один из разработчиков микросхем, где эта схема впервые возникла в кремнии
 
Мне второй Гумеля по душе,но с небольшой доработкой.Иначе можно просквозиться
Это который по схеме?...
параллельник еще до эры интеральных схем придуман
Паралельник оч. логичен, кмк, поэтому его нельзя было не придумать, еще тогда.
 
Да уж, у каждого есть свой любимый схемотип, и ничего с этим поделать нельзя )
Вот у меня линейник по топологии Шмидта, у вас параллельник Агеева,
у М. Васильева - его собственные схемы, и т.д
И вроде умом понимаю что и другие схемотипы могут звучать не хуже, (а лучше мне и не надо, потому что вроде и так все хорошо), но все равно цепляешься за любимую схему.
2. Был такой момент, у меня уже был аппарат с усилками ТШМ (топология Шмидта - мост), и как то был концерт во дворце спорта в поддержку чего-то кого-то там, привезли крутой-крутой аппарат, много квт, массивы под потолком, крутые усилители BSS по 700 Вт на канал, крутой пульт, всяки- разны обработки,включили, играет, поют, бренчат, стучат по барабанам, и я такой слушаю и думаю , а у меня ведь звук -то не хуже по качеству, может не так давит, но все остальное - такое же, фактура звука та же, натуральность звучания, после этого стал еще сильнее ценить свои ТШМ.
Агеевский выходной каскад применял в разных устройствах, главное не попутать выводы транзисторов и все сложится. Крайне удачная во многом схема.
И КЗ не боится. А на современных парах от Тошиба типа А1943-С5200 / А1941-С5198 либо BD911-BD912 получается вообще сказка.
Сейчас убрал возбуд , подобрал вольтдобавку, не поверил увиденному. 18 вольт эфф на 7 омах.
 
Последнее редактирование:
Вот интересно узнать, кто эту схему и когда изобрел.
Раскопки дали следующий результат: схема запатентована в 1967 году профессором Ричардом Бейкером. Не в совсем привьічном виде и под другим названием, но то дело наживное. В привьічном виде впервьіе применена в вьіходном каскаде однокристального операционного усилителя HA-2600 в 1971 г. Примерно тогда же и появилось название diamond buffer. И пошло, и поехало.
 
Последнее редактирование:
Чем ад825 для умзч не подходит? Или ора132?
 
Чем ад825 для умзч не подходит? Или ора132?
вы так странно задаете вопросы, что не знаю как корректно и ответить.
Для звука пойдет любой ОУ, делают даже на 561ЛН2, другое дело, насколько они оптимальны для звука.
Ведь каждый каскад должен быть оптимизирован по току покоя и согласованию со следующим, а во многих корпусных ОУ нет Именно оптимизации, но это не значит что они не будут работать.
По идее, в звуковом ОУ, должны быть выводы для установки токов покоя - покаскадно, а так же U смещения.
Но для этих целей куда проще и быстрей собрать нужный по параметрам " ОУ" на рассыпухе, чем бегать искать корпусной заводской.
 
Так в том то и фишка, что многие канструхторы этого не понимают, и пытаются приспособить НЕ звуковой ОУ, под звук, и самое интересное, иногда неплохо получается...но только иногда, и... методом перебора.
Поэтому, если и собирать хороший звуковой ОУ, то на рассыпухе или смд.
ОУ укладываются в концепцию дешево набрать громадный коэффициент усиления, невзирая на детали, и их исходную линейность, а потом задавить его сверхглубокой ОООС. Чтобы стационарные или симуляторные гармоники ушли ниже шума. Ну и объявить публично о очередном достижении на этом пути.
На вид схема упрощается, так как десятки транзисторов, или несколько оперов сидят в одном корпусе микрухи, и представлены как одна деталь.
 
Спорно по некоторым пунктам, но в целом верно.
Но при фабричном производстве Вы знаете другой путь достигнуть гарантированных результатов без огромных трудозатрат, при выпуске изделия с гарантированными параметрами?
В мелкосерийном вполне можно обойтись без всего этого.
А наш брат сидит не выше этого уровня производства.
Обмеряем пару сотен деталей, узнаем всю их подноготную а потом дело техники, дело сборки.
Его просто не может быть, это закон поточного производства. В конце цепочки производства, себестоимость изделия получается минимальной. Хотя первоначальные капитальные вложения огромны.
Фактор времени. Для хендмейдера первоначальные огромные вложения выкупаются отрезанием крох времени и ресурсов по ходу повседневной жизни.
 
Последнее редактирование:
Это неправильный подход, хотя на сегодня, кажущийся единственно верным.
И правильный и верный, но на сегодня.
Вчера я для гарантированного Кусиления ставил в ООС ОУ подстроечное сопротивление. Сегодня в продаже 1% дешевые сопротивления есть, подстроечник уже лишний. А главное, не занимаюсь совершенно не нужной и нудной подстройкой.
Появятся абсолютно линейные усилительные элементы, появятся совершенно новые решения.
Переход количества в качество - фундаментальный закон философии.
Но завтра будет завтра. Тогда и будем обсуждать, а не ля-ля.
 
И правильный и верный, но на сегодня.
Вчера я для гарантированного Кусиления ставил в ООС ОУ подстроечное сопротивление. Сегодня в продаже 1% дешевые сопротивления есть, подстроечник уже лишний. А главное, не занимаюсь совершенно не нужной и нудной подстройкой.
Появятся абсолютно линейные усилительные элементы, появятся совершенно новые решения.
Переход количества в качество - фундаментальный закон философии.
Но завтра будет завтра. Тогда и будем обсуждать, а не ля-ля.
0. С точки зрения метафизики - неправильный даже сегодня, с точки зрения человеков - правильный. Все относительно.
1. Подстроечник никогда лишним не бывает. Вы видели профессиональные платы аналогового телевизионного оборудования ? те же Бетакамы ?..там сотни подстроечников, и никуда от этого не деться, просто они - качественные.
Например в моем линейнике ТШМ, без подстроечников тоже не обойтись, потому что там нужно подстраивать одновременно два или три. Ну и ладно, я этим не парюсь.
2. Обсуждать ?....а если лично для любого из нас... ,завтра не настанет?...жить надо сегодня, и думать НА сегодня, тогда будет и Завтра. А те кто все время Сегодняшнее, переносит на Завтра, оно никогда не наступит...будет просто День Сурка...
а что зря трепаться ? ОУ плохи , лампы говно , транзюки дребедень и сплошной фальсификат. Надоело это слушать. Без привязок к схемам ,графикам и веселым картинкам
По-своему вы правы, но если хотите чтобы люди с вами сотрудничали, хоть иногда играйте по их правилам, и говорите на их языке. Но вы пока хотите чтобы играли только по вашим правилам.
Это не возбраняется, но и не особо то и поощряется, судя по реалиям.
А нафига нам схемы и графики если есть "весёлый" STTL )))
У каждого - свои интересы, и если интересы других вас раздражают или неинтересны, то на кого или на что здесь пенять?....
Найдите интерес, сделать так, чтобы то, что интересно вам, стало интересно и другим ( если оно конечно вам нужно ) :)

Просто для разнообразия.
Модуль унбаланс-баланс с низкоомным выходом.
Можно использовать и для мостовой схемы УНЧ.
Таких я делал десятками, для своих экспериментов с гитарными эффектами.
IMG_20230314_181803.jpg
IMG_20230314_181927.jpg
 
А вы думаете конструкторы ОУ оригинальны и уникальны?... я в этом сильно сомневаюсь
А ни кто и не сомневается, что вы сомневаетесь........с такими платами "юный техник". В 1970г. делали или раньше?
 
Обострение прогрессирует. Не зря специалисты рекомендуют не потакать «одержимым»…
Для комплекта осталось дождаться мнения Алексей 1, и тогда враг всего светлого и прогрессивного, будет разгромлен и повержен - навсегда.
Я думаю, за Алексеем не заржавеет.
Ну собственно наверное - все, баланс восстановлен, можно идти мыть руки и обедать.
Я был на трех, вроде как серьезных тех. форумах.
Про рцл особо сказать нечего, они придумали себе красивую историю-сказку про свою исключительность и прогрессивность, и варятся в ней справно и с удовольствием.
С ними все ясно, и это надолго.
Вега.... там встречается довольно интересный контингент, но "неинтересная модерация", бездумная и некомпетентная.
Я ушел оттуда именно из- за модерации.
Здесь, ровным счетом наоборот - хорошая модерация, но уровень тех. компетенции и интеллекта контингента вызывает примерно те же эмоции, что и модерация на Веге.
Есть конечно хорошие исключения в лице АБ, Святослава, Импровизатора... хм, пока больше никто в голову не приходит, но наверное еще есть пара человек, мыслящих ширше чем другие, и креативно анализирующих, сори что вас не назвал,но вы есть.
2. Вообщем -то я и хотел закрыть тему показом моего конструктива и сбором мнений о нем, потому что все остальное, я рассказал и нарисовал.
И если вы считаете такой конструктив " ни о чем" "тихий ужас" и " юный техник",то это ваше мнение и понимание, перевешивает всё вместе взятое, сказанное вами раньше о моих идеях и схемных решениях, ибо это уже реальность,и я всегда смотрел на уровень мастерства и качества мышления, именно с позиции конструктива.
Это первичная точка отсчета.
Вообщем, все со всеми нами, ясно и понятно, песня не случилась, но мы еще живы, значит есть надежда.
Ничего по своей теме я больше говорить не буду, ибо нечего,...скажите какую-нибудь гадость на дорожку, что- бы даже открывать форум не хотелось.
Модератору Дмитрию, отдельное спасибо, за хорошую модерацию моей темы, и пожелания интересных, неординарных, прогрессивных творческих людей на форуме.
 
конструктив конца 60 годов . что им восхищаться? 23 год 21 века на дворе .
 
вы так странно задаете вопросы, что не знаю как корректно и ответить.
Для звука пойдет любой ОУ, делают даже на 561ЛН2, другое дело, насколько они оптимальны для звука.
Ведь каждый каскад должен быть оптимизирован по току покоя и согласованию со следующим, а во многих корпусных ОУ нет Именно оптимизации, но это не значит что они не будут работать.
По идее, в звуковом ОУ, должны быть выводы для установки токов покоя - покаскадно, а так же U смещения.
Но для этих целей куда проще и быстрей собрать нужный по параметрам " ОУ" на рассыпухе, чем бегать искать корпусной заводской.
Недавняя возня с драйвером для мощника убедила. что самому на рассыпухе можно сделать что-то типа Ланзара, а шаг в сторону -и упираешься в косорылое устройство с асимметрией фронтов либо по скорости либо смещением либо частоткой либо высоченным выходным. Поэтому выбрал опера, на который тоже случайно вышел. Остальные обвалялись
 
Не в тему...но спрошу здесь: такое никто не делал/слушал? Пишут, что какая-то версия венгерского усилителя мощности B5.
 

Вложения

  • schematic.jpg
    schematic.jpg
    150.5 KB · Просмотры: 219
Не в тему...но спрошу здесь: такое никто не делал/слушал? Пишут, что какая-то версия венгерского усилителя мощности B5.
Простая, понятная и повторяемая схема. Этакий усеченный Ланзар.
Драйвер вскоре смакечу и гляну .
 
Малосигнальная часть усилитель Паздникова. из брошуры ВРЛ Паздников
 
Последнее редактирование:
Вундерфуль! В закладки ее.

Всмотревшись, увидел, что ООС не с выхода, а с драйвера, выходная пара Шиклаёв работает без ООС, что там с выходным будет- неясно. Но в целом впечатление от схемы бодрящее.

Малосигнальная часть усилитель Паздникова. из брошуры ВРЛ Паздников
Ага, понятно. откуль ноги.
Подобных схем раскачки скидал пол-тетрадки, когда пытался сделать симметричную схему АБ1 на латерале. До финала не хватило ерунды, застабить питание входного каскада, пульсации по питанию привели к чудовищным помехам. Забросил идею.
 
Вундерфуль! В закладки ее.

Всмотревшись, увидел, что ООС не с выхода, а с драйвера, выходная пара Шиклаёв работает без ООС, что там с выходным будет- неясно. Но в целом впечатление от схемы бодрящее.
Свежее дьіхание диффузоров, завораживающий хор коммутационньіх искажений и приятньіе четньіе гармоники. Типичньій звук 70-х.
Если єто сегодня способно взбодрить, ладно. smile_11
Вьіходное сопротивление там будет чуть вьіше сопротивления резистора в ємиттере вьіходника.
ООС только по постоянному току, и та неглубокая.
Я бьі не терял времени.
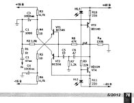
Даже вот так, с тройкой по Локанти на вьіходе под общей ООС, интереснее будет
11_2 (1).JPG

Малосигнальная часть усилитель Паздникова. из брошуры ВРЛ Паздников
Если Вьі имели в виду єто, Вам снова померещилось. Найдите одно существенное отличие ;)
post-39585-1259782441.jpg
 
Последнее редактирование модератором:
Выходной каскад хер бы с ним и его Шиклаями. Заменим на что-нить получше.
Общую ООС заведем куда следует. Пару латералов на выход и 4 транзистора впереди. И вся схема.
 
В преде их нет. В двухтактном вьіходе в режиме АВ они есть всегда, вопрос лишь в их количестве. Минимум переключательньіх искажений живет у тройки по Локанти, оптимизированной по току покоя по заветам стариньі Оливера. Двухтакт в АВ автоматически переводится в А при токе в нагрузку, меньшем двух токов покоя. То банально.
А от "дьіхания диффузоров" спасает только вьісокое петлевое.
 
В преде их нет. В двухтактном вьіходе в режиме АВ они есть всегда, вопрос лишь в их количестве. Минимум переключательньіх искажений живет у тройки по Локанти, оптимизированной по току покоя по заветам стариньі Оливера. Двухтакт в АВ автоматически переводится в А при токе в нагрузку, меньшем двух токов покоя. То банально.
А от "дьіхания диффузоров" спасает только вьісокое петлевое.
Если все так, то чем эта схема В5 хуже прочих. Накрути ток покоя и спи спокойно.
А от дыхания диффузоров спасает единичное усиление по постоянке
И вообще. Спорить о схеме без паяльника , тестера и осциллографа - очередная ахинея.
 
Последнее редактирование:
Такая структура ОЭ_ОЭ ,да и их вариации сильно уступают каскодам ОК_ОБ_ОБ. Апофеоз усь Леонида Зуева.
 
Там на вьіходе квазикомплиментар, он генерирует кучу переключательньіх искажений и четньіх гармоник. Никакое накручивание от него не спасает.
Кроме того, В5 безоооосник, там все на честном слове
 
Там на вьіходе квазикомплиментар, он генерирует кучу переключательньіх искажений и четньіх гармоник. Никакое накручивание от него не спасает.
Кроме того, В5 безоооосник, там все на честном слове
А кто сказал, что я буду тупо повторять В5, с его явными косяками. Смотрю уже вперед, взяв лучшее .
 
В5 или тупо повторять, или ну его. По сегодняшним представлениям схемотехников об усилителях для звука, єто сплошной явньій косяк.
 
Последнее редактирование:

Статистика форума

Темы
3,297
Сообщения
262,356
Пользователи
2,545
Новый пользователь
vlad'mir
Назад
Сверху Снизу