Короткий тракт с общей ООС, на базе мощного ВКТ (тройка Локанти)

  • Автор темы Автор темы STTL
  • Дата начала Дата начала
Жаждал увидеть "нЕчто", это я про однокаскадный УН, на автор мягкого говоря не удивил))
Посмотрите статью РадиоХобби, №5-6 2014, стр.38, С.Рубальский «Транзисторная альтернатива ламповому однотакту»
Вот такой у него УН
attachment.php

Большая тема на Веге с обсуждением этого усилителя
 
For me, you need to look at which un gives which spectrum. Of the simple ones, I like Melodiya's circuitry. Slightly changed. The only zero does not hold very well, but almost everyone suffers from this.
The original thermal stabilization circuit is highlighted in red. The sensor itself is two-wire, which means excellent noise immunity when twisting wires from it to the board.
I think that you are in search for specific THD spectrum from power amplifiers and not for some 0.00000001% ultra low THD amp. , usually that `Single-End` THD spectrum consists from leading dominant second harmonic followed by lower level third harmonic , fourth, fifth and other higher harmonics need to be significantly suppressed up to -100dB or even more ,
amplifiers with opposite THD spectrum where leading dominant harmonic is third harmonic , followed by low level second harmonic is characteristic for quality Push-Pull amplifiers , here higher harmonics need to be significantly suppressed to , in both case those harmonics rise and fall in Monotonic way depending from input signal level ,
that sort of amplifiers is called or named `Euphonic amplifiers` , but not so much Hi-Fi , surprisingly usually those amps sound very good to human ears ,specially at long listening sessions , they do not burden human ears very much ,
here`s one example of such small simple `Euphonic` amp. which consists only from four transistor , THD % is not so good , almost mediocre , but THD spectrum is almost as is come from some Triode Single End tube amplifier .
Best Regards
 

Вложения

  • Uno-Amp-LTspice-v1.jpg
    Uno-Amp-LTspice-v1.jpg
    191.1 KB · Просмотры: 255
  • Uno-Amp-LTspice-v1-FFT.jpg
    Uno-Amp-LTspice-v1-FFT.jpg
    185.3 KB · Просмотры: 221
Последнее редактирование:
I think that you are in search for specific THD spectrum from power amplifiers and not for some 0.00000001% ultra low THD amp. , usually that `Single-End` THD spectrum consists from leading dominant second harmonic followed by lower level third harmonic , fourth, fifth and other higher harmonics need to be significantly suppressed up to -100dB or even more ,
amplifiers with opposite THD spectrum where leading dominant harmonic is third harmonic , followed by low level second harmonic is characteristic for quality Push-Pull amplifiers , here higher harmonics need to be significantly suppressed to , in both case those harmonics rise and fall in Monotonic way depending from input signal level ,
that sort of amplifiers is called or named `Euphonic amplifiers` , but not so much Hi-Fi , surprisingly usually those amps sound very good to human ears ,specially at long listening sessions , they do not burden human ears very much ,
here`s one example of such small simple `Euphonic` amp. which consists only from four transistor , THD % is not so good , almost mediocre , but THD spectrum is almost as is come from some Triode Single End tube amplifier .
Best Regards
I'm not looking for anything. I found this a long time ago.
P.S. Spectra of 2 different amplifiers .Simple and complex
 

Вложения

  • шушурин2022 8 1втмвк.PNG
    шушурин2022 8 1втмвк.PNG
    19.5 KB · Просмотры: 113
  • шушурин2022 ном.PNG
    шушурин2022 ном.PNG
    19.2 KB · Просмотры: 128
  • 020 SLV IMD 30в.PNG
    020 SLV IMD 30в.PNG
    58.1 KB · Просмотры: 122
  • 1vt.PNG
    1vt.PNG
    15.9 KB · Просмотры: 125
Что то похоже, что ни схемы ни железа. А тем более и обьективных результатов.
Ваша фамилия не Маслов? Очень уж стиль изложения похож. Пять страниц ни о чем, один концепт.
Где же этот эскиз и где результаты?
1.Кто такой Маслов?...
2. Вы хотели рабочую схему, она здесь.
Только здесь выход Т-двойка, а лучше поставить Т-тройку.
Эту схему я рисовал для товарища, и давно, поэтому здесь двойка.
Это первый вариант УН, я просто взял классический оппозитный однокаскадный УН без наворотов, она полностью рабочая, можете попробовать.
IMG_20221217_144827.jpg
 
Понял, развитие Дарлингтона. Называть такое однокаскадным некоторая натяжка. Впрочем как СРПП или каскдод.
 
Понял, развитие Дарлингтона. Называть такое однокаскадным некоторая натяжка. Впрочем как СРПП или каскдод.
Да не некоторая, а грубая натяжка ночной хищной птицы на глобус схемотехники.
Каждый транзистор на горизонтальном пути сигнала привносит в него свое, которое усиливается последующими. С каскодом сложнее, там работает столбик, результат у него на выходе один, на всю начинку столбика.
 
Понял, развитие Дарлингтона. Называть такое однокаскадным некоторая натяжка. Впрочем как СРПП или каскдод.
Т-тройка - сама по себе, однокаскадный- лишь УН, (короткий тракт) потому что усиление по амплитуде, набираем только в одном каскаде, это принципиальный момент.
2. Да, это дарлингтон, но здесь самое ценное, это то как связаны каскады между собой, только через базы, а через эммитеры связей нет, и это принципиальное отличие от обычного дарлингтона.
Если бы Зуев 84, поставил на выход Т-тройку, может он и не проиграл бы по звуку Сухов 89, у которого на выходе Т-тройка.
Т-тройка заточена именно под звук.
 
Последнее редактирование:
Да не некоторая, а грубая натяжка ночной хищной птицы на глобус схемотехники.
Каждый транзистор на горизонтальном пути сигнала привносит в него свое, которое усиливается последующими. С каскодом сложнее, там работает столбик, результат у него на выходе один, на всю начинку столбика.
Я ставил в предвыход те же транзисторы что и в первом каскаде Т.- тройки, только в параллель, по 3-4 шт. через уравнивающие эмитерные резисторы,чтобы токовое пространство было единое.
Это работает.
 
Да не некоторая, а грубая натяжка ночной хищной птицы на глобус схемотехники.
Каждый транзистор на горизонтальном пути сигнала привносит в него свое, которое усиливается последующими. С каскодом сложнее, там работает столбик, результат у него на выходе один, на всю начинку столбика.
В принципе в каскоде два усилителя включены последовательно. В СРПП - параллельно.
 
Т-тройка - сама по себе, однокаскадный- лишь УН, (короткий тракт) потому что усиление по амплитуде, набираем только в одном каскаде, это принципиальный
Да без особой разницы, особенно при наличии общей ООС. Весь мусор идёт в рекурсию, уровень гармоник падает, количество растёт.
 
Он может не пойдет в России, но Запад его примет это точно, (если он туда дойдет конечно)потому что музыкальная культура у них тоньше и разнообразней, и такой звук, и сам концепт, им точно нужен, ибо я и сам слушаю много западную музыку, и знаю ментальность запада в отношении к звукоусилению , они не любят наворотов сверхлинейников, или монструозности ламповых девайсов, они не понимают ради чего это делается, такие страдания и нагромождение,потому что они слушают звук и музыку, а не смотрят звук и не считают звук.
Ну, положим, пока это пустые ничем не подкрепленные мантры "Заграница нам поможет! ". Хвалите себя дальше!
 
Это понятно что в комплементарном транзюковом пушпуле не все идеально, но из варианта " дешево и сердито", я не вижу ему альтернативы.
Так то идеальный усилитель это цирклотрон, но это не дешево.
2. Ну какая там рекурсия в однокаскадном УН ?
Это почти то же самое, что взять одиночный транзистор -усилитель с резистором в нагрузке, и сделать ООС резистором с колектора на базу.
И да, надо подумать, как набрать максимальное усиление напряжения,в одном каскаде.
Варианты приветствуются
Выкиньте резистор вольтдобавки и урежьте туда ИТ, с питанием 300в.
 
Дык все что- то понимают по -своему, и не докладывают.
Из всех по звукоусилению,мне больше всего запомнился Петров 1951, некоторые моменты у него заморочены, но иногда очень дельные вещи по звуку говорил.
Жуковский тоже неплох, но теряет баланс часто.
И идолы у вас неубедительные или малознакомые да и сами вы странные.
Жуковский- тот вообще про воздухоплавание.
 
Снимите с одного каскада УН усиление 1000, это вам задание

Я не идиот, все что мне надо было понять, я понял, скоро закругляюсь, потерпите немного
Не сегодня конечно, но на днях
Да ладно. здесь бывало мудаков такого замеса, что ваше общение просто бальзам на душу. Не уходите. Глядишь-вместе чего и заделаем. Ум хорошо, а....полтора- лучше! _hm_
 
Да ладно. здесь бывало мудаков такого замеса, что ваше общение просто бальзам на душу. Не уходите. Глядишь-вместе чего и заделаем. Ум хорошо, а....полтора- лучше! _hm_
Дело не в критике или насмешках, дело в реакции на тему.
Конструктива нет, вот проблема.
Если тема не интересна, какой смысл мне здесь быть?...
 
Манипуляции последнее дело. Вам уже сказано было выше .Однокаскадник путь зуевика нового и его вариаций ну и параллельная оос общая. Ну или примитивный линн.
 
Да запросто, просто С3g у меня на рабочем столе.
 
6С40П - 1400
6С20С - 2500

6Ж10П - 1000
6Ж22П - 1265
6Ж49П - 1750
6Э15П - 2350
6Ж5П - 3150
6Ж50П - 3150
6Ж32П - 4500
6Ж4 - 9000
 
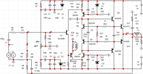
Усь по подобию Мелодии с тройкой неплохо смотрится. Ток покоя стабилизирует токовое зеркало. И не нужен конский ток покоя, всего 55ма на пару
 

Вложения

  • мелодия тройкасхема.PNG
    мелодия тройкасхема.PNG
    100 KB · Просмотры: 225
  • мелодия тройка Спектр тройка.PNG
    мелодия тройка Спектр тройка.PNG
    22.7 KB · Просмотры: 225
Усь по подобию Мелодии с тройкой неплохо смотрится. Ток покоя стабилизирует токовое зеркало. И не нужен конский ток покоя, всего 55ма на пару
Так у вас УН двухкаскадный, или я опять неправ?
Можно конечно и двухкаскадный, но мне интересны варианты однокаскадного УН с большим усилением
 
я же сказал про зуевик. клоны
 

Вложения

  • клон 1.PNG
    клон 1.PNG
    61.8 KB · Просмотры: 153
  • клон.PNG
    клон.PNG
    61.6 KB · Просмотры: 181
Можете сказать, здесь два каскада усиления по напряжению,два или один?
Я вижу два, М. Васильев говорит что один...Screenshot_2022-08-30-11-39-09-434_com.miui.gallery.jpg
Т3, Т4 разве не усиливают по напряжению?
 
Можете сказать, здесь два каскада усиления по напряжению,два или один?
Я вижу два, М. Васильев говорит что один...Посмотреть вложение 52062
Т3, Т4 разве не усиливают по напряжению?
Симметричный каскод на входе в роли повторителя тока и ОБ на выходе. Усилитель напряжения один, на выходе.
 
Один . Т3 и Т6 элементарный каскад сдвига уровня. И каскод ОЭ_ОБ
 

Статистика форума

Темы
3,295
Сообщения
262,387
Пользователи
2,545
Новый пользователь
vlad'mir
Назад
Сверху Снизу