Короткий тракт с общей ООС, на базе мощного ВКТ (тройка Локанти)

  • Автор темы Автор темы STTL
  • Дата начала Дата начала
Вот максимально короткая схема с однёркой в выходном каскаде.
Замечательная схема, при адекватной реализации с естественным звуком.
Просто и эффективно решен вопрос термостабилизации.
Красота в простоте.
 
Замечательная схема, при адекватной реализации с естественным звуком.
Просто и эффективно решен вопрос термостабилизации.
Красота в простоте.
Согласен полностью. Но нужен хороший трансик межкаскадный. И драйверок я бы другой взял. Избегаю этих истеричек с дикой крутизной.
И кстати, не зря НЭМы на смещение выходных транзисторов взяли не диоды. а именно транзисторы, с идентичной входной ВАХой. Учись, студент! :)
 
Знаете, у ламповиков какой-то комплекс, они все время что то доказывают..что они правы.
Ламповый усилитель который будет отрабатывать полную динамику и приличную мощность при неокрашенном звуке, собрать очень сложно и дорого, а транзисторный- дешево и сердито.
И да, на самом деле, звук в лампах делают трф-ры, а не лампы.
Знаете, у ламповиков какой-то комплекс, они все время что то доказывают..что они правы.
Ламповый усилитель который будет отрабатывать полную динамику и приличную мощность при неокрашенном звуке, собрать очень сложно и дорого, а транзисторный- дешево и сердито.
И да, на самом деле, звук в лампах делают трф-ры, а не лампы.
Да уж. Вам бы к вегалабовским симуляторщикам пойти тусить. Тусовка та бесконечная, в высшей степени приятная, по определению никогда ничем не оканчивающаяся.

Топикстартеру хватило чутья понять ущербность навороченных гоубокооосников. Но вылезти из этой концепции он не в состоянии. Ни в какую сторону. Ни в сторону гибридников с лампой на входе, ни в сторону транзисторных безоосников.
Так и будет мечтать получить в одном каскаде дикое усиление, пустить его на ТРИ каскада выхода, ввести сверхглубокую общую ООС.
 
Я всё-таки про лампы. После долгих проб пришёл для себя к такому выводу: длина тракта не может быть доминирующим критерием, скока нада - стока и нуна!
 
Просто попробуйте этот вариант в симуляторе, пересчитайте резисторы с учетом напряжений на диодах, и уберите кон-ры.
Интересно посмотреть на спектр гармоник и интермодов.
Ну вот. Типичный симуляторный подход.
Вас устроит усилитель с процентом одной второй гармоники, а все остальные на уровне шумов?
В котором нет ОООС.
 
Мой однолампик пять лет, сделал как макет, работает на Тлф и АС на 10гдш-1, и почти каждый день
 

Вложения

  • IMG_1518.JPG
    IMG_1518.JPG
    234.8 KB · Просмотры: 174
  • IMG_1524.JPG
    IMG_1524.JPG
    235.6 KB · Просмотры: 173
  • IMG_1837.jpg
    IMG_1837.jpg
    178.5 KB · Просмотры: 177
А устроит усь у которого искажения ниже уровня шума?
 
На дестяках милливольт можно сколько угодно длины тракта. На больших размахах тока и напряжения - чем короче тракт, тем лучше. Это не я, это книжная теория намекает.
Дело не в длине, а в целесообразности. В РР часто выигрывает вариант с отдельным драйвером и отдельным фазоинвертором. Если можно сделать короче - надо делать. Например так.
2A3_pp.gif
 
А как германцы делали, и ни один не сказал, что-то не пойму у вас, где двойки-тройки, непорядок, такое же не звучит!
 

Вложения

  • cv3-01.jpg
    cv3-01.jpg
    569.5 KB · Просмотры: 242
  • cv3-02.jpg
    cv3-02.jpg
    411.3 KB · Просмотры: 276
How easy is it for you:)
In fact, today everything is more complicated, and they include such moments as: - exorbitantly inflated vanity, personal self-interest, terry ignorance, mutual responsibility.
But there's nothing to be done about it, people can't be better, the Creator didn't screw something up there as it should be.
Well , in many from above cited points I can only share your opinion ,
btw , for your interest here`s one very old unconventional but relative simple power amp. with push-pull output power stage consisting from same sex N-type devices configured in the triple darlinton connection , it is Circlotron output power stage which is AC coupled and driven from one differential input/driver stage .
 

Вложения

  • 17_PPP_mit_Transistoren_FS_1967.jpg
    17_PPP_mit_Transistoren_FS_1967.jpg
    39.7 KB · Просмотры: 239
Well , in many from above cited points I can only share your opinion ,
btw , for your interest here`s one very old unconventional but relative simple power amp. with push-pull output power stage consisting from same sex N-type devices configured in the triple darlinton connection , it is Circlotron output power stage which is AC coupled and driven from one differential input/driver stage .
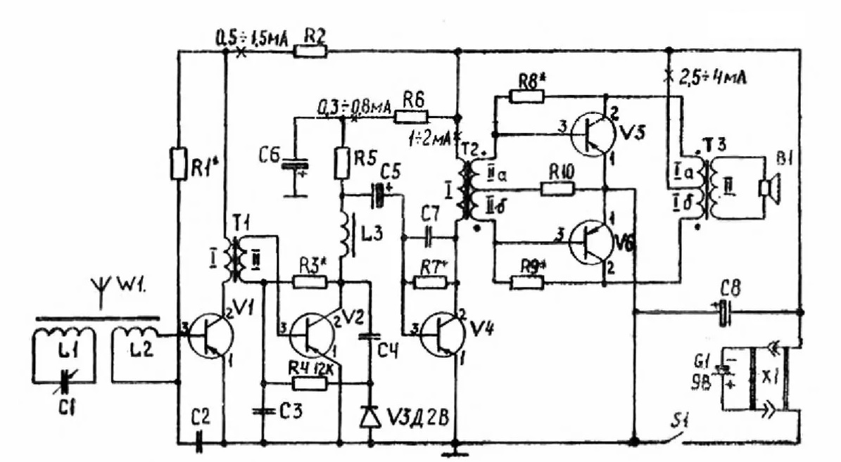
Мне кажется вкралась небольшая опечатка, нет связи между входным и выходным каскадом. Думаю точка соединения среднего вывода подстроечника 250 Ом и резисторов 8,2 кОм должна соединена с общим проводом входного каскада.
 
The Germans do it qualitatively, but in sound circuitry, they are not ahead of the rest, it's just a fact,
In that regard there`s another Circlotron power amp which design I believe is come from Russia or old Soviet Union, internally it is fully DC coupled , personally I think that this Russian Circlotron design is way more advanced than that German one from my post #215 , maybe somebody from this forum can recognize this design ? , since I`m interested to see full article .
 

Вложения

  • Circlotron.jpg
    Circlotron.jpg
    34.2 KB · Просмотры: 179
In that regard there`s another Circlotron power amp which design I believe is come from Russia or old Soviet Union, internally it is fully DC coupled , personally I think that this Russian Circlotron design is way more advanced than that German one from my post #215 , maybe somebody from this forum can recognize this design ? , since I`m interested to see full article .
"В помощь радиолюбителю" выпуск 101 стр 32-41
 

Вложения

Вот спектр худа и спектр одного аб-шника.Худ 4 вольта на выходе , аб-шник 6 вольт. И кто из них лучше звучит?
Худ  спектр.PNGмини спектр.PNG

Худ самый скоростной из многих знакомых схем. Без ООС 30 кил и приличный синус . остальные сдуваются, особенно АБшники с малым током покоя. Там дичь вообще.
? В телефоннике у него еще есть шансы по скорости на более высокоомной нагрузке ,а так топляк топляком.
К сравнению.
мини меандр на пороге ограничения.PNG
 
Последнее редактирование модератором:
Классика...
 

Вложения

  • besson_002.png
    besson_002.png
    186.3 KB · Просмотры: 159
  • besson_004-1.png
    besson_004-1.png
    611.6 KB · Просмотры: 178
  • besson_109.png
    besson_109.png
    606.2 KB · Просмотры: 197
  • besson_110.png
    besson_110.png
    701.2 KB · Просмотры: 178
  • mrb1022 Звукотехника_002.png
    mrb1022 Звукотехника_002.png
    690.6 KB · Просмотры: 191
  • mrb1022 Звукотехника_123.png
    mrb1022 Звукотехника_123.png
    566.3 KB · Просмотры: 187
  • mrb1022 Звукотехника_124.png
    mrb1022 Звукотехника_124.png
    911.6 KB · Просмотры: 190
  • mrb1022 Звукотехника_125.png
    mrb1022 Звукотехника_125.png
    896.7 KB · Просмотры: 151
For Banat, the neutral sound is push-pull. May be. Only push-pull and push-pull can differ like heaven from earth, depending on the design of the circuit and the options for the negative feedback loop. Yes, and about the "sweet" or "thermal" single-stroke sound, I also disagree. There is another value, free sound, naturalness, recognition, richness of shades and details. How can this be explained to a connoisseur of thrash metal or hard rock, deaf in both ears, an admirer of cannibal songs. no way. Looks at you like you're an idiot.
Zdravo i Dobar ti Dan zelim Aleksandar B.!
Here`s the Atmasphere M60 OTL amp schematic on which I refer that gave me that neutral sound , it uses only triodes , ,by internal design architecture it is three stage and fully balanced , V1,V2 and V3 forms differential cascoded voltage gain stage , followed with V4 as driver stage which is again DC coupled to Circlotron output power stage consisting of V5-V12 .
btw , IMHO for those thrash metal listening kids and for other similar music genres audio industry offers those for me funny D-class amplifiers .
 

Вложения

  • Atmasphere M60-signal-path-schematic-v1.0.jpeg
    Atmasphere M60-signal-path-schematic-v1.0.jpeg
    157.7 KB · Просмотры: 167

Banat

Знате, на другим страним форумима је забрањено писати нефорумским језиком. Упао сам у чопор вукова – завијајући као вук.
 
Not tired at all, just an inconvenience. You have your own interesting take on tube sound. And I'm trying to understand what you are interested in the sound of transformerless circuits and what is there in general from the lamp. After the sound of 2a3 or VT-52 triodes, it is very difficult to listen to something else.
Причина моего интереса к усилителям мощности OTL очень проста; избежать выходного трансформатора как несовершенного пассивного элемента, который всегда, но всегда ограничивает передачу исходной усиленной аудиозаписи на динамик, независимо от того, насколько хорошо или точно она сделана, в последнем случае, независимо от того, насколько высока цена это при его покупке, например когда-то давно проводил эксперимент, сделал один или пару неплохих небольших однотактных усилителей, используя новые и не бывшие в употреблении оригинальные лампы JAN-CRC-RCA 2A3,
используя переключатели Pr.1 и Pr.2, я сначала сделал простой тест прослушивания A/B, где я выбрал с помощью этих переключателей, буду ли я слушать музыку через довольно качественный, но стандартный динамик 8 Ом, который был подключен условно на вторичку выходного трансформатора, или буду слушать четыре последовательно соединенных широкополосных высокоомных динамика ЭИ-Нис по 800 Ом, так последовательно соединенные сделали серию 3,2 КОм в сумме, такая уж высоко- Омическая комбинация динамиков напрямую возбуждалась анодной лампой 2А3 через еще один очень качественный блочный конденсатор емкостью 10 мкФ,
Разница в качестве воспроизводимого звука сразу была заметна уже через несколько десятков секунд в пользу звука из четырех широкополосных динамиков EI-nis, просто все они были намного ближе к оригинальной музыке, а качество полученный басовый спектр был действительно чем-то особенно хорошим,... .незабываемым...,
позже я попытался изменить общее сопротивление тех штатно подключенных динамиков, используя переключатели пр. 3, 4, 5 и 6,
Я получил лучший звук, когда импеданс был 800 х 3 = 2400 Ом или когда он был 800 х 4 = 3200 Ом,
также получается аналогичный звук чрезвычайно высокого разрешения, но только от одного такого динамика ЭИ-Нис, возбуждаемого от усилителя СРПП с двумя лампами ЕЛ86,
Я сохранил много таких динамиков, когда разбил эти старые черно-белые телевизоры на лампы, но я также раздал или продал много из них, те, что на фотографиях, - это то, что у меня осталось от этих динамиков, они доступны в различных варианты, на круглые чаще всего устанавливалась необычная конструкция, где магнит размещается на лицевой стороне мембраны,
Что меня интересует в последние годы, так это попытаться разработать и сделать простой гибридный усилитель с триодом на входе, который мог бы по качеству воспроизводимого звука быть похожим, скажем, на тот усилитель СРПП с лампами или даже намного лучше, но конечно с гораздо большей номинальной выходной мощностью.
 

Вложения

  • OTL SRPP.jpg
    OTL SRPP.jpg
    151.2 KB · Просмотры: 138
  • 20221221_130352.jpg
    20221221_130352.jpg
    169.3 KB · Просмотры: 127
  • 20221221_121221.jpg
    20221221_121221.jpg
    319.3 KB · Просмотры: 169
  • 20221221_121213.jpg
    20221221_121213.jpg
    473.2 KB · Просмотры: 126
  • 20221221_121027.jpg
    20221221_121027.jpg
    338.9 KB · Просмотры: 127
  • 20221221_121003.jpg
    20221221_121003.jpg
    439 KB · Просмотры: 152
Nikko Electric MFG. CO., LTD., Япония (nikko-el.co.jp), 60-е года
 

Вложения

  • nikko-trm-40-ldsound.ru-1.png
    nikko-trm-40-ldsound.ru-1.png
    413 KB · Просмотры: 176
Приёмник "Мальчиш" СССР , 60-ые года.
Мальчиш.jpg
 
Выходная мощность на канал: 14 Вт/8 Ом

Частотный диапазон по уровню -10 дБ: 20 – 20000 Гц

Общие гармонические искажения при выходной мощности 10 Вт: 1%

Разбаланс по между каналами: ±2 дБ

Уровень шума: 1 – 3 мВ

Регулировка высоких частот (10 кГц): ±14 дБ

Регулировка низких частот (70 Гц): ±10 дБ

Включение тонкомпенсации на 70 Гц: +11 дБ

Включение тонкомпенсации на 10 кГц: +7 дБ

Входная чувствительность AUX: 170 мВ
 
Пост 39. анализ по постоянке. в режиме А работают входной и предвыходной каскады. Выходники в режиме АВ лишь на уровнях выше среднего , а так тоже в А.
index.php
 
Офигенно читабельный, так читаемый что я нишиша не понял. И никто не понял что это и есть - спектры. _hm_
Что там не понятного ? Ну можно так .ИМД и спектр в фурье.Кг 36м или 0.036 % на номинальной мощности. В капе спектр в процентах .
 

Вложения

  • VKсперк.PNG
    VKсперк.PNG
    33.3 KB · Просмотры: 117
  • VK имд.PNG
    VK имд.PNG
    55 KB · Просмотры: 126
Последнее редактирование:
В советское время, в начале 60-х годов, город Зеленоград стал плацдармом для организации в нем Центра микроэлектроники. Советский инженер Щиголь Ф. А. разрабатывает транзистор 2Т312 и его аналог 2Т319, который в последующем стал главным компонентом гибридных цепей. Именно этот человек заложил основу для выпуска в СССР германиевых транзисторов. Поищу в деталях, был у меня 2т312 с 1968 года
 

Вложения

  • jlh-1969-amplifier.png
    jlh-1969-amplifier.png
    43.3 KB · Просмотры: 161
  • JLH.jpg
    JLH.jpg
    296.8 KB · Просмотры: 159
Хочу попробовать такую схему.
Ценное здесь то, что плечи запитываются самым правильным способом, единым током.
И еще, небольшая доп.лианеризация УН с помощью резисторов, они же подстраивают U смещение.
Посмотреть вложение 52260
На Вегалабе же была ветка "Альтернативный драйвер для Заратустры".
Хочу попробовать такую схему.
Ценное здесь то, что плечи запитываются самым правильным способом, единым током.
И еще, небольшая доп.лианеризация УН с помощью резисторов, они же подстраивают U смещение.
Посмотреть вложение 52260
 

Вложения

  • Фото-схема.jpg
    Фото-схема.jpg
    100.9 KB · Просмотры: 241
Считается ли сломанный каскод - двухкаскадным усилением по U?...

Нет. Его структура - это просто способ передачи тока из одной "ветки" каскада в другую. Причём - инвертирующий. Открывающаяся первая ветка каскада закрывает вторую, а закрывающаяся - открывает. При этом сумма токов в обеих ветках всегда одна, и каскад этот - одно целое.
 
Последнее редактирование:
Выходной УН ( т7, т9 ) это понятно.
Вход идет в эммитеры и симетрично.
Но перед ним я вижу еще один каскад УН, совершенно отдельный.
И соответственно, усиление по U, будет равно(примерно) произведению Ку этих двух каскадов.
Но мне говорят что каскад УН всего один, и вот с этой непоняткой, мне хочется разобраться на эскизах.

Усиление по напряжению в ветках VT4+VT3 и VT5+VT6 возникнуть не может, потому что их резистивная нагрузка R28 и R29 шунтирована низким входным эмиттерным сопротивлением VT7 и VT9, смещение которых фиксировано и соответственно напряжение на R28 и R29 статично и не меняется (микроколебания там есть, но нам они не интересны, т.к. мы рассматриваем основной принцип работы).
В результате VT7 и VT9 управляются током по их эмиттеру. В покое токи первой и второй ветки равны и через R28 и R29 протекает сумма равных токов обеих пар веток. Нарастание тока в первой ветке перераспределяет ток через R28 или R29 в свою пользу, и через вторую ветку он уменьшается и наоборот. Общий выход каскада, как уже говорилось, в месте соединения коллекторов VT7 и VT9.
Резисторы R16 и R20 в усилении по напряжению участия не принимают, сигнал с них не снимается, их достоверное назначение можно выяснить у автора схемы. Если их закоротить, всё продолжит работать, что с ними, что без них.

post-22583-1174329490.gif
 

Статистика форума

Темы
3,295
Сообщения
262,435
Пользователи
2,545
Новый пользователь
vlad'mir
Назад
Сверху Снизу