Постройка басовой секции

  • Автор темы Автор темы Пётр
  • Дата начала Дата начала
Я контролировал милливольтметром В3-38 уровень фона на выходе усилителя. В этом случае сразу виден результат любых действий по борьбе с фоном.
Если фон 10 мВ, то его слышно. Если 3 мВ, то на тупой акустике уже не слышно, на чувствительной слышно, но не сильно.
 
Я контролировал милливольтметром В3-38 уровень фона на выходе усилителя. В этом случае сразу виден результат любых действий по борьбе с фоном.
Если фон 10 мВ, то его слышно. Если 3 мВ, то на тупой акустике уже не слышно, на чувствительной слышно, но не сильно.
Именно так все обстоит. Но осциллограф поможет понять источник фона, по форме .

Ещё интересно. Замерил пульсации на аноде первого триода. Для одного канала осциллограмма выглядела вот так (пульсации порядка 40 мВ):
Посмотреть вложение 14550
Для другого канала вот так (пульсации порядка 15 мВ):
Посмотреть вложение 14551
Может ли такое быть, что фон от накала влияет на величину пульсаций и форму на аноде лампы? Иначе - мне не понятна разница, ведь аноды обеих ламп запитаны по полностью аналогичной схеме.

Предположим, фон от питания накала перемнкой всё же есть. Допустим, всё я померил правильно и максимальные пульсации от фона 6Н8С, на сеточном резисторе выходной лампы составили 1В (пик-то-пик). Много это или приемлемо? С каким коэффициентом эти пульсации попадут на выход усилителя (с каким напряжением от этого будет "фонить" динамик в АС)?
Петя, кстати, твой с1-94 мне подарил Володя , напарник Сани Титова, который тут как Alex TV , так что все мы тут - из одной бочки))))
 
У меня фон с 12 мВ снизился до 3-х при наложении на плату кулинарной фольги. Экран, понимаете ли...
 
Само собой. если корпус из крутейшей фанеры, а цепи высокоомные.
Другой эффект, когда при оцифровке винила вдруг кто-то звонит по мобиле, и в запись лезет бубубубу и зызызызы. Начинай сначала...
 
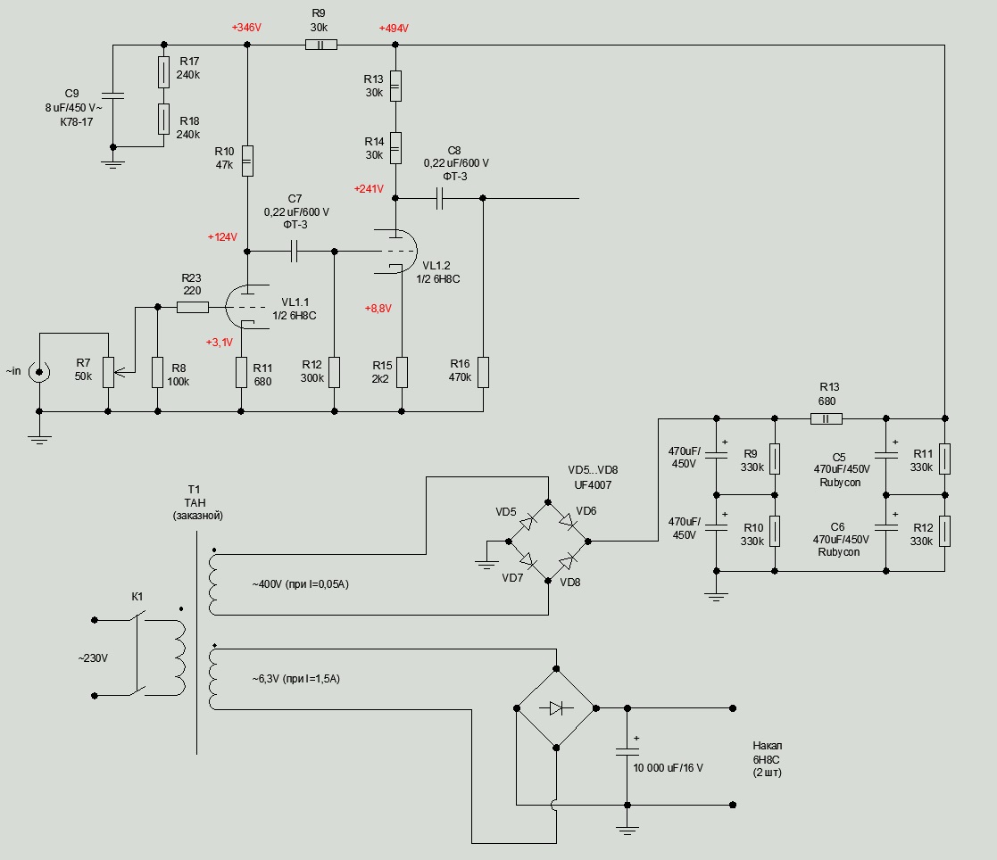
Пётр, а ГДЕ ср. точка на накале 6н8с, два рез. 100-200ом?
 
Мелочь, но всё ж, если х-ка R7 log, то R8 должен быть хотя бы 430-470ком, будет регулироватья плавнее
 
Именно так. Два резистора. а еще лучше переменник, крутим его по минимальному фону, потом контрим.
У меня, как у Пети, один конец обмотки на земле. И фон особо не достает. Не научно, но достаточно.

Мелочь, но всё ж, если х-ка R7 log, то R8 должен быть хотя бы 430-470ком, будет регулироватья плавнее
Ещё мельче мелочь. R 7 лучше 10-20 кОм. У некоторых и 5 кОм. Меньше провода влияют.
 
Грузить R7 крутилку в 50 ком на антиобрывный в 100ком значит обрушить регулировочную зависимость , напрочь. Так низззя. Ладно бы там 1 МОм, но 100кил -перебор.
Никогда не ставлю эти резюки , не было проблем ни разу.
 
Читайте хотя-бы книжки старые, Сергей Z, и про накал, и про шунтирование переменников
 
Грузить R7 крутилку в 50 ком на антиобрывный в 100ком значит обрушить регулировочную зависимость , напрочь. Так низззя. Ладно бы там 1 МОм, но 100кил -перебор.
Никогда не ставлю эти резюки , не было проблем ни разу.
Я правильно понимаю, что R8 (100 кОм) следует удалить из усилителя? Ну, или, по крайней мере, поставить его побольше - 470 кОм

Вот что подумал. Если у меня на сеточном резисторе выходной лампы сигнал колеблется на 1 В. И при этом коэффициент усиления 6С4С равен 4. А выходной трансформатор имеет коэффициент трансформации 25... то я получу на выходе усилителя (а соответственно, на динамике): 1*4/25=0,16В=160 мВ (от нижнего до верхнего пика) пульсации. Это много, как понимаю. Да ещё и сама форма сигнала - "зудящая".

Среднюю точку из двух резисторов для накала не делал - так как, повторюсь, хочу с этой же обмотки взять питание для NE555. Через гасящий конденсатор - не хочу, т.к. это не безопасно (как я понял) - от сети без гальванической развязки.

Думаю, следующим шагом рационально будет проверить то, что посоветовал АБ - запитать накал выпрямленным напряжением. Посмотреть осциллографом в тех же точках, изменится ли чего.
А ещё как вариант - могу попробовать перебирать лампы в поисках менее "фонящих". Если раньше у меня 6Н8С было 4, то теперь их 7. И есть 6SN7, правда, одна.
 
Последнее редактирование:
Читайте хотя-бы книжки старые, Сергей Z, и про накал, и про шунтирование переменников
Про накал, естест-но, читал. А по шунтированию я не спорил, больший номинал правильно,
Я про сам переменник, его номинал лучше меньше.
Я правильно понимаю, что R8 (100 кОм) следует удалить из усилителя? Ну, или, по крайней мере, поставить его побольше - 470 кОм
Удалять лучше не надо. 470 кОм хорошо.
 
Просветите, пожалуйста мою неграмотность. Вот, Сергей Z пишет, что мерил фон милливольтметром В3-38. Вот, предположим, он увидел на этом приборе цифру 10 мВ. Правильно ли я понимаю, что эта величина - эффективное напряжение, одной полуволны, и что на осциллографе в этом случае будет примерно 1,4*2*10=28 мВ размах от нижнего пика до верхнего?
 
Чем опасно через конденсатор напрямую от сети... НИЧЕМ, всю сознательую делаю, лет 40-45, для релюшек
Запитать накал выпрямленным напряжением - а зачем?
 
Если лампы нормальные - никакого, хоть переменка, хоть постоянка
 
Появилась возможность, не стал откладывать, полез проверять.
Спаял мост и электролит 10000 мкФ для выпрямления накала. Включил, замерил напряжение после моста, под нагрузкой. Увидел 5,61 В. Расстроился, подумал - не тянет вторичная обмотка, даёт просадку. Потом померил напряжение в сети - заниженное, 207 В. Вспомнил, что трансформатор заказывался на 230 В. Прикинул - вроде примерно нормально. Успокоился.
Схема теперь стала такая:
4.jpg


Полез мерить пульсации в тех же точках, что и ранее. Ахнул.
Фото с осциллографа. Левая картинка - сеточный резистор второго триода, правая - сеточный резистор выходной лампы (правый канал):
1.jpg

размах пульсаций на сеточном резисторе выходной лампы составил 18 мВ, против вчерашних 400 мВ при питании накала переменкой.

Левый канал:
2.jpg

пульсации на сеточном резисторе выходной лампы 15 мВ, против вчерашних 1000 мВ.

Посмотрел пульсации на аноде первого триода (правый и левый канал):
3.jpg

Делаю вывод: питание накала 6Н8С переменкой в моём случае привело к появлению значительных пульсаций (фона), даже на аноде первого каскада. При питании накала выпрямленным напряжением - пульсации на аноде отсутствуют.
 
Диоды Шоттки с падением менее чем у обычных диодов позволят получить запас по выпрямленному напряжению, сделать гасилку на резисторе, которая будет дополнительно сглаживать пульсации. Две емкости после моста: одна 4700мкф 16 в, вторая 10 000мкф 16в, гасилка примерно 1 Ом.
Диоды 1N5822.
 
Диоды Шоттки с падением менее чем у обычных диодов позволят получить запас по выпрямленному напряжению
Это понятно... это второстепенно.
Мне сейчас главное надо определить. Вижу два возможных варианта:
1. Если пытаться всё же запитать накал переменкой, то... надо достать все имеющиеся у меня лампы 6Н8С, поочереди втыкать их и смотреть - с какой лампой пульсации будут наименьшие. Проводить эксперименты с заземлением накальной обмотки трансформатора - искать среднюю точку с наименьшими пульсациями (но это приведёт к неизбежности изготовления отдельного питания для NE555), делать "подтяжку" потенциала накала до +80В.
2. Другой путь - "забить" на желание питать накал 6Н8С именно переменкой. Поставить выпрямитель с ёмкостью. И сюда же подключить питание NE555.

В чём преимущества и недостатки первого и второго варианта?

Необходимо определиться.
Но то, что в моём случае фон значительно зависит от способа питания подогревателей у 6Н8С - меня уже не переубедить.
 
Последнее редактирование:

Вложения

  • 11.png
    11.png
    143.6 KB · Просмотры: 200
  • 12.jpg
    12.jpg
    339.8 KB · Просмотры: 200
  • 13.jpg
    13.jpg
    298.7 KB · Просмотры: 208
  • 14.jpg
    14.jpg
    116.1 KB · Просмотры: 187
  • гм70.jpg
    гм70.jpg
    273.1 KB · Просмотры: 196
  • накал1.jpg
    накал1.jpg
    5 KB · Просмотры: 190
Решил питать накал 6Н8С выпрямленным напряжением.

Александр Бокарёв, посоветуйте пожалуйста режим для 6С4С в моём усилителе. Для анодного питания 6С4С на силовом трансформаторе имеется обмотка ~310В. Выходные трансформаторы 5 кОм. Смещение у 6С4С - автоматическое.
 
Питать постоянкой накал ламп в обычном УНЧ, даже не в корректоре с сигналом единицы мВ... НУ НЕ ЗНАЮ вообще.
 
Решил питать накал 6Н8С выпрямленным напряжением.

Александр Бокарёв, посоветуйте пожалуйста режим для 6С4С в моём усилителе. Для анодного питания 6С4С на силовом трансформаторе имеется обмотка ~310В. Выходные трансформаторы 5 кОм. Смещение у 6С4С - автоматическое.
В катод 6с4с врежь 1- 1, 2 кома, глянь симметричность ограничения на нужной нагрузке: ( 6-8 Ом) , при несимметрии подбери катодный резистор . Анодное получится примерно 300-320, остальное выпадет в обвеске .
 
Пётр, сделайте тогда для 6н8с разную полярность на накал, +/- и -/+, и примерно раз в полгода менять местами. Если чесно, первый раз про постоянка-это все, переменка мешаен фон, такую байку слышу
 
По питанию напрямую от сети, без транформатора
РЭС-22:
Испытательное переменное напряжение между токоведущими элементами, между токоведущими элементами и корпусом, В:
в нормальных климатических условиях……………………………………………….. 500
в условиях повышенной влажности…………………………………………………………. 300
Что опасного?

Шоб лампа не привыкала...
 
На переменном токе лампочка служит дольше, была официальная статистика, примерно на~60%
 

Статистика форума

Темы
3,301
Сообщения
262,706
Пользователи
2,544
Новый пользователь
vlad'mir
Назад
Сверху Снизу