Радиотехника У-101 стерео

  • Автор темы Автор темы LDS
  • Дата начала Дата начала
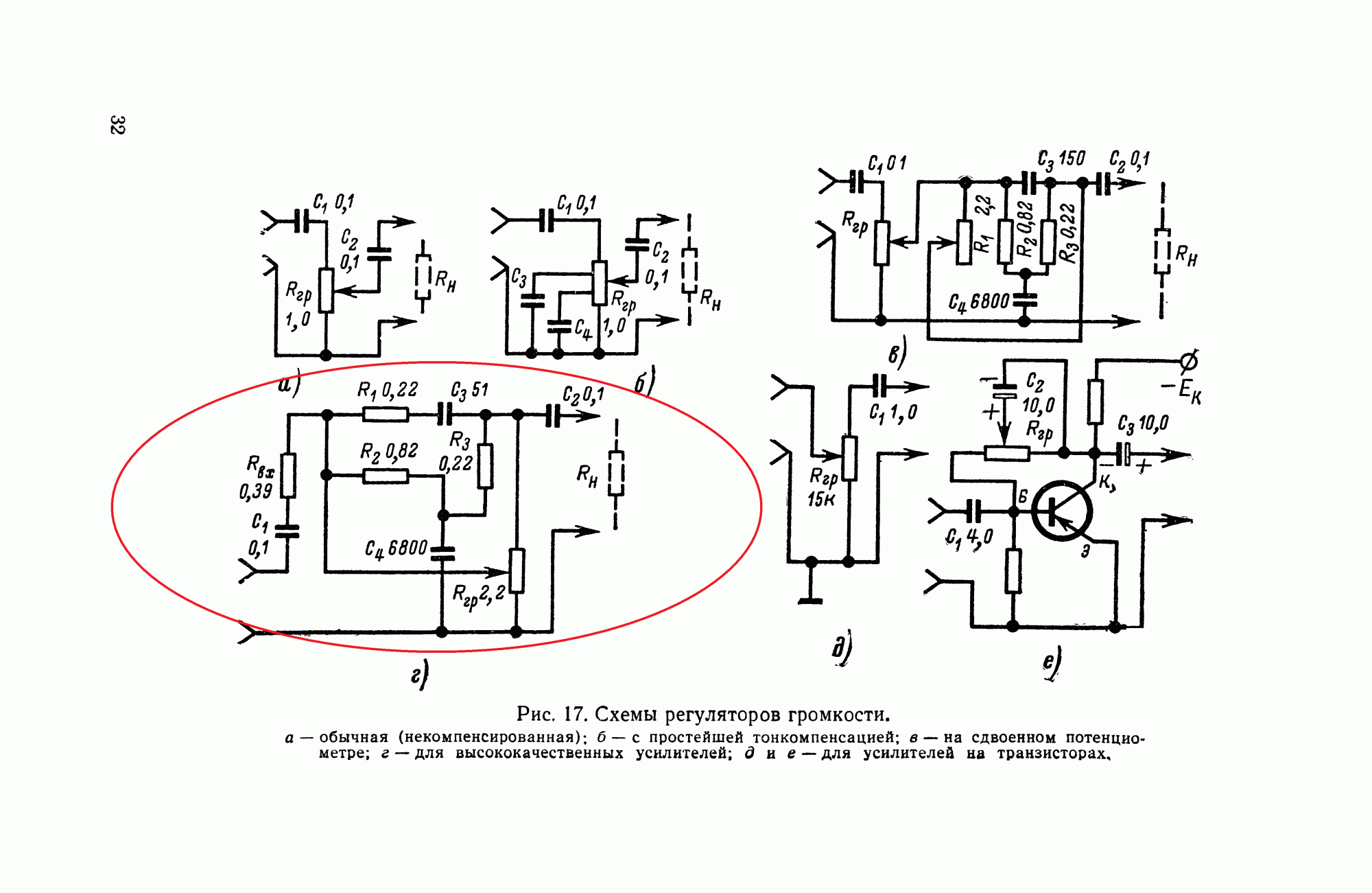
А зачем РГ сейчас?,вы с какого источника слушаете музыку? регулятор громкости и оконечник все ну можно еще пред если чувствительность слабая ,а так 101 подключал через регулятор громкости на 47ком на вход и любой источник хватает.
мне на некоторых современных записях иногда хочется низов убавить
источник - ЦАП
а так - да, слушаю без РТ
 
Такая попытка была в Радио, был там пассивник на 3 полосы. я его макетил, все там сделано плохо. А надо, чтобы было хорошо.

То есть, мы не крутим все что выше -ниже килогерца, а регулируем уровень НЧ, СЧ и ВЧ отдельно, получая любую форму ачх и звука. При этом не страдает самая важная чать звуковой полосы, от 700 до 3 кил. А остальное к ней пристыкуется само собой.
Три полосы и ШЕСТЬ усилителей - это очень на любителя, да всё равно с фильтрами. Не говорю уже о том что ни к одной купленной АС такое чудо не подключишь, только к своим самоделкам, да и пучок проводов к АС не радует.
Примерно такое решение было в "Радио" 1989 №9 - "Пассивный регулятор тембра".
1989-09.072.jpg

Можно упростить монтаж и плату взяв несколько более современных ОУ.
Важно то что ОУ работают в нормальных режимах, а не с усилением меньше 1 как в фильтрах Баксандалла.
Сама идея интересна, а вялая реакция была на неё, думаю, из-за большого числа транзисторов.
Да, знаю, есть трех- и многополосные РТ на ОУ, есть с изменяемыми точками перегиба, но мне не нравится в них куча петель обратной связи немилосердно крутящих фазу. И регулировка тембров "в минус" нужна очень редко.
 
И я пишу про другую схему пассивного регулятора тембра. она без оперов, набрана обычными резисторами и емкостями. Напечатана сильно раньше.
Интересно. А как найти? Хотя бы по названию поискать.
Оперы понадобятся по-любому поскольку затухание RC цепей ужасное.
В общем, в схеме из "радио" на которую я ссылался так и есть, но в журнале схема не воспринимается, надо ее перерисовать.
Принцип в общем-то тот же. Есть главный общий РГ, есть два регулятора частоты среза и два регулятора отдельных полос с усилением, потом всё суммируется в один сигнал подающийся на вход УМЗЧ.
Вот гадом буду. Зная Вас, уверен что вы не посмотрели "мою" схему.
Вот как она будет звучать - понятия не имею.
Пока сам не сделаешь, никто не скажет, но умных речей будет много.
 
Первым делом глянул "вашу" схему, ужаснулся и закрыл. Я столько не выпью))))
Вот почему я пишу, что надо перерисовать схему для себя, обозначив узел ОУ+транзисторы просто как ОУ. Читается журнальная схема ужасно, но она работает в отличие от общих рассуждений.
Собственно. идея пассивного трехполосного регулятора пришла в ум после настройки 3-полоски, возможности фильтров
Так концов от "вашей" схемы не осталось? Чтобы поискать её в интернете?
Каких-нибудь зацепок: автор, год, где публиковалась, другие особые предметы? Посмотреть интересно.
Плохо что подобные регуляторы сильно удлинняют и усложняют звуковой тракт что может свести весь положительный эффект на ноль.
Плюс в том что раньше были паршивые ОУ и транзисторы, сейчас с элементной базой попроще.
, снабженных аттенюаторами на СЧ и ВЧ предостаточны для получения любого звучания. И главное- у нас не страдает средина, в самом странном варианте " ни низа ни верха-одна средина" у нас звучит шикарная радиоточка.
Я не топаю ножкой "а ну подай мне схему", сам у себя многих вещей найти не могу, но при случае, когда попадётся на глаза, прошу поделиться.
 
Плата ум У-101. Найду плату преда своего под конструктив У-101 , то тоже выложу
 

Вложения

Последнее редактирование:
Первым делом глянул схему, ужаснулся и закрыл. Я столько не выпью))))
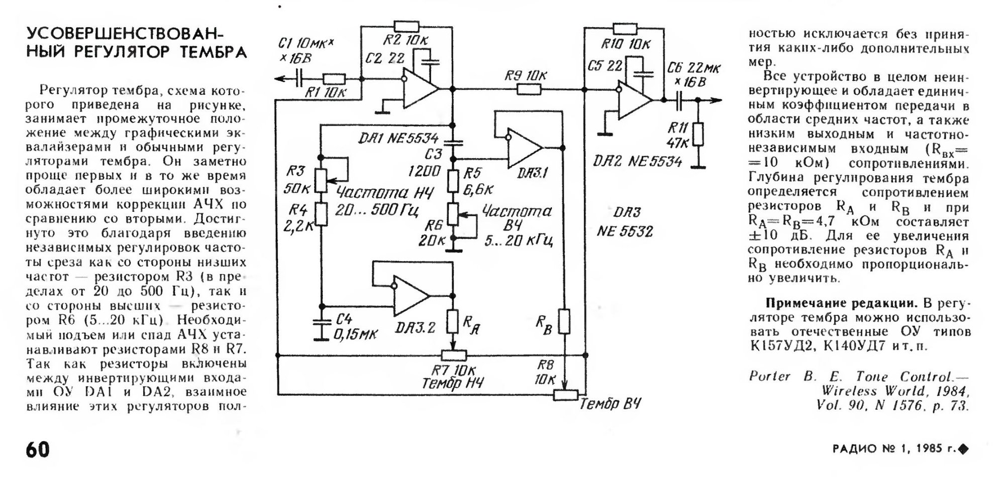
Хорошо. Вот другая схема, не совсем пассивный фильтр, но простой и легко реализуемый. Прошу Ваше мнение. Меня интересуют мнения практиков, а не симулянтов.
b.1985-01.063.jpg


Нарисовал я на листочке пассивный РТ Тарасова из "Радио".
В принципе, логично и нормально, не так сложно.
На входе неинв. ОУ с усилением 6, от него через делитель идет весь сигнал на выходной ОУ-буфер.
К выходу вхоного ОУ присосались два регулятора на доп. ОУ усиливающими отданную им полосу частот (регулируется).
Если на входах этих двух каналов регулятор уст. в ноль, они нечего не усиливают и АЧХ линейная с заданным усилением. Если регулятор повернуть, они начнут училивать свою область.
На выходе буферный ОУ-сумматор совокупизирующий три сигнала:
- линейный (всечастотый), он настраивается один раз и не трогается.
- ВЧ канал, ручка усиления - на панели, частоты лучше на плате, настраивается под колонки и помещение.
- НЧ канал аналогично.
Грубо говоря (теоретизирую), вместо тонкомпенсации можно будет вручную добавлять НЧ и ВЧ по своему вкусу или его отсутствию, вмешательство в область СЧ - минимальное.
Я бы собирал на отдельных одиночных ОУ в корпусе. Ну и что что 8 штук, зато проще разводить, монтировать. Особенно для полумакета чтобы понюхать чем это пахнет.
Здесь 3 шт. неинв. ус-ля и только один, суммирующий - инв. вкл.
Можно будет без ущерба расширить у полочников диапазон НЧ вниз при умеренной громкости. Штука как раз для негромкого прослушивания при полном диапазоне частот, небольшая добавка ВЧ пойдёт на пользу.
 
300 раз говорил уже, пример на Аккорде Шихатова
 

Вложения

  • 1-99_016_.jpg
    1-99_016_.jpg
    366 KB · Просмотры: 179
Трехполосный тоже срет
 
Обещанный пред на У-101 . так для ознакомления от симулянтов практикам
 

Вложения

  • пред простой У-101-6.lay6
    пред простой У-101-6.lay6
    162.6 KB · Просмотры: 147
  • msdy6Cdjd2I.jpg
    msdy6Cdjd2I.jpg
    234.2 KB · Просмотры: 174
  • JQZ7-P26l84.jpg
    JQZ7-P26l84.jpg
    221 KB · Просмотры: 178
Вообщето надо в цифре тембра крутить
 
Ой, вот только не надо. Как хорошо все начиналось: тембры на пассивных цепях. Чтоб через 5 постов влететь в цифру.
Если УМ и АС высокого качества , то достаточно разнести частоты перегиба ближе к краям звукового диапазона и ограничиться небольшим диапазоном регулировки. По моему это самый щадящий к искривлению звуковой картинки вариант. Но это мнение симулянта , который нихрена не понимает. Можно дополнить пред интимфильтром / небольшой подъем АЧХ в области средних частот .
 
Я в активный рт на транзисторе поставил группы Б советской. Спад был крутой , но подъем ачх весьма плавный . Для активного РТ регуляторы надо не линейные , а комбинированные с S-характеристикой
 
А как же делали раньше???
 

Вложения

  • Новое в РПрУ mrb0417 1963г_002.png
    Новое в РПрУ mrb0417 1963г_002.png
    137.5 KB · Просмотры: 141
  • Новое в РПрУ mrb0417 1963г_085.png
    Новое в РПрУ mrb0417 1963г_085.png
    1.1 MB · Просмотры: 154
  • Гендин ВВВ mrb0722 1970г_046.gif
    Гендин ВВВ mrb0722 1970г_046.gif
    460.7 KB · Просмотры: 141
  • Гендин УНЧ mrb0663 1968г_033.gif
    Гендин УНЧ mrb0663 1968г_033.gif
    112.1 KB · Просмотры: 149
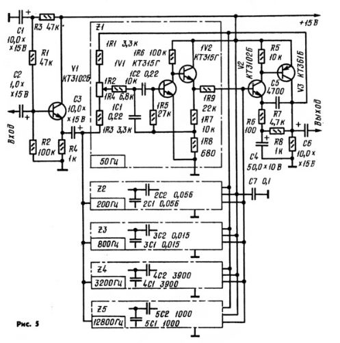
Схема не в журнале, а в извилинах, пока. Основа ее- трехполосный пассивный регулятор тембра из Радио, где-нибудь конца 70-х-начала 80-х.
Поискал, не нашёл пока. А если напрячь извилины? Статья про отдельный регулятор тембра или он в составе усилителя? Это может помочь в поиске.
Но регулятор всё-таки лучше Тарасова или "за рубежом" - ДВУХПОЛОСНЫЙ, но с регулируемыми частотами. Третий регулятор будет на СЧ и безусловно будет его корёжить, а наша задача - не трогать ни амплитуду, ни фазу именно на СЧ. Всякие искажения, в том числе фазовые, на краях не так заметны.
Вообще, на ВЧ регулятор не очень нужен: фонограммы сейчас без спада на ВЧ как было у источников звука давным-давно, если раньше "пищалками" работали ШП динамики типа 1ГД-18, то сейчас без труда можно купить и поставить излучатели за которыми ухо не угонится.
Проще подработать пассивые акустические фильтры в колонке.
Другое дело - басы. Двухполосным полочникам, особенно малогабаритным, трудно, поэтому простой выход - корректор Линквица.
Другое дело если хочется слушать очень тихо, но чтобы бас и писк не терялись, тут уместен фильтр как у Тарасова.
В журнале есть его печатная плата, ОУ можно заменить, транзисторы удалить. В статье упор на 0,0000% искажений, если за этим не гнаться, схему можно упростить. Печатную плату подправить, сделать один канал и испытать его.
Кто-нибудь за это возьмётся? Сомневаюсь. Это как говорил в институте наш Борис Моисеевич: я вам объясню, разжую, в рот положу, а вы даже проглотить не можете, выплёвываете.
Я "за" РТ но если они отключаемые, это просто - сделать реле.
Ну и голову на плечах иметь надо, чтобы не устраивать дискотэку задрав до упора бас и писк, не палить динамики.
И ещё.
Я не перфекционист. Это они ГОДАМИ обсуждают и мусолят всякие схемы, симулянты здесь в своей стихии. В теории у них всё прекрасно, но на практике начинаются сюрпризы. И многолетние дискуссии прохвесоров и акадэмиков заканчиваются ничем. А иногда - монстрами которые мало кто повторяет. Пример - та же "натали", да еще с двумя дюжинами реле управляемыми блоком на микроконтроллере. Причём, тот кто сделал или купил такую чюдовищю никогда не признается что овчинка выделки не стоила.
Решения должны быть простыми и не претендовать на перфекцию, но хорошо звучать. А сложно навороченные с компутерным цифровым управлением пусть делает промышленность на любителя.
Понятно, что любой РТ искажает АЧХ (он для того и делается), шалит с фазой, но я поддерживаю мысль о неприкосновенности СЧ. Эту область лучше не трогать.
Решений имеется в достатке, активные фильтры на порядок проще и можно делать их. Что греха таить, не у всех дома аппаратура ХиЕнд, обычно попроще, но работает. Поэтому нет смысла в поиске "философского камня", достаточно просто хорошего РТ добавление которого в тракт незаметно для аппаратуры среднего класса.
Делать кто-нибудь возьмётся или будет только бла-бла-бла?

Сделать узкую полосу (крутые фронты) с RC цепочками затруднительно по ряду причин. Лучший выход здесь - LC фильтры, с ними просто получить практически любую добротность (полосу) для практических целей.
Сначала, на моей памяти, была статья Стародуба в "Радио", чуть позже чтатья в ВРЛ №69 причем отдельное устройство с автономным питанием.
vrl_069.png

Частоты можно делать какие хочется, а число полос от 2 до "много".
Речь о Хиенде здесь, конечно, не идёт, но в публикации есть все данные, даже платы.
Желающие будут?
Понятно, что ставить К1УТ401Б не обязательно.
 
Сделать узкую полосу (крутые фронты) с RC цепочками затруднительно по ряду причин. Лучший выход здесь - LC фильтры, с ними просто получить практически любую добротность (полосу) для практических целей.
Сначала, на моей памяти, была статья Стародуба в "Радио", чуть позже чтатья в ВРЛ №69 причем отдельное устройство с автономным питанием.
Посмотреть вложение 107466
Частоты можно делать какие хочется, а число полос от 2 до "много".
Речь о Хиенде здесь, конечно, не идёт, но в публикации есть все данные, даже платы.
Желающие будут?
Понятно, что ставить К1УТ401Б не обязательно.
в детстве паял..фонила страшно, экранировка мне не помогла..а знаний про "правильную землю" не было
 
Делать, так братьев Лексиных 5-полосник. Неплохо звучит.
 
еще несколько паял...в итоге на наборе остановился для радиолюбителей, в гараже все еще лежит :). Но все было ненатурально. Сейчас еще один появился..параметрический, концертный..для караоке пойдет
 

Вложения

  • Галченков экв.JPG
    Галченков экв.JPG
    58 KB · Просмотры: 111
  • эквики.jpg
    эквики.jpg
    388.8 KB · Просмотры: 139
  • эквики.jpg
    эквики.jpg
    184.1 KB · Просмотры: 142
Поискал, не нашёл пока. А если напрячь извилины? Статья про отдельный регулятор тембра или он в составе усилителя? Это может помочь в поиске.
Но регулятор всё-таки лучше Тарасова или "за рубежом" - ДВУХПОЛОСНЫЙ, но с регулируемыми частотами. Третий регулятор будет на СЧ и безусловно будет его корёжить, а наша задача - не трогать ни амплитуду, ни фазу именно на СЧ. Всякие искажения, в том числе фазовые, на краях не так заметны.
Вообще, на ВЧ регулятор не очень нужен: фонограммы сейчас без спада на ВЧ как было у источников звука давным-давно, если раньше "пищалками" работали ШП динамики типа 1ГД-18, то сейчас без труда можно купить и поставить излучатели за которыми ухо не угонится.
Проще подработать пассивые акустические фильтры в колонке.
Другое дело - басы. Двухполосным полочникам, особенно малогабаритным, трудно, поэтому простой выход - корректор Линквица.
Другое дело если хочется слушать очень тихо, но чтобы бас и писк не терялись, тут уместен фильтр как у Тарасова.
В журнале есть его печатная плата, ОУ можно заменить, транзисторы удалить. В статье упор на 0,0000% искажений, если за этим не гнаться, схему можно упростить. Печатную плату подправить, сделать один канал и испытать его.
Кто-нибудь за это возьмётся? Сомневаюсь. Это как говорил в институте наш Борис Моисеевич: я вам объясню, разжую, в рот положу, а вы даже проглотить не можете, выплёвываете.
Я "за" РТ но если они отключаемые, это просто - сделать реле.
Ну и голову на плечах иметь надо, чтобы не устраивать дискотэку задрав до упора бас и писк, не палить динамики.
И ещё.
Я не перфекционист. Это они ГОДАМИ обсуждают и мусолят всякие схемы, симулянты здесь в своей стихии. В теории у них всё прекрасно, но на практике начинаются сюрпризы. И многолетние дискуссии прохвесоров и акадэмиков заканчиваются ничем. А иногда - монстрами которые мало кто повторяет. Пример - та же "натали", да еще с двумя дюжинами реле управляемыми блоком на микроконтроллере. Причём, тот кто сделал или купил такую чюдовищю никогда не признается что овчинка выделки не стоила.
Решения должны быть простыми и не претендовать на перфекцию, но хорошо звучать. А сложно навороченные с компутерным цифровым управлением пусть делает промышленность на любителя.
Понятно, что любой РТ искажает АЧХ (он для того и делается), шалит с фазой, но я поддерживаю мысль о неприкосновенности СЧ. Эту область лучше не трогать.
Решений имеется в достатке, активные фильтры на порядок проще и можно делать их. Что греха таить, не у всех дома аппаратура ХиЕнд, обычно попроще, но работает. Поэтому нет смысла в поиске "философского камня", достаточно просто хорошего РТ добавление которого в тракт незаметно для аппаратуры среднего класса.
Вот простой, но заметный с преобладанием 2-й гармоники
 

Вложения

  • rt.JPG
    rt.JPG
    49 KB · Просмотры: 137
в детстве паял..фонила страшно, экранировка мне не помогла..а знаний про "правильную землю" не было
Да, катушку надо в экран, но зато её добротность несопоставима с RC фильтрами и можно настройками получить почти любую.
еще несколько паял...в итоге на наборе остановился для радиолюбителей, в гараже все еще лежит :). Но все было ненатурально. Сейчас еще один появился..параметрический, концертный..для караоке пойдет
Вот самое интересное - про ненатуральность. В чём и когда?
Опять-таки, думаю, ненатуральность будет если трогать область СЧ, а вот края - можно, если с умом. Проблема перегрузок решается просто - пиковым индикатором который покажет достижение уровня ограничения на любой частоте.
Ведь задача сделать РТ лучше, чем классический Баксандалла.
Кстати, в #384 я копировал схему с чудовищной ошибкой. Специально чтобы проверить - смотрит ли вообще кто-нибудь схемы или я зря стараюсь.
Вижу что никто не смотрит и не замечает, каждый думает только о своём.
Бедные радиолюбители тогда паяли, повторяли опечатку и ругали "нерабочую" схему.
 
Последнее редактирование:
Поискал, не нашёл пока. А если напрячь извилины? Статья про отдельный регулятор тембра или он в составе усилителя? Это может помочь в поиске.
Но регулятор всё-таки лучше Тарасова или "за рубежом" - ДВУХПОЛОСНЫЙ, но с регулируемыми частотами. Третий регулятор будет на СЧ и безусловно будет его корёжить, а наша задача - не трогать ни амплитуду, ни фазу именно на СЧ. Всякие искажения, в том числе фазовые, на краях не так заметны.
Вообще, на ВЧ регулятор не очень нужен: фонограммы сейчас без спада на ВЧ как было у источников звука давным-давно, если раньше "пищалками" работали ШП динамики типа 1ГД-18, то сейчас без труда можно купить и поставить излучатели за которыми ухо не угонится.
Проще подработать пассивые акустические фильтры в колонке.
Другое дело - басы. Двухполосным полочникам, особенно малогабаритным, трудно, поэтому простой выход - корректор Линквица.
Другое дело если хочется слушать очень тихо, но чтобы бас и писк не терялись, тут уместен фильтр как у Тарасова.
В журнале есть его печатная плата, ОУ можно заменить, транзисторы удалить. В статье упор на 0,0000% искажений, если за этим не гнаться, схему можно упростить. Печатную плату подправить, сделать один канал и испытать его.
Кто-нибудь за это возьмётся? Сомневаюсь. Это как говорил в институте наш Борис Моисеевич: я вам объясню, разжую, в рот положу, а вы даже проглотить не можете, выплёвываете.
Я "за" РТ но если они отключаемые, это просто - сделать реле.
Ну и голову на плечах иметь надо, чтобы не устраивать дискотэку задрав до упора бас и писк, не палить динамики.
И ещё.
Я не перфекционист. Это они ГОДАМИ обсуждают и мусолят всякие схемы, симулянты здесь в своей стихии. В теории у них всё прекрасно, но на практике начинаются сюрпризы. И многолетние дискуссии прохвесоров и акадэмиков заканчиваются ничем. А иногда - монстрами которые мало кто повторяет. Пример - та же "натали", да еще с двумя дюжинами реле управляемыми блоком на микроконтроллере. Причём, тот кто сделал или купил такую чюдовищю никогда не признается что овчинка выделки не стоила.
Решения должны быть простыми и не претендовать на перфекцию, но хорошо звучать. А сложно навороченные с компутерным цифровым управлением пусть делает промышленность на любителя.
Понятно, что любой РТ искажает АЧХ (он для того и делается), шалит с фазой, но я поддерживаю мысль о неприкосновенности СЧ. Эту область лучше не трогать.
Решений имеется в достатке, активные фильтры на порядок проще и можно делать их. Что греха таить, не у всех дома аппаратура ХиЕнд, обычно попроще, но работает. Поэтому нет смысла в поиске "философского камня", достаточно просто хорошего РТ добавление которого в тракт незаметно для аппаратуры среднего класса.
Делать кто-нибудь возьмётся или будет только бла-бла-бла?

Сделать узкую полосу (крутые фронты) с RC цепочками затруднительно по ряду причин. Лучший выход здесь - LC фильтры, с ними просто получить практически любую добротность (полосу) для практических целей.
Сначала, на моей памяти, была статья Стародуба в "Радио", чуть позже чтатья в ВРЛ №69 причем отдельное устройство с автономным питанием.
Посмотреть вложение 107466
Частоты можно делать какие хочется, а число полос от 2 до "много".
Речь о Хиенде здесь, конечно, не идёт, но в публикации есть все данные, даже платы.
Желающие будут?
Понятно, что ставить К1УТ401Б не обязательно.

Поискал, не нашёл пока. А если напрячь извилины? Статья про отдельный регулятор тембра или он в составе усилителя? Это может помочь в поиске.
Но регулятор всё-таки лучше Тарасова или "за рубежом" - ДВУХПОЛОСНЫЙ, но с регулируемыми частотами. Третий регулятор будет на СЧ и безусловно будет его корёжить, а наша задача - не трогать ни амплитуду, ни фазу именно на СЧ. Всякие искажения, в том числе фазовые, на краях не так заметны.
Вообще, на ВЧ регулятор не очень нужен: фонограммы сейчас без спада на ВЧ как было у источников звука давным-давно, если раньше "пищалками" работали ШП динамики типа 1ГД-18, то сейчас без труда можно купить и поставить излучатели за которыми ухо не угонится.
Проще подработать пассивые акустические фильтры в колонке.
Другое дело - басы. Двухполосным полочникам, особенно малогабаритным, трудно, поэтому простой выход - корректор Линквица.
Другое дело если хочется слушать очень тихо, но чтобы бас и писк не терялись, тут уместен фильтр как у Тарасова.
В журнале есть его печатная плата, ОУ можно заменить, транзисторы удалить. В статье упор на 0,0000% искажений, если за этим не гнаться, схему можно упростить. Печатную плату подправить, сделать один канал и испытать его.
Кто-нибудь за это возьмётся? Сомневаюсь. Это как говорил в институте наш Борис Моисеевич: я вам объясню, разжую, в рот положу, а вы даже проглотить не можете, выплёвываете.
Я "за" РТ но если они отключаемые, это просто - сделать реле.
Ну и голову на плечах иметь надо, чтобы не устраивать дискотэку задрав до упора бас и писк, не палить динамики.
И ещё.
Я не перфекционист. Это они ГОДАМИ обсуждают и мусолят всякие схемы, симулянты здесь в своей стихии. В теории у них всё прекрасно, но на практике начинаются сюрпризы. И многолетние дискуссии прохвесоров и акадэмиков заканчиваются ничем. А иногда - монстрами которые мало кто повторяет. Пример - та же "натали", да еще с двумя дюжинами реле управляемыми блоком на микроконтроллере. Причём, тот кто сделал или купил такую чюдовищю никогда не признается что овчинка выделки не стоила.
Решения должны быть простыми и не претендовать на перфекцию, но хорошо звучать. А сложно навороченные с компутерным цифровым управлением пусть делает промышленность на любителя.
Понятно, что любой РТ искажает АЧХ (он для того и делается), шалит с фазой, но я поддерживаю мысль о неприкосновенности СЧ. Эту область лучше не трогать.
Решений имеется в достатке, активные фильтры на порядок проще и можно делать их. Что греха таить, не у всех дома аппаратура ХиЕнд, обычно попроще, но работает. Поэтому нет смысла в поиске "философского камня", достаточно просто хорошего РТ добавление которого в тракт незаметно для аппаратуры среднего класса.
Делать кто-нибудь возьмётся или будет только бла-бла-бла?

Сделать узкую полосу (крутые фронты) с RC цепочками затруднительно по ряду причин. Лучший выход здесь - LC фильтры, с ними просто получить практически любую добротность (полосу) для практических целей.
Сначала, на моей памяти, была статья Стародуба в "Радио", чуть позже чтатья в ВРЛ №69 причем отдельное устройство с автономным питанием.
Посмотреть вложение 107466
Частоты можно делать какие хочется, а число полос от 2 до "много".
Речь о Хиенде здесь, конечно, не идёт, но в публикации есть все данные, даже платы.
Желающие будут?
Понятно, что ставить К1УТ401Б не обязательно.
Вот она, кажется . Источник не указан, помнится в Радиве была
 

Вложения

  • i.webp
    i.webp
    11.1 KB · Просмотры: 123
У Крейдича выход оу заведен на шину питания на схеме. И нет конденсаторов искуственной средней точки параллельно батарее . Просто этот темброблок туфта на постном масле , потому и не интересен .
Единственная ценность той статьи в технологическом совете по изготовлению лицевой панели, для того времени было востребовано.
офф намудохаетесь вы с этим плавной регулировкой частот перегиба. Как пить дать. Без средств инструментального контроля эта приблуда токма во вред
 
Вот она, кажется . Источник не указан, помнится в Радиве была
В более доступном формате будет
i.png

Спасибо.
Идея понятна. Сходство с акустическими фильтрами для 3-полосной АС бросается в глаза. Но в этом и её недостатки. Хотя бы фильтры разных порядков и неврзможность оперативно менять частоты.
На мой взгляд, схема Тарасова на порядок лучше. По-моему это очевидно, но расписывать это долго.
Конечно, могут быть сюрпризы, пробовать надо. Думаю, большинство отпугивает плохо нарисованная схема. Я мог бы даже печатку подрихтовать, но травить и паять сейчас не могу.
 
Вообщето регулировка средней частоты вРТ делается не так.
 

Вложения

  • 3полосный РТ.png
    3полосный РТ.png
    551.4 KB · Просмотры: 139
Кому то не успокоиться со своими намёками. Словно нет реальной отработанной конструкции предусилителя с весьма неплохим звуком и отличной повторяемости на различной элементной базе.
 
У каждого свои уши, разные АС и КДП:(
Да я не про эты истины. Просто осточертели намеки на симуляции. Словно это что то плохое. Сами не умеют или не хотят использовать кады для проектирования и настройки , а других обвиняют.
 
Да я не про эты истины. Просто осточертели намеки на симуляции. Словно это что то плохое. Сами не умеют или не хотят использовать кады для проектирования и настройки , а других обвиняют.
Не знаю, кого вы имеете в виду, к вашему творчеству отношусь с пониманием и уважением, схемы ваши изящные ,проработаны в мелочах, в споре вы ни разу не оскорбили и не унизили никого, всегда сдержаны. Поэтому непонятна ваша реакция , намеков на симуляцию я точно не высказывал. Вычеркните меня из списка недоброжелателей, если что ))))
 

Статистика форума

Темы
3,311
Сообщения
264,321
Пользователи
2,550
Новый пользователь
Александр Н.
Назад
Сверху Снизу