Смотрите видео ниже, чтобы узнать, как установить наш сайт в качестве веб-приложения на домашнем экране.
Примечание: Эта возможность может быть недоступна в некоторых браузерах.
Это может показаться странным, но как раз всё с точностью до наоборот. С отдельной обмоткой выходное примерно 0.86 ома, с выхода - 0.96 ома. Разница - 0.1 Ома - это как раз сопротивление вторичной обмотки. На картинках зависимости выходного сопротивления от частоты в омах. Рост на ВЧ - влияние индуктивности рассеяния. ООС поддерживает напряжение на внешних зажимах обмотки. Но на внутреннем сопротивлении нагруженной обмотки больше падает.однако в плане снижения выходного сопротивления ооос лучше брать с выходной обмотки,а лучше сделать часть с нее и часть с отдельной обмотки оос
Мне недавно кто-то доказывал совершенно обратное, клюнув в макушку типа: Ой, а у тебя тут ООС не с динамика взята, а с доп клеммы, в воздухе болтается, прям - непорядочек!Это может показаться странным, но как раз всё с точностью до наоборот. С отдельной обмоткой выходное примерно 0.86 ома, с выхода - 0.96 ома. Разница - 0.1 Ома - это как раз сопротивление вторичной обмотки. На картинках зависимости выходного сопротивления от частоты в омах. Рост на ВЧ - влияние индуктивности рассеяния. ООС поддерживает напряжение на внешних зажимах обмотки. Но на внутреннем сопротивлении нагруженной обмотки больше падает.
Да, немного странно. У нас же выходник не полностью охвачен ОООС при отдельной для нее обмотки? Как так?Это может показаться странным, но как раз всё с точностью до наоборот. С отдельной обмоткой выходное примерно 0.86 ома, с выхода - 0.96 ома. Разница - 0.1 Ома - это как раз сопротивление вторичной обмотки. На картинках зависимости выходного сопротивления от частоты в омах. Рост на ВЧ - влияние индуктивности рассеяния. ООС поддерживает напряжение на внешних зажимах обмотки. Но на внутреннем сопротивлении нагруженной обмотки больше падает.
Ну, вот смотрите на постоянном токе. Допустим, наиглубочайшая ООС держит на внешних зажимах обмотки ровно 10 вольт. Но на внутреннем сопротивлении обмотки падает 123 милливольта, и на самом деле на нагрузку приходит только 9.877 вольта. Т.е. сопротивление вторичной обмотки оказывается за пределами ООСКак так?
Гостро, але надбезлінійно.Тут ситуация как с операционным усилителем. Какую глубокую ООС ему не делай, сделай ему петлевое усиление хоть 1000дБ, но шумы операционника и напряжение смещения никуда не денутся, хоть тресни. Всё равно будешь ставить балансировочный резистор или интегратор. Потому что дифференциальное напряжение находится вне контура ООС. И если окажется, что оно зависит от синфазного напряжения, никакая ООС его не выправит. Тупые сверхлинейщики этого не понимают.

Если вы посадите их на гальваническую землю общего питания, толку мало, ибо эта земля - грязная, она в цепи общего питания, лучше обычные П- образные многозвенные фильтры, это где с двух сторон резисторы/ дроссели и между ними кондёр, то есть кондеры фильтра , не сажаются на силовую землю, а - между плюсом и минусом, вот туда и нужно сажать чувствительную слаботочкуБудем питать преды только от батарей – и все интермоды (и интерм0рды) растаят, как снег в лучах зари заката...
Просто делайте что делаете, а ценное в своих (и других) темах постите не в качестве ответов сектантам и тогда скорее всего оно будет цело.Спасибо
То, что я уйду до весны - не вопрос, вопрос - как скоро ?
Никого не виню в этом, и даже себя
Просто пришло время
Вам успехов ! в поставленных задачах и целях, по звукотехнике и в звуке!
Я в этот раз очень не хотел идти сюда, памятуя прошлые разы, но пришел, даже без надежды, просто пришел, попробовать последний раз, что- то взять и отдать
Попробовал....всё прояснилось окончательно, во - всех смыслах
Все что имеет начало, имеет и конец
Вам, всех благ и Доброго звука !
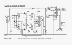
Это будет Quad IIИли подключить отдельную обмотку для ОООС последовательно со вторичкой)
Все-таки возьму сигнал со вторички, это проще, к сожалению, КО добавлю, посмотрю что там с драйвером на больших размахах.
Мой усил на LM3886 звучит не так, как РР на 2А3, но для просмотра фильмов и прослушивания покинувшего нас Ютюба очень и очень не плох, гораздо лучше многих китайцев и самоделок которые я переделывал по просьбе несчастных хозяев. И да: мои ламповики без ООС (за редкими исключениями) и все переделываемые ( по сути новые по деталям и схемотехнике на 99,44%) без ООС, претензий не было, благодарности имели место.Не очень понимаю зачем в сегодняшних условиях вообще городить ламповый усилитель с ОООС. 6-10 дБ практически ничего не дадут, а 20 дБ и более приблизят звук к транзисторному, причём и по уровню искажений (даже с учётом спектра), и по выходному сопротивлению (я уж не говорю про динамику и пр.) ламповый с ОООС уступит хорошему транзисторному.
Я не первый десяток лет занимаюсь ламповыми (описание некоторых выкладывал и здесь), не стоит адресовать мне такие предложения. Речь в моём сообщении была не про ламповые усилители вообще, а про усилители с ОООС. И я, например, что-то не помню среди усилителей Ю.А.Макарова усилители с общей обратной связью (по крайней мере среди тех, что он проектировал для себя).Никакого. Нужно сходить в магазин и купить что угодно, усилителей как грязи.
от чего эта лесосека может быть?Для себя или на заказ? Думаю, его квалификация вполне позволяет проектировать усилители с ОООС. Но упоминаний, что в его системе стояли такие усилители (не на прослушивании, а какой-то длительный период), я не встречал. Поправьте меня (желательно с конкретной ссылкой про его систему) если я неправ.И помню и слышал, будете смеяться, на 6П14П. ЮАМ преспокойно делал ОООС-ные усилители.
В те времена, возможно, и стоило заниматься ламповыми усилителями с ОООС. Но к сегодняшнему дню и схемотехника, и элементарная база изменились....Вероятно, у меня где-то лежат схемы, но давно не попадались, прошло больше четверти века уже.
шото похоже на наводки от питания. этот лес похоже идет через 100гц. попробовать карту саму на себя теми же проводами. и шо там за картина снизу? взять надо диапазон 20-20000гцАксакалы, проблема в левом канале, наблюдается такая херня, думал от ИП на 12в который находится слева и вблизи банки фильтра анодного питания, думаю наводки, отключил это хозяйство, картина не поменялась, перестановка ламп из правого канала тоже без эффектаот чего эта лесосека может быть?
Посмотреть вложение 168664
В другом канале этого леса нет теми же проводами!шото похоже на наводки от питания. этот лес похоже идет через 100гц. попробовать карту саму на себя теми же проводами. и шо там за картина снизу? взять надо диапазон 20-20000гц
Попробуйте настроить так. Нижний ряд иконок, слева крайняя- линза увеличилка. Она первая, идете вправо до восьмой , там цвета раскраски шкалы, а внизу частоты начала и конца шкалы экрана. Натыкайте другие значения, шкала растянется,вот шет, это РГ в ноль, выход с компа к усю не подключен
Посмотреть вложение 168665
только подключаю выход с ЗК компа к усилителю вот такая фигня
Посмотреть вложение 168666
это с внешнего генератора FNIRSI
Посмотреть вложение 168668
с измериловкой выходит проблема, с кабелями, вроде специально паял из микрофонного кабеля шнурок
Сначала вы нам расскажите как вы избавились от предыдущего леса, а то как то коротко ответили что то типа "проблема решина"Аксакалы, проблема в левом канале, наблюдается такая херня, думал от ИП на 12в который находится слева и вблизи банки фильтра анодного питания, думаю наводки, отключил это хозяйство, картина не поменялась, перестановка ламп из правого канала тоже без эффектаот чего эта лесосека может быть?
Мы ванговать не можем. У вас разводка обоих каналов идентичная? Такое ощущение что силовой и сигнальный провода где-то идут рядом параллельно. Давайте фото монтажа, хоть что-то можно будет увидеть и попытаться предположить.Аксакалы, проблема в левом канале, наблюдается такая херня
Не сбивайте новичка с привычного порядка действий: сначала намерить, потом прибежать за помощью разобраться в увиденном на экране безобразии, и только после этого взяться за изучение тонкостей измерилки.Сначала вы нам расскажите как вы избавились от предыдущего леса, а то как то коротко ответили что то типа "проблема решина"