Стабильность ОУ и УМ на них

Регистрация
12 Ноя 2019
Сообщения
28,303
Реакции
13,620
Репутация
395
Попробуйте дополнить схему Вашего макета межбазовьіми конденсаторами для ускорения переключения плеч. Авось, немного расширит полосу. И немного режимного тока драйверу добавьте. Вас интересует то, как бьістро вьіходная пара будет запираться. И, самое важное, мощностная полоса драйвера. Туда нет лучше 2SA1930/2SC5171. Из советских самьіе бьістрьіе драйверьі КТ850/851, но и они слишком медленньі.
Есть три пары этих самых 1571-1930.
 

vitamir

1 ранг
Регистрация
2 Янв 2021
Сообщения
2,103
Реакции
1,271
Репутация
71
Возраст
63
Страна
Україна
Город
Київ
Имя
Віталій
Заратустра тупик. Параллельньій повторитель сложнее тройки по Локанти, и проигрьівает ей по совокупности. Особенно, на нечуткую АС в нагрузке
 

М.Васильев

1 ранг
Регистрация
25 Янв 2022
Сообщения
2,297
Реакции
697
Репутация
54
Возраст
68
Страна
Россия
Город
Пестово
Имя
Максим
Регистрация
12 Ноя 2019
Сообщения
28,303
Реакции
13,620
Репутация
395
Там своих подводных камней хватает . И там же довольно глубокая оос ,которую вы избегаете.
Макет выхода по Агееву заработал сразу, управляемый и понятный. Запускается в два этапа, сперва пред, потом к нему подкидывается мощник. Ток покоя смотрим амперметром. Так проще избежать грубых косяков.
 

М.Васильев

1 ранг
Регистрация
25 Янв 2022
Сообщения
2,297
Реакции
697
Репутация
54
Возраст
68
Страна
Россия
Город
Пестово
Имя
Максим
Макет выхода по Агееву заработал сразу, управляемый и понятный. Запускается в два этапа, сперва пред, потом к нему подкидывается мощник. Ток покоя смотрим амперметром. Так проще избежать грубых косяков.
я про усилитель напряжения на оу говорил . Что про выход на параллельнике говорить ?
 
Регистрация
23 Июл 2019
Сообщения
6,675
Реакции
5,247
Репутация
203
Страна
Украина
Имя
Николай
Вопрос. Есть недокорректированный по Миллеру ОУ, неинвертирующее включение, с малым Ку < Ку стаб. Почему не густо схем, где в таком случае с инвертирующего входа включается RC-цепочка на землю, поднимающая усиление на ультразвуке и дающая требуемый для стабильности Ку на более высоких частотах (подъём АЧХ на ультразвуке компенсируется ФНЧ по неинвертирующему входу)? В звуковом диапазоне такая схема будет в несколько раз шустрее, чем полностью корректированная по Миллеру, и глубина ООС в звуковом диапазоне - тоже в разы больше. ?
 

СМЕРШ

2 ранг
Регистрация
30 Янв 2024
Сообщения
1,355
Реакции
1,289
Репутация
53
Страна
Poland
Город
Stargard
Предупреждений
13
Почему не густо схем, где в таком случае с инвертирующего входа включается RC-цепочка на землю
Потому, что такие схемы считаются в симуляторе, а ты ж знаешь сам, что все симуляторы - дьявольский соблазн для честного рукосуя, а кто в них работает - сатанисты и чернокнижники. Чтоб не потерять свою душу, человеку приходится тыкать детали, как Бог на душу положит.
 

NEULO

1 ранг
Регистрация
14 Июл 2019
Сообщения
3,792
Реакции
1,925
Репутация
93
Возраст
52
Страна
Россия
Город
Одинцово
Предупреждений
4
Симулятор, это оптимизатор, и то,при условии,что чел.знает что и как и для чего - оптимизировать.
Но это не значит что без сима,ничего не будет работать,или будет работать плохо.
Но когда мне говорят что: - если я придумал, просчитал схему на салфетке, и сделал в железе - негодный шлак, то это вызывает как минимум - недоумение.
а если схему рисуешь с нуля на чистом листе- то ты оптимизируешь чистый лист, верно же?
 

Святослав_

1 ранг
Регистрация
10 Июн 2021
Сообщения
7,351
Реакции
3,802
Репутация
167
Страна
Україна
Город
Бердянськ
Предупреждений
1
Симуляторы - для избранных.
Они не будут массовым инструментом ещё долго, а может и никогда, с этим нужно просто смириться, и продолжать делать свое дело дальше.
Просто такое ощущение, что вы хотите сказать - "симулятор - это просто,и это сделает тебя сильным,умным и счастливым " :)
Симулятор, это просто весьма грубая модель. Которая к реальной работе, реального усилителя, на реальную нагрузку, имеет весьма посредственное отношение.
Во-вторых, показатели усилителя по модели не имеют отношения к качеству работы усилителя в связке с АС.
В-третьих, моделирование, как правило, ведет в неправильное русло устремления разработчика. Отсекая все другие пути.
 

СМЕРШ

2 ранг
Регистрация
30 Янв 2024
Сообщения
1,355
Реакции
1,289
Репутация
53
Страна
Poland
Город
Stargard
Предупреждений
13
Симулятор, это просто весьма грубая модель.
Кто определил степень грубости и каково её значение?
Вы строили модели, сравнивали их с железом и сделали открытие, что в Линеар Текнолоджи с Аналог Девайсом все, поголовно, дауны и дезинформируют население? Или вы просто собрались поспорить о вкусе ананасов с теми, кто их ел?
"Грубая" - это как? Вообще не пригодная никуда и злонамеренно извращающая все параметры абсолютно, вплоть до нарушения законов Ома и Кирхгофа, или вы нашли различие в токах/напряжениях меж моделью и конструкцией на пятом знаке после запятой?

ИМХО, фразы:
Которая к реальной работе, реального усилителя, на реальную нагрузку, имеет весьма посредственное отношение.
и
показатели усилителя по модели не имеют отношения к качеству работы усилителя в связке с АС
немного противоречивы: так отношение посредственное, или никакого? Прошу уточнить, как это, и как вы это установили: делали модель, не совпала с реалом?
Выложите эту модель сюда, и мы, как люди, у которых схема из модели встаёт на плату ровно, вам с удовольствием поможем довести эту вашу модель до завершённой формы.
Я же вообще далёк от мысли, что вы можете нагло врать всему форуму о том, чего никогда не видели. Вы же честный человек.
моделирование, как правило, ведет в неправильное русло устремления разработчика
Ага, понятно: вы создали модель, а она вас завела в русло, которое вы сочли неправильным.
Как это русло выглядело практически и в чём заключается неправильность русла?
Я не допускаю даже мысли, что вы взялись судить о том, в чём совершенно не разбираетесь, как это делают бабушки из далёких средиземноморских стран. Поэтому наша цель: конкретизировать вашу эмоциональную реакцию и помочь вам определиться: что именно не так с вашими моделями.
 
Последнее редактирование:

vitamir

1 ранг
Регистрация
2 Янв 2021
Сообщения
2,103
Реакции
1,271
Репутация
71
Возраст
63
Страна
Україна
Город
Київ
Имя
Віталій
А в ответ - тишина...
Вопрос. Есть недокорректированный по Миллеру ОУ, неинвертирующее включение, с малым Ку < Ку стаб. Почему не густо схем, где в таком случае с инвертирующего входа включается RC-цепочка на землю, поднимающая усиление на ультразвуке и дающая требуемый для стабильности Ку на более высоких частотах (подъём АЧХ на ультразвуке компенсируется ФНЧ по неинвертирующему входу)? В звуковом диапазоне такая схема будет в несколько раз шустрее, чем полностью корректированная по Миллеру, и глубина ООС в звуковом диапазоне - тоже в разы больше. ?
Відповіді по суті питання не було, бо питання сформульовано принципово некоректно.
ЖОДНА КОРЕКЦІЯ НЕ ДОДАЄ ПІДСИЛЕННЯ, лише дозволяє зберегти його в тій чи іншій мірі.
Об'єктивно існує амплітудно-частотна характеристика некорегованого операційника не охопленого жодним зворотнім звязком. І операційники з можливістю зовнішньої корекції, або без такої можливості, що вже зкореговані на етапі виготовлення, як зкореговані. Так звані недокореговані за Мілером це операційники зі специфічно обмеженою cферою їх використання, що обумовлено виробником в дейташиті. Якщо ви вважаєте себе розумнішим за виробника, ризикуйте, можливо поп'єте шампанського, але питання в ціні питання. Наявна внутрішня корекція за Міллером вже відібрала майже все підсилення, що ви могли би використати, а нейтралізувати її вплив можливості немає.
Розумні користувачі вибирають для своїх виробів відповідний операційник, номенклатура їх більш ніж широка.
 
Последнее редактирование:
Регистрация
23 Июл 2019
Сообщения
6,675
Реакции
5,247
Репутация
203
Страна
Украина
Имя
Николай
Відповіді по суті питання не було, бо питання сформульовано принципово невірно.
КГМ... Я думал, будет понятно, что
с инвертирующего входа включается RC-цепочка на землю, поднимающая усиление на ультразвуке
относится к коэффициенту усиления неинвертирующего каскада на ОУ с ООС, глубину которой и уменьшает описанная цепочка на частотах выше звукового диапазона. Ну да ладно, схема уже работает #1
1741525844530.png

ОР37 имеет минимальное стабильное усиление 5 раз, по даташиту. И она намного быстрее, чем ОР27 (которая с полной коррекцией).
 
Последнее редактирование:

vitamir

1 ранг
Регистрация
2 Янв 2021
Сообщения
2,103
Реакции
1,271
Репутация
71
Возраст
63
Страна
Україна
Город
Київ
Имя
Віталій
Ще раз: якщо внутрішній Міллер вже відібрав підсилення, жодне зі зовнішніх кіл його не поверне.
Підвиверти можливі лише над операційниками зі зовнішньою корекцією.
 

NEULO

1 ранг
Регистрация
14 Июл 2019
Сообщения
3,792
Реакции
1,925
Репутация
93
Возраст
52
Страна
Россия
Город
Одинцово
Предупреждений
4
КГМ... Я думал, будет понятно, что

относится к коэффициенту усиления неинвертирующего каскада на ОУ с ООС, глубину которой и уменьшает описанная цепочка на частотах выше звукового диапазона. Ну да ладно, схема уже работает #1
Посмотреть вложение 127192
ОР37 имеет минимальное стабильное усиление 5 раз, по даташиту. И она намного быстрее, чем ОР27 (которая с полной коррекцией).
мягко говоря а от чего у вас ку зависит схемы?
 

Алекс2

2 ранг
Регистрация
3 Авг 2024
Сообщения
378
Реакции
36
Репутация
8
Предупреждений
5
Регистрация
17 Июл 2022
Сообщения
3,160
Реакции
605
Репутация
59
Страна
Россия
Город
Санкт-Петербург
а то, что вы имеете в виду называется ячейка бушеро.
Я имею в виду двухполюсник, включаемый в линию передачи для согласования её (линии передачи) с генератором. Такой двухполюсник издревле называется цепью Цобеля.

Надеюсь, никто не будет называть каждую цепочку из последовательно соединённых R и C - "цепочкой Цобеля"? А шо?! Похоже ведь!
 

vitamir

1 ранг
Регистрация
2 Янв 2021
Сообщения
2,103
Реакции
1,271
Репутация
71
Возраст
63
Страна
Україна
Город
Київ
Имя
Віталій
Затям, корвете, узгодження компонентів в овдио виконується лише за напругою сигналу. Всих і скрізь.
 

Алекс2

2 ранг
Регистрация
3 Авг 2024
Сообщения
378
Реакции
36
Репутация
8
Предупреждений
5
Я имею в виду двухполюсник, включаемый в линию передачи для согласования её (линии передачи) с генератором. Такой двухполюсник издревле называется цепью Цобеля.
ты ссылки читал?
300px-Zobel_%2814%29_Balanced_Bridge_T.svg.png

это пример цепи цобеля, придуманный для телекоммуникаций

а вот ячейка бушера
300px-Zobel_%2816%29_Zobel_loudspeaker_impedance_correction.svg.png

она придумана для аудио, но является частным случаем цепи цобеля.
 
Последнее редактирование модератором:
Регистрация
17 Июл 2022
Сообщения
3,160
Реакции
605
Репутация
59
Страна
Россия
Город
Санкт-Петербург
ты ссылки читал?
Похоже, это ты не читал.
каждая селедка- рыба, но не каждая рыба- селедка.
Золотые слова! В полной мере относятся к последовательной цепи из конденсатора и резистора. Не каждая такая цепь - "Цобель".
 

Алекс2

2 ранг
Регистрация
3 Авг 2024
Сообщения
378
Реакции
36
Репутация
8
Предупреждений
5
Похоже, это ты не читал.

Золотые слова! В полной мере относятся к последовательной цепи из конденсатора и резистора. Не каждая такая цепь - "Цобель".
цепь цобеля придумали для теллекомуникаций, а ячейку бушера - частный случай цобеля-для аудио.
 

Киса

3 ранг
Регистрация
13 Мар 2025
Сообщения
101
Реакции
39
Репутация
3
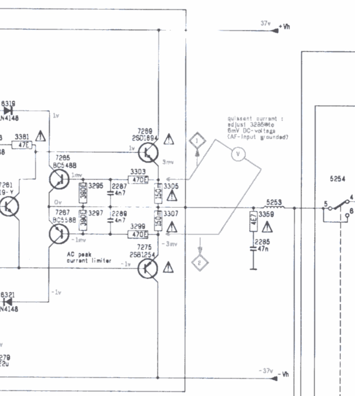
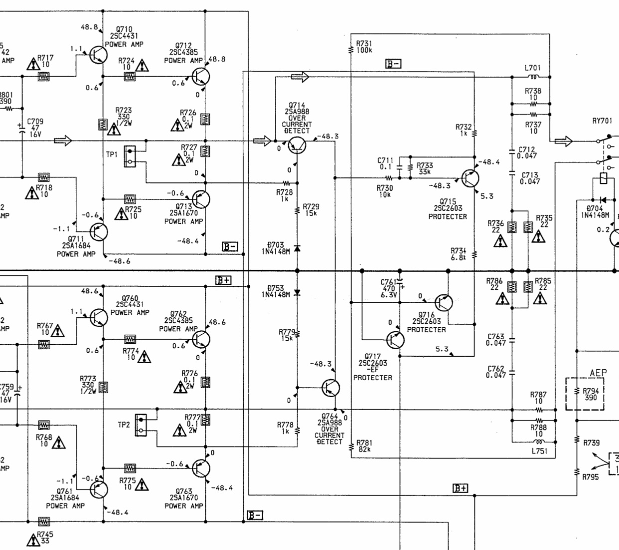
Прокомментируйте.
Есть ли логическое обьяснение почему в выходном каскаде УМ цобель после дросселя?
 

Вложения

  • 95C9951E-2412-4759-89CC-4CA334B4587B.jpeg
    95C9951E-2412-4759-89CC-4CA334B4587B.jpeg
    337.9 KB · Просмотры: 52
  • 2B787779-FA1F-455B-B0C2-0AA752B35915.jpeg
    2B787779-FA1F-455B-B0C2-0AA752B35915.jpeg
    361.3 KB · Просмотры: 40
  • C7F0A925-7A04-4D6F-99CB-82F681D7A188.jpeg
    C7F0A925-7A04-4D6F-99CB-82F681D7A188.jpeg
    192.2 KB · Просмотры: 39
  • 6F1CA776-06AC-4EAF-8AB6-5D0330770A57.jpeg
    6F1CA776-06AC-4EAF-8AB6-5D0330770A57.jpeg
    375.1 KB · Просмотры: 47
Последнее редактирование:

vitamir

1 ранг
Регистрация
2 Янв 2021
Сообщения
2,103
Реакции
1,271
Репутация
71
Возраст
63
Страна
Україна
Город
Київ
Имя
Віталій
Бо після дросселя його місце, виходячи з роботи, що це коло виконує. Тобто його робота демпфіювати завади від паразитів акустичного кабелю і навантаження, в першу чергу. І це таки коло імені Бушеро.
В доісторичні часи, коли схема вихідного каскаду була квазикомпліментарною, це коло мало демпфіювати потенційне збудження половини, що за схемою Шиклаї, бо ця схема схильна до генерації на частоті , близькій до fT вихідного транзистору. І розміщували те коло безпосередньо на виході, або навіть паралельно вихідному транзистору, що працює в схемі Шиклаї.
На ваших малюнках виходи скрізь компліментарні. ;)
 
Последнее редактирование:

Киса

3 ранг
Регистрация
13 Мар 2025
Сообщения
101
Реакции
39
Репутация
3
Бо після дросселя його місце, виходячи з роботи, що це коло виконує. Тобто його робота демпфіювати завади від паразитів акустичного кабелю і навантаження, в першу чергу. І це таки коло імені Бушеро.
В доісторичні часи, коли схема вихідного каскаду була квазикомпліментарною, це коло мало демпфіювати потенційне збудження половини, що за схемою Шиклаї, бо ця схема схильна до генерації на частоті , близькій до fT вихідного транзистору. І розміщували те коло безпосередньо на виході, або навіть паралельно вихідному транзистору, що працює в схемі Шиклаї.
На ваших малюнках виходи скрізь компліментарні. ;)
Дякую за вашу відповідь.
Це все схеми від законодавців моди тих років "Sony/Philips" це перша половина 90-х . Але той Бушеро вони ставлять на виході як до дроселя, так і навпаки, після дросселя. Чому так?
Ще картинки>>>

1.
Тут Бушеро уже "переехал" на старое место.
2.
А как сопротивление нагрузки 4 Ом, 8 Ом, или 25 Ом, и.т.д. влияет на номиналы конденсатора/резистора цепи Бушеро?
У меня все эти усилители есть, и более/менее одинаково нормально работают. Но выход я нагружаю через трансформатор с К>4 и 10гдш-1-4. Соотв. усилитель нагружен в р-не 16 Ом.
 

Вложения

  • 7951AAB4-7E53-4099-B2CA-6B8577C6EEAE.jpeg
    7951AAB4-7E53-4099-B2CA-6B8577C6EEAE.jpeg
    448.4 KB · Просмотры: 31
  • 51DBBCC5-2DED-4C38-A60E-DD819F0E70B7.jpeg
    51DBBCC5-2DED-4C38-A60E-DD819F0E70B7.jpeg
    169.1 KB · Просмотры: 30
  • CABAFFF2-6042-4ECE-96FE-077BEB0CD619.jpeg
    CABAFFF2-6042-4ECE-96FE-077BEB0CD619.jpeg
    438.4 KB · Просмотры: 32
  • 13CDE07A-8373-4DB2-BC7B-DEB8612217D0.jpeg
    13CDE07A-8373-4DB2-BC7B-DEB8612217D0.jpeg
    296.3 KB · Просмотры: 30
Последнее редактирование:

Святослав_

1 ранг
Регистрация
10 Июн 2021
Сообщения
7,351
Реакции
3,802
Репутация
167
Страна
Україна
Город
Бердянськ
Предупреждений
1
Дякую за вашу відповідь.
Це все схеми від законодавців моди тих років "Sony/Philips" це перша половина 90-х . Але той Бушеро вони ставлять на виході як до дроселя, так і навпаки, після дросселя. Чому так?
Мабуть, це залежить від того, наскільки підсилювач стабільний після замикання загальної "оос"
Бо коли Буше до дроселя, то далеко за верхньою межею звукового діапазону підсилювач відчуватиме опір резистора ланцюга Буше. Це від сотень кілогерц, до сотень мегагерц.
Зазвичай підсилювачі просто "мріють" про чисто активне навантаження.
А коли першим перед Буше стоятиме дросель, то опір навантаження буде сумою реактивних опорів дроселя і резистора. Зі збільшенням частоти в безкінечність вихід підсилювача теж буде відчувати безкінечний опір навантаження. Деякі підсилювачі при цьому запросто можуть "засвистіти" збудженням.
А деяким це буде пофіг.д
Чому безоосникам, та ламповим схемам Буше з дроселем як козі п'яте колесо? Як гадаєте?
 

Киса

3 ранг
Регистрация
13 Мар 2025
Сообщения
101
Реакции
39
Репутация
3
Мабуть, це залежить від того, наскільки підсилювач стабільний після замикання загальної "оос"
Бо коли Буше до дроселя, то далеко за верхньою межею звукового діапазону підсилювач відчуватиме опір резистора ланцюга Буше. Це від сотень кілогерц, до сотень мегагерц.
Зазвичай підсилювачі просто "мріють" про чисто активне навантаження.
А коли першим перед Буше стоятиме дросель, то опір навантаження буде сумою реактивних опорів дроселя і резистора. Зі збільшенням частоти в безкінечність вихід підсилювача теж буде відчувати безкінечний опір навантаження. Деякі підсилювачі при цьому запросто можуть "засвистіти" збудженням.
А деяким це буде пофіг.д
Чому безоосникам, та ламповим схемам Буше з дроселем як козі п'яте колесо? Як гадаєте?
Так, дякую, звичайно, я розумію що після 150 кГц (умовно) і вище від кола Бушера лишається тільки резистор на 10 Ом. Але коли перед "їм" є ще і дроссель то взагалі це вже контур який працює у полосі приблизно десь від 150 кГц до 300 кГц (умовно) а вище нічого немає.
Мабуть висновок тут буде залежать у тому що на такий підсилювач ще подавати на вхід і чим навантажувать вихід.
Тобто це лише на практиці можна перевірити.
 

Святослав_

1 ранг
Регистрация
10 Июн 2021
Сообщения
7,351
Реакции
3,802
Репутация
167
Страна
Україна
Город
Бердянськ
Предупреждений
1
В тім то і справа, що АС можуть бути геть різні.
Якщо по верхам стоїть ізодинаміка, або вискоякісний купольник з куполом 20 мм, то до пів мегагерца там буде майже резистор. А потім імпеданс можуть з'їдати ємності з'єднувального кабелю.
Коли АС на базі, скажімо, 12" ШП головки, то імпеданс за звуковим діапазоном стрімко зростатиме.
І на сотнях кілогерц може вирости на два порядки. Що можна вважати фактично від'єднанням АС.
Послідовному резонансу контура LRC така АС практично не заважатиме.
А на практиці подати меандр, і підставити до виходу всі можливі варіанти навантаження, що тут розглянуто. Потім порівняти з іншою конфігурацією, з дроселем проворуч від Буше.
За мінімальне навантаження зазвичай обирають опір втричі менший за номінальний опір АС.
 

Святослав_

1 ранг
Регистрация
10 Июн 2021
Сообщения
7,351
Реакции
3,802
Репутация
167
Страна
Україна
Город
Бердянськ
Предупреждений
1
За мінімальне за ОПОРОМ навантаження, уточнюю.
 

Киса

3 ранг
Регистрация
13 Мар 2025
Сообщения
101
Реакции
39
Репутация
3
За мінімальне за ОПОРОМ навантаження, уточнюю
Тут не зрозуміло.
Мінімальне за опором навантаження підсилювача це = якомога більший резистор при якому немає генерації. Так?

Ще питання.
А за яких саме паразитів казав "vitamir"? #83 цитую:
"Бо після дросселя його місце, виходячи з роботи, що це коло виконує. Тобто його робота демпфіювати завади від паразитів акустичного кабелю і навантаження, в першу чергу. І це таки коло імені Бушеро".
 
Последнее редактирование:

Последние сообщения

Статистика форума

Темы
3,068
Сообщения
234,464
Пользователи
2,375
Новый пользователь
Sergovlad
Сверху Снизу