TDA2030 по-китайски

  • Автор темы Автор темы Andreez
  • Дата начала Дата начала
Предельный уровень на нагрузке 4 ома без видимых изкажений синусоиды - 7вольт(по осцилографу.
вот так выглядит АЧХ:
Посмотреть вложение 3634
Может завал на большой мощности связан с просадкой питания?
Интермодуляционные:
Посмотреть вложение 3635
в цифрах:
Посмотреть вложение 3636
 
Предельный уровень на нагрузке 4 ома без видимых изкажений синусоиды - 7вольт(по осцилографу.
вот так выглядит АЧХ:
Посмотреть вложение 3634
Может завал на большой мощности связан с просадкой питания?
Интермодуляционные:
Посмотреть вложение 3635
в цифрах:
Посмотреть вложение 3636
Просто для сравнения как выглядят характеристики доработанного советского УНЧ Кумир ( 13 В на 4 ом) и TDA20 30 см. выше)))

Последний график с не доработанным темброблоком ( 40 Вт)
 

Вложения

  • Кумир после доработкт R6 2,5к  без буф корректором таб.jpg
    Кумир после доработкт R6 2,5к без буф корректором таб.jpg
    54.1 KB · Просмотры: 272
  • Кумир после доработкт R6 2,5к  без буф корректором таб и графики.jpg
    Кумир после доработкт R6 2,5к без буф корректором таб и графики.jpg
    198.7 KB · Просмотры: 288
  • Кумир после доработкт R6 2,5к с буф корректором.jpg
    Кумир после доработкт R6 2,5к с буф корректором.jpg
    208.2 KB · Просмотры: 275
  • Кумир после доработкт R6 2,5к.jpg
    Кумир после доработкт R6 2,5к.jpg
    205.9 KB · Просмотры: 269
  • Кумир с темброблоблоком и без.jpg
    Кумир с темброблоблоком и без.jpg
    40.7 KB · Просмотры: 289
Последнее редактирование модератором:
Просто для сравнения как выглядят характеристики доработанного советского УНЧ Кумир и TDA20 30 см. выше)))

Последний график с не доработанным темброблоком ( 40 Вт)
И зачем это здесь?
Нахрена сравнивать плату за 30р с полным усилителем?
 
И зачем это здесь?
Нахрена сравнивать плату за 30р с полным усилителем?
Чтобы интересующиеся поняли, что происходит с искажениями сигнала, если к УМ подключить, предварительный УНЧ с темброблоком, и в чем разница по параметрам может быть у типовой китайской микросхемы и настроенным УНЧ на рассыпухе из советских деталей 80-90х годов выпуска.

Ладно про Кумир тут отдельно сделаю пост. Согласен тут тема про TDA2030.
 
Последнее редактирование модератором:
С2 нужно ставить хороший бес полярный на 30 мкФ 50-100В (такие кондеры дорогие) - чтобы был меньше ток утечки, меньше паразитная индуктивность и в итоге меньше искажений и ровней АЧХ.
Поэтому целесообразней делать УНЧ с двух полярным питанием -
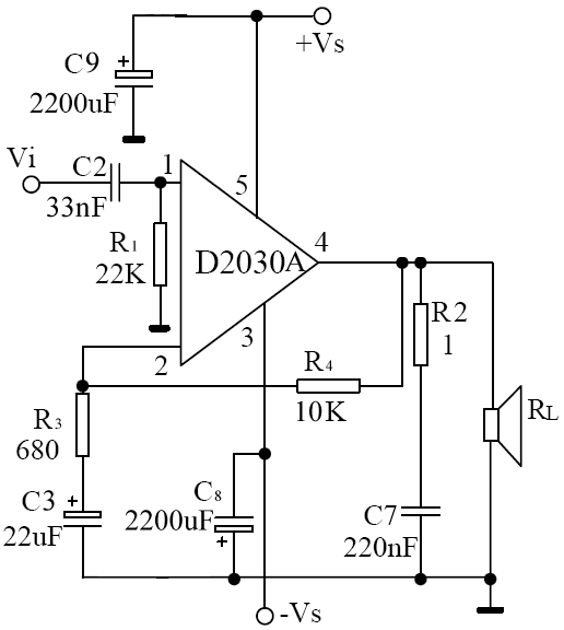
кстати, вот в даташите есть типичное включение с двух полярным питанием: там C2 22uF - его тоже надо бы тогда увеличить для подъёма НЧ? А R4+C7 - оставить как есть или заменить на увеличить R4 и уменьшить C7?
2030.PNG
 
Только конденсатор брать во внимание неправильно, за частоту среза отвечает резистор R3 и С2 вместе, а также R3 ? (второй R3...) (входной) и С1
Из схемы в начале темы 4,7 кОм и 2 мкФ = 27,5 Гц, 4,7 кОм и 10 мкФ = 5,5 Гц
Здесь С1-1 мкФ и R3* 22 кОм F=7,2 Гц, 680 Ом и 22 мкФ = 10,6 Гц
Причем по формуле на расчетной частоте среза завал будет -3 дБ, если нужно завал -1дБ, расчетную частоту нужно понижать примерно вдвое
 
Последнее редактирование:
Нашел по снижению кни 174ун7
 

Вложения

  • f.1981-12.043.jpg
    f.1981-12.043.jpg
    401.1 KB · Просмотры: 387
Вот как раз собираюсь "улучшать" китайский усилитель для компьютерных колонок.
Они, конечно, упростили схему до безбашенства.
основные узлы:
JB_изначально.png

тут C2 я, конечно, увеличу. (до 1мкф?)
нижние R3 680Ом и C3 22мкФ оставить как есть?
 
Так схема вроде даташитная? Уменьшили входную ёмкость, чтоб не мучить микросхему частотами, которые динамики никак не переварят. Только диоды с выхода на питание таки советую поставить.
 
R2=10 ом, не 1 ом точно. (резистор цобеля равен импедансу нагрузки)
С3 не менее 47 мкф. С2 1 мкф плюс-минус . R4 =22K , соответственно ему, R3 берем 1- 1, 5 ком.
 
На входе 1 ком, на землю 2000пф, частота среза ~50кгц, и конденсатор 0,47мкф, больше не надо, можно китайский МКР
 
Есть ли разница в звучании китайских и оригинальных микросхем?
Где-то валялась плата от автомагнитолы blaupunkt конца 80-х начала 90-х с четырехканальным усем.
 
Вот как раз собираюсь "улучшать" китайский усилитель для компьютерных колонок.
Они, конечно, упростили схему до безбашенства.
основные узлы:
Посмотреть вложение 10500
тут C2 я, конечно, увеличу. (до 1мкф?)
нижние R3 680Ом и C3 22мкФ оставить как есть?
Леопле!
В данных случаях первое слово производителю и его рекомендациям т. е. надо смотреть справочный листок.
Тогда и подобные вопросы будут не нужны.
.2030.png

Вот ТАК ПРАВИЛЬНО. Здесь 10 или 13 кОм - непринципиально, китайсы ставили что было под рукой.
Существенная разница только в С1. Если пренебречь входным сопротивлением микросхемы, то при 0,033 мкФ на входе, срез (по -3 дБ) будет на частоте 220 Гц. И для козявочных пластиковых компьютерных колонок это благо, всё равно ниже они ничего не дают, только надрываются.
При 1 мкФ будет 7 Гц. Смешно, даже без комментариев.
Думаю, лучше 0,1 мкФ. Это 70 Гц. Для кампутерных колонок и это перебор, но всяко лучше 7 Гц.
Диоды и доп. конденсаторы по 0,1 мкФ сильно рекомендуются.
Не стоит ждать повышенного качества ни от данной микросхемы, ни от прикомпутерных колонок, поэтому не надо фанатизма, ишь бы звучали чисто.
 
Только диоды с выхода на питание таки советую поставить.
для защиты от бросков прямого и обратного перенапряжения?

На входе 1 ком, на землю 2000пф, частота среза ~50кгц, и конденсатор 0,47мкф, больше не надо, можно китайский МКР
в смысле, зашунтировать ВЧ на входе и не нужны антивозбуд на выходе?
Я бы, всё же, не хотел ничего шунтировать.

R4 =22K , соответственно ему, R3 берем 1- 1, 5 ком.
и это немного подымет коэффициент усиления? А тепловыделение не повысится от этого? (а то там радиатор совсем никакой практически)

И для козявочных пластиковых компьютерных колонок это благо, всё равно ниже они ничего не дают, только надрываются.
Не стоит ждать повышенного качества ни от данной микросхемы, ни от прикомпутерных колонок, поэтому не надо фанатизма, ишь бы звучали чисто.
Я забыл упомянуть, динамики будут заменены. :) поэтому и "улучшаю"
 
Я забыл упомянуть, динамики будут заменены. :) поэтому и "улучшаю"
Это правильно, но уверен, что это будет не напольная трехполоска с НЧ динамиком типа 75ГДН.
Если лишние басовые частоты будут срезаны в усилителе, то звук будет чище. Небольшой срез по 70 Гц, на мой взгляд, то что надо в данном случае. Можно (но не нужно) поставить 0,22 мкФ. 35 Гц хватит? Можно и 1 мкФ и в первую очередь из-за удобства - минимальные размеры "электролита" и его проще всего впаять.
А вот радиатор откровенно слабенький.
Но считаю, что на данном этапе надо подключать то что есть, не выбрасывать синицу в погоне за журавлём.
Можно использовать этот УНЧ без доработок, а нужную входную ёмкость определить на слух - как больше понравится на имеющихся колонках.
 
Отфильтровать ненужное, с частотой выше 50кгц
 
вобщем, из-за скученного плотного монтажа почти не пробраться к напиханным деталям, а потом и не всунуть другие. Поэтому ограничился заменой входных конденсаторов на 1мкФ и резистора выходной цепи на 10ом. Ну и добавил выносно диодную защиту с фильтрующими 0,1мкф.
Играет , вроде, нормально. НЧ есть, слышимы нормально на трёхполосной АС 16см, 6ом, 100Вт от Panasonic :) .
Но вот, что удивляет: усилитель не "пукает" при включении (ни до переделки, ни после) - почему?
Есть домашний кинотеатр Elenberg на таких же D2030 и опять без диодной защиты(!) - так он "пукает" при включении.
 
Годится ли эта микросхема для простенького усилка для измерения параметров Т.-С.?
Конечно при условии что микросхема оригинальная.
 
Годится ли эта микросхема для простенького усилка для измерения параметров Т.-С.?
Конечно при условии что микросхема оригинальная.
я именно для этих целей и покупал. Работает вроде)
 
Тогда надеюсь кто из общества поделится испытанной платой в .lay формате. Такой, чтоб тупо вставил детали и заработало. А то я как-то пробовал, не пошло. Питание намотаю двуполярное.
Смешно сказать, именно отсутствие подходящего усилка главное препятствие для освоения измерений.
 
Я в Китае заказал плату (универсальная) только МС - TDA2050. Пока не пришли.
 
Тогда надеюсь кто из общества поделится испытанной платой в .lay формате. Такой, чтоб тупо вставил детали и заработало. А то я как-то пробовал, не пошло. Питание намотаю двуполярное.
Смешно сказать, именно отсутствие подходящего усилка главное препятствие для освоения измерений.
На сайте, в разделе "самодельные усилители" должна быть.
 
хочу спросить ещё раз про защитные диоды:
Не менее какого максимального тока можно ставить диоды? по даташиту: 1А. 0,3А - мало будет?
И нужно ли учитывать частоту диода?
(просто ещё есть усилитель (Elenberg), как оказалось, без диодов)
 
хочу спросить ещё раз про защитные диоды:
Не надо ничего выдумывать. Универсальные выпрямительные диоды 1N4007 на большинство случаев и как расходный материал, которого не жаль.
На Али 100 штук дешевле 1 доллара.
 
Для TDA2030 любые импульсные на 1 - 3 А, 1N4007 на высоких не очень хоть они и в сигнале не участвуют, лучше уж наши КД212 (2Д212) импульсные их куда только не ставили, ну или КД226 из телеков наших, тоже импульсные
 

Статистика форума

Темы
3,316
Сообщения
264,953
Пользователи
2,552
Новый пользователь
Dmaren55
Назад
Сверху Снизу