TDA2030 по-китайски

  • Автор темы Автор темы Andreez
  • Дата начала Дата начала
не надо использовать ST tda2050-это фейки
поправлю, у СТкакашки свой даташит, отличный от оригинала.
А так, да, хоть и монстр, но детали ВСЕ отстойные (согласно ценнику).
По ссылке, магазин отличный и пп делают, а смд лучше напаять заказывать (не распыляться)
 

Посмотреть вложение 103007
Перепробывал некоторое количество разных китайских плат. Менял конденсаторы, резисторы. Полный провал у схем на TDA 20(30-50).

Лучший результат показала LM1875 при двуполярном питании.)
Зеленым - звуковая карта.
Питание +-11В после фильтра. Нагрузка 6,8 Ом.
Посмотреть вложение 103008
Для измериловки подойдет.
На Озоне порядка 400 рупий.
На фото 1875 подделка, чип со схемотехникой от 2030 со всеми её косяками (низкий КПД и неадекватная защита). При питании +-25В может забавно вскрыться с пиротехническим эффектом. Китайцы продают пока еще оригиналы 1875 и 2050 с разборок или новые от UTC
 
так и не купил реплику удачную, кучки фейков накопил.
 

Вложения

  • WhatsApp Image 2023-08-02 at 09.07.41.jpeg
    WhatsApp Image 2023-08-02 at 09.07.41.jpeg
    289.6 KB · Просмотры: 115
  • WhatsApp Image 2023-08-02 at 16.15.36.jpeg
    WhatsApp Image 2023-08-02 at 16.15.36.jpeg
    361.3 KB · Просмотры: 111
  • WhatsApp Image 2023-08-02 at 09.00.45.jpeg
    WhatsApp Image 2023-08-02 at 09.00.45.jpeg
    312.5 KB · Просмотры: 112
  • WhatsApp Image 2023-08-02 at 09.00.30.jpeg
    WhatsApp Image 2023-08-02 at 09.00.30.jpeg
    144.8 KB · Просмотры: 100
В даташите на А2030 из 80-х, указано питание два по 18. Два по 22 если микросхема разгружена по выходу парой мощных комплементаров. А с какого бодуна туда врезать два по 25 и потом удивляться эффектам- ну не знаю.
Александр! Речь о LM1875 с её максимальным рабочим питанием +-30В
 
В даташите на А2030 из 80-х, указано питание два по 18. Два по 22 если микросхема разгружена по выходу парой мощных комплементаров. А с какого бодуна туда врезать два по 25 и потом удивляться эффектам- ну не знаю.
Тут чел заморачивался со всеми тремя:
 

Вложения

  • 45К.jpeg
    45К.jpeg
    274.7 KB · Просмотры: 84
не доствавляется в РФ. Но, меня достали кучки дорогие от Али, Лимит только с 2шт. от Финн32 заработал. Не, покупать больше не буду на обум, хоть и 8 плат осталось.
Хорошо для уха, очень хорошо,.. в турне побывал, Парафины и другие,.. в тестах очень хорошо - не хуже (для комнаты). Там ППК на 20К настраивают, в стоке.
 
Смотрите не только напряжение, но и ток\мощность.Будет очень скромно:(
 
в сети кто-то советовал применить ТДА2030 в генераторе для катушки Мишина, там 300кГц частота. Не поверил, спаял макет на оставшихся с 80-х годов А 2030. До 100 кГц дотягивает, потом круто валится .
А что сейчас творят китаецкие клоны этой микросхемы-нет желания узнавать.
 
Последнее редактирование:
Здравствуйте!
Подскажите, пожалуйста, про коэффициент усиления.
Знаю что задается двумя резисторами. Правильно ли я понимаю, если я сделаю КУ 24дБ вместо штатных 32дБ - то просто будет меньше выходная мощность. А вот шумы в такой же пропорции снизятся?
 
то просто будет меньше выходная мощность
мощность не снизится,снизится чувствительность,для той же мощности надо больше напряжение на вход подавать
шумы скорее от возбуда у вас ,не должно быть слышно шумов
 
Здравствуйте! Итак дошли руки до паяльника.
Хочу под вашим присмотром проверсти операцию по уменьшению коэффициента усиления.
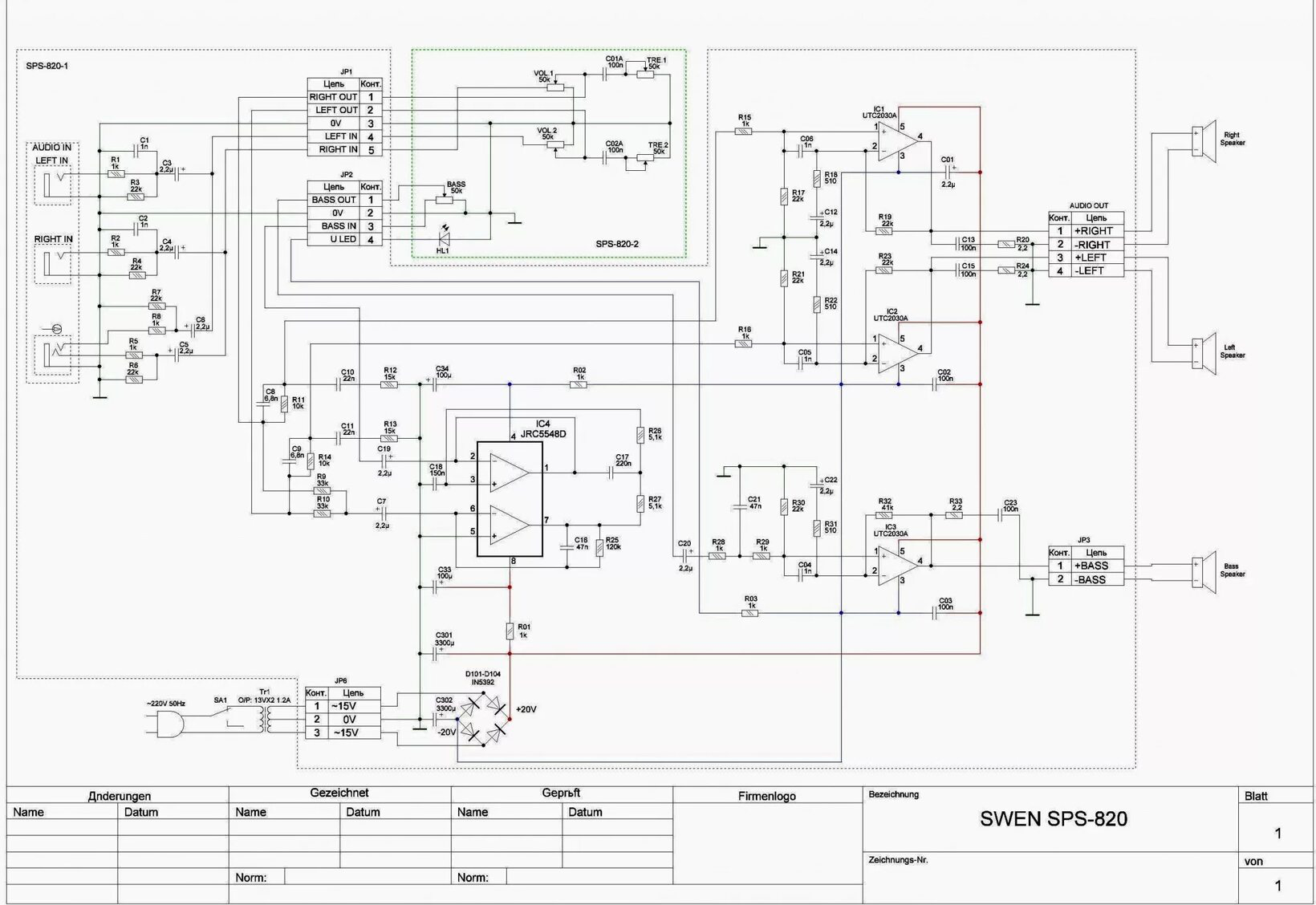
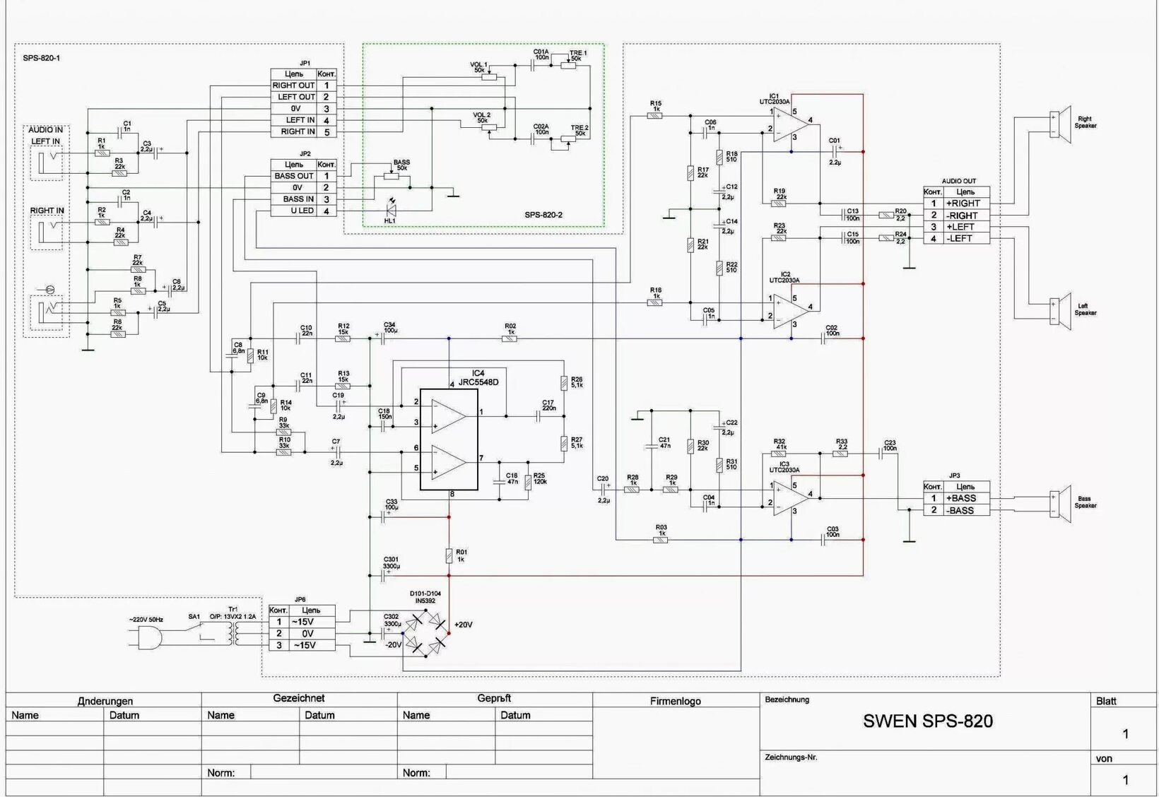
Имеем на руках плату усилителя 2.1 от SVEN 820. Собрана на трех TDA2030A.
Если я правильно посчитал, то в текущем варианте КУ очень сильно завышен - 37дБ на каналах саттелитов, 40дБ на сабовом канале.
По идее мне столько мощи не нужно, а вот от лишних шумов хочется избавиться.
Итак как я считал. На схеме нашел резисторы, задающие КУ:
Для сателлитов это R19, R23 = 33кОм и R18, R22 = 470 Ом.
Для саба - R34 = 47кОм и R33 = 470 Ом
Считаем:
Сателлиты 20 * LOG(1+33000/470) = 37дБ
Саб 20 * LOG(1+47000/470) = 40дБ
По даташиту не рекомендуется делать КУ ниже 24дБ, собственно примерно на эту цифру и ориентируюсь
Понизить КУ можно либо путём понижения R19,R23 и R34 до примерно 10кОм, либо повысить R18,R22 и R33 до 1,5кОм
В связи с этим вопрос - что лучше:
1. Понижать высокоомные
2. Повышать низкоомные.
Правда ли, что высокоомные более чувствительны к помехам, а значит лучше понизить высокоомные?
Оборотную сторону платы прилагаю
Спасибо!
 

Вложения

  • IMG_20250221_102431.jpg
    IMG_20250221_102431.jpg
    237.1 KB · Просмотры: 65
Понижать высокоомные
да понижать,можно и 16дб сделать без возбуда ,если что 5...10пикушек припаять параллельно высокоомному резику,и желательно между выводами питания микрухи кинуть керамику 0,1мкф,как можно ближе к корпусу,с обратной стороны платы
 
Начхать на Омность и помехи. Низкоомный у нас задает полосу внизу, в сочетании с емкостью. Берем 24 дб усиление, это примерно 15-16 раз . Значит, выбираем , чтобы не нарваться на банки в тыщи мкф. Скажем, сочетание 1 ком- 47мкф или 500 Ом- 100мкф. Усиление считаем от этого резистора. 15 раз резистор ООС будет 14-15 ком к 1 кому, если 500 ом- то резистор ООС примерно 6, 8-8 ком. А вапще - степень понижения чутья за счет общей ООС необходимо смотреть по поведению на осциллографе. А то мало ли, схема не рассчитана на такую глубину ООС, в которую вы ее хотите окунуть, возьмет и загенерит, дурашка этакая.
 
кондер оос лучше поставить не полярный,хорошего бренда,он сильно звук влияет или шунтировать пленкой 0,2...0,5мкф
 
да понижать,можно и 16дб сделать без возбуда ,если что 5...10пикушек припаять параллельно высокоомному резику,и желательно между выводами питания микрухи кинуть керамику 0,1мкф,как можно ближе к корпусу,с обратной стороны платы
правильно ли я понял, что нужно припаять керамику на 5-10пФ к 3 и 5 ногам?
PIN-CONNECTION.gif
 
нет к 3 и5 ногам 0,1мкф керамику,а 5р параллельно резистору оос -высокоомному это увеличит устойчивость,чем меньше высокоомный резистор тем меньше влияние паразитных реактивностей схемы поэтому я бы понижал высокоомные
еще повысит устойчивость цепочка Бушеро,15витков провода 0,7....1мм на карандаш и параллельно резистор 10ом ,ее цепляем на выход последовательно с нагрузкой
 
Последнее редактирование:
Здравствуйте! Итак дошли руки до паяльника.
Хочу под вашим присмотром проверсти операцию по уменьшению коэффициента усиления.
Имеем на руках плату усилителя 2.1 от SVEN 820. Собрана на трех TDA2030A.
Если я правильно посчитал, то в текущем варианте КУ очень сильно завышен - 37дБ на каналах саттелитов, 40дБ на сабовом канале.
По идее мне столько мощи не нужно, а вот от лишних шумов хочется избавиться.
Итак как я считал. На схеме нашел резисторы, задающие КУ:
Для сателлитов это R19, R23 = 33кОм и R18, R22 = 470 Ом.
Для саба - R34 = 47кОм и R33 = 470 Ом
Считаем:
Сателлиты 20 * LOG(1+33000/470) = 37дБ
Саб 20 * LOG(1+47000/470) = 40дБ
По даташиту не рекомендуется делать КУ ниже 24дБ, собственно примерно на эту цифру и ориентируюсь
Понизить КУ можно либо путём понижения R19,R23 и R34 до примерно 10кОм, либо повысить R18,R22 и R33 до 1,5кОм
В связи с этим вопрос - что лучше:
1. Понижать высокоомные
2. Повышать низкоомные.
Правда ли, что высокоомные более чувствительны к помехам, а значит лучше понизить высокоомные?
Оборотную сторону платы прилагаю
Спасибо!
Усиление 40 дБ - явно из соображения сэкономить на предусилении , обойтись чувствительностью самого мощника. Но такое решение кроме как собрать на г....сметану, другим не назвать. Искажения чудовищные. звук мерзота.
Положено 24 дБ- делаем 24 дБ.
 

Статистика форума

Темы
3,316
Сообщения
264,953
Пользователи
2,552
Новый пользователь
Dmaren55
Назад
Сверху Снизу