Тестирование операционных усилителей

Russ

1 ранг
Регистрация
3 Фев 2023
Сообщения
1,590
Реакции
855
Репутация
47
Страна
Россия
Город
Pskov
Попробую. Интересно, что получится. Кстати, в той статье из ж. Радио про 538 написано, что при питании 9В шумы снизились.
 
Регистрация
12 Ноя 2019
Сообщения
28,311
Реакции
13,622
Репутация
395
Попробую. Интересно, что получится. Кстати, в той статье из ж. Радио про 538 написано, что при питании 9В шумы снизились.
Вот не поверю, что вы страдаете от дикого шума на выходе преда. Столько битвы с ним....Неужели все так отвратительно с этой микросхемкой?
 

Russ

1 ранг
Регистрация
3 Фев 2023
Сообщения
1,590
Реакции
855
Репутация
47
Страна
Россия
Город
Pskov
Тут вот как: если слушать на приличной громкости на колонках, то шума преда практически не слышно, а вот в наушниках, да громкости добавить, тут вот и шумит. Попробую рипануть, только прогу поставить нужно.

Веселые картинки. Схема оригинальная из статьи на К538УН3А на такой же макетке. На входе резистор 75 Ом на землю. Сигнал подан через 16к, на последних двух сигнал подан через 816 Ом.
dso_03_04_23_37_40.pngdso_03_04_23_40_05.pngdso_03_04_23_41_23.pngdso_03_04_23_44_58.pngdso_03_04_23_47_56.pngdso_03_04_23_48_27.pngdso_03_05_00_02_20.pngdso_03_05_00_02_57.png
Питание 6В батарейки, на двух последних максимальный неискаженный выход и начало видимых искажений.
Понятно почему прилично играет и не чувствует песок.

При питании 9В неискаженный сигнал.
dso_03_05_00_31_33.png
 

IgorE

1 ранг
Регистрация
1 Янв 2021
Сообщения
2,911
Реакции
1,390
Репутация
74
Страна
Украина
Город
Берег ЧМ
Имя
Игорь
Предупреждений
1
При питании 9В неискаженный сигнал.
Это ложный путь.
Было и будет много любительских конструкций, когда автор выходит за рамки максимальных режимов. Есно часть комплектующих могут работать за границей дозволенного, но другая часть нет. Начинаются совершенно справедливые плевки в сторону автора и обвинения в неграмотности.
Думающий автор выявит все больные места. Анализом и методом проб и ошибок найдет оптимальные режимы. Конечно это по времени намного дольше, меньше романтизму, менее увлекательный, но этот метод правильный.
 

p7070

3 ранг
Регистрация
3 Мар 2023
Сообщения
40
Реакции
3
Репутация
9
Страна
Россия
Город
Miass
Имя
Павел
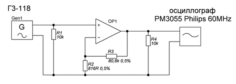
В 2014 году прочитав статью «Исследование линейности ОУ при больших выходных токах», вот здесь https://electroclub.info/other/i-out-ou-0/ появилась идея самому испытать ОУ разных типов. Собрал вот эту схему:
Посмотреть вложение 10830
Смысл работы был такой. Подключил ОУ согласно схемы, при номинальном напряжении питания и с цепями коррекции (если они требуются) для Кус=100 согласно справочным данным, если коррекция изменена (незначительно) это указано в примечании. Подав синусоидальный сигнал частотой 100 Гц (примерно 10мВ) прибавляя регулятором генератора Г3-118 уровень сигнала до тех пор, пока на выходе ОУ не установится размах сигнала +-1,4В (размах 2,8В пик-пик) наблюдал его осциллографом РМ3055 (60 МГц) фирмы PHILIPS. Увеличивая частоту генератора (при неизменной амплитуде) до тех пор, пока амплитуда на осциллографе не понизится до размаха +-1В (размах 2В пик-пик), то есть до уровня -3дБ. Правда у некоторых ОУ с повышением частоты амплитуда выходного сигнала увеличивается, что тоже можно считать нарушением линейности работы ОУ. Если в примечании указано «искажение» на такой-то частоте, это значит визуально искажается форма синусоиды (в основном изменение в форму сглаженной «пилы») на этой частоте и выше, при этом амплитуда сохраняется. Выше 200кГц наблюдения не проводились в связи с тем, что максимальная частота выходного сигнала генератора Г3-118 ограничена этой частотой.
Протестировал 122 отечественных и импортных микросхемы до которой смогла дотянутся рука.
sm10.gif
Кроме этого протестировал 20 ОУ при Кус=1000, со снижением амплитуды с +-8В до +-5,6В.
Результат моей работы: http://yadi.sk/d/tMByW3MOMpcoL
Вывод, микросхемы LM358, LM324 и их аналоги нельзя применять в звукотехнике, если не применять коррекции (указано внизу документа, при этом частота повышается вдвое!), так как у них на частоте 1кГц (и выше) появляется искажения типа «ступенька», почему именно на этой частоте не знаю. Которая отсутствует в их аналогах LM1458 и микросхемах серии 4558, где видать её устранили схемотехнически.
Также не ожидал от относительно низкочастотных микросхем К157УД2 и КР1434УД1 такой широкополосности, а также от микросхем 140УД14. Разглядывая внутреннюю схему К157УД2 и обратил внимание на то, что выходной каскад у неё сделан «параллельно-перекрестно», как у некоторых широкополосных и быстродействующих микросхем фирмы «Analog Devices», например AD817, AD818, AD829.

ТипЧастота, кГцПримечание
140УД101А200амплитуда не уменьшается до 200кГц
К140УД1А200амплитуда не уменьшается до 200кГц, макс размах +-4,3В при этом синусоида становится похожа на меандр с выбросами затухающими
КР140УД1Б200амплитуда не уменьшается до 200кГц, макс размах +-9В при этом синусоида становится похожа на меандр с выбросами затухающими
КР140УД5А130высокоомные входы, при +-6В 30кГц искажения
КР140УД5А200низкоомные входы, при 200кГц размах уменьшается до +-1,3В, при 130кГц искажения, максимальный размах +-9В 20кГц искажения
КР140УД60822
140УД601А12,5
140УД6Б20
140УД715
К140УД70110
КР140УД70813
К140УД8А24
КР140УД8А22
К140УД8Б22
КР140УД8Б30
КР140УД8В20
140УД9200размах снизился до +-1,1В
КР140УД1101200без коррекции, размах снизился до +-1,22В
КР140УД12086,4Rупр=1,5МОм
КР140УД120822Rупр=150кОм
К140УД121,5Rупр=15МОм
К140УД125Rупр=1,5МОм
К140УД1215Rупр=150кОм
КР140УД1408А33
К140УД14А200100кГц размах +-1,5В ↑, 200кГц размах +-1,7В ↑, при +-10В - 33кГц начинаются искажения
КР140УД17А6,3
К140УД1701А8
К140УД17Б7
КР140УД20А12,5
КР140УД20Б11,5
К140УД2256
КР140УД23200размах снизился до +-1,2В
К140УД25А70при +-1В, сигнал "с шумком"
К140УД25А58при +-10В, сигнал чистый
КР140УД25В56
140УД26А200размах снизился до +-1,22В
153УД1200при 200кГц размах увеличивается до +-1,8В ↑, 110кГц искажения
153УД3200при 200кГц размах увеличивается до +-1,8В ↑, 130кГц искажения
К153УД513050кГц искажения
154УД1Б11
К157УД140
К157УД283Скор=6,8пФ
К157УД2200без Скор, амплитуда не уменьшается до 200кГц
К157УД3103Скор=6,8пФ
К157УД3200амплитуда не уменьшается до 200кГц
КР544УД1А25
КР544УД1Б21
544УД1Б30
К544УД2А200высокий корпус, амплитуда не уменьшается до 200кГц
К544УД2А200низкий корпус, амплитуда не уменьшается до 200кГц, Скор=6,8пФ без него возбуждение
КР544УД2200без маркировки, амплитуда не уменьшается до 200кГц
КР544УД2А200амплитуда не уменьшается до 200кГц, но форма начинает искажатся при 10кГц(Скор=10пФ), +-10В искажение при 4кГц(Скор=10пФ),+-10В искажение при 60кГц (без Скор)
КР544УД2Б200амплитуда не уменьшается до 200кГц, сигнал с "шумком"
К548УН1А200размах снизился до +-1,1В, питание +15В(однополярное), Cвх=1мкФ, легкое возбуждение положительной полуволны устраняется 0,1мкФ по питанию возле микросхемы
КР551УД1А,Б83Скор=10нФ, Rкор=47 ом, при 40кГц искажения
КР551УД2А200при 200кГц размах увеличивается до +-1,55В ↑
К553УД1А200при 200кГц размах увеличивается до +-1,7В ↑, при130кГц искажения
К553УД1В200при 200кГц размах увеличивается до +-1,8В ↑, 110кГц искажения
К553УД266Скор=6,8пФ
К574УД1А76+-1В, Скор=6,8пФ
К574УД1А85+-10В, Скор=6,8пФ
К574УД1А145без Скор
КР574УД1А150
КР574УД1Б160
КР574УД1В170
К574УД1В200размах снизился до +-1,2В
К574УД2А55
КР574УД2А77
КР574УД2Б70
КР1005УД113
К1401УД2А27
К1401УД2Б12+-15В не работает, при +-6В - норма, при частоте больше 1кГц искажение "ступенька"
К1401УД37,2Rупр=1,3М
К1401УД426
КР1407УД220090кгц искажения
КР1407УД3200амплитуда не уменьшается до 200кГц, Rупр=220кОм, Скор(выв1-выв5)=50пФ
КР1408УД113при питании +-15В
КР1426УД121Скор=6,8пФ
КР1434УД1Б200амплитуда не уменьшается до 200кГц
КР1446УД133легкое "волнение" сигнала отрицательной полуволны
КР1446УД23,2легкое "волнение" сигнала отрицательной и положительной полуволны
1УО30155корпус DIP8
1УО7418,4корпус DIP8
1УО741B7,3металлический корпус
A2030V53при нагрузке больше или равно 47 ом возбуждение, при Rн=10 ом нормально
B08090Скор=6,8пФ
B08134
B083D35
B276182Rн=2кОм
B276151Rн=330 ом
BA455833Rohm
L272M3,3ST, при Rн=10кОм возбуждение пропадающее при малом Rн (47ом), при размахе больше +-0,6В искажение "ступенька"
LA651011Sanyo
LA65208,5Sanyo
LF355DP36
LF355N42
LM324N8ST, при частоте больше 1кГц искажение "ступенька"
LM324N5,8National Semiconductor, при частоте больше 1кГц искажение "ступенька"
LS204CD35ST
MAA502200при 200кГц размах увеличивается до +-1,74В ↑, 190кГц искажения
MAA725B200размах снизился до +-1,1В, 110кГц искажения
MAA725C15060кГц искажения
MC4558C33Samsung
NE5532N200Signetix, размах снизился до +-1,2В
NE5532P193TI
NE5534N200амплитуда не уменьшается до 200кГц
NJM4558L32JRC
NJM4565 SD105JRC
OP275130Analog Devices
TL074CN32ST
TL074CN29TI
TL084CN40ST
UA715DC200при 200кГц размах увеличивается до +-1,5В ↑
uPC4570C150NEC
при тестировании макетку с панелью используете? делаете пропаяную монтажку ? используете (извините -это как у меня ..) китайскую монтажку с набором разделанных проводов? провторял часть ваших экспериментов - чистого сигнала не добился - а при 0 на входе ОУ выдает возбуд на более высокой частоте (157уд2 - без коррект цепи)
 
Регистрация
12 Ноя 2019
Сообщения
28,311
Реакции
13,622
Репутация
395
А скажите, смысл какой в тестировании опера с усилением 100, когда в рабочей схеме у нас максимум 30 и то, если опер разогнан по максимуму вольдобавкой.
Мы его измеренное на 100 переносим в рабочую схему с усилением в 20-30 и получаем возбуд.

1
при тестировании макетку с панелью используете? делаете пропаяную монтажку ? используете (извините -это как у меня ..) китайскую монтажку с набором разделанных проводов? провторял часть ваших экспериментов - чистого сигнала не добился - а при 0 на входе ОУ выдает возбуд на более высокой частоте (157уд2 - без коррект цепи)
157уд2 без коррекции нужно испытывать с положенным Ку, он там должен быть приличным. Увеличиваем глубину ООС- автоматом вводим корректирующую емкость. Её величину смотрим по табличке либо подбираем по ПХ без выброса на фронте и без зализанных углов.
 

slami

1 ранг
Регистрация
15 Янв 2021
Сообщения
1,420
Реакции
1,124
Репутация
58
Возраст
53
Страна
Россия
Город
Иркутская обл.
Имя
Вячеслав
при тестировании макетку с панелью используете? делаете пропаяную монтажку ? используете (извините -это как у меня ..) китайскую монтажку с набором разделанных проводов? провторял часть ваших экспериментов - чистого сигнала не добился - а при 0 на входе ОУ выдает возбуд на более высокой частоте (157уд2 - без коррект цепи)
Плату использовал такую
DOC003985251.jpg
Обязательно неважно где но на плате по питанию электролиты на 10 мкФ, чтобы длинные провода от блока питания помех не давали. У некоторых микросхем по питанию прямо возле выводов микросхемы + и - питания конденсатор керамику на 0,1 мкФ втыкал от подвозбудов.
 
Регистрация
12 Ноя 2019
Сообщения
28,311
Реакции
13,622
Репутация
395
Плату использовал такую
Посмотреть вложение 59494
Обязательно неважно где но на плате по питанию электролиты на 10 мкФ, чтобы длинные провода от блока питания помех не давали. У некоторых микросхем по питанию прямо возле выводов микросхемы + и - питания конденсатор керамику на 0,1 мкФ втыкал от подвозбудов.
да, в некоторых случаях емкостишка на выводах опера убирает звоны.
 

slami

1 ранг
Регистрация
15 Янв 2021
Сообщения
1,420
Реакции
1,124
Репутация
58
Возраст
53
Страна
Россия
Город
Иркутская обл.
Имя
Вячеслав
А скажите, смысл какой в тестировании опера с усилением 100, когда в рабочей схеме у нас максимум 30 и то, если опер разогнан по максимуму вольдобавкой.
Мы его измеренное на 100 переносим в рабочую схему с усилением в 20-30 и получаем возбуд.
Смысл был в том что Г3-118 только до 200 кГц и чтобы охватить все ОУ было решено использовать Кус=100 чтобы выяснить полосу пропускания 100 х 200 кГц =20 МГц, хотя для некоторых не хватило
 

p7070

3 ранг
Регистрация
3 Мар 2023
Сообщения
40
Реакции
3
Репутация
9
Страна
Россия
Город
Miass
Имя
Павел
я так же делал - и кондеры ставил, но все же пропадание контакта в этой доске явление не редкое - я так жкспериментировал с считывателем RFID метки - глючила постоянно - пишлось все на монтажке спаять

Кус=100 чтобы выяснить полосу пропускания 100 х 200 кГц =20 МГц, хотя для некоторых не хватило
вот тут не понял - зачем коэф усиления на частоту умножать?амплитуду усилим, а частота сигнала остается прежней ( это же не преобразователь частоты)
 

slami

1 ранг
Регистрация
15 Янв 2021
Сообщения
1,420
Реакции
1,124
Репутация
58
Возраст
53
Страна
Россия
Город
Иркутская обл.
Имя
Вячеслав
вот тут не понял - зачем коэф усиления на частоту умножать?амплитуду усилим, а частота сигнала остается прежней ( это же не преобразователь частоты)
Повторю пост #3, и ещё откуда все началось в #1 написал
"Частота полной мощности, в даташитах "Full Power Response" или "Power bandwidth"
Мое измерение, по сути измерение полосы пропускания (в даташитах "Gain Bandwidth), если у меня получилось 120 кГц при усилении 100 получается полоса пропускания равна 12 МГц. В импорте чаще всего она указывается.
В наших справочных листах на ОУ чаще всего приводится частота единичного усиления (в даташитах "Unity Gain Bandwidth"), и она отличается от полосы пропускания, если сравнивать."
Прочитать можно здесь https://en.wikipedia.org/wiki/Gain–bandwidth_product
 
Регистрация
12 Ноя 2019
Сообщения
28,311
Реакции
13,622
Репутация
395
Повторю пост #3, и ещё откуда все началось в #1 написал
"Частота полной мощности, в даташитах "Full Power Response" или "Power bandwidth"
Мое измерение, по сути измерение полосы пропускания (в даташитах "Gain Bandwidth), если у меня получилось 120 кГц при усилении 100 получается полоса пропускания равна 12 МГц. В импорте чаще всего она указывается.
В наших справочных листах на ОУ чаще всего приводится частота единичного усиления (в даташитах "Unity Gain Bandwidth"), и она отличается от полосы пропускания, если сравнивать."
Прочитать можно здесь https://en.wikipedia.org/wiki/Gain–bandwidth_product
Да все можно пересчитать с павер бандвиза на унити гейн бандвиз и обратно.
Сам так же прикидываю, смотрю в картинку. с каким усилением опер дотянет до нужной частоты и нет ли на полном размахе раннего завала по частоте.
И если мне не изменяет склероз, то 157УД2 даже с откинутой емкостью коррекции на полный сигнал не добегает выше 200 кгц.
 

slami

1 ранг
Регистрация
15 Янв 2021
Сообщения
1,420
Реакции
1,124
Репутация
58
Возраст
53
Страна
Россия
Город
Иркутская обл.
Имя
Вячеслав
я так же делал - и кондеры ставил, но все же пропадание контакта в этой доске явление не редкое - я так жкспериментировал с считывателем RFID метки - глючила постоянно - пишлось все на монтажке спаять
Пропадания контакта при тестировании не было, а вообще согласен, бывает, но обратил внимание что если втыкаешь тонкие выводы как у микросхем или простых резисторов - нормально, а если воткнешь какой мощный резистор или конденсатор с толстым выводом, он видать раздавливает в стороны контактные пластины и потом они плохо контачат на тонких выводах
 

KSV

1 ранг
Регистрация
10 Июн 2020
Сообщения
7,000
Реакции
7,239
Репутация
257
Страна
Россия
Город
Москва
Имя
Сергей
Я пришёл к выводу, что надо делать "испытатель ОУ" для просмотра на экране осциллографа реальных параметров ОУ - быстродействие, отсутствие ступеньки, размах выходного сигнала, нагрузочная способность.
Нашёл две простенькие схемки.
Думаю. это единственное решение.
Все эти параметры в табличках - бред и лажа, им нельзя верить. Все (почти) ОУ сегодня делаются на Малой Арнаутской в Китае (что на Али, что в Чипе) и лбвиная доля - подделка, как с мощными транзисторами.
(Понятно, что ОУ СССР не подделывались, но убедиться в их качестве тоже не помешает).
Но с транзисторами может хоть как-то молоток помочь, а с мелкосхемами и он не поможет.
Понимаю, что точность будет невысокой, но её хватит для быстрого выявления 99% подделок.
Почему я дошёл до жизни акой?
Мне понадобились TL074. Посмотрел на Али и цены, мягко говоря, насторожили. Ну не могут продавать за такие деньги оригиналы (пусть хорошие копии).
Хочу начать вот с такой схемки сделаю только среднюю точку для однополярного питания.
Вот другая схемка.
Больше ничего путёвого не подвернулось.
Какие мнения и схемы будут у тех кто в теме?
Сразу оговорюсь, что входные токи, напряжение сдвига и прочая хрень здесь не нужны.
Нужна отбраковка зёрен от плевел.
Без этого - сделаешь схему, а потом будешь ломать голову - почему она странно работает.
Ну и касаемо катушек Мешина - можно увидеть и быстродействие (а значит и частоту усиления) и размах на выходе без нагрузки и с оной.
Имея проверенные микросхемы, можно их смело впаивать в усилитель.
 

Russ

1 ранг
Регистрация
3 Фев 2023
Сообщения
1,590
Реакции
855
Репутация
47
Страна
Россия
Город
Pskov
В даташитах есть схемы для проверки, а что в таких намерите - неизвестно.
Схемы - шедевр, это все равно, что проверять скорость автомобиля гоняя его при помощи его же стартера.
 

KSV

1 ранг
Регистрация
10 Июн 2020
Сообщения
7,000
Реакции
7,239
Репутация
257
Страна
Россия
Город
Москва
Имя
Сергей
В даташитах есть схемы для проверки, а что в таких намерите - неизвестно.
Вот ВЫ и собирайте эти схемы. Для меня будет достаточно информации чтобы увидеть - эти конкретные микросхемы - шлак или нет.
Стремление к измерениям "как в даташите" ГАРАНТИРОВАННО приведёт к тому, что измерять ВООБЩЕ НИКТО НЕ БУДЕТ.
Хоть кто-то измеряет входную ёмкость транзисторов с подачей напряжения смещения? НИКТО, и это не мешает отличать настоящие транзисторы от ЯВНО поддельных.
Простой приборчик позволит оценить почти любые ОУ. А цоколёвки у абсолютного большинства типовые: корпус мини-дип на 8 выводов в котором или один ОУ или два ОУ, корпус дип 14 выводов - в нём 4 ОУ.
При желании и нестандартной цоколёвке не так сложно перепаять несколько проводков.
Уверен, что 99% шлака можно и нужно отсеивать именно таким образом.
Здесь будет "массово-поточный" метод, который я использую для транзисторов.
Готовлю рабочее место и кучу транзисторов микросхем. Пенельки позволяют быстро их менять. И поточно ставлю и смотрю. Для первого ОУ одного типа подстраиваю осциллограф для оценки быстродействия, формы и размаха сигнала. А дальше вставил-вынул и так далее, пока не покрою всех. Одни пойдут в урну, другие в кассетницу.
Думаю, здесь у большинства накопилось по нескольку десятков ОУ - вот их и надо проверить.
Далее можно делать, как я поступаю со "свежими" транзисторами купленными на Али (основные, но не все, покупки делаю там). Бывает, что на Али можно дёшево купить хорошие транзисторы и микросхемы, но без проверки проверить это нельзя. Кроме того, удобно когда выводы делаются на основе проверки партии 10-20 штук, а не одной случайно выбранной детали.
Схемы - шедевр, это все равно, что проверять скорость автомобиля гоняя его при помощи его же стартера.
Авогенераторы мне нравятся больше, чем подача сигнала от внешних генераторов. Надеюсь, понятно почему.
Если у Вас есть ПРОСТАЯ схема обладающая бОльшим функционалом, ждём её здесь.
Раньше я этим не занимался и опыта не накопил потому что раньше можно было верить тому что написано на корпусе и в справочном листке, а сейчас - нельзя верить.
 

Georgi

3 ранг
Регистрация
11 Дек 2021
Сообщения
133
Реакции
137
Репутация
18
Страна
Россия
Город
г. Дубна, Моск.обл.
Имя
Георгий
Предлагаю интересные материалы по различным ОУ:
  1. https://arcadiy.pro/articles/operational-amplifier-overview - подробный обзор ОУ
  2. https://joodo.ru/messages/353-Zvuchanie-operacionnyh-usilitelei.html - оценка звучания на слух ОУ
  3. https://myelectrons.ru/test-operatsionnyh-usilitelej-dlya-audio/ - сравнительный тест ОУ
  4. http://musatoffcv.narod.ru/Docs/DescNoLinerOfOpAmp.htm - оценка нелинейности некоторых ОУ
  5. А.А. Данилов «Прецезионные усилители низкой частоты» - хорошая книга по основам ОУ.
И наконец, вишенка на торте. Редкая по тематике статья от небезызвестного "Аудиокиллера" (Игоря Рогова) об испытании некоторых ОУ на различных токах. Кстати, весьма рекомендую к прочтению и другие его статьи.
Когда разрабатывал схему моего предусилителя к УМЗЧ на TDA7293, то использовал в нём сдвоенную мс NE5532 в режиме оптимального для неё Rнагр ~1,2 ... 1,5 кОм, обеспечивающего минимальный коэффициент гармоник.
Работой предусилителя, в котором использовал 3 таких мс, полностью доволен. Кстати, покупал эту МС года 3-4 назад за смешные деньги 17 руб. в "Чип и Дип" (как и мс TDA7293 и другие компоненты).
Есть в статье и данные по двум отечественным ОУ К544УД1 и К544УД2.

https://electroclub.info/other/i-out-ou-0/ статья "Аудиокиллера": «Линейность операционных усилителей при больших выходных токах».
 
Последнее редактирование:

IgorE

1 ранг
Регистрация
1 Янв 2021
Сообщения
2,911
Реакции
1,390
Репутация
74
Страна
Украина
Город
Берег ЧМ
Имя
Игорь
Предупреждений
1
Бывает, что на Али можно дёшево купить хорошие транзисторы и микросхемы
Мне кажется, что это попытка выявить "честных цыган на вокзале". Ну выявите шлак и что дальше? Как в старом фильме:
- заберите этот брак и выдайте другой....
Никогда не сталкивался с фальсификатом, не падок на дармовщинку, никогда не покупаю на Али. Больше 20 лет в одних и тех же магазинах без эксцессов и намного более сложные и дорогие изделия электроники чем ОУ. Экономия боком выходит не только в деньгах.
Не то это изделие ОУ, что бы было просто его испытать, а тем более по комплексу важных параметров.
 

KSV

1 ранг
Регистрация
10 Июн 2020
Сообщения
7,000
Реакции
7,239
Репутация
257
Страна
Россия
Город
Москва
Имя
Сергей
Предлагаю интересные материалы по различным ОУ
Согласен, что это интересно и полезно.
Но нас тут достаточно много и общими усилиями мы можем добавить практический материал.
Одному льву трудно всё объять, а населению муравейника может быть проще.
Пример.
В теме про катушку Мишина приведены некоторые ОУ способные работать на частотах выше звуковых.
Вроде бы сегодня всё есть и всё просто купить, но обнаружилось что с заменой 544УД2 есть определённые проблемы. Кроме того - одно дело что написано в паспорте ОУ, другое - что будет у микросхем купленных известно где.
К сожалению, в обсуждениях доминирует пустая говорильня.
 

IgorE

1 ранг
Регистрация
1 Янв 2021
Сообщения
2,911
Реакции
1,390
Репутация
74
Страна
Украина
Город
Берег ЧМ
Имя
Игорь
Предупреждений
1
К сожалению, в обсуждениях доминирует пустая говорильня.
Это будет работа на корзину.
Одно дело выявить разницу аналогов разных производителей, но не имеет смысла проверять безродных сирот.
 

Russ

1 ранг
Регистрация
3 Фев 2023
Сообщения
1,590
Реакции
855
Репутация
47
Страна
Россия
Город
Pskov
Кому тут высоких частот? :)

1678562368961.png
 

KSV

1 ранг
Регистрация
10 Июн 2020
Сообщения
7,000
Реакции
7,239
Репутация
257
Страна
Россия
Город
Москва
Имя
Сергей
Нарисовал одну платку для ОУ "два в одном", посмотрим что получится, какие подводные камни вылезут.
 

slami

1 ранг
Регистрация
15 Янв 2021
Сообщения
1,420
Реакции
1,124
Репутация
58
Возраст
53
Страна
Россия
Город
Иркутская обл.
Имя
Вячеслав
Я бы еще миллиамперметр включил по питанию, смотреть потребляемый ОУ ток, так, для информации
 

KSV

1 ранг
Регистрация
10 Июн 2020
Сообщения
7,000
Реакции
7,239
Репутация
257
Страна
Россия
Город
Москва
Имя
Сергей
Только что спаял и испытал схему автогенератора. Плата для двух ОУ в одном корпусе. Делал на скорую руку, колебался - делать сопливую макетку или что-то поприличнее. выбрал поприличнее.
Вот подтверждение. Заработала сразу без каких-либо настроек.
P7047611.JPG

P7047612.JPG

Думаю, в данном случае качество фото значения не имеет.
Осциллограммы не привожу - надо возиться. И кому это надо? Лучше любуйтесь картинками издранными из рекламных справочных листков. Закройте глаза на то что эти картинки могут не соответствовать реальным парметрам микросхем, которые вы купили, да еще в Китае или у местных торгашей.
Я взял из кассетницы пакетик с TL062 и стал измерять.
Всё просто - ждущая развёртка, питание однополярное 20 В, развёртка 0,5 мкс или по необходимости.
Амплитуда на нагрузке около 5 кОм - побольше 16 В.
Но быстродействие примерно 11 В/мкс. Посмотрел другой канал - близнецы. Протёр очки, вынул микросхему, оказалась TL082... Оказалось, что два микросхемы перебежали знакомиться в чужой пакетик.
По паспорту 8...13 В/мкс но при питании +-15 В, а быстродействие сильно зависит от питания, это хорошо видно при изменеии питания, но мой ЛБП не выдает 30 В, а ставить отдельный БП на +-15 В - неохота.
Проверил остальные мелкосхемы TL082 и TL062, около десятка каждой (значит скорее покупал на Али, но очень-очень давно).
Слюни-рэйт у TL062 около 3 В/мкс что при таком питании - норма.
Взял OPA2134 с Али. На фото её немножко видно. В рамочке гордая надпись бе-бе. Не считайте меня слишком наивным человеком, я понимал что по такой цене китайсы не пришлют номальных бррр-бррраунов, но купить десяток - не расход. Но интересно было посмотреть, а при нужде куплю на Чипе, другой возможности сейчас у меня нет.
Быстродействие 7...8 В/мкс. По паспорту 15...20 но при питании +-15 В. Значит при +-10 В у настоящих будет от 10...12 В/мкс.
Это то что я называю хорошей подделкой. На такие подделки люди даже не жалуются.
Всякие шумы и сдвиги не измеряю - это довольно сложный процесс и даже он не даёт гарантий соттветствия нутра и надписи на корпусе.
Важно другое - за несколько секунд (если на платку подано питание и прогрет осциллограф) можно оценить качество микросхемы и точно определить неподлинность.
Я предпочитаю подобные пробники, пользы от них - в миллион раз больше, чем от пустых рассуждений и поисков на ютупе частовых видеороликов с рассуждениями о том как определить качество детали по внешнему виду.
Я давно убедился, что подделки на Али бывают самого разного качества и в ряде случаев подделки-копии работают неплохо.
Думаю, и эти OPA2134 от "burr-brown" вполне годны для выполнения ряда задач.
Есть мысли как собрать другую платку которая позволит испытывать любые ОУ, в том числе с "нестандартной" цоколёвкой, как 553УД2, так и в круглом железе типа 140УД8.
У этой простейшей схемы я вижу кучу достоинств можно убедиться что:
- микросхема работает,
- отсеять подделки,
- увидеть максимальный размах выходного напряжения (даже для этих трёх оно было несколько разным),
- проверить сомнительные микросхемы (перегретые и пр.) и так далее, и тому подобное.
Понятно, что для испытания микросхем на шумы, оптимальную коррекцию и т. п. нужна другая платка - чудес не бывает, но думаю, что коррекцию лучше настраивать на реальной нагрузке в реальной схеме.
Продолжу проверку моих мелкосхем попозже.
Увы, сегодня домашний входной контроль стал необходим, это раньше можно было верить написанному, сегодня верить нельзя никому, даже себе, мне - можно.
Я бы еще миллиамперметр включил по питанию, смотреть потребляемый ОУ ток, так, для информации
Включайте - в чём проблема?

Закончил проверять свои ОУ "два в одном". Результатами удовлетворён. Это не симулянты, которые показывают то что им прописали в мадели, а ПРАВДА!
Понятно, что параметры моих микросхем никому кроме меня не интересны, даже для себя я не делал записей, ни одна микросхема не отправилась в полёт. У одних типов микросхем фронт - ровная линия, у других - нелинейное нарастание.
Абсолютное большинство успешно прошло испытание, но есть разница параметров от разных производителей и надписи здесь - плохой помощник.
Наглядно видно, что LM358 не годятся для "хорошего звука" из-за ступеньки, причем ступенька ассиметрична и разная у разных производителей.
Не смог измерить быстродействие AD8066 - видно, что высочайшее, но измерить не получается - осциллограф слабоват. По паспорту типовое значение 180 В/мкс!! Так что похоже, у меня настоящие. Покупал очень-очень давно и даже не по людоедским ценам.
В Чипе сегодня примерно от 500 до 2000 руб за штуку, я покупал скорее за 500 на радиорынке в Митино, кажется. Поставил на выход рядовой звуковой карты ASUS Xonar, улучшение в наушниках услышал сразу, так что для звука потенциально годные.
Теперь можно заняться микросхемами "один ОУ - один корпус".
 

slami

1 ранг
Регистрация
15 Янв 2021
Сообщения
1,420
Реакции
1,124
Репутация
58
Возраст
53
Страна
Россия
Город
Иркутская обл.
Имя
Вячеслав
Собрали по первой или второй схеме?
 

Никитич

1 ранг
Регистрация
28 Ноя 2019
Сообщения
796
Реакции
507
Репутация
49
Возраст
65
Страна
AL
Не смог измерить быстродействие AD8066 - видно, что высочайшее, но измерить не получается - осциллограф слабоват. По паспорту типовое значение 180 В/мкс!! Так что похоже, у меня настоящие. Покупал очень-очень давно и даже не по людоедским ценам.
Поставил на выход рядовой звуковой карты ASUS Xonar, улучшение в наушниках услышал сразу, так что для звука потенциально годные.
Я ставил AD8066 в Asus Xonar Essence ST в преобразователи i/u.
 

Статистика форума

Темы
3,095
Сообщения
236,209
Пользователи
2,388
Новый пользователь
AlexxxV
Сверху Снизу